Насосы 50НР радиально-поршневые
|

Насос 50 НР 6.3
|
Насосы радиально-поршневые 50НР (50НР4, 50 НР6,3, 50НР8, 50НР10, 50НР14, 50НР16, 50НР32, 50НР63) и секционные типа 50НС (50НС4, 50НС6,3, 50НС8, 50НС10, 50НС14, 50НС16, 50НС32, 50НС63) УХЛ4 с постоянным по величине и направлению потоком жидкости предназначены для общемашиностроительного применения в гидроприводах, соответствующих требованиям ГОСТ 17411-91.
Насосы 50НР - радиально-поршневые.
Насосы 50НС - секционные (поршневой насос в сборе с пластинчатым насосом типа БГ12-42).
Насосы изготавливаются одноотводные 50НР4(6,3,14,16,32) и двухотводные 50НР6,3(4,14,16,32)/2, секционные одноотводные 50НС и секционные двухотводные 50 НС.../2.
Насосы 50 НР 6 3, 50 НР 4, 50 НР 14, 50 НР 63 обеспечивают получение одного или двух потоков рабочей жидкости давлением до 50 МПа, а насосы 50НС, кроме того, еще одну подачу от пластинчатого насоса БГ12-42 (БГ12-41, БГ12-41А, БГ12-41Б) давлением до 2,5 МПа.
Насосы 50 НР 4, 50 НР 6,3, 50 НР 14, 50 НР 16, 50 НР 32 предназначены для работы на минеральных маслах вязкостью от 21 до 265 мм²/с (сСт) при температуре масла от плюс 10 до плюс 50 °С при температуре окружающей среды от О °С до плюс 50 °С.
Рекомендуемые рабочие жидкости - минеральные масла типа ВНИИ НП-403 ГОСТ 16728-78, ИГП-30, ИГП-38 и ИГП-49 по ТУ 38 101413-78.
Номинальная тонкость фильтрации масла:
- 40 мкм для насосов типа 50 НР;
- 25 мкм для насосов типа 50 НС.
Класс чистоты рабочей жидкости 14 по ГОСТ 17216-71.
Направление вращения насоса - правое (по часовой стрелке, если смотреть с носка вала). Насосы могут изготавливаться левого вращения.
Положение насосов при работе горизонтальное или вертикальное (носок вала вверх). Насосы с рабочим объемом 500 см³ работают только в горизонтальном положении.
|
Основные параметры радиально-поршневых насосов 50НР, 50НС одноотводных
| Параметры насоса |
50НР-4
50НC-4 |
50НР-6,3
50НC-6,3 |
50НР-8
50НC-8 |
50НР-10
50НC-10 |
50НР-14
50НС-14 |
50НР-16
50НС-16 |
50НР-32
50НС-32 |
50НР-63
50НC-63 |
| Количество отводов |
1 |
1 |
1 |
1 |
1 |
1 |
1 |
1 |
| Ном. подача радиально-поршневого насоса, л/мин |
5,5 |
8,6 |
11 |
13,2 |
19,3 |
22 |
44,1 |
80 |
| Частота вращения, об/мин, номинальная |
1500 |
1500 |
1500 |
1500 |
1500 |
1500 |
1500 |
1500 |
| Частота вращения, об/мин, максимальная |
1800 |
1800 |
1800 |
1800 |
1800 |
1800 |
1800 |
1800 |
| Частота вращения, об/мин, минимальная |
300 |
300 |
300 |
300 |
300 |
300 |
300 |
300 |
| Давление на выходе ном. / макс., МПа |
50 / 63 |
50 / 63 |
50 / 63 |
50 / 63 |
50 / 63 |
50 / 63 |
50 / 63 |
50 / 63 |
| Давление на входе, МПа, минимальное |
-0,02 |
-0,02 |
-0,02 |
-0,02 |
-0,02 |
-0,02 |
-0,02 |
-0,02 |
| Давление на входе, МПа, максимальное |
+0,05 |
+0,05 |
+0,05 |
+0,05 |
+0,05 |
+0,05 |
+0,05 |
+0,05 |
| Коэффициент подачи, не, менее |
0,93 |
0,93 |
0,93 |
0,93 |
0,93 |
0,93 |
0,93 |
0,91 |
| Масса насоса (без рабочей жидкости) 50НР / 50 НС, кг |
19 / 23,5 |
19 / 23,5 |
24 / 28,5 |
33 / 37,5 |
33 / 37,5 |
39 / 43,5 |
39 / 43,5 |
77 / 81,5 |
Основные параметры радиально-поршневых насосов 50НР, 50НС двухотводных
| Наименование параметров |
Насос 50НР8/2
Насос 50НC8/2 |
Насос 50НР32/2
Насос 50НС32/2 |
Насос 50НР63/2
Насос 50НC63/2 |
| Количество отводов |
2 |
2 |
2 |
| Номинальная подача: радиально-поршневого насоса / одного отвода насоса / пластинчатого насоса, л/мин |
11 / 5,5 / 17,5 |
44,1 / 22 / 17,5 |
- |
| Частота вращения, об/мин, номинальная |
1500 |
1500 |
1500 |
| Частота вращения, об/мин, максимальная |
1800 |
1800 |
1800 |
| Частота вращения, об/мин, минимальная |
300 |
300 |
300 |
| Давление на выходе: радиально-поршневого насоса ном. / макс. | пластинчатого насоса мин. / макс., МПа |
50 / 63 | 2,5 / 6,3 |
50 / 63 | 2,5 / 6,3 |
50 / 63 | 2,5 / 6,3 |
| Давление на входе, МПа, минимальное |
-0,02 |
-0,02 |
-0,02 |
| Давление на входе, МПа, максимальное |
+0,05 |
+0,05 |
+0,05 |
| Коэффициент подачи, не, менее |
0,93 |
0,93 |
0,91 |
| Масса насоса (без рабочей жидкости) 50НР / 50 НС, кг |
24 / 28,5 |
39 / 43,5 |
77 / 81,5 |
Таблица аналогов радиально-поршневых насосов 50НР, 50НС
| Наименование насоса 50 НР, 50 НС |
Аналог |
| Насос 50 HP 4 |
Насос НПР 4/50 |
| Насос 50 HP16 |
Насос НПР 16/50 |
| Насос 50 HP32 |
Насос НПР 32/50 |
| Насос 50 НР32/2 |
Насос НПР16х16/50 |
| Насос 50 HС 4 |
Насос НПР 4/50 |
| Насос 50 HС 16 |
Насос НПР 16/50 |
| Насос 50 HС 32 |
Насос НПР 32/50 |
| Насос 50 НС 32/2 |
Насос НПР16х16/50 |
Структура условного обозначения насосов 50НР, 50НС
| 50 Н |
|
Р |
|
32 |
/ |
2 |
|
8 |
 |
К |
 |
Л ПО4 |
|
| |
|
|
|
|
|
|
|
|
|
Направление вращения вала:
без обозначения - правое вращение
Л - левое вращение
Возможность погружного исполнения:
без обозначения - обычное исполнение
П - погружное исполнение
ПО4 - погружное общеклиматическое исполнение
|
 |
|
Исполнение по типу установки:
без обозначения - фланцевое крепление
К - на лапах
|
 |
|
Объём пластинчатого насоса (только для насоса 50 НС):
без обозначения - 12,5 см³
8 - 8 см³
5 - 5 см³
3,2 - 3,2 см³
|
 |
|
Количество отводов:
без обозначения - 1 отвод
2 - 2 отвода
|
 |
|
Рабочий объём поршневого насоса:
4 - 4 см³
6,3 - 6,3 см³
14 - 14 см³
16 - 16 см³
32 - 32 см³
|
 |
|
Тип агрегата:
Р - радиально-поршневой
C - секционный
|
 |
|
Насос на номинальное давление 50 МПа
|
Устройство и принцип работы насосов 50НР, 50НС
|

|
1. Вал приводной
2. Шпонка
3. Кольцо
4. Манжета
5. Крышка
6. Втулка
7. Подшипник
9. Поршень
10. Кольцо
11. Корпус клапана
12. Колпачок
13. Пружина
14. Шарик
15. Седло
16. Цилиндр
17. Кольцо
18. Корпус
19. Прокладка
20. Пружинная шайба
21. Винт
22. Крышка
23. Пластинчатый насос
24. Болт
25. Кольцо
27. Шарик
28. Втулка
29. Подпятник |
Устройство насоса с обозначением его основных составных частей приведено на рисунке выше.
Секционный насос 50 НС состоит из двух насосов:
- радиально-норшневого насоса высокого давления 50 НР;
- пластинчатого насоса низкого давления БГ2-42 ТУ 2.053-1342-78.
Конструкция ралиально-поршневого насоса 50 НР построена по схеме радиального расположения поршней 9 с качающейся осью. Приводной эксцентриковый вал насоса 1 опирается на два подшипника 7.
На эксцентрик вала опираются два ряда цилиндров 16 (или один ряд цилиндров для насосов с рабочими объемами 4; 6,3; 10 и 16 см³) по пять в каждом ряду (для насосов с рабочим объемом 4; 10 см³ по три в каждом ряду).
В цилиндры вставлены поршни 9, сферические головки которых упираются в отверстия сферы подпятников 29, образуя при этом подвижное шарнирное соединение. Каждая такая пара поршня и подпятника вставлена в радиальную расточку корпуса, в которой расположен нагнетательный клапан (шарик) 14 и имеются сверленные отверстия, объединяющие все такие расточки в ряду в образующие один или два нагнетательных коллектора.
Подпятники 29 с завальцёнованными в них поршнями зажаты в радиальных расточках корпуса насоса корпусом клапана 11 (проставкой) через седло клапана 15.
Нагнетательный клапан (шарик) прижат к седлу пружиной 13.
В корпусе имеется ралиалькое отверстие, предназначенное для подвода (всасывания) жидкости во внутреннюю полость насоса.
При всасывании рабочая жидкость из картера (внутренней полости) насоса через пазы на эксцентрике вала поступает в рабочую камеру, образованную цилиндром и поршнем.
При нагнетании, когда внутреннее отверстие цилиндра выходит из зоны паза на валу и перекрывается, происходит нагнетание рабочей жидкости через нагнетательные клапаны и коллектор нагнетания.
Пластинчатый насос 23 крепится к раднально-поршневому насосу болтами 24. Привод пластинчатого насоса осуществляется от вала поршневого насоса через муфту.
Уплотнение стыка пластинчатого насоса с задней крышкой поршневого насоса осуществляется уплотнением 25.
Конструкция и принцип работы пластинчатого насоса типа БГ12-42 изложены здесь.
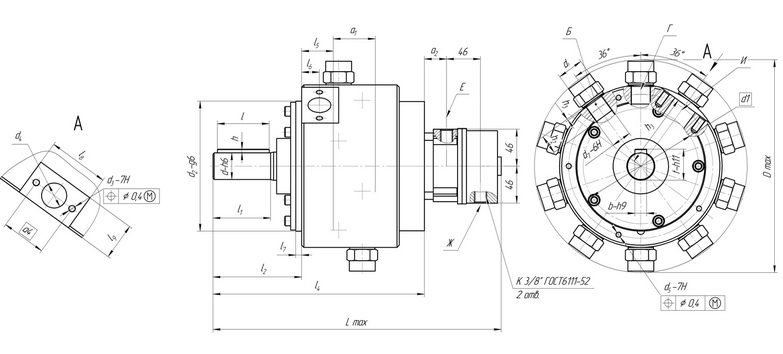
Основные габаритные и присоединительные размеры насосов нерегулируемых 50 НР
|

|
Б - ось нагнетания 1-го отвода
В* - ось нагнетания 2-го отвода
Г - ось всасывающего отверстия
* - только для двухотводных насосов. |
| Обозначение насоса |
L |
l1 |
l2 |
l5 |
l6 |
l7 |
l8 |
l9 |
h1 |
h2 |
h3 |
α1 |
α3 |
Д |
d |
d1 |
d2 |
d3 |
d4 |
d5 |
d7 |
d8 |
b |
l |
| Насос 50НР-4 |
204 |
58 |
94 |
42 |
21,5 |
8 |
65 |
45 |
2 |
18 |
83 |
56 |
54 |
246 |
36 |
16 |
145 |
M10x1,5 |
22 |
M8x1,5 |
M27x2 |
35 |
10 |
39 |
| Насос 50НР-6,3 |
204 |
58 |
94 |
42 |
21,5 |
8 |
65 |
45 |
2 |
18 |
83 |
56 |
54 |
246 |
36 |
16 |
145 |
M10x1,5 |
22 |
M8x1,5 |
M27x2 |
35 |
10 |
39 |
| Насос 50НР-14 |
227 |
58 |
94 |
27 |
21,5 |
8 |
65 |
45 |
2 |
18 |
83 |
56 |
54 |
246 |
36 |
16 |
145 |
M10x1,5 |
22 |
M8x1,5 |
M27x2 |
35 |
10 |
39 |
| Насос 50НР-16 |
247 |
80 |
120 |
50 |
24 |
8 |
83 |
50 |
2 |
18 |
102 |
56 |
60 |
288 |
36 |
19,5 |
175 |
M10x1,5 |
31 |
M8x1,5 |
M27x2 |
35 |
10 |
39 |
| Насос 50НР-32 |
278 |
80 |
120 |
36 |
24 |
8 |
83 |
50 |
2 |
18 |
102 |
56 |
60 |
288 |
36 |
19,5 |
175 |
M10x1,5 |
31 |
M8x1,5 |
M27x2 |
35 |
10 |
39 |
Насос радиально - поршневой 50НР32
|

|
Основные параметры насоса радиально-поршневого 50 НР 32 УХЛ4:
— номинальное давление на выходе 50 МПа;
— расход рабочей жидкости 44 л/мин;
— номинальная частота вращения 1500 об/мин;
— номинальная мощность 18 кВт;
— вес не более 39 кг.
|
Насос радиально - поршневой 50НР6,3
|

|
Основные параметры насоса радиально-поршневого 50 НР 6.3 УХЛ4:
— номинальное давление на выходе 50 МПа;
— расход рабочей жидкости 8,6 л/мин;
— номинальная частота вращения 1500 об/мин;
— номинальная мощность 11 кВт;
— вес не более 19,7 кг.
|
Насос радиально - поршневой 50НР4
|

|
Основные параметры насоса радиально-поршневого 50 НР 4 УХЛ4:
— номинальное давление на выходе 50 МПа;
— расход рабочей жидкости 5,5 л/мин;
— номинальная частота вращения 1500 об/мин;
— номинальная мощность 9 кВт;
— вес не более 19,7 кг.
|
Насос радиально - поршневой 50НР63
|

|
Основные параметры насоса радиально-поршневого 50 НР 63 УХЛ4:
— номинальное давление на выходе 50 МПа;
— расход рабочей жидкости 80 л/мин;
— номинальная частота вращения 1500 об/мин;
— номинальная мощность 59 кВт;
— вес не более 77 кг.
|
|
Пример условного обозначения насоса радиально-поршневого с номинальным давлением нагнетания 50 МПа, с правым вращением приводного вала, с рабочим объёмом 32 см³, климатическое исполнение для районов с умеренным климатом:
Насос 50НР32.
|
|