
Г54-34М. Клапан тиску Г 54-34 М
від 100 ₴
Показати оптові ціниМінімальна сума замовлення на сайті — 300 ₴
- В наявності
- Оптом і в роздріб
- Код: г54
- +380 (93) 845-70-32Відділ продажів
Гідроклапани тиску Г54-34М
|
|
Клапани тиску (запобіжні) Г 54-34 М УХЛ4 з умовним проходом 20 мм призначені:
Клапани Г54(АГ54,БГ54,ВГ54,ДГ54)-34 під'єднуються до гідравлічних ліній через конічну різь K3/4" в отворах корпусу. Клапани ПГ54(ПАГ54,ПБГ54,ПВГ54,ПДГ54)-34М стикового приєднання встановлюються на спеціальні монтажні панелі або плити, що мають нарізні виходи для під'єднання штуцерів (гідроліній). |
Параметри гідроклапанів типу Г54-3
| Параметри | Норми для виконань | ||||
| Гідроклапан Г54-34М ПГ54-34 | Гідроклапан АГ54-34М ПАГ54-34 | Гідроклапан БГ54-34М ПБГ54-34 | Гідроклапан ВГ54-34М ПВГ54-34 | Гидроклапан ДГ54-34 ПДГ54-34М | |
| Умовний прохід, мм | 20 | 20 | 20 | 20 | 20 |
| Витрата, л/хв: номін. / макс./хв. | 125 / 160 / 3 | ||||
| Внутрішні витоки, см3/хв, не більш ніж | 35 | 20 | 90 | 140 | 280 |
| Тиск настроювання номінальний, МПа | 2,5 | 1,0 | 6,3 | 10,0 | 20,0 |
| Діапазон настроювання тиску, МПа | 0,4-2,8 | 0,3-1,2 | 0,6-7,0 | 1,2-11,2 | 4,0-23,0 |
| Номінальний перепад тиску, МПа | 0,6 | ||||
| Маса клапана, кг: нарізне (стикове) | 3,1 (4,0) | ||||
Умовне позначення гідроклапанів тиску типу Г54-3
| ХГ | Х | Г54-3 | Х | ХХХХ | |||||
|
Кліматичне виконання за ГОСТ 15150: УХЛ4, 04.1
|
|||||||||
|
Виготовлення по ус. прохід: 2 - 10 мм, 4 - 20 мм, 5 - 32 мм
|
|||||||||
|
Позначення типу гідроклапана (М — означає "модернізований")
|
|||||||||
|
Виконування за номінальним тиском настроювання: А - 1 МПа, Б - 6,3 МПа, В - 10 МПа, Д - 20 МПа
|
|||||||||
|
Виконування за способом монтажу: без індексу — трубний (нарізний), П — стиковий (притичний)
|
|||||||||
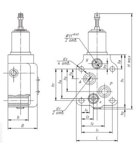
Габаритні та приєднувальні розміри гідроклапана тиску типу (П) Г54-34
|
Розміри гідроклапана тиску типу Г54-34 (трубне приєднання) |
|
|||||||||||||||||||||||||||||||||||||||||||
|
Розміри гідроклапана тиску типу ПГ54-34 (стикове приєднання) |
||||||||||||||||||||||||||||||||||||||||||||
| Модель клапана | Розміри, мм | |||||||||||||||||
| Hmax | L (h14) | B (h14) | h1 | h2 | h3 | h4 | h5 | h6 | h7 | h8 | l1 | l2 | l3 | l4 | b | d1 | d2 | |
| ПАГ54-34(М) | 220 | 88 | 66 | 109 | 2,5 | 12 | 20 | 43 | 61 | 63 | 32 | 67 | 53,5 | 29,5 | 13,5 | 55 | 18 | 13 |
| ПГ54-34(М) | ||||||||||||||||||
| ПБГ54-34(М) | ||||||||||||||||||
| ПВГ54-34(М) | ||||||||||||||||||
| ПДГ54-34(М) | 242 | 71 | ||||||||||||||||
Гідроклапан тиску ПГ54-34М
|
|
Технічні характеристики клапана ПГ54-34 М УХЛ4: |
Гідроклапан тиску Г54-34М
|
|
Технічні характеристики клапана Г 54-34 М УХЛ4: |
Гідроклапан тиску ПДГ54-34М
|
|
Технічні характеристики клапана ПДГ 54-34 М (ПДГ 54-34М) УХЛ4: |
Гідроклапан тиску ПБГ54-34М
|
|
Технічні характеристики клапана ПБГ 54-34 М (ПБГ 54-34М) УХЛ4: |
Гідроклапан тиску ПВГ54-34М
|
|
Технічні характеристики клапана ПВГ 54-34 М (ПВГ 54-34М) УХЛ4: |
Гідроклапан тиску АГ54-34М
|
|
Технічні характеристики клапана АГ 54-34 М (АГ 54-34М) УХЛ4: |
Гідроклапан тиску БГ54-34М
|
|
Технічні характеристики клапана БГ 54-34 М (БГ 54-34М) УХЛ4: |
Гідроклапан тиску ВГ54-34М
|
|
Технічні характеристики клапана ВГ 54-34 М (ВГ 54-34М) УХЛ4: |
Гідроклапан тиску ДГ54-34М
|
|
Технічні характеристики клапана ДГ 54-34 М (ДГ 54-34М) УХЛ4: |
Приклад умовного позначення гідроклапана тиску з умовним проходом 16 мм, що працює за номінального тиску 2,5 МПа (діапазон регулювання 0,4-2,8 МПа), стикового монтажу, призначеного для роботи в помірному кліматі:
- Гідроклапан тиску ПГ54-34М УХЛ4.
- Ціна: від 100 ₴






















