Насосы 50НР6,3 радиально-поршневые
|
|
Насосы 50НР6 3, 50 НР 6.3, 50НР-6,3 УХЛ4 радиально-поршневые с постоянным по величине и направлению потоком жидкости предназначены для общемашиностроительного применения в гидроприводах, соответствующих требованиям ГОСТ 17411-91. |
Основные параметры радиально-поршневых насосов 50НР, 50НС одноотводных
| Параметры насоса | 50НР-4 50НC-4 |
50НР-6,3 50НC-6,3 |
50НР-8 50НC-8 |
50НР-10 50НC-10 |
50НР-14 50НС-14 |
50НР-16 50НС-16 |
50НР-32 50НС-32 |
50НР-63 50НC-63 |
| Количество отводов | 1 | 1 | 1 | 1 | 1 | 1 | 1 | 1 |
| Ном. подача радиально-поршневого насоса, л/мин | 5,5 | 8,6 | 11 | 13,2 | 19,3 | 22 | 44,1 | 80 |
| Частота вращения, об/мин, номинальная | 1500 | 1500 | 1500 | 1500 | 1500 | 1500 | 1500 | 1500 |
| Частота вращения, об/мин, максимальная | 1800 | 1800 | 1800 | 1800 | 1800 | 1800 | 1800 | 1800 |
| Частота вращения, об/мин, минимальная | 300 | 300 | 300 | 300 | 300 | 300 | 300 | 300 |
| Давление на выходе ном. / макс., МПа | 50 / 63 | 50 / 63 | 50 / 63 | 50 / 63 | 50 / 63 | 50 / 63 | 50 / 63 | 50 / 63 |
| Давление на входе, МПа, минимальное | -0,02 | -0,02 | -0,02 | -0,02 | -0,02 | -0,02 | -0,02 | -0,02 |
| Давление на входе, МПа, максимальное | +0,05 | +0,05 | +0,05 | +0,05 | +0,05 | +0,05 | +0,05 | +0,05 |
| Коэффициент подачи, не, менее | 0,93 | 0,93 | 0,93 | 0,93 | 0,93 | 0,93 | 0,93 | 0,91 |
| Масса насоса (без рабочей жидкости) 50НР / 50 НС, кг | 19 / 23,5 | 19 / 23,5 | 24 / 28,5 | 33 / 37,5 | 33 / 37,5 | 39 / 43,5 | 39 / 43,5 | 77 / 81,5 |
Основные параметры радиально-поршневых насосов 50НР, 50НС двухотводных
| Наименование параметров | Насос 50НР8/2 Насос 50НC8/2 |
Насос 50НР32/2 Насос 50НС32/2 |
Насос 50НР63/2 Насос 50НC63/2 |
| Количество отводов | 2 | 2 | 2 |
| Номинальная подача: радиально-поршневого насоса / одного отвода насоса / пластинчатого насоса, л/мин | 11 / 5,5 / 17,5 | 44,1 / 22 / 17,5 | - |
| Частота вращения, об/мин, номинальная | 1500 | 1500 | 1500 |
| Частота вращения, об/мин, максимальная | 1800 | 1800 | 1800 |
| Частота вращения, об/мин, минимальная | 300 | 300 | 300 |
| Давление на выходе: радиально-поршневого насоса ном. / макс. | пластинчатого насоса мин. / макс., МПа | 50 / 63 | 2,5 / 6,3 | 50 / 63 | 2,5 / 6,3 | 50 / 63 | 2,5 / 6,3 |
| Давление на входе, МПа, минимальное | -0,02 | -0,02 | -0,02 |
| Давление на входе, МПа, максимальное | +0,05 | +0,05 | +0,05 |
| Коэффициент подачи, не, менее | 0,93 | 0,93 | 0,91 |
| Масса насоса (без рабочей жидкости) 50НР / 50 НС, кг | 24 / 28,5 | 39 / 43,5 | 77 / 81,5 |
Таблица аналогов радиально-поршневых насосов 50НР, 50НС
| Наименование насоса 50 НР, 50 НС | Аналог |
| Насос 50 HP 4 | Насос НПР 4/50 |
| Насос 50 HP16 | Насос НПР 16/50 |
| Насос 50 HP32 | Насос НПР 32/50 |
| Насос 50 НР32/2 | Насос НПР16х16/50 |
| Насос 50 HС 4 | Насос НПР 4/50 |
| Насос 50 HС 16 | Насос НПР 16/50 |
| Насос 50 HС 32 | Насос НПР 32/50 |
| Насос 50 НС 32/2 | Насос НПР16х16/50 |
Структура условного обозначения насосов 50НР, 50НС
Устройство и принцип работы насосов 50НР, 50НС
|
|
1. Вал приводной |
Устройство насоса с обозначением его основных составных частей приведено на рисунке выше.
Секционный насос 50 НС состоит из двух насосов:
- радиально-норшневого насоса высокого давления 50 НР;
- пластинчатого насоса низкого давления БГ2-42 ТУ 2.053-1342-78.
Конструкция ралиально-поршневого насоса 50 НР построена по схеме радиального расположения поршней 9 с качающейся осью. Приводной эксцентриковый вал насоса 1 опирается на два подшипника 7.
На эксцентрик вала опираются два ряда цилиндров 16 (или один ряд цилиндров для насосов с рабочими объемами 4; 6,3; 10 и 16 см³) по пять в каждом ряду (для насосов с рабочим объемом 4; 10 см³ по три в каждом ряду).
В цилиндры вставлены поршни 9, сферические головки которых упираются в отверстия сферы подпятников 29, образуя при этом подвижное шарнирное соединение. Каждая такая пара поршня и подпятника вставлена в радиальную расточку корпуса, в которой расположен нагнетательный клапан (шарик) 14 и имеются сверленные отверстия, объединяющие все такие расточки в ряду в образующие один или два нагнетательных коллектора.
Подпятники 29 с завальцёнованными в них поршнями зажаты в радиальных расточках корпуса насоса корпусом клапана 11 (проставкой) через седло клапана 15.
Нагнетательный клапан (шарик) прижат к седлу пружиной 13.
В корпусе имеется ралиалькое отверстие, предназначенное для подвода (всасывания) жидкости во внутреннюю полость насоса.
При всасывании рабочая жидкость из картера (внутренней полости) насоса через пазы на эксцентрике вала поступает в рабочую камеру, образованную цилиндром и поршнем.
При нагнетании, когда внутреннее отверстие цилиндра выходит из зоны паза на валу и перекрывается, происходит нагнетание рабочей жидкости через нагнетательные клапаны и коллектор нагнетания.
Пластинчатый насос 23 крепится к раднально-поршневому насосу болтами 24. Привод пластинчатого насоса осуществляется от вала поршневого насоса через муфту.
Уплотнение стыка пластинчатого насоса с задней крышкой поршневого насоса осуществляется уплотнением 25.
Конструкция и принцип работы пластинчатого насоса типа БГ12-42 изложены здесь.
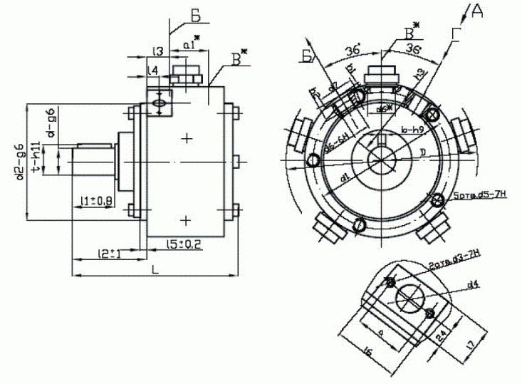
Основные габаритные и присоединительные размеры насосов нерегулируемых 50НР с рабочим объёмом от 4 см³ до 32 см³
|
|
Б - ось нагнетания 1-го отвода |
| Обозначение насоса | L | l1 | l2 | l5 | l6 | l7 | l8 | l9 | h1 | h2 | h3 | α1 | α3 | Д | d | d1 | d2 | d3 | d4 | d5 | d7 | d8 | b | l |
| Насос 50НР-4 | 204 | 58 | 94 | 42 | 21,5 | 8 | 65 | 45 | 2 | 18 | 83 | 56 | 54 | 246 | 36 | 16 | 145 | M10x1,5 | 22 | M8x1,5 | M27x2 | 35 | 10 | 39 |
| Насос 50НР-6,3 | 204 | 58 | 94 | 42 | 21,5 | 8 | 65 | 45 | 2 | 18 | 83 | 56 | 54 | 246 | 36 | 16 | 145 | M10x1,5 | 22 | M8x1,5 | M27x2 | 35 | 10 | 39 |
| Насос 50НР-14 | 227 | 58 | 94 | 27 | 21,5 | 8 | 65 | 45 | 2 | 18 | 83 | 56 | 54 | 246 | 36 | 16 | 145 | M10x1,5 | 22 | M8x1,5 | M27x2 | 35 | 10 | 39 |
| Насос 50НР-16 | 247 | 80 | 120 | 50 | 24 | 8 | 83 | 50 | 2 | 18 | 102 | 56 | 60 | 288 | 36 | 19,5 | 175 | M10x1,5 | 31 | M8x1,5 | M27x2 | 35 | 10 | 39 |
| Насос 50НР-32 | 278 | 80 | 120 | 36 | 24 | 8 | 83 | 50 | 2 | 18 | 102 | 56 | 60 | 288 | 36 | 19,5 | 175 | M10x1,5 | 31 | M8x1,5 | M27x2 | 35 | 10 | 39 |
Насос радиально - поршневой 50НР63
|
|
Основные параметры насоса радиально-поршневого 50 НР 63 УХЛ4: |
Насос радиально - поршневой 50НР4
|
|
Основные параметры насоса радиально-поршневого 50 НР 4 УХЛ4: |
Насос радиально - поршневой 50НР6,3
|
|
Основные параметры насоса радиально-поршневого 50 НР 6.3 УХЛ4: |
Насос радиально - поршневой 50НР16
|
|
Основные параметры насоса радиально-поршневого 50 НР 16 УХЛ4: |
Насос радиально - поршневой 50НР32
|
|
Основные параметры насоса радиально-поршневого 50 НР 32 УХЛ4: |
Насос радиально-поршневой 50НС6,3
|
|
Основные параметры насоса 50 НС 6.3 УХЛ4: |
Насос радиально-поршневой 50НС32
|
|
Основные параметры насоса 50 НС 32 УХЛ4: |
Насос радиально-поршневой 50НС16
|
|
Основные параметры насоса 50 НС 16 УХЛ4: |
Насос радиально-поршневой 50НС4
|
|
Основные параметры насоса 50 НС 4 УХЛ4: |
Пример условного обозначения насоса радиально-поршневого с номинальным давлением нагнетания 50 МПа, с правым вращением приводного вала, с рабочим объёмом 32 см³, климатическое исполнение для районов с умеренным климатом:
Насос 50НР32.
- Цена: от 8 000 ₴



















.jpg)



