Гидроклапан давления ПБГ66-32, ПБГ66-34, ПБГ66-35 с обратным клапаном
|

Гидроклапаны давления ПВГ66-32, ПВГ66-35
|
Описание клапанов ПГ66-32М (34М,35М), ПБГ66-34М (32М,35М),
ПВГ66-35М (32М,34М), ПДГ66-32М (34М,35М), ПАГ66-34М (32М,35М)
Клапан давления (предохранительный) ПБГ 66-32 М, ПБГ 66-34 М, ПБГ 66-35 М, ПБГ66-32, ПБГ66-34, ПБГ66-35, ПБГ66-32М, ПБГ66-34М, ПБГ66-35М УХЛ4 с обратным клапаном - устройство, предназначенное (в зависимости от гидравлической схемы) для ограничения, поддержания или регулирования давления в системе.
Может использоваться в качестве предохранительного, переливного или редукционный клапана.
Клапаны ПГ66-32(43,35)М, ПБГ66-34(32,35)М, ПВГ66-32(34,35)М, ПДГ66-35(34,32)М (как и клапаны Г66 трубного монтажа) относятся к клапанам прямого действия, обычно устанавливаются и регулируют давление в основном (реже в управляемом) потоке рабочей жидкости, обеспечивают свободный ход потока в обратном направлении.
Эксплуатируются на чистых минеральных маслах с вязкостью от 20 до 22 мм²/с и температурой от 10 до 70 °C при температуре окружающей среды от 1 до 55 °C.
Указания по эксплуатации гидроклапанов давления ПГ66-3:
- перед запуском аппарата необходимо удалить воздух из системы;
- необходимо производить замену масла при изменении вязкости более чем на 20% от первоначального уровня;
- при эксплуатации количество воды в рабочей жидкости должно быть не более 0,05% по массе, а механических примесей – не более 0,005%;
- монтаж клапанов должен быть герметичным во избежание протечки масла и попадания воздуха в гидросистему;
- проходные сечения труб должны соответствовать диаметрам присоединительных отверстий, вмятины и сечения другого диаметра недопустимы;
- гидроклапаны необходимо встроить в систему таким образом, чтобы орган управления аппарата располагался в удобном для обслуживания, безопасном месте;
- после настройки аппарата необходимо опломбировать отверстия регулировочного узла диаметром 2 мм в колпачке и винте.
Внимание!!! У гидроклапанов ПГ66-3 может начать колебаться давление или появиться шум при работе, это случается из-за подсоса воздуха через присоединения или загрязненность масла. Устранить это можно подтянув колпачок, пробки, прочистить демпферное отверстие иглой диаметром 0,8 мм или заменив масло.
Характеристики гидроклапанов давления ПГ66 с обратным клапаном
| Обозначение |
Условный проход, мм |
Давление настройки, МПа |
Диапазон настройки, МПа |
Номинальный расход, л/мин |
Присоединение |
Масса, кг |
| ПГ66-32 |
10 |
2,5 |
0,4-2,8 |
32 |
Стыковое |
2,7 |
| ПГ66-34 |
20 |
125 |
5,4 |
| ПГ66-35 |
32 |
200 |
8,8 |
| ПАГ66-32 |
10 |
1,0 |
0,3-1,2 |
32 |
2,7 |
| ПАГ66-34 |
20 |
125 |
5,4 |
| ПАГ66-35 |
32 |
200 |
8,8 |
| ПБГ66-32 |
10 |
6,3 |
0,6-7,0 |
32 |
2,7 |
| ПБГ66-34 |
20 |
125 |
5,4 |
| ПБГ66-35 |
32 |
200 |
8,8 |
| ПВГ66-32 |
10 |
10,0 |
1,2-11,2 |
32 |
2,7 |
| ПВГ66-34 |
20 |
125 |
5,4 |
| ПВГ66-35 |
32 |
200 |
8,8 |
| ПДГ66-32 |
10 |
20,0 |
4,0-23,0 |
32 |
2,7 |
| ПДГ66-34 |
20 |
125 |
5,4 |
| ПДГ66-35 |
32 |
200 |
8,8 |
Примечание: литера "М" ("модернизированный") в обозначении может и отсутствовать в маркировке данного гидроклапана, например
- гидроклапан давления с обратным клапаном ПБГ66-34 УХЛ4 соответствует ПБГ66-34М УХЛ4.
|
Условное обозначение клапана ПГ66
| П |
|
* |
|
Г66-3 |
|
* |
|
М |
|
УХЛ4 |
|
| |
|
|
|
|
Климатическое исполнение по ГОСТ 15150: УХЛ4, 04.1
|
 |
|
М - модернизированный (может и не ставиться)
|
 |
|
Условный проход:
2 - 10 мм,
3 - 20 мм,
5 - 32 мм
|
 |
|
Обозначение типа гидроаппарата
|
 |
|
Исполнение по давлению (диапазону настройки, МПа):
А - 1 МПа (0,3-1,2)
без индекса - 2,5 МПа (0,4-2,8)
Б - 6,3 МПа (0,6-7,0)
В - 10 МПа (1,2-11,2)
Д - 20 МПа (4,0-23,0)
|
 |
|
Исполнение по способу монтажа гидроклапана:
без индекса - трубный
П - стыковой
|
|
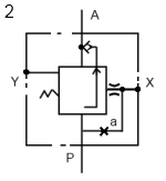
Устройство и принцип работы клапана ПГ66, ПАГ66, ПБГ66, ПВГ66, ПДГ66 (-32, -34, -35)М
| Схема гидроклапана ПГ66 |
Наличие пробок в каналах |
Описание работы |
| X |
a |
|

|
Есть |
Нет |
Что бы клапан работал по первой или второй схеме, нужно установить в каналы пробки с конической резьбой. Это обеспечит требуемое соединение гидравлических линий внутри аппарата.
Внимание:
по умолчанию клапаны ПГ66, ПБГ66, ПВГ66, ПАГ66, ПДГ66 отгружаются, собранными по схеме 1, не зависимо от условного прохода.
|
|

|
Нет |
Есть |
|

Конструкция клапана давления ПГ66-3 с обратным клапаном:
Корпус I - ПГ66-3, ПАГ66-3, ПБГ66-3, ПВГ66-32М, ПВГ66-34М, ПБГ66-35М;
Корпус II - ПДГ66-32М, ПДГ-34М, ПДГ66-35М.
|
В корпусе 1 гидроклапанов ПГ66-3 находятся золотник (2), который поджимается с торца пружиной (4), её усилие регулируется винтом (5), а так же обратный клапан (7), отжатый в крайнее положение пружиной (6). Винт (5) установлен в колпачке (3). Если рабочая жидкость подводится к отверстию P и отводится из отверстия A, то гидроклапан работает как клапан последовательности, если наоборот, то как обратный клапан.
Если гидроклапан работает по схеме 1:
гидравлическое масло, поступающее в напорное отверстие (Р) корпуса 1 проходит под торец золотника (2), через каналы (а) и (к) (демпфирующий канал для уменьшения колебаний золотника), при этом давление на золотник уравновешивается усилием ,создаваемым пружиной (4). При достижении в напорной линии (Р) давлении, определяемого усилием пружины (4) и давлением в линии (У), рабочая жидкость поступает в канал (а).
Если гидроклапан работает по схеме 2:
в канале (а) устанавливается пробка (8), а гидравлическое масло поступает под торец золотника (2) через канал (б) и демпфер (к), при этом давление на золотник уравновешивается усилием ,создаваемым пружиной (4). При достижении в напорной линии (Р) давлении, определяемого усилием пружины (4) и давлением в линии (У), рабочая жидкость поступает в канал (а).
Размеры гидроклапанов стыкового монтажа ПГ66-32, ПГ66-34, ПГ66-35
|

Размеры клапана ПГ66, ПВГ66, ПБГ66, ПАГ66, ПДГ66
|
| Модель гидроклапана |
Размеры, мм |
| Hmax |
L |
B |
h1 |
h2 |
h3 |
h4 |
h5 |
h6 |
h7 |
h8 |
l1 |
l2 |
l3 |
l4 |
b |
d1 |
d2 |
| Гидроклапан ПАГ66-32(М) |
210 |
68 |
75 |
100 |
2 |
13 |
13 |
28 |
43 |
41 |
36 |
50 |
38 |
20 |
12 |
49 |
10 |
11 |
| Гидроклапан ПГ66-32(М) |
| Гидроклапан ПБГ66-32(М) |
| Гидроклапан ПВГ66-32(М) |
| Гидроклапан ПДГ66-32(М) |
| Гидроклапан ПАГ66-34(М) |
230 |
88 |
91 |
120 |
2 |
12 |
20 |
43 |
61 |
63 |
32 |
67 |
53,5 |
29,5 |
13,5 |
55 |
18 |
13 |
| Гидроклапан ПГ66-34(М) |
| Гидроклапан ПБГ66-34(М) |
| Гидроклапан ПВГ66-34(М) |
| Гидроклапан ПДГ66-34(М) |
252 |
88 |
91 |
120 |
2 |
12 |
20 |
43 |
61 |
32 |
32 |
67 |
53,5 |
29,5 |
13,5 |
55 |
18 |
13 |
| Гидроклапан ПАГ66-35(М) |
270 |
108 |
108 |
160 |
2 |
10 |
26 |
70 |
93 |
96 |
32 |
80 |
60 |
32 |
20 |
64 |
25 |
17 |
| Гидроклапан ПГ66-35(М) |
| Гидроклапан ПБГ66-35(М) |
| Гидроклапан ПВГ66-35(М) |
| Гидроклапан ПДГ66-35(М) |
292 |
108 |
108 |
160 |
2 |
10 |
26 |
70 |
93 |
96 |
32 |
80 |
60 |
32 |
20 |
64 |
25 |
17 |
|
Гидроклапан давления ПБГ66-32М
|

|
Технические характеристики ПБГ 66-32 М:
- тип клапана - предохранительный;
- присоединение - стыковое;
- условный проход 10 мм;
- номинальное давление 6,3 МПа;
- номинальный расход жидкости 32 л/мин;
- максимальный расход жидкости 50 л/мин;
- климатическое исполнение для районов с умеренным и холодным климатом;
- масса не более 2,8 кг.
|
Гидроклапан давления ПБГ66-34М
|

|
Технические характеристики ПБГ 66-34 М:
- тип клапана - предохранительный;
- присоединение - стыковое;
- условный проход 16 мм;
- номинальное давление 6,3 МПа;
- номинальный расход жидкости 125 л/мин;
- максимальный расход жидкости 160 л/мин;
- климатическое исполнение для районов с умеренным и холодным климатом;
- масса не более 5,40 кг.
|
Гидроклапан давления ПГ66-34М
|

|
Технические характеристики ПГ 66-34 М:
- тип клапана - предохранительный;
- присоединение - стыковое;
- условный проход 16 мм;
- номинальное давление 2,5 МПа;
- номинальный расход жидкости 125 л/мин;
- максимальный расход жидкости 160 л/мин;
- климатическое исполнение для районов с умеренным и холодным климатом;
- масса не более 5,40 кг.
|
Гидроклапан давления ПВГ66-34М
|

|
Технические характеристики ПВГ 66-34 М:
- тип клапана - предохранительный;
- присоединение - стыковое;
- условный проход 16 мм;
- номинальное давление 10 МПа;
- номинальный расход жидкости 125 л/мин;
- максимальный расход жидкости 160 л/мин;
- климатическое исполнение для районов с умеренным и холодным климатом;
- масса не более 5,40 кг.
|
Гидроклапан давления ПГ66-32М
|

|
Технические характеристики ПГ 66-32 М:
- тип клапана - предохранительный;
- присоединение - стыковое;
- условный проход 10 мм;
- номинальное давление 2,5 МПа;
- номинальный расход жидкости 32 л/мин;
- максимальный расход жидкости 50 л/мин;
- климатическое исполнение для районов с умеренным и холодным климатом;
- масса не более 2,8 кг.
|
Гидроклапан давления ПВГ66-32М
|

|
Технические характеристики ПВГ 66-32 М:
- тип клапана - предохранительный;
- присоединение - стыковое;
- условный проход 10 мм;
- номинальное давление 10 МПа;
- номинальный расход жидкости 32 л/мин;
- максимальный расход жидкости 50 л/мин;
- климатическое исполнение для районов с умеренным и холодным климатом;
- масса не более 2,8 кг.
|
Гидроклапан давления ПДГ66-32М
|

|
Технические характеристики ПДГ 66-32 М:
- тип клапана - предохранительный;
- присоединение - стыковое;
- условный проход 10 мм;
- номинальное давление 20 МПа;
- номинальный расход жидкости 32 л/мин;
- максимальный расход жидкости 50 л/мин;
- климатическое исполнение для районов с умеренным и холодным климатом;
- масса не более 2,8 кг.
|
См. так же:
• гидроклапаны давления с обратным клапаном Г66-32М, БГ66-32М, ВГ66-34М, ДГ66-32М, ДГ66-34М, ВГ66-32М
|