Гидрораспределители ВМР10 574Е Ф (1РМР10 574Е Ф) с механическим управлением
Гидрораспределители ВМР10-574Е Ф, 1РМР10-574Е Ф относят к категории: гидрораспределители с механическим управлением.
И хотя гидрораспределители с механическим управлением золотника 1РМР-10 постепенно постепенно заменяются гидрораспределителями с электромагнитным управлением типа 1РЕ-10, тем не менее сохранилось ещё очень много областей применения данного типа гидрораспределителей.
Ниже приведён список гидрораспределителей ВМР-10 1РМР-10 (с условным проходом Ду=10 мм), которые Вы можете приобрести в нашей компании.
Гидрораспределители 1РМР10.574A (ВМР10 574A), 1РМР.574A.Ф (ВМР10 574A Ф)
|

Гидрораспределители 1РМР10.574A, 1РМР.574A.Ф
|
Гидрораспределители 1РМР10.574A, 1РМР10.574A.Ф (устаревшее ВМР10.574A, ВМР10.574A.Ф) с диаметром условного прохода 10 мм, золотникового типа с механическим управлением и схемой распределения потоков рабочей жидкости 574А предназначены для управления потоками гидравлических жидкостей в гидравлических системах станков и машин. Существует два исполнения для данного типа гидрораспределителей: 1РМР10 574A - с пружинным возвратом золотника в нейтральное положение и 1РМР10 574A Ф - с фиксацией золотника в определённом положении.
Гидрораспределители 1РМР10.574A (ВМР10.574A) и 1РМР10.574A.Ф (ВМР10.574A.Ф) относятся к золотниковым гидравлическим распределителям с механическим управлением - переключение положения золотника происходит при помощи тяги механическим усилием.
Гидрораспределители типа 1РМР (ВМР10) работают на минеральных маслах с кинетической вязкостью 10...400 мм²/с с номинальной тонкостью фильтрации не грубее 25 мкм. Разрешается работа гидрораспределителей 1РМР10 574A, 1РМР10 574A.Ф (устаревшее ВМР10.574A, ВМР10.574A.Ф) при температуре окружающей среды от -40 до +55°С. Климатическое исполнение и категория размещения для данного типа гидрораспределителей: УХЛ4, О4, ХЛ1 по ГОСТ 15150.
В настоящее время гидрораспределители 1РМР10.574A устанавливаются взамен гидрораспределителей ВМР10.574A.
Рекомендуемые марки масел для гидрораспределителей 1РМР10 574A, 1РМР10 574A Ф (ВМР10 574A, ВМР10 574A Ф):
ИГП-18, ИГП-30, ВНИИ ИП-403, ИГПСи-20, ВМГ3, МГЕ-10А.
|
|
Пример расшифровки обозначения гидрораспределителя 1РМР10 574A Ф УХЛ4:
гидрораспределитель золотникового типа с механическим управлением, с условным проходом 10 мм, со схемой распределения 574A, с фиксацией золотника, для использования в районах с умеренным климатом.
|
Основные технические параметры 1РМР10-574-A, 1РМР-574A-Ф
| Наименование параметра |
1РМР10 574А |
1РМР10 574А Ф |
| Схема распределения рабочей жидкости |
574A |
574A |
| Диамтер условного прохода, мм |
10 |
10 |
| Номинальный расход рабочей жидкости, л/мин |
40 |
40 |
| Номинальное давление на входе, МПа |
32 |
32 |
| Максимальное давление на выходе, МПа |
15 |
15 |
| Максимальное давление управления, МПа |
0,8-6,0 |
0,8-6,0 |
| Тип гидрораспределителя |
Без пружинного возврата золотника |
С фиксацией |
| Масса гидрораспределителя не более, кг |
5,5 |
5,5 |
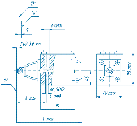
Присоединительные размеры 1РМР10-574A (ВМР10-574A), 1РМР10-574AФ (ВМР10-574AФ)
Габаритные размеры 1РМР10 574A (ВМР10 574A), 1РМР 574AФ (ВМР 10 574AФ)

| Обозначение |
A, мм |
S, мм |
L, мм |
| Гидрораспределитель 1РМР10 трёхпозиционный |
81 |
175 |
3,6 |
| Гидрораспределитель 1РМР10 двухпозиционный |
77,8 |
172 |
3,6 |
Гидрораспределитель ВМР10 574А
|

|
Основные параметры гидрораспределителя ВМР10 574А УХЛ4:
— номинальное давление на входе 32 МПа;
— расход рабочей жидкости 32 л/мин;
— условный проход 10мм;
— тип гидрораспределителя - с пружинным возвратом золотника;
— вес не более 6 кг.
|
Гидрораспределитель 1РМР10.574А.Ф
|

|
Основные параметры гидрораспределителя 1РМР10 574А УХЛ4:
— номинальное давление на входе 32 МПа;
— расход рабочей жидкости 40 л/мин;
— условный проход 10мм;
— тип гидрораспределителя - с фиксацией золотника;
— вес не более 6 кг.
|
Гидрораспределители 1РМР10.574 (ВМР10 574), 1РМР.574.Ф (ВМР10 574 Ф)
|
Гидрораспределители 1РМР10.574, 1РМР.574.Ф
|
Гидрораспределители 1РМР10.574, 1РМР10.574.Ф (устаревшее ВМР10.574, ВМР10.574.Ф) с условным проходом 10 мм, золотникового типа с механическим управлением (при помощи тяги) и схемой распределения потоков рабочей жидкости 574 применяются для управления потоками гидравлических жидкостей в гидросистемах станков и гидроагрегатов. Существует два исполнения по способу установки золотника для данного типа гидрораспределителей: 1РМР10 574 - пружинный возврат золотника в нейтральное положение и 1РМР10 574 Ф - с фиксацией золотника в установленном положении.
Гидрораспределители 1РМР10.574 (ВМР10.574) и 1РМР10.574.Ф (ВМР10.574.Ф) относятся к золотниковым гидравлическим распределителям с механическим управлением - переключение положения золотника происходит при помощи тяги механическим усилием.
Гидрораспределители типа 1РМР (ВМР10) работают на минеральных маслах с кинетической вязкостью 10...400 мм²/с с номинальной тонкостью фильтрации не грубее 25 мкм. Разрешается работа гидрораспределителей 1РМР10 574, 1РМР10 574.Ф (устаревшее ВМР10.574, ВМР10.574.Ф) при температуре окружающей среды от -40 до +55°С. Климатическое исполнение и категория размещения для данного типа гидрораспределителей: УХЛ4, О4, ХЛ1 по ГОСТ 15150.
Общепринятая на данный момент практика устанавливать гидрораспределители 1РМР10 574 заместо гидрораспределителей ВМР10 574, так как последние уже несколько лет как сняты с производства.
Рекомендуемые марки масел для гидрораспределителей 1РМР10 574, 1РМР10 574 Ф (ВМР10 574, ВМР10 574 Ф):
ИГП18, ИГП30, ВНИИ ИП403, ИГПСи20, ВМГ3, МГЕ10А.
|
|
Пример расшифровки обозначения гидрораспределителя 1РМР10 574 Ф УХЛ4:
гидрораспределитель золотникового типа с механическим управлением, с условным проходом 10 мм, со схемой распределения 574, с фиксацией золотника в выбранном положении, для применения в районах с умеренным климатом, категория размещения 4.
|
Основные технические параметры 1РМР10-574, 1РМР-574-Ф
| Наименование параметра |
1РМР10 574 |
1РМР10 574 Ф |
| Схема распределения рабочей жидкости |
574 |
574 |
| Диаметр условного прохода, мм |
10 |
10 |
| Номинальный расход рабочей жидкости, л/мин |
40 |
40 |
| Номинальное давление на входе, МПа |
32 |
32 |
| Максимальное давление на выходе, МПа |
15 |
15 |
| Максимальное давление управления, МПа |
0,8-6,0 |
0,8-6,0 |
| Тип гидрораспределителя |
Без пружинного возврата золотника |
С фиксацией |
| Масса гидрораспределителя не более, кг |
5,5 |
5,5 |
Присоединительные размеры 1РМР10-574 (ВМР10-574), 1РМР10-574Ф (ВМР10-574Ф)
Габаритные размеры 1РМР10 574 (ВМР10 574), 1РМР 574Ф (ВМР 10 574Ф)

| Обозначение |
A, мм |
S, мм |
L, мм |
| Гидрораспределитель 1РМР10 трёхпозиционный |
81 |
175 |
3,6 |
| Гидрораспределитель 1РМР10 двухпозиционный |
77,8 |
172 |
3,6 |
|
Пример условного обозначения при заказе гидрораспределителя с механическим (при помощи тяги) управлением Ду=10 мм, со схемой распределения потоков рабочей жидкости 573, с пружинным возвратом золотника в нейтральное положение, для районов с умеренным климатом, категория размещения 4:
Гидрораспределитель 1РМР10.573 УХЛ4.
|
|