Гідророзподільник 1РММ6 34 Ф з ручним керуванням
|
Гідророзподільник ВММ6 1РММ 6 |
Гідророзподільник 1РММ6 34, 1РММ6.34.Ф, 1 РММ 6 34 Ф УХЛ4 призначені для ручного керування потоками гідравлічних рідин у гідросистемах. Гідророзподільник 1РММ 6 належать до золотникових розподільників із механічним ручним керуванням, тобто перемикання положення полотняника відбувається за допомогою механічного зусилля руки. Гідравлічні розподілники типу 1 РММ 6, ВММ 6 (гідросхеми 574, 574А, 574Е, 14, 24, 34, 44, 64) знайшли широке застосування в машинобудуванні, металургії, легкій промисловості та дорожньо-будівельній техніці. Гідророзподільник працює на мінеральних оливах із кінетичною в'язкістю від 10 до 400 мм2/с із номінальною тонкістю фільтрації не грубіше 25 мкм. Розрегулюється експлуатація гідророзподільників за температури довкілля від -40 до +55 °C. Кліматичне вироблення й категорія розміщення: УХЛ4, О4, ХЛ1 за ГОСТом 15150. Приклад розшифрування позначення гідророзподільника 1РMM6.574 Ф УХЛ4: золотистий гідророзподільник із механічним керуванням, умовний прохід 6 мм, схема розподілу 574, без пружинного повернення з фіксацією, для використання в помірній кліматичній зоні. Рекомендовані робочі рідини для золотистих гідророзподільників типу В6:
|
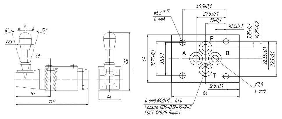
Габаритні та приєднувальні розміри розподілювача ВММ6, 1РММ6

Гідророзподільник ВММ6.574
![]() |
Гідророзподільники ВММ6.574, 1РММ6.574 з однобічним ручним керуванням застосовується в гідроагрегатах ГПДВ пресів, наприклад, ДГ2424, ДГ2426, ДГ2428, ДГ2430, ДГ2432, ДГ2434, ДГ2436 зусиллям до 400 тс та інших гідравлічних машин. Гідросхема 574
Основні параметри гідророзподільника ВММ6.574.УХЛ4: |
Основні технічні характеристики 1РММ6 (ВММ6)
| Найменування параметрів | Значення параметра | ||||
| Умовний прохід, мм | 6 | ||||
| Витрата робочої рідини, л/хв | 20-25 | ||||
| Номінальний тиск на вході, МПа (кгс/см2) | 32 (320) | ||||
| Максимальний тиск на виході, МПа (кгс/см2) | 10 (100) | ||||
| Максимальний тиск керування, МПа (кгс/см2) | 0,6-6,0 (6-60) | ||||
| Маса не більш ніж кг | 1,6 |
Структура умовного позначення ВММ6 (1РММ6)

Схеми розподілу потоків робочої рідин ВММ6 (Ду=6мм)

Приклад умовного позначення гідравлічного золотникового розподільника, з умовним проходом 6 мм, з механічним керуванням перемиканням потоків робочої рідини, з пружинним поверненням, для роботи в помірному кліматі:
Гідророзподільник ВММ6.574А.УХЛ4.
- Ціна: від 1 350 ₴










