Питатели последовательные смазочные МИ-3
|
Питатель МИ-3
|
Питатели последовательные смазочные МИ3, МИ 3, МИ-3 предназначен для подачи смазочного материала к трущимся парам узлов и механизмов машин.
Питатели МИ-3(7,6,5,4) состоят из входной, выходной, и установленных между ними промежуточных секций, имеющих по два отвода, через которые осуществляется подача смазочного материала.В зависимости от номинального подаваемого объема смазочного материала в один отвод секции имеют обозначение 5Д, 5Е, 10Д, 10Е, 15Д, 15Е.
Питатели МИ3, МИ4, МИ5, МИ6, МИ7 данного типа применяются в конструкции ножниц комбинированных НВ 51-21 и другом кузнечно-прессовом оборудовании.
|

Питатель МИ-6 с индикатором
|
|
Питатель МИ-3 с индикатором
|
Любая из секций питателя может быть укомплектована шток-индикатором, кроме секций 5Д и 5Е. О наличии штока-индикатора свидетельствует литера «А» (шток-индикатор слева, если смотреть на лицевую сторону питателя, когда вход сверху) или «В» (шток-индикатор справа, если смотреть на лицевую сторону питателя, когда вход сверху), например: 10ДВ, 15ДА, 15ДВ.
Характерной особенностью последовательных питателей является их пошаговая работа, золотники в промежуточных секциях перемещаются в определённой последовательности, при которой смазка очередной точки не начинается, если смазка предыдущей не завершена. Такая последовательная подача смазочного материала ко всем точкам смазочной системы позволяет осуществлять централизованный контроль подачи смазочного материала, а также использовать последовательный питатель в качестве основного распределительного устройства в адаптивных смазочных системах.
|
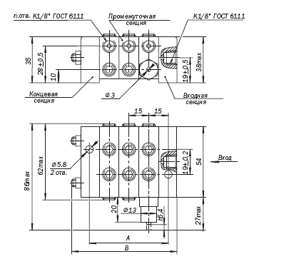
Основные размеры и характеристики питателей МИ
|

Размеры питателей типа МИ
|
| Обозначение |
Число промежуточных секций |
Размеры, мм |
Масса, кг |
| А±1 мм |
В, не более |
| Питатель МИ-3 (МИМ-3, МИК-3, МИ0-3) |
3 |
60 |
85 |
0,92 |
| Питатель МИ-4 (МИМ-4, МИК-4, МИО-4) |
4 |
75 |
100 |
1,09 |
| Питатель МИ-5 (МИМ-5, МИК-5, МИО-5) |
5 |
90 |
115 |
1,26 |
| Питатель МИ-6 (МИМ-6, МИК-6, МИО-6) |
6 |
105 |
130 |
1,43 |
| Питатель МИ-7 (МИМ-7, МИК-7, МИО-7) |
7 |
120 |
145 |
1,60 |
Характеристики питателей МИ
| Параметр |
Значения для исполнений |
| МИМ |
МИК |
МИО |
МИ |
Давление на входе, МПа
-номинальное
-минимальное (перепад давлений) не более |
1,0
0,8 |
2,5
1,2 |
6,3
1,2 |
10,0
1,2 |
Номинальный подаваемый объем смазки за цикл, см³
5Д
5Е
10Д
10Е
15Д
15Е |
0,08
0,16
0,16
0,32
0,24
0,48 |
Частота циклов в минуту
-номинальное
-максимальная |
6
60 |
60
300 |
60
300 |
60
300 |
| Вид смазочного материала |
Жидкий |
Жидкий, пластичный |
|
Примечания:
1. Цикл работы питателя характеризуется подачей смазочного материала в каждый отвод питателя за один двойной ход золотника каждой секции.
2. Из отвода секции с маркировкой Е подача смазочного материала за цикл производится два раза.
Устройство и прицип работы питателей последовательных (однолинейных)
|

|
Питатель состоит из набора секций — входной 1 (рисунок слева), выходной 3 и пакета промежуточных секций 2, уплотненных по стыкам прокладками или уплотнительными кольцами и стянутых шпильками.
В каждой промежуточной секции находится трехпоясковый золотник 4 (рисунок ниже), имеющий свободный ход и совершающий возвратно-поступательное движение.
До тех пор, пока смазка поступает во входное отверстие и дальше по центральному и соединительным каналам, золотники перемещаются в определенной последовательности.
Рабочий ход питателя, заключающийся в вытеснении определенной дозы смазочного материала из концевой полости А (см. рисунки) в точку смазки, произойдет тогда, когда все золотники совершат возвратно-поступательное движение.
Питатель может начать работу независимо от положения золотников. В любом случае смазочный материал из центрального канала поступает в одну или другую концевую полость А золотников каждой секции, но в то же время может сработать только один золотник, т. к. давление смазочного материала через центральный канал запирает остальные золотники. Каждая промежуточная секция имеет два отвода в точки смазки.
Получить один отвод в золотниковой секции можно путем соединения двух отводов сквозным каналом, обозначенным пунктиром (рисунок внизу). При этом один из отводов должен быть обязательно заглушен.
Питатель осуществляет один цикл, если все золотники совершат по одному возвратно-поступательному движению, т. е. по два рабочих хода.
Секции с одним отводом за цикл производят двойную номинальную подачу смазочного материала.
Питатель может быть укомплектован узлом 5 (рисунок внизу) со штоком-индикатором, фиксирующим завершение цикла питателем. Наличие штока-индикатора 1 позволяет контролировать работу питателя визуально или с помощью электросигнальных приборов.
Шток-индикатор устанавливается на любой из промежуточных секций по необходимости.
Каждая промежуточная секция подлежит маркировке, включающей обозначение типа питателя, индекс, обозначающий номинальную подачу одного отвода, и букву, обозначающую число отводов секции.
В питателе могут быть применены любые промежуточные секции (в пределах каждого типа) в количестве, указанном в таблицах выше.
Предпочтительное расположение промежуточных секций питателя типа МХ(О) в порядке возрастания цифр их условных обозначений (начиная от ближайшей ко входу смазки).
Предпочтительное расположение секций остальных типов питателей в порядке, обратном указанному.
|
Подготовка к работе питателей МИ
Перед монтажом питателя все присоединительные трубопроводы системы промыть 10—15% раствором ортофосфорной кислоты с последующей пассивацией в 5%-ном растворе этой кислоты. Трубопроводы и питатель, предназначенные для пластичного смазочного материала, перед монтажом заполнить смазкой.
Допускается взамен установленных пробок 2 (рисунок выше) подсоединять отвод контролирующей аппаратуры или трубопровод в точку смазки.
При этом в свободное отверстие для выхода смазки устанавливается снятая пробка 2.
Питатели можно устанавливать как горизонтально, так и вертикально.
Условное обозначение питателей МИ

Пример условного обозначения питателя исполнения МИ с шестью промежуточными секциями: первая секция 15ДВ (с номинальным подаваемым объёмом 0,24 см³, с двумя отводами и штоком–индикатором, расположенным справа); вторая, третья и четвертая секции – 15Д (с номинальным подаваемым объёмом 0,24 см³, с одним отводом); пятая - 10Е (с номинальным подаваемым объёмом 0,32 см³ с одним отводом)шестая – 5Д (с номинальным подаваемым объёмом 0,08 см³ с двумя отводами), предназначенного для работы в районах (странах) с умеренным климатом, категория размещения 4:
Питатель МИ - 6 (15ДВ-15Д-15Д-15Д-10Е-5Д) УХЛ4 ТУ У 054 09685.004-2000.
Питатель последовательный МИ-3
|

|
Основные параметры питателя последовательного смазочного МИ-3 УХЛ4:
— номинальное давление на входе 10 МПа;
— расход смазочного материала 0,08-0,48 см³/цикл;
— частота циклов в минуту - 60-300;
— вес не более 2,5 кг.
|
Питатель последовательный МИ-5
|

|
Основные параметры питателя последовательного смазочного МИ-5 УХЛ4:
— номинальное давление на входе 10 МПа;
— расход смазочного материала 0,08-0,48 см³/цикл;
— частота циклов в минуту - 60-300;
— вес не более 3,7 кг.
|
Питатель последовательный МИ-7
|

|
Основные параметры питателя последовательного смазочного МИ-7 УХЛ4:
— номинальное давление на входе 10 МПа;
— расход смазочного материала 0,08-0,48 см³/цикл;
— частота циклов в минуту - 60-300;
— вес не более 2,5 кг.
|
Питатель последовательный МИ-4
|

|
Основные параметры питателя последовательного смазочного МИ-4 УХЛ4:
— номинальное давление на входе 10 МПа;
— расход смазочного материала 0,08-0,48 см³/цикл;
— частота циклов в минуту - 60-300;
— вес не более 3,7 кг.
|
В номенклатуре питателей наиболее часто встречаются - трехсекционные питатели МИ-3 (5Д-5Д-5Д), МИ3 (5Д-5Д-5Е),
- четырехсекционные питатели МИ-4 (10Д-5Д-5Д-5Е), МИ4 (5Д-5Д-5Д-5Д), МИ-4 (10ЕВ-10Д-10Д-5Е), Ми4 (10ДВ-10Д-10Д-5Е).
|