
ВММ10 44. Гидрораспределитель ВММ 10 44
от 100 ₴
Показать оптовые ценыМинимальная сумма заказа на сайте — 300 ₴
- В наличии
- Оптом и в розницу
- Код: вмм10
Гидрораспределители ВММ10 44
|
|
Принцип действия распределителей ВММ 10 без фиксации
|
|
Монтажная поверхность распределителей ВММ10
|
Технические характеристики гидрораспределителей ВММ10
Структура условного обозначения
|
Характеристики
|
||||||||||||||||||||||||||||||||||||||||||||||||||||||||||||||||||||||||||||||||||||||||||
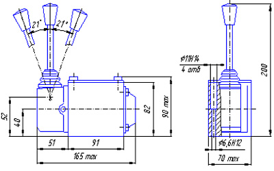
Габаритные и присоединительные размеры распределителей ВММ 10
|
|
||
| 8. Заводская табличка 9. Одинаковые уплотнительные кольца для присоединений A, B, P, TA, TB |
10. Дополнительное присоединение T (TB) на выбор может использоваться в просверленных блоках. 11. Расположение присоединений гидрораспределителя согласно ISO 4401-05-04-0-05, NFPA T3.5.1 R2 и ANSI B93-7 D05 |
* Присоединительные плиты в соответствии с техническим паспортом (отдельный заказ) ** Позиции указанные на схеме, но не описанные здесь, имеют значение только для других типов распределителей |
Плита присоединительная (монтажная) распределителя ВММ10
|
|
Основные параметры плиты присоединительной распределителя ВММ 10: -условный проход устанавливаемого гидрораспределителя - 10 мм. - присоединительная резьба для подвода гидролиний - К3/8 дюйма; - подвод гидролиний - сбоку в стороны; - вес - не более 1,5кг. |
Гидрораспределитель ВММ10 574А
|
|
Гидрораспределитель ВММ 10 574А УХЛ4 с ручным управлением при помощи рукоятки с пружинным возвратом без фиксации золотника в крайних положениях применяется в гидроагрегатах станков и мобильной техники, с 574-ой схемой распределения рабочей жидкости.. Гидросхема 574А
Основные параметры гидрораспределителя ВММ 10.574А: |
Гидрораспределитель ВММ10 34
|
|
Гидрораспределитель ВММ 10 34 УХЛ4 с ручным управлением при помощи рукоятки с пружинным возвратом без фиксации золотника в крайних положениях применяется в гидроагрегатах станков и мобильной техники, с 34-ой схемой распределения рабочей жидкости. Гидросхема 34
Основные параметры гидрораспределителя ВММ 10.34: |
Гидрораспределитель ВММ10 44
|
|
Гидрораспределитель ВММ 10 44 УХЛ4 с ручным управлением при помощи рукоятки с пружинным возвратом без фиксации золотника в крайних положениях применяется в гидроагрегатах станков и мобильной техники, с 44-ой схемой распределения рабочей жидкости. Особенностью данной схемы является то, что в среднем положении все рабочие каналы перекрыты (заперты). Гидросхема 44
Основные параметры гидрораспределителя ВММ 10.44: |
Гидрораспределитель ВММ10 64
|
|
Гидрораспределитель ВММ 10 64 УХЛ4 с ручным управлением при помощи рукоятки с пружинным возвратом без фиксации золотника в крайних положениях применяется в гидроагрегатах станков и мобильной техники, например, в качестве управляющего распределителя исполнительным механизмом стрелы автокрана. Данная схема распределения (64) является наиболее распространённой, так как её применение не связано с проектированием сложным гидравлических систем. Гидросхема 64
Основные параметры гидрораспределителя ВММ 10.64: |
Гидрораспределитель ВММ10 574
|
|
Гидрораспределитель ВММ 10 574 с ручным управлением при помощи рукоятки с пружинным возвратом без фиксации золотника в крайних положениях применяется в гидроагрегатах станков и мобильной техники, с 574-ой схемой распределения рабочей жидкости.. Гидросхема 574
Основные параметры гидрораспределителя ВММ 10.574: |
Гидрораспределитель ВММ10 14
|
|
Гидрораспределитель ВММ 10 14 с ручным управлением при помощи рукоятки с пружинным возвратом без фиксации золотника в крайних положениях применяется в гидроагрегатах станков и мобильной техники, с 14-ой схемой распределения рабочей жидкости. Особенностью работы гидросхемы 14 является то, что в среднем положении все каналы перепускают рабочую жидкость. Гидросхема 14
Основные параметры гидрораспределителя ВММ 10.14: |
Гидрораспределитель ВММ10 24
|
|
Гидрораспределитель ВММ 10 24 с ручным управлением при помощи рукоятки с пружинным возвратом без фиксации золотника в крайних положениях применяется в гидроагрегатах станков и мобильной техники, с 24-ой схемой распределения рабочей жидкости. Гидросхема 24
Основные параметры гидрораспределителя ВММ 10.24: |
Пример условного обозначения гидравлического золотникового распределителя с механическим управлением от рукоятки с пружинным возвратом золотника в исходное положение, Ду = 10 мм, со схемой распределения 64, для работы в холодном и умеренном климате:
Гидрораспределитель ВММ10.64.
| Основные | |
|---|---|
| Производитель | Гидропривод |
- Цена: от 100 ₴





























