
В63-25А. Пневморозподільник В63 25А
від 100 ₴
Показати оптові ціниМінімальна сума замовлення на сайті — 300 ₴
- В наявності
- Оптом і в роздріб
- Код: в63
- +380 (93) 845-70-32Відділ продажів
Пневморозподільники В63-25А
|
Пневморозподільники В63-13А, В63-14А, В63-15А |
Пневморозподільники В63 25А, В 63-25 А УХЛ4 по ТУ2-053-1633-83 з нарізним приєднанням до пневмолінійних двопозиційних із пневматичним одно- і двостороннім керуванням, пружинним або пневматичним поверненням, призначені для зміни потоків стисненого повітря в пневмоприводах різного призначення. Конструкція й принцип роботи розподілювачів В63 з пневмокеруванням
|
Основні характеристики пневморозподільників В63-13А, В63-15А, В63-25А, В63-33А, В63-34А
| Параметри | Норми для типорозмірів | |||||
| В63-13А | В63-14А | В63-33А | В63-34А | В63-15А | В63-25А | |
| Умовний прохід, мм | 10 | 16 | 10 | 16 | 20 | 20 |
| Приєднання до пневмолінійок | Нарізне | |||||
| Параметри нарізного приєднання | K 3/8" | K 1/2" | K 3/8" | K 1/2" | K 3/4" | K 3/4" |
| Номінальний/ мінімальний тиск, МПа | 0,63 / 0,25 | |||||
| Мінімальний тиск керування, МПа, не більш ніж | 0,16 | 0,16 | 0,25 | 0,25 | 0,16 | 0,1 + 0,5Рпіт |
| Пропускна здатність Кv, м3/хв, не менш ніж | 1,9 | 2,8 | 1,9 | 2,8 | 5,0 | 5,0 |
| Максимальна кількість спрацьовувань за хвилину | 250 | |||||
| Повний 90% — ресурс не менш ніж цикли | 10000 000 | |||||
| 90% — напрацювання розподілювача до відмови не менш ніж цикли | 2 500 000 | |||||
| Маса, кг | 1,45 | 1,45 | 1,4 | 1,4 | 2,5 | 2,5 |
Розподільники В63-13А (14А,15А,23А,24А,25А,33А,34А) працюють на стиснутому повітрі, очищеному не грубіше 10 класу забрудненості за ГОСТом 17433-80 і вмісту розпиленої олії.
Структура умовного позначення пневморозподільників В63
| В63 | - | 1 | 3А | УХЛ | 4 | ||||
|
|
Категорія розміщення за ГОСТ 15150 (4)
|
||||||||
|
Кліматичне вироблення за ГОСТом 15150 (УХЛ, О)
|
|||||||||
|
Умовний прохід: 3-10мм; 4 - 16мм; 5 - 20мм.
|
|||||||||
|
Спосіб керування: 1 - двостороннє керування; 2 — одностороннє керування й пневматичне повернення; 3 — одностороннє керування і пружинне повернення.
|
|||||||||
|
Пневморозподільник із пневматичним керуванням
|
|||||||||
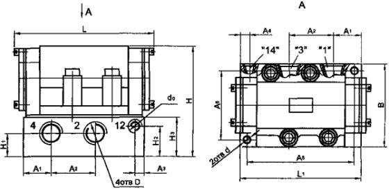
Габаритні та приєднувальні розміри пневморозподільників В63
(нарізне приєднання)

| Позначення | D | do | A1 | A2 | A3 | A4 | A5 | A6 | d | B | H | H1 | H2 | H3 | L | L1 |
| В63-13А | K3/8" | K1/8" | 23,5 | 38 | 8 | 8 | 91 | 59 | 7 | 72 | 89,5 | 14,5 | 20,5 | 28,5 | 122 | 104 |
| В63-14А | К1/2" | К1/8" | 23,5 | 38 | 8 | 8 | 91 | 59 | 7 | 72 | 89,5 | 14,5 | 20,5 | 28,5 | 122 | 104 |
| В63-15А | К3/4" | К1/8" | 27,5 | 50 | 9,5 | 9,5 | 117 | 77 | 9 | 90 | 109 | 19 | 30 | 38 | 145 | 130 |
| В63-25А | К3/4" | К1/8" | 27,5 | 50 | - | 9,5 | 117 | 77 | 9 | 90 | 1095 | 19 | 30 | 38 | 145 | 130 |
| В63-33А | К3/8" | К1/8" | 23,5 | 38 | - | 8 | 91 | 59 | 7 | 72 | 89,5 | 14,5 | 20,5 | 28,5 | 122 | 104 |
| В63-34А | К1/2" | К1/8" | 23,5 | 38 | - | 8 | 91 | 59 | 7 | 72 | 89,5 | 14,5 | 20,5 | 28,5 | 122 | 104 |
Пневморозподільник В63-15А
|
|
Основні параметри розподілювача В63 15 А УХЛ4: |
Пневморозподільник В63-25А
|
|
Основні параметри розподілювача В63 25А УХЛ4: |
Пневморозподільник В63-34А
|
|
Основні параметри розподілювача В63 34 А УХЛ4: — номінальний тиск на вході 0,63 МПа; |
Пневморозподільник В63-33А
|
|
Основні параметри розподілювача В63 33А УХЛ4: — номінальний тиск на вході 0,63 МПа; |
Пневморозподільник В63-14А
|
|
Основні параметри розподілювача В63 14А УХЛ4: |
Пневморозподільник В63-13А
|
|
Основні параметри розподілювача В63 13А УХЛ4: |
Пневморозподільник В63-24А
|
|
Основні параметри розподілювача В63 24А УХЛ4: |
Пневморозподільник В63-23А
|
|
Основні параметри розподілювача В63 23А УХЛ4:
|
Пневморозподільники В63-14А-01, В63-24А-01, В63-34А-01, В63-15А-01, В63-25А-01, В64-35А-01 (пневмоуправління, стикове приєднання)
|
|
Пневморозподільники В63 14А 01, В63 15А 01, В63 25А 01, В63 24А 01, В63 35А 01, В63 34А 01 УХЛ4 зі стиковим приєднанням до пневмоліній, чотирилінійні двопозиційні з пневматичним одно- і двостороннім керуванням і пружинним або пневматичним поверненням призначені для зміни потоків стисненого повітря в пневмоприводах різного призначення. |
Основні характеристики пневморозподільника В63 стикового приєднання
| Параметри | Норми для типорозмірів | |||
| В63-14А-01 | В63-34А-01 | В63-15А-01 | В63-25А-01 | |
| Умовний прохід, мм | 16 | 16 | 20 | 20 |
| Номінальний/ мінімальний тиск, МПа | 0,63 / 0,25 | |||
| Мінімальний тиск керування, МПа, не більш ніж | 0,16 | 0.25 | 0.16 | 0,1 + 0,5Рпіт |
| Пропускна здатність Кv, м3/хв, не менш ніж | 2,8 | 2,8 | 5,0 | 5,0 |
| Максимальна кількість спрацьовувань пневморозподільника за хвилину | 250 | |||
| Маса, кг | 1,2 | 1,15 | 2,1 | 2,05 |
Распределители В63-14А В63-15А В63-25А В63-24А В63-35А В63-34А - 01 працюють на стиснутому повітрі, очищеному не грубіше 10 класу забрудненості за ГОСТом 17433-80 і вмісту розпиленої олії.
Структура умовного позначення пневморозподільників В63
| В63 | - | 2 | 5А | - | 01 | УХЛ4 | |||
|
|
Кліматичне вироблення за ГОСТом 15150 (УХЛ4, О4)
|
||||||||
|
Приєднання пневмоліній — стикове
|
|||||||||
|
Умовний прохід: 4 - 16мм; 5 - 20мм.
|
|||||||||
|
Спосіб керування: 1 - двостороннє керування; 2 — одностороннє керування й пневматичне повернення; 3 — одностороннє керування і пружинне повернення.
|
|||||||||
|
Пневморозподільник із пневматичним керуванням
|
|||||||||
Габаритні та приєднувальні розміри пневморозподільників В63 (стикове приєднання)

Пневморозподільник В63-14А-01
|
|
Основні параметри розподілювача В63-14А-01 УХЛ4: — повернення золотника — пневматичний; |
Пневморозподільник В63-24А-01
|
|
Основні параметри розподілювача В63-24А-01 УХЛ4: — повернення золотника — пневматичний; |
Пневморозподільник В63-34А-01
|
|
Основні параметри розподілювача В63 34А 01 УХЛ4: — повернення золотника — пневматичний; — пневмокерування — двостороннє; |
Пневморозподільник В63-25А-01
| Основні | |
|---|---|
| Виробник | L&L |
- Ціна: від 100 ₴











.jpg)












