
В63-34А. Пневмораспределитель В63 34А
от 100 ₴
Показать оптовые ценыМинимальная сумма заказа на сайте — 300 ₴
- В наличии
- Оптом и в розницу
- Код: в63
- +380 (93) 845-70-32Отдел продаж
Пневмораспределители В63-34А
|
Пневмораспределители В63-13А, В63-14А, В63-15А |
Пневмораспределители В63 34А, В 63-34 А УХЛ4 по ТУ2-053-1633—83 с резьбовым присоединением к пневмолиниям, четырехлинейные двухпозиционные с пневматическим одно- и двухсторонним управлением, пружинным или пневматическим возвратом, предназначены для изменения потоков сжатого воздуха в пневмоприводах различного назначения. Конструкция и принцип работы распределителей В63 с пневмоуправлением
|
Основные характеристики пневмораспределителей В63-13А, В63-14А, В63-15А, В63-25А, В63-33А, В63-34А
| Параметр | Нормы для типоразмеров | |||||
| В63-13А | В63-14А | В63-33А | В63-34А | В63-15А | В63-25А | |
| Условный проход, мм | 10 | 16 | 10 | 16 | 20 | 20 |
| Присоединение к пневмолиниям | Резьбовое | |||||
| Параметры резьбового присоединения | K 3/8" | K 1/2" | K 3/8" | K 1/2" | K 3/4" | K 3/4" |
| Номинальное / минимальное давление, МПа | 0,63 / 0,25 | |||||
| Минимальное давление управления, МПа, не более | 0,16 | 0,16 | 0,25 | 0,25 | 0,16 | 0,1+ 0,5Рпит |
| Пропускная способность Кv, м³/мин, не менее | 1,9 | 2,8 | 1,9 | 2,8 | 5,0 | 5,0 |
| Максимальное число срабатываний в минуту | 250 | |||||
| Полный 90%-ный ресурс не менее, циклов | 10 000 000 | |||||
| 90%-ная наработка распределителя до отказа не менее, циклов | 2 500 000 | |||||
| Масса, кг | 1,45 | 1,45 | 1,4 | 1,4 | 2,5 | 2,5 |
Распределители В63-13А(14А,15А,23А,24А,25А,33А,34А) работают на сжатом воздухе, очищенном не грубее 10 класса загрязненности по ГОСТ 17433—80 и содержащем распыленное масло.
Структура условного обозначения пневмораспределителей В63
| В63 | - | 1 | 3А | УХЛ | 4 | ||||
|
|
Категория размещения по ГОСТ 15150 (4)
|
||||||||
|
Климатическое исполнение по ГОСТ 15150 (УХЛ, О)
|
|||||||||
|
Условный проход: 3- 10мм; 4 - 16мм; 5 - 20мм.
|
|||||||||
|
Способ управления: 1 - двухстороннее управление; 2 - одностороннее управление и пневматический возврат; 3 - одностороннее управление и пружинный возврат.
|
|||||||||
|
Пневмораспределитель с пневматическим управлением
|
|||||||||
Габаритные и присоединительные размеры пневмораспределителей В63
(резьбовое присоединение)

| Обозначение | D | do | A1 | A2 | A3 | A4 | A5 | A6 | d | B | H | H1 | H2 | H3 | L | L1 |
| В63-13А | K3/8" | K1/8" | 23,5 | 38 | 8 | 8 | 91 | 59 | 7 | 72 | 89,5 | 14,5 | 20,5 | 28,5 | 122 | 104 |
| В63-14А | К1/2" | К1/8" | 23,5 | 38 | 8 | 8 | 91 | 59 | 7 | 72 | 89,5 | 14,5 | 20,5 | 28,5 | 122 | 104 |
| В63-15А | К3/4" | К1/8" | 27,5 | 50 | 9,5 | 9,5 | 117 | 77 | 9 | 90 | 109 | 19 | 30 | 38 | 145 | 130 |
| В63-25А | К3/4" | К1/8" | 27,5 | 50 | - | 9,5 | 117 | 77 | 9 | 90 | 1095 | 19 | 30 | 38 | 145 | 130 |
| В63-33А | К3/8" | К1/8" | 23,5 | 38 | - | 8 | 91 | 59 | 7 | 72 | 89,5 | 14,5 | 20,5 | 28,5 | 122 | 104 |
| В63-34А | К1/2" | К1/8" | 23,5 | 38 | - | 8 | 91 | 59 | 7 | 72 | 89,5 | 14,5 | 20,5 | 28,5 | 122 | 104 |
Пневмораспределитель В63-15А
|
|
Основные параметры распределителя В63 15А УХЛ4: |
Пневмораспределитель В63-25А
|
|
Основные параметры распределителя В63 25А УХЛ4: |
Пневмораспределитель В63-34А
|
|
Основные параметры распределителя В63 34А УХЛ4: — номинальное давление на входе 0,63 МПа; |
Пневмораспределитель В63-33А
|
|
Основные параметры распределителя В63 33А УХЛ4: — номинальное давление на входе 0,63 МПа; |
Пневмораспределитель В63-14А
|
|
Основные параметры распределителя В63 14А УХЛ4: |
Пневмораспределитель В63-13А
|
|
Основные параметры распределителя В63 13А УХЛ4: |
Пневмораспределитель В63-24А
|
|
Основные параметры распределителя В63 24А УХЛ4: |
Пневмораспределитель В63-23А
|
|
Основные параметры распределителя В63 23А УХЛ4:
|
Пневмораспределители В63-14А-01, В63-24А-01, В63-34А-01, В63-15А-01, В63-25А-01, В64-35А-01 (пневмоуправление, стыковое присоединение)
|
|
Пневмораспределители В63 14А 01, В63 15А 01, В63 25А 01, В63 24А 01, В63 35А 01, В63 34А 01 УХЛ4 со стыковым присоединением к пневмолиниям, четырехлинейные двухпозиционные с пневматическим одно- и двухсторонним управлением и пружинным или пневматическим возвратом предназначены для изменения потоков сжатого воздуха в пневмоприводах различного назначения. |
Основные характеристики пневмораспределителя В63 стыкового присоединения
| Параметр | Нормы для типоразмеров | |||
| В63-14А-01 | В63-34А-01 | В63-15А-01 | В63-25А-01 | |
| Условный проход, мм | 16 | 16 | 20 | 20 |
| Номинальное / минимальное давление, МПа | 0,63 / 0,25 | |||
| Минимальное давление управления, МПа, не более | 0,16 | 0.25 | 0.16 | 0,1 + 0,5Рпит |
| Пропускная способность Кv, м³/мин, не менее | 2,8 | 2,8 | 5,0 | 5,0 |
| Максимальное число срабатываний пневмораспределителя в минуту | 250 | |||
| Масса, кг | 1,2 | 1,15 | 2,1 | 2,05 |
Распределители В63-14А В63-15А В63-25А В63-24А В63-35А В63-34А - 01 работают на сжатом воздухе, очищенном не грубее 10 класса загрязненности по ГОСТ 17433-80 и содержащем распыленное масло.
Структура условного обозначения пневмораспределителей В63
| В63 | - | 2 | 5А | - | 01 | УХЛ4 | |||
|
|
Климатическое исполнение по ГОСТ 15150 (УХЛ4, О4)
|
||||||||
|
Присоединение пневмолиний - стыковое
|
|||||||||
|
Условный проход: 4 - 16мм; 5 - 20мм.
|
|||||||||
|
Способ управления: 1 - двухстороннее управление; 2 - одностороннее управление и пневматический возврат; 3 - одностороннее управление и пружинный возврат.
|
|||||||||
|
Пневмораспределитель с пневматическим управлением
|
|||||||||
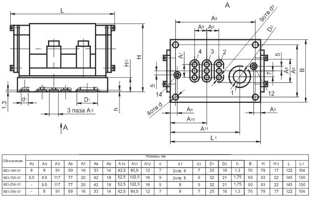
Габаритные и присоединительные размеры пневмораспределителей В63 (стыковое присоединение)

Пневмораспределитель В63-14А-01
|
|
Основные параметры распределителя В63-14А-01 УХЛ4: — возврат золотника - пневматический; |
Пневмораспределитель В63-24А-01
|
|
Основные параметры распределителя В63-24А-01 УХЛ4: — возврат золотника - пневматический; |
Пневмораспределитель В63-34А-01
|
|
Основные параметры распределителя В63 34А 01 УХЛ4: |
| Основные | |
|---|---|
| Производитель | L&L |
- Цена: от 100 ₴











.jpg)












