Гідророзподільники ВЕ10.574А, ВЕ10.574Е, ВЕ10.574, ВЕ10.573, ВЕ10.573Е з одностороннім електромагнітним управлінням
|
 Розподільник ВЕ10.574(574А,574Е,573,573 Е)
|
Принцип дії розподільників ВЕ10
|

|
-
Гідророзподільники ВЕ10 574 Г24 (В110, У 220), ВЕ10 574А Г24 (В110, У 220), ВЕ10 574Е Г24 (В110, У 220), ВЕ10 573 Г24 (В110, У 220), ВЕ10 573Е Г24 (В110, У 220) з умовним проходом 10 мм є золотниковим гідророзподілювачами з одностороннім електромагнітним керуванням (з однією котушкою).
-
Магніт у одномагнитных гідророзподільників ВЕ10.574А(574,574 Е,573,573 Е)Г24(В110,У 220) Н М розташований з боку каналу А (гидросхемы 573, 574, 574А), або (як на фото зліва) з боку каналу (гидросхемы 573Е, 574Е).
-
Перемикаються одним електромагнітом золотникові гідророзподільники ВЕ10 з пружинним поверненням керують пуском, зупинкою і напрямком руху потоку рідини.
-
Основними елементами розподільника ВЕ10 є: корпус (1), один або два електромагніту (2), золотник (3) і одна або дві поворотні пружини (4).
-
При відсутності керуючого сигналу золотник (3) утримується пружиною (4) в середньому або у вихідному положенні (крім імпульсного золотника). Перемикання золотника (3) здійснюється від заповненого маслом магніту (2).
-
Умовою надійного спрацювання магніту є заповнення його порожнин маслом.
-
Магніт через штовхач (2) переміщує керуючий золотник (3) з вихідного положення в задану позицію. При цьому забезпечується перетікання рідини за напрямами Р-А і В-Т або Р-В і А-Т.
-
При знеструмленому магніті (2) золотник (3) пружиною (4) переміщається в початкове положення.
|
Монтажна поверхня розподільників ВЕ10

|
Технічні характеристики гідророзподільників ВЕ10
Структура умовного позначення
| ВЕ |
|
10 |
|
574А |
|
Г24 |
|
НМ |
|
| |
|
|
|
НМ = тип керуючої котушки "мокра", працює в маслі
|
 |
|
Керуюча напруга електромагніту:
Г24 = 24 вольт постійного струму
В110 = 110 вольт змінного струму
У 220 = 220 вольт змінного струму
|
 |
|
|
 |
|
10 = умовний прохід
|
 |
|
ВЕ = тип пристрою
|
|
Характеристики
Максимальний робочий тиск:
Отвори: P-A-B Отвір: T |
бар |
Пост. струм |
Змін. струм |
315
210 |
315
160 |
| Максимальна витрата |
л/хв |
до 120 |
до 120 |
| Робоча рідина |
Робоча рідина на мінеральній основі (HL, HLP) згідно DIN 51524; біологічно швидко разлагаемая робоча рідина згідно VDMA 24568; HETG (ріпакова олія); HEPG (полігліколь); HEES (синтетичні ефіри) |
| Діапазон температур робочої рідини |
ºС |
-30 ... +80 |
| Температура навколишнього середовища |
ºС |
до +50 |
| Діапазон вязкостей рідини |
мм2/с |
2,8 ... 500 |
| Допустима ступінь забруднення рідини |
клас 9 по NAS 1638 |
| Час витримування в переключенном стані |
тривалий |
| Маса гідророзподільника ВЕ10 з одним електромагнітом |
кг |
4,7 |
|
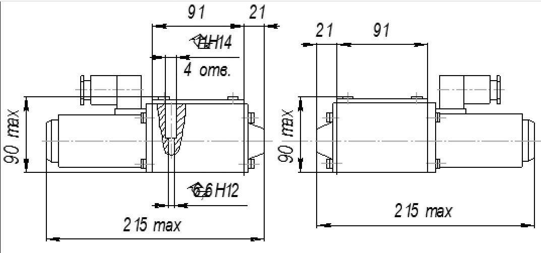
Габаритні і приєднувальні розміри гідророзподільників ВЕ10
|

|
1.1 Магніт "a" 1.2 Магніт "b" 2. Розмір магніту з прихованим ручним дублюванням 3. Розмір магніту з ручним дублюванням 5, 6 - з'єднувальний штекер зі світлодіодним індикацією (входить в комплект поставки) 9. Заводська табличка |
10. Однакові ущільнювальні кільця для каналів A, B, P, TA, TB. 11. Різьбова заглушка для розподілювачів з одним магнітом 12. Простір, необхідне для зняття з'єднувального штекера / кутового з'єднувального штекера 13. Необхідне місце для зняття котушки з гідророзподільника 14. Контргайка, момент затягування MA = 6+2 Нм |
15. Положення входів згідно ISO 4401-05-04-0-05 і NFPAT3.5.1 R2-2002 D05 16. Вхід TB може використовуватися тільки в поєднанні з окремим отвором. |
Плита монтажна (приєднувальна) розподільника ВЕ10
|

|
Основні параметри плити приєднувальної ВЕ10.574А(574,574 Е,573):
-умовний прохід встановлюється гідророзподільника - 10 мм.
- приєднувальна різьба для підведення гідроліній - К3/8 дюйма;
- підведення гідроліній - збоку в сторони;
- вага - не більше 1 кг.
|
Гідророзподільники ВЕ10 573Е Г24, ВЕ10 573Е В110, ВЕ10 573Е У 220
|

|
Розподільники ВЕ10 573Е Г24, ВЕ10 573Е В110, ВЕ10 573Е У 220 з одностороннім електромагнітним управлінням (електромагніт знаходиться з боку каналу В) на 24 В постійного струму (в інших виконаннях на 110 і 220 В змінного струму) застосовується в гідросистемах верстатів і мобільної техніки. У комплект поставки входять: штекер зі світлодіодним індикацією режимів роботи та гвинти для кріплення гідророзподільника на гідроагрегат.
Гидросхема 573Е
Основні параметри гідророзподільника ВЕ10.573Е.В110 (У 220, Г24): - умовний прохід 10 мм; - схема відкривання-закривання робочих каналів - 573Е (пунктиром на гидросхеме показано стан каналів в момент переміщення золотника з одного положення в інше, як видно, всі канали перекриті); - напруга: 110 або 220 вольт змінного струму 24 В пост. струму; - номінальний витрата робочої рідини 100 л/хв; - максимальний витрата робочої рідини 120 л/хв; - номінальний тиск на вході 32 МПа; - кліматичне виконання - для районів з помірним і холодним кліматом; - маса гідророзподільника не більше 4,7 кг
|
Гідророзподільники ВЕ10 573 Г24, ВЕ10 573 В110, ВЕ10 573 У 220
|

|
Розподільники ВЕ10 573 Г24, ВЕ10 573 В110, ВЕ10 573 У 220 з одностороннім електромагнітним управлінням (електромагніт знаходиться з боку каналу А) на 24 В постійного струму (в інших виконаннях на 110 і 220 В змінного струму) застосовується в гідроагрегатах пресів, токарних, фрезерних, ливарних верстатів і в складі інших гідроагрегатів і комплексів.
Гидросхема 573
Основні параметри гідророзподільника ВЕ10.573.В110 (У 220, Г24): - умовний прохід 10 мм; - схема відкривання-закривання робочих каналів - 573 (пунктиром на гидросхеме показано стан каналів в момент переміщення золотника з одного положення в інше, як видно, всі канали перекриті); - напруга: 110 або 220 вольт змінного струму 24 В пост. струму; - номінальний витрата робочої рідини 100 л/хв; - максимальний витрата робочої рідини 120 л/хв; - номінальний тиск на вході 32 МПа; - кліматичне виконання - для районів з помірним і холодним кліматом; - маса гідророзподільника не більше 4,7 кг
|
Гідророзподільники ВЕ10 574Е Г24, ВЕ10 574Е В110, ВЕ10 574Е У 220
|

|
Розподільники ВЕ10 574Е Г24, ВЕ10 574Е В110, ВЕ10 574Е У 220 з одностороннім електромагнітним управлінням (електромагніт знаходиться з боку каналу В) на 24 В постійного струму (в інших виконаннях на 110 і 220 В змінного струму) застосовується в гідросистемах верстатів і мобільної техніки. У комплект поставки входять: штекер зі світлодіодним індикацією режимів роботи та гвинти для кріплення гідророзподільника на гідроагрегат.
Гидросхема 574Е
Основні параметри гідророзподільника ВЕ10.574Е.В110 (У 220, Г24): - умовний прохід 10 мм; - схема відкривання-закривання робочих каналів - 574Е (пунктиром на гидросхеме показано стан каналів в момент переміщення золотника з одного положення в інше, як видно, всі канали перекриті); - напруга: 110 або 220 вольт змінного струму 24 В пост. струму; - номінальний витрата робочої рідини 100 л/хв; - максимальний витрата робочої рідини 120 л/хв; - номінальний тиск на вході 32 МПа; - кліматичне виконання - для районів з помірним і холодним кліматом; - маса гідророзподільника не більше 4,7 кг
|
Гідророзподільники ВЕ10 574 Г24, ВЕ10 574 В110, ВЕ10 574 У 220
|

|
Розподільники ВЕ10 574 Г24, ВЕ10 574 В110, ВЕ10 574 У 220 з одностороннім електромагнітним управлінням (електромагніт знаходиться з боку каналу А) на 24 В постійного струму (в інших виконаннях на 110 і 220 В змінного струму) застосовується в гідроагрегатах пресів, токарних, фрезерних, ливарних верстатів і в складі інших гідроагрегатів і комплексів.
Гидросхема 574
Основні параметри гідророзподільника ВЕ10.574.В110 (У 220, Г24): - умовний прохід гідророзподільника 10 мм; - схема відкривання-закривання робочих каналів - 574 (пунктиром на гидросхеме показано стан каналів в момент переміщення золотника з одного положення в інше, як видно, канали повідомлені, що дозволяє уникнути ударів в гідроциліндрах виконавчих механізмів); - напруга: 110 або 220 вольт змінного струму 24 В пост. струму; - номінальний витрата робочої рідини 100 л/хв; - максимальний витрата робочої рідини 120 л/хв; - номінальний тиск на вході 32 МПа; - кліматичне виконання - для районів з помірним і холодним кліматом; - маса гідророзподільника не більше 4,7 кг
|
Гідророзподільники ВЕ10 574А Г24, ВЕ10 574А В110, ВЕ10 574А У 220
|

|
Розподільники ВЕ10 574А Г24, ВЕ10 574А В110, ВЕ10 574А У 220 з одностороннім електромагнітним управлінням (електромагніт знаходиться з боку каналу А) на 24 В постійного струму (в інших виконаннях на 110 і 220 В змінного струму) застосовується в гідроагрегатах промислових і мобільних машин (наприклад, бурові машини).
Гидросхема 574А
Основні параметри гідророзподільника ВЕ10.574А.В110 (У 220, Г24): - умовний прохід 10 мм; - схема відкривання-закривання робочих каналів - 574А (пунктиром на гидросхеме показано стан каналів в момент переміщення золотника з одного положення в інше, як видно, всі канали перекриті); - напруга: 110 або 220 вольт змінного струму 24 В пост. струму; - номінальний витрата робочої рідини 100 л/хв; - максимальний витрата робочої рідини 120 л/хв; - номінальний тиск на вході 32 МПа; - кліматичне виконання - для районів з помірним і холодним кліматом; - маса гідророзподільника не більше 4,7 кг
|
Гідророзподільники ВЕ10 574А ОФ Г24, ВЕ10 574А ОФ В110, ВЕ10 574А ОФ У 220
|

|
Розподільники ВЕ10 574А ОФ Г24, ВЕ10 574А ОФ В110, ВЕ10 574А ОФ У 220 з двостороннім електромагнітним керуванням на 24 В постійного струму (в інших виконаннях на 110 і 220 В змінного струму) застосовується в гідроагрегатах промислових і мобільних машин (наприклад, бурові машини).
Гидросхема 574А
Основные параметры гидрораспределителя ВЕ10.574А.ОФ.В110 (В220, Г24):
- условный проход 10 мм;
- схема открывания-закрывания рабочих каналов - 574А (пунктиром на гидросхеме показано состояние каналов в момент перемещения золотника из одного положения в другое, как видно, все каналы перекрыты);
- напряжение: 110 или 220 вольта переменного тока, 24 В пост. тока;
- номинальный расход рабочей жидкости 100 л/мин;
- максимальный расход рабочей жидкости 120 л/мин;
- номинальное давление на входе 32 МПа;
- климатическое исполнение - для районов с умеренным и холодным климатом;
- масса гидрораспределителя не более 5,5 кг.
|
Пример условного обозначения гидравлического золотникового распределителя с односторонним электромагнитным управлением, Ду = 10 мм, тип электромагнита - "мокрый", со схемой распределения 574А, питание от сети 24 В постоянного тока, для работы в холодном и умеренном климате:
Гидрораспределитель ВЕ10.574А.Г24.