
ВВ-34Ш. Электропневмовентиль ВВ 34 Ш
от 100 ₴
Показать оптовые ценыМинимальная сумма заказа на сайте — 300 ₴
- В наличии
- Оптом и в розницу
- Код: вв
- +380 (93) 845-70-32Отдел продаж
Электропневмовентиль ВВ-34Ш
|
|
Вентили электропневматические (пневмовентили) ВВ-34Ш 12В 24В 75В 110В 380В УХЛ4 разработаны взамен устаревшей серии вентилей ВВ-32Ш и ВВ-34Ш на базе электромагнита (привода) ПЭ35 и используются для дистанционного (электрического) управления пневмоприводами. Основные параметры ВВ-32, ВВ-34, ВВ-351 и ВВ-352
|
|||||||||||||||||||||||||||||||||||
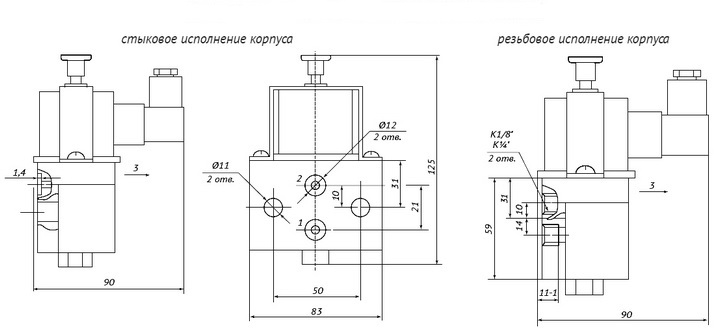
Габаритные и присоединительные размеры вентилей ВВ-32, ВВ-34, ВВ 351 и ВВ 352

Таблица размеров электропневматических вентилей ВВ 351 и ВВ 352
| Размеры, мм | H | A | B | C | D | F | K | M | N | S | E |
| Вентиль ВВ-351 | 130 | 21 | 72 | 50 | 75 | 70 | 11 | 5 | 9 | 36 | 14 |
| Вентиль ВВ-352 | 150 | 30 | 72 | 64 | 90 | 70 | 11 | 13 | 16,5 | 36 | 14 |
Примечание: габаритный размер В зависит от типа соединителя, устанавливаемого на пневмоэлектрический вентиль ВВ 351 ( ВВ-32(Ш) ), ВВ 352 ( ВВ-34(Ш) ), но в таблице этот размер указан только для соединителя типа CЭ, для определения данного размера для других типов соединителей см. рис. выше.
Отметим ещё раз, что электропневматические вентили ВВ 351 и ВВ 352 поставляются на рынок промышленного оборудования взамен устаревших моделей ВВ-32 (или ВВ32) и ВВ-34 (или ВВ34).
Пневмовентиль ВВ-32Ш
|
|
Основные параметры электропневмовентиля (вентиля электропневматического) ВВ 32Ш УХЛ4: — присоединение к электросети - через разъем; |
Пневмовентиль ВВ-34Ш
|
|
Основные параметры электропневмовентиля (вентиля электропневматического) ВВ 34Ш УХЛ4: — присоединение к электросети - через разъем; |
Пневмовентиль ВВ-32
|
|
Основные параметры электропневмовентиля (вентиля электропневматического) ВВ 32 УХЛ4: — присоединение к электросети - через клемы; |
Пневмовентиль ВВ-34
|
|
Основные параметры электропневмовентиля (вентиля электропневматического) ВВ 34 УХЛ4: — присоединение к электросети - через клемы; |
Пневмовентиль ВВ-351
|
|
Основные параметры электропневмовентиля (вентиля электропневматического) ВВ 351 УХЛ4: — присоединение к электросети - через клемы; |
Пневмовентиль ВВ-352
|
|
Основные параметры электропневмовентиля (вентиля электропневматического) ВВ 352 УХЛ4: — присоединение к электросети - через клемы; |
Пример условного обозначения вентиля пневмоэлектрического, рассчитанного на номинальное давление 1 МПа, с рабочим диапазоном давлений в пневмосистеме от 0,35 МПа до 0,85 МПа с числом включением в час не более 1200 раз и сечением прохода впускного 8 мм, выпускного 14 мм:
Вентиль электропневматический ВВ-32.
- Цена: от 100 ₴








.png)
