
КРу 16.3. Пневморозподільник крановий КраПу16-3
від 2 ₴
Показати оптові ціниМінімальна сума замовлення на сайті — 300 ₴
- В наявності
- Оптом і в роздріб
- Код: кру16
- +380 (93) 845-70-32Відділ продажів
Пневморозподільники кранові КРу 16.3

Розподільники кранові пневматичні КРу16.3, КРу 16 3 УХЛ4 з ручним керуванням призначені для зміни напрямку та перекриття потоків стисненого повітря в пневмосистемах різного призначення. Пневморозподільники кранові КРу16.1(2,3,4,5,6,7,8,9,10) українського виробництва є аналогами пневморозподільників типу В71-24М(23М,22М)-01(02) и В71-24А(23А,22А), АВ71-22А(23А,24А).
Розподільники КРу-16 працюють на стиснутому повітрі, очищеному не грубіше 10 класу забрудненості за ГОСТ 17433-80 і вмісту розпиленої олії.
Основні характеристики пневморозподільників
КРу 16.1, КРу 16.2, КРу 16.3, КРу 16.4, КРу 16.5, КРу 16.6, КРу 16.7, КРу 16.7, КРу 16.8, КРу 16.9, КРу 16.10
| Параметри | Норми для типорозмірів | |||||||||
| КРу16.1 | КРу16.2 | КРу16.3 | КРу16.4 | КРу16.5 | КРу16.6 | КРу16.7 | КРу16.8 | КРу16.9 | КРу16.10 | |
| Номінальний тиск, МПа | 1,0 | |||||||||
| Умовний прохід, мм | 16 | 10 | 16 | 10 | 10 | 16 | 10 | 10 | 6 | 6 |
| Кількість ліній | 4 | 4 | 4 | 4 | 4 | 4 | 6 | 6 | 4 | 4 |
| Кількість позицій | 3 | 3 | 2 | 2 | 2 | 3 | 3 | 3 | 3 | 3 |
| Приєднання до пневмосистеми | Бок. | Бок. | Бок. | Нижн. | Бок. | Нижн. | Бок. | Нижн. | Бок. | Нижн. |
| Пропускна здатність, Кv, м3/год, не менш ніж | 2,5 | 1,3 | 2,5 | 1,3 | 1,3 | 2,5 | 1,3 | 1,3 | 0,6 | 0,6 |
| Зусилля на органі керування, Н, не більш ніж | 40 | |||||||||
| Загальна витікання повітря, см3/хв, не більш ніж | 200 | |||||||||
| Приєднувальна різь за ГОСТ6111-52 | К1/2" | К3/8" | К1/2" | К3/8" | К3/8" | К1/2" | К3/8" | К3/8" | К1/4" | К1/4" |
| Повний середній ресурс, циклів, не менш ніж | 2*106 | |||||||||
| Середня обробка до відмови, циклів, не менш ніж | 1*106 | |||||||||
| Маса, кг | 0,9 | 0,5 | ||||||||
ЗАСТОСУВАННЯ:
— віброміцність і вібростійкість розподілювачів відповідають II ступеня жорсткості за ГОСТ 28988-91.
— під час монтажу пневморозподільника закріплюються в будь-якому просторовому положенні чотирма гвинтами через отвори 7 мм (або 5,5 мм).
- приєднання до пневмомережі здійснюється за допомогою нарізних отворів, які маркуються в такий спосіб:
1 — для підведення повітря;
2, 4, 6, 8 — для виходу до споживача;
3 — для виходу в атмосферу.
Габаритні та приєднувальні розміри пневморозподільників КРу-16




Пневморозподільник КРу16.1
|
|
Основні параметри розподілювача кранового КРу 16.1 УХЛ4: — номінальний тиск на вході 1 МПа; — о, що голить витік повітря, см3/хв, не більш ніж 200; — нРицинова різь за ГОСТ6111-52 — К1/2"; — маса розподілювача, не більш ніж 0,9 кг.; |
Пневморозподільник КРу16.2
|
|
Основні параметри розподілювача кранового КРу16.2 УХЛ4: — номінальний тиск на вході 1 МПа; — о, що голить витік повітря, см3/хв, не більш ніж 200; — нРицинова різь за ГОСТ6111-52 — К1/2"; — маса розподілювача, не більш ніж 0,9 кг.; |
Пневморозподільник КРу16.3
|
|
Основні параметри розподілювача кранового КРу16.3 УХЛ4: — номінальний тиск на вході 1 МПа; — о, що голить витік повітря, см3/хв, не більш ніж 200; — нРицинова різь за ГОСТ6111-52 — К1/2"; — маса розподілювача, не більш ніж 0,9 кг.; |
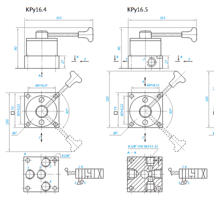
Пневморозподільник КРу16.4
|
|
Основні параметри розподілювача кранового КРу 16.4 УХЛ4: — номінальний тиск на вході 1 МПа; — о, що голить витік повітря, см3/хв, не більш ніж 200; — нРицинова різь за ГОСТ6111-52 — К3/8"; — маса розподілювача, не більш ніж 0,9 кг; |
Пневморозподільник КРу16.5
|
|
Основні параметри розподілювача кранового КРу16.5 УХЛ4: — номінальний тиск на вході 1 МПа; — о, що голить витік повітря, см3/хв, не більш ніж 200; — нРицинова різь за ГОСТ6111-52 — К3/8"; — маса розподілювача, не більш ніж 0,9 кг.; |
Пневморозподільник КРу16.6
|
|
Основні параметри розподілювача кранового КРу 16.6 УХЛ4: — номінальний тиск на вході 1 МПа; — о, що голить витік повітря, см3/хв, не більш ніж 200; — нРицинова різь за ГОСТ6111-52 — К1/2"; — маса розподілювача, не більш ніж 0,9 кг; |
Пневморозподільник КРу16.10
|
|
Основні параметри розподілювача кранового КРу 16.10 УХЛ4: — номінальний тиск на вході 1 МПа; — о, що голить витік повітря, см3/хв, не більш ніж 200; — нРицинова різь за ГОСТ6111-52 — К3/8"; — маса розподілювача, не більш ніж 0,9 кг; |
Пневморозподільник КРу16.8
|
|
Основні параметри розподілювача кранового КРу 16.8 УХЛ4: — номінальний тиск на вході 1 МПа; — о, що голить витік повітря, см3/хв, не більш ніж 190; — нРицинова різь за ГОСТ6111-52 — К3/8"; — маса розподілювача, не більш ніж 1,3 кг; |
Пневморозподільник КРу16.9
|
|
Основні параметри розподілювача кранового КРу 16.9 УХЛ4: — номінальний тиск на вході 1 МПа; — о, що голить витік повітря, см3/хв, не більш ніж 150; — нРицинова різь за ГОСТ6111-52 — К3/8"; — маса розподілювача, не більш ніж 1,5 кг; |
Приклади записування умовного позначення:
розподільник крановий, чотирилінійний, двопозиційний, з умовним проходом 16 мм і приєднанням до пневмосистема збоку, кліматичного виконання УХЛ, категорії розміщення 4:
- пневморозподільник крановий КРу 16.3 УХЛ4;
— те саме, для розподілювача з умовним проходом 10 мм і приєднанням до пневмосистеми знизу:
- пневморозподільник КРу16.4 УХЛ4;
— те ж, для розподільника з умовним проходом 6 мм, чотирилінійного триходового з приєднанням до пневмосистеми знизу:
- пневморозподільник КРу16.10 УХЛ4.
- Ціна: від 2 ₴



















