
Насос пластинчатый БГ12-25АМ
от 100 ₴
Показать оптовые ценыМинимальная сумма заказа на сайте — 300 ₴
- В наличии
- Оптом и в розницу
- Код: бг12
- +380 (93) 845-70-32Отдел продаж
Насосы пластинчатые (лопастные) БГ12-25АМ
|
|
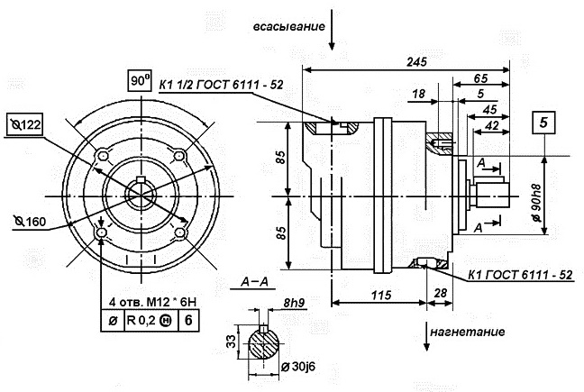
Насосы пластинчатые БГ12 25АМ, БГ12 25А УХЛ4 (насосы лопастные) давления 6,3 МПа, габарита 1 применяются в гидроприводах металлорежущих станков и других машин, где требуется нерегулируемый по величине поток минерального масла. Температура -10 до +60 °С. Тонкость фильтрации масла 25 мкм. Частота вращения насосов БГ12-2 давления 12.5 МПа габарита 2 - 1500 об/мин. Направление вращения - правое (по часовой стрелке со стороны привода). При необходимости насосы БГ12-24АМ(24М,25АМ) пластинчатые однопоточные давления 12.5 МПа габарита 2 могут быть изготовлены с левым направлением вращения вала. Размеры насосов БГ12-24, БГ12-25
|
||||
Основные параметры насосов БГ12-24АМ, БГ12-24М, БГ12-25АМ
| Название (старое название) |
Номинальное давление на выходе, МПа | Номинальная подача, л/мин | Номинальный рабочий объем, см3 | Номинальная частота вращения, об/мин | Номинальная мощность, кВт | Масса, кг |
Подробное описание: |
|
| Насос БГ12-24АМ | 12,5 | 56 | 45 | 1500 | 5,04 | 9,7 | ||
| Насос БГ12-24М | 73 | 56 | 7,6 | |||||
| Насос БГ12-25АМ | 105 | 80 | 9,9 |
Устройство и принцип действия насосов БГ12

В корпусе 1 и крышке 2 установлен рабочий комплект, состоящий из статора 3, ротора 4, пластины 5, диска с шейкой 6, диска плоского 7. Вал 8 свободно вращается в подшипнике качения 9. В крышке расположено всасывающее отверстие Б, в корпусе - нагнетательное В. Двухпоточный насос объединяет два однопоточных насоса. В корпусных деталях установлены рабочие комплекты двух однопоточных насосов. Двухпоточный насос имеет общее всасывающее отверстие. Нагнетание происходит двумя независимыми потоками. Принцип действия однопоточных и двухпоточных насосов одинаков. При вращении вала пластины перемещаются в пазах ротора в соответствии с профилем внутренней поверхности статора. Камера Г (между пластинами, статором и ротором) во время . соединения с каналами всасывания увеличивает свой объем и заполняется рабочей жидкостью, поступающей из магистрали всасывания, а во время соединения с каналами нагнетания уменьшает свой объем, вытесняя рабочую жидкость в магистраль нагнетания. Насос устанавливается в любом положении. Соединение вала насоса с приводным валом выполнять при помощи упругой (эластичной) муфты. Допуск соосности осей валов 0,1 мм в диаметральном выражении. Направление вращения вала должно соответствовать стрелке, расположенной на табличке. Передача на вал радиальных и осевых нагрузок со стороны привода не допускается. Для защиты насоса и гидросистемы от перегрузок необходимо установить предохранительный клапан, настройка которого не должна превышать номинального давления на выходе, а расход клапана должен быть не менее подачи насоса. Бак должен отвечать требованиям ГОСТ 16770-86. Объем бака должен быть не менее двухминутной подачи насоса. Всасывающий и сливной трубопроводы должны быть погружены в бак на глубину около двух диаметров трубы от дна. Трубопроводы должны быть с плавными изгибами, тщательно очищены, иметь надежное уплотнение в месте присоединения к насосу исключающее возможность подсоса воздуха. Всасывающий трубопровод должен быть по возможности коротким с минимальным количеством изгибов. Диаметр отверстия всасывающего трубопровода, его длина и дополнительные соединения должны выбираться из условий, что скорость рабочей жидкости не должна превышать 1,5 м/с и абсолютное давление на входе в насос должно быть-0,08...0,12 МПа (0,8... 1,2 кгс/см2). На всасывающем трубопроводе допускается устанавливать фильтр с индикатором загрязненности при условии, что абсолютное давление на входе в насос не менее 0,08 МПа.
Насос пластинчатый БГ12-24АМ (БГ12-24А)
|
|
Насос БГ 12 24АМ предназначен для для установки в гидравлических приводах металлорежущих станков, прессов и другого оборудования, в котором необходимо обеспечить нерегулируемый по величине поток масла с постоянным давлением. Основные параметры лопастного (пластинчатого) насоса БГ12-24АМ: Насосы БГ12-24АМ могут поставляться с правым (по часовой стрелке со стороны вала) и левым направлением вращения вала. |
Насос пластинчатый БГ12-24М (БГ12-24)
|
Насос БГ12-24М устанавливаются в гидроприводах станков, прессов и другого гидрофицированного оборудования и обеспечивают постоянный, нерегулируемый поток рабочей жидкости с постоянным давлением. Основные параметры лопастного (пластинчатого) насоса НПл 12,5/6,3: Насосы НПл 12,5/6,3 могут поставляться с правым (по часовой стрелке со стороны вала) и левым направлением вращения вала. |
Насос пластинчатый БГ12-25АМ (БГ12-25А)
|
|
Основные параметры насоса лопастного БГ12-25А, БГ 12-25 АМ УХЛ4: |
Пример условного обозначения при заказе насоса пластинчатого нерегулируемого с номинальным рабочим объёмом 80 см³, номинальной подачей 108 л/мин и номинальным рабочим давлением на выходе 12,5 МПа:
Насос БГ12-25АМ УХЛ4.
| Основные | |
|---|---|
| Направление вращения | Левое |
| Производитель | Ама |
- Цена: от 100 ₴















