Фильтры напорные 12-10КВ с визуальным индикатором загрязненности
|
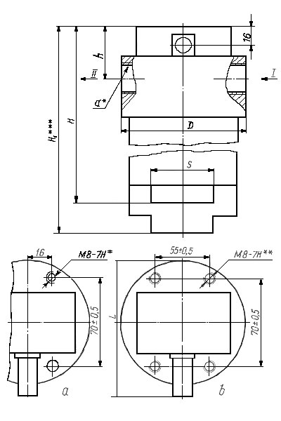
Фильтр 12-25-КВ, 20-25-КВ
|
— Фильтры 12-10КВ, 12 10 КВ напорные (гидравлические) с визуальным индикатором загрязнённости (замена фильтров ФГМ) на номинальное давление 20 МПа предназначены для очистки от механических примесей минеральных масел.
— Фильтры Ф7(М) применяются в металлорежущих, деревообрабатывающих и других станках, а также в кузнечно-прессовом и литейном оборудовании. Кинематическая вязкость очищаемых минеральных масел не более 200 мм²/c при температуре до 80 °C.
— Фильтры напорные 12-25 КВ, 20-25 КВ, 32-25 КВ изготавливаются на номинальное давление 20 МПа (Ф7М - три габарита). По тонкости фильтрации изготавливаются следующие вариации: 10, 25 и 40 мкм.
В качестве фильтроэлементов в фильтрах 12-25(20-25,32-25)К(В) используются фильтроэлементы ФД, РЕГОТМАС.
Обозначения фильтров Ф7М 12-25, 20-25, 32-25
| Ф7М |
|
12 |
- |
25 |
|
К |
|
УХЛ4 |
|
| |
|
|
|
Климатическое исполнение по ГОСТ 15150: УХЛ4, 04.1
|
 |
|
Тип резьбы на входном и выходном отверстиях фильтра:
К = коническая
М = метрическая
|
 |
|
Номинальная тонкость фильтрации:
10 = 10 мкм
25 = 25 мкм
40 = 40 мкм
|
 |
|
20 = номинальное давление 20 МПа
|
 |
|
Исполнение фильтра по габариту:
12 = Ду 12 мм
20 = Ду 20 мм
32 = Ду 32 мм
|
|
Основные параметры фильтров напорных Ф7(М)
|
Наименование
|
Аналог
|
Ду, мм
|
Тонкость фильтрации, мкм
|
Давление, МПа
|
Расход, л/мин
|
|
12-10 КВ
|
Ф7М 12-10/200
|
12
|
10
|
20
|
25
|
|
12-25 КВ
|
Ф7М 12-25/200
|
12
|
25
|
20
|
25
|
|
12-40 КВ
|
Ф7М 12-40/200
|
12
|
40
|
20
|
25
|
|
Ф7М 12-10/200
|
12-10К
|
12
|
10
|
20
|
25
|
|
Ф7М 12-25/200
|
12-25К
|
12
|
25
|
20
|
25
|
|
Ф7М 12-40/200
|
12-40К
|
12
|
40
|
20
|
25
|
|
20-10 КВ
|
Ф7М 20-10/200
|
20
|
10
|
20
|
63
|
|
20-25 КВ
|
Ф7М 20-25/200
|
20
|
25
|
20
|
80
|
|
20-40 КВ
|
Ф7М 20-40/200
|
20
|
40
|
20
|
100
|
|
Ф7М 20-10/200
|
20-10К
|
20
|
10
|
20
|
63
|
|
Ф7М 20-25/200
|
20-25К
|
20
|
25
|
20
|
80
|
|
Ф7М 20-40/200
|
20-40К
|
20
|
40
|
20
|
100
|
|
32-10 КВ
|
Ф7М 32-10/200
|
32
|
10
|
20
|
160
|
|
32-25 КВ
|
Ф7М 32-25/200
|
32
|
25
|
20
|
160
|
|
32-40 КВ
|
Ф7М 32-40/200
|
32
|
40
|
20
|
160
|
|
Ф7М 32-10/200
|
32-10К
|
32
|
10
|
20
|
160
|
|
|
|
32
|
25
|
20
|
160
|
|
Ф7М 32-40/200
|
32-40К
|
32
|
40
|
20
|
160
|
Рекомендации по эксплуатации фильтров 12-25-КВ, 20-25-КВ, 32-25-КВ

— Фильтры Ф7М устанавливают в напорных магистралях гидросистем в месте, удобном для обслуживания, в вертикальном положении, чтобы направление стрелки на головке фильтра совпадало с направлением движения рабочей жидкости.
— Для замены фильтрующего элемента после срабатывания индикатора загрязненности выключить насосную установку и, после падения давления до 0, отвернуть стакан, удалить загрязненный фильтроэлемент, поместить чистый фильтроэлемент в стакан и завернуть его.
— При запуске системы с холодным маслом, вязкость которого выше 30мм²/с, индикатор загрязненности может выдать ложные сигналы с возможным открытием предохранительного клапана, при этом индикатор возвращается в исходное положение по мере разогрева масла. Если индикатор не возвращается в исходное положение, необходимо кратковременно выключить систему.
Условие, хранения-2 (С) по ГОСТ 15150.
Устройство фильтров Ф7М

— Фильтр напорный с индикатором загрязненности типа Ф7 состоит из головки с входным и выходным отверстиями, стакана, соединенного герметично при помощи кольца. Внутри стакана расположен установленный на седле фильтроэлемент. На головке установлен индикатор загрязненности, в корпусе которого имеются средства сигнализации о загрязненности фильтроэлемента и перепуске неочищенной жидкости.
— Фильтр работает следующим образом. Рабочая жидкость через входное отверстие в головке фильтра поступает в полость стакана, проходит через фильтроэлемент, очищается и через отверстие седла и выходное отверстие поступает в систему. При повышении перепада давлений на фильтроэлемента по мере его загрязнения начинает перемещаться плунжер, расположенный в поршне, сжимая пружину и, выдвигая шток, на хвостовике которого установлен постоянный магнит. При перепаде давлений (0,3±-0,03)МПа в поле действия магнита окажется магнитоуправляемый контакт (геркон), лепестки которого замкнутся, и поступит электрический сигнал о необходимости замены загрязненного фильтроэлемента.
— Из-за несвоевременной замены фильтроэлемента происходит дальнейшее повышение перепада давлений до (0,5±0,1)МПа, открытие предохранительного клапана, и неочищенная рабочая жидкость поступает в систему, минуя фильтроэлемент. При этом фильтр работает в аварийном режиме.
Фильтр напорный 12-25КВ, 12-10КВ, 12-40КВ (аналог Ф7М 12-25/200)
|

|
Основные параметры 12-25 КВ, 12-40 КВ, 12-10 КВ:
- Фильтр 12-10К, 12-10КВ присоединтельная резьба K1/2", расход 40 л/мин, фильтроэлемент Р-600-1-06(19);
- Фильтр 12-25КВ, 12-25К присоединтельная резьба K1/2", расход 40 л/мин, фильтроэлемент Р-600-1-06(19);
- Фильтр 12-40КВ, 12-40К присоединтельная резьба K1/2", расход 50 л/мин, фильтроэлемент Р-600-1-06(19);
|
Фильтр напорный 20-25КВ, 20-10КВ, 20-40КВ (аналог Ф7М 20-25/200)
|

|
Основные параметры 20-25 КВ, 20-40 КВ, 20-10 КВ:
- Фильтр 20-10КВ, 20-10К присоединтельная резьба K3/4", расход 80 л/мин, фильтроэлемент Р-605Г-1-06;
- Фильтр 20-25КВ, 20-25К присоединтельная резьба K3/4", расход 80 л/мин, фильтроэлемент Р-605Г-1-06;
- Фильтр 20-40КВ, 20-40К присоединтельная резьба K3/4", расход 100 л/мин, фильтроэлемент Р-605Г-1-06;
|
Фильтр напорный 32-25КВ, 32-10КВ, 32-40КВ (аналог Ф7М 32-25/200)
|

|
Основные параметры 32-25 КВ, 32-10 КВ, 32-40 КВ:
- Фильтр 32-10КВ, 32-10К присоединтельная резьба K1 1/4", расход 200 л/мин, фильтроэлемент Р-630-1-06(19);
- Фильтр 32-25КВ, 32-25К присоединтельная резьба K1 1/4", расход 200 л/мин, фильтроэлемент Р-630-1-06(19);
- Фильтр 32-40КВ, 32-40К резьба K1 1/4", расход 200 л/мин, фильтроэлемент Р-630-1-06(19);
|
— Примеры условного обозначения при заказе напорных фильтров Ф7М:
Фильтр гидравлический напорный 12-25-КВ;
Фильтр гидравлический напорный 20-25-К;
Фильтр гидравлический напорный 32-25-КВ;
Фильтр гидравлический напорный 12-25-К.
|