
Гидроклапан давления ПГ54-32М
от 100 ₴
Показать оптовые ценыМинимальная сумма заказа на сайте — 300 ₴
- В наличии
- Оптом и в розницу
- Код: г54
- +380 (93) 845-70-32Отдел продаж
Гидроклапаны давления ПГ54-32М
|
|
Клапаны давления предохранительные ПГ 54-32 М УХЛ4 предназначены для использования в гидросистемах в качестве:
Клапаны Г54(БГ54,ВГ54,ДГ54,АГ54,ПАГ54,ПВГ54,ПГ54,ПБГ54,ПДГ54)-32(М) имеют резьбовое и стыковое исполнение по присоединению. При резьбовом присоединении отверстия корпуса для подключения линий имеют коническую резьбу K3/8". В клапанах стыкового присоединения отверстия выводятся на стыковую плоскость и оканчиваются цековками под кольца (по ГОСТ 9833-73) для уплотнения стыка между аппаратом и специальными панелями или промежуточными плитами в которых нарезана резьба для монтажа штуцеров. |
Указания по эксплуатации гидроклапанов (П)Г54-3:
- при изменении вязкости рабочей жидкости более чем на 20% от первоначальной произведите её замену;
- количество механических примесей в масле в процессе эксплуатации не должно превышать 0,005% по массе, а воды - 0,05%;
- Гидроклапаны давления Г54(АГ54,БГ54,ВГ54,ДГ54)-32, ПГ54(ПАГ54,ПБГ54,ПВГ54,ПДГ54)-32М должны быть встроены в гидросистему так, чтобы орган управления аппарата был расположен в безопасном месте, удобном для обслуживания;
- трубы должны иметь проходные сечения, соответствующие размерам присоединительных отверстий, уменьшение сечений т вмятины не допускаются;
- присоединения гидроклапанов давления к гидросистеме должны обеспечивать полную герметичность во избежании течи масла и подсоса воздуха;
- перед началом работы удалите воздух из системы;
- для опломбирования регулировочного узла аппарата после настройки предусмотрены отверстия диаметром 2 мм в колпачке и винте.
Параметры гидроклапанов давления Г54-32, ПГ54-32, АГ54-32, ПАГ54-32, БГ54-32, ПБГ54-32, ВГ54-32, ПВГ54-32, ДГ54-32, ПДГ54-32
| Параметр | Нормы для исполнений | ||||
| Гидроклапан Г54-32(М) ПГ54-32 | Гидроклапан АГ54-32(М) ПАГ54-32 | Гидроклапан БГ54-32(М) ПБГ54-32 | Гидроклапан ВГ54-32(М) ПВГ54-32 | Гидроклапан ДГ54-32(М) ПДГ54-32 | |
| Условный проход, мм | 10 | 10 | 10 | 10 | 10 |
| Расход, л/мин: номин. / макс. / мин. | 32 / 45 / 1 | ||||
| Внутренние утечки, см³/мин, не более | 15 | 25 | 65 | 100 | 200 |
| Давление настройки номинальное, МПа | 2,5 | 1,0 | 6,3 | 10,0 | 20,0 |
| Диапазон настройки давления, МПа | 0,4-2,8 | 0,3-1,2 | 0,6-7,0 | 1,2-11,2 | 4,0-23,0 |
| Номинальный перепад давлений, МПа | 0,2 | ||||
| Масса клапана, кг: резьбовое (стыковое) | 2,3 (2,55) | ||||
Условное обозначение гидроклапанов давления Г54-3
| Х | Х | Г54-3 | Х | ХХХХ | |||||
|
Климатическое исполнение по ГОСТ 15150: УХЛ4, 04.1
|
|||||||||
|
Исполнение по усл. проходу: 2 - 10 мм, 4 - 20 мм, 5 - 32 мм
|
|||||||||
|
Обозначение типа гидроклапана (М - означает "модернизированный")
|
|||||||||
|
Исполнение по номинальному давлению настройки: А - 1 Мпа, Б - 6,3 МПа, В - 10 МПа, Д - 20 МПа
|
|||||||||
|
Исполнение клапана по способу монтажа: без индекса - трубный (резьбовой), П - стыковой (притычный)
|
|||||||||
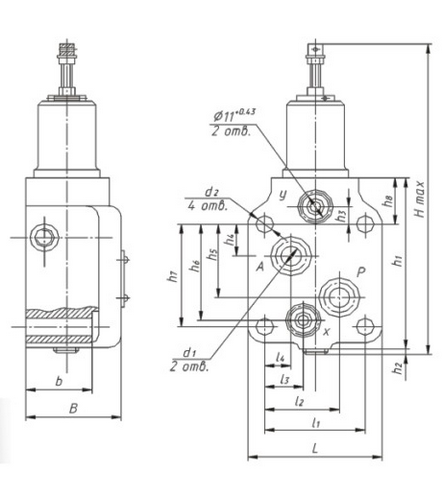
Габаритные и присоединительные размеры гидроклапана давления типа (П)Г54-32
|
Размеры гидроклапана давления типа Г54-32 (резьбовое присоединение) |
|
||||||||||||||||||||||||||||||||||||||||||
|
Размеры гидроклапана давления типа ПГ54-32 (стыковое присоединение)
|
|||||||||||||||||||||||||||||||||||||||||||
| Модель клапана | Размеры, мм | |||||||||||||||||
| Hmax | L (h14) | B (h14) | h1 | h2 | h3 | h4 | h5 | h6 | h7 | h8 | l1 | l2 | l3 | l4 | b | d1 | d2 | |
| ПАГ54-32(М) | 201 | 68 | 67 | 91 | 2 | 13 | 13 | 28 | 43 | 41 | 36 | 50 | 38 | 20 | 12 | 49 | 10 | 11 |
| ПГ54-32(М) | ||||||||||||||||||
| ПБГ54-32(М) | ||||||||||||||||||
| ПВГ54-32(М) | ||||||||||||||||||
| ПДГ54-32(М) | ||||||||||||||||||
Принцип работы гидроклапанов давления (П)Г54-32
|
|
В расточке корпуса 1 (см. рисунок выше) помещён золотник 2. Расположенная в колпачке 3 пружина 4 через шайбу 10 препятствует перемещению золотника внутрь колпачка. Натяг пружины регулируется перемещением упора 7 с помощью регулировочного винта 5, контргайка 6 на винте фиксирует настройку.
Рабочая жидкость, подводимая в полость клапана Р, через каналы «в, х» и демпферное отверстие «г» поступает под торец золотника 2. Давление жидкости на торец золотника уравновешивается усилием пружины 4. При возрастании давления в подводящей гидролинии увеличивается давление и на торец золотника 2. Преодолевая усилие пружины, золотник 2 сдвигается и соединяет полости Р и А. Так как полость под колпачком 3 соединена каналом «б» с полостью отвода А, то разность давлений в подводящем и отводящем каналах, определяемая усилием пружины, поддерживается постоянной независимо от изменения давления в гидросистеме.
Комплект резиновых колец для гидроклапанов давления Г54-32
| Обозначение кольца по ГОСТ 18829-73 | Количество | |
| Г (АГ, БГ, ВГ, ДГ) 54-32М | ПГ (ПАГ, ПБГ, ПВГ, ПДГ) 54-32М | |
| Кольцо 012-016-25 | 1 | 3 |
| Кольцо 014-018-25 | - | 2 |
| Кольцо 030-035-30 | 1 | 1 |
| Кольцо 040-044-25 | 1 | 1 |
Гидроклапан давления БГ54-32М
|
|
Технические характеристики БГ54-32 УХЛ4: |
Гидроклапан давления АГ54-32М
|
|
Технические характеристики АГ 54-32 М УХЛ4: |
Гидроклапан давления Г54-32М
|
|
Технические характеристики Г 54-32 М УХЛ4: |
Гидроклапан давления ДГ54-32М
|
|
Технические характеристики ДГ 54-32 М УХЛ4: |
Гидроклапан давления ВГ54-32М
|
|
Технические характеристики ВГ 54-32 М УХЛ4: |
Гидроклапан давления ПБГ54-32М
|
|
Технические характеристики клапана ПБГ 54-32 М УХЛ4: |
Гидроклапан давления ПВГ54-32М
|
|
Технические характеристики клапана ПВГ 54-32 М УХЛ4: |
Гидроклапан давления ПГ54-32М
|
|
Технические характеристики клапана ПГ 54-32 М УХЛ4: |
Пример условного обозначения гидроклапана давления с условным проходом 10 мм, работающем при номинальном давлением 2,5 МПа (диапазон регулирования 0,4-2,8 МПа), стыкового монтажа, предназначенном для работы в умеренном климате:
- Гидроклапан давления ПГ54-32М УХЛ4.
- Цена: от 100 ₴























