
Гидроклапан предохранительный МКПВ-10/3С3Р1
от 100 ₴
Показать оптовые ценыМинимальная сумма заказа на сайте — 300 ₴
- В наличии
- Оптом и в розницу
- Код: мкпв
- +380 (93) 845-70-32Отдел продаж
Гидроклапаны предохранительные МКПВ 10/3С3Р1
|
Клапаны предохранительные МКПВ-10/3С3Р1 УХЛ4 стыкового монтажа применяются для предохранения гидросистем от перегрузки при повышении давления, поддержания установленной величины давления и дистанционной разгрузки гидравлических систем. Область применения: гидроприводы прессов, станков, литейных и литьевых машин, мобильной техники и другого гидрофицированного оборудования. Предохранительные клапаны давления непрямого действия МКПВ существуют стыкового и трубного монтажа. На рисунке ниже показана конструкция предохранительного клапана давления непрямого действия МКПВ стыкового монтажа.
Клапаны МКПВ состоит из следующих основных деталей и узлов: корпуса 1, клапана 8, размещённого в гильзе 10, пружины 9 и вспомогательного клапана 3, а в исполнении с электроуправлением они дополнительно комплектуются электромагнитным пилотом 1РЕ6, устанавливаемым на клапане 3. Рабочая жидкость из напорной линии поступает к отверстию Р корпуса и отводится в сливную линию через отверстие Т. Отверстие Р через малое отверстие 11 в клапане 8 соединено с надклапанной полостью 2, откуда рабочая жидкость через клапан 3 может поступать в отверстие Т по каналу 7.
Если давление в гидравлической системе не превышает давления настройки клапана 3 (регулируется винтом 6, сжимающим пружину 5), последний закрыт, давления в торцовых полостях клапана 8 одинаковые, и он прижат пружиной 9 к конусному седлу гильзы 10, разъединяя отверстия Р и Т. Когда сила от давления рабочей жидкости на конус 4 вспомогательного клапана превышает усилие его пружины, конус отходит от седла, и жидкость в небольшом количестве из отверстия Р через малое отверстие 11, вспомогательный клапан и канал 7 проходит в отверстие Т.
|
|
|
Из-за падения давления в отверстии 11 давление в надклапанной полости 2 уменьшается, и клапан под действием давления в отверстии Р поднимается вверх, сжимая пружину 9 и соединяя отверстия Р и Т. Перемещение клапана вверх происходит до тех пор, пока сила от давления в отверстии Р не компенсирует силу от давления в полости 2 и силу пружины 9, после чего давление в отверстии Р (в напорной линии гидравлической системы) автоматически поддерживается постоянным в широком диапазоне расходов рабочей жидкости через клапан.
В случае, если отверстие Х соединить с линией слива, давление в полости 2 упадёт, и клапан 8 под действием небольшого давления (приблизительно 0,3 МПа) в отверстии Р поднимется, сжимая сравнительно слабую пружину 9 и соединяя отверстия Р и Т (режим разгрузки). В гидроклапанах МКПВ с электроуправлением разгрузка производится при выключённом (нормально открытое исполнение) или включённом (нормально закрытое исполнение) электромагните пилота.
|
|
Конструкция предохранительного клапана непрямого действия МКПВ
|
|
Основные параметры гидроклапана МКПВ стыкового монтажа
| Обозначение | Ду, мм | Номинальное давление настройки, МПа | Диапазон регулирования давления, МПа | Номинальный расход, л/мин | Вид управления разгрузкой | Масса, кг |
| Клапан МКПВ 10/3С2Р | 10 | 6,3 | 0,3-0,7 | 80,0 | Дистанционное гидравлическое управление разгрузкой | 3,45 |
| Клапан МКПВ 10/3 С2Р1 (аналог 10-10-2-11) | 10,0 | 0,5-12,5 | ||||
| Клапан МКПВ 10/3 С2Р2 (аналог 10-20-2-11) | 20,0 | 2,0-25,0 | ||||
| Клапан МКПВ 10/3 С2Р3 (аналог 10-32-2-11) | 32,0 | 5,0-35,0 | ||||
| Клапан МКПВ 20/3С2Р | 20 | 6,3 | 0,3-0,7 | 160,0 | 4,15 | |
| Клапан МКПВ 20/3 С2Р1 (аналог 20-10-2-11) | 10,0 | 0,5-12,5 | ||||
| Клапан МКПВ 20/3 С2Р2 (аналог 20-20-2-11) | 20,0 | 2,0-25,0 | ||||
| Клапан МКПВ 20/3 С2Р3 (аналог 20-32-2-11) | 32,0 | 5,0-35,0 | ||||
| Клапан МКПВ 32/3С2Р | 32 | 6,3 | 0,3-0,7 | 320,0 | 5,95 | |
| Клапан МКПВ 32/3 С2Р1 (аналог 32-10-2-11) | 10,0 | 0,5-12,5 | ||||
| Клапан МКПВ 32/3 С2Р2 (аналог 32-20-2-11) | 20,0 | 2,0-25,0 | ||||
| Клапан МКПВ 32/3 С2Р3 (аналог 32-32-2-11) | 32,0 | 5,0-35,0 | ||||
| Клапан МКПВ 10/3С3Р | 10 | 6,3 | 0,3-0,7 | 80,0 | Электромагнитное управление разгрузкой, нормально разгруженный | 3,45 |
| Клапан МКПВ 10/3С3Р1 (аналог 10-10-2-133(-131,-132)) | 10,0 | 0,5-12,5 | ||||
| Клапан МКПВ 10/3С3Р2 (аналог 10-20-2-133(-131,-132)) | 20,0 | 2,0-25,0 | ||||
| Клапан МКПВ 10/3С3Р3 (аналог 10-32-2-133(-131,-132)) | 32,0 | 5,0-35,0 | ||||
| Клапан МКПВ 20/3С3Р | 20 | 6,3 | 0,3-0,7 | 160,0 | 4,15 | |
| Клапан МКПВ 20/3С3Р1 (аналог 20-10-2-133(-131,-132)) | 10,0 | 0,5-12,5 | ||||
| Клапан МКПВ 20/3С3Р2 (аналог 20-20-2-133(-131,-132)) | 20,0 | 2,0-25,0 | ||||
| Клапан МКПВ 20/3С3Р3 (аналог 20-32-2-133(-131,-132)) | 32,0 | 5,0-35,0 | ||||
| Клапан МКПВ 32/3С3Р | 32 | 6,3 | 0,3-0,7 | 320,0 | 5,95 | |
| Клапан МКПВ 32/3С3Р1 (аналог 32-10-2-133(-131,-132)) | 10,0 | 0,5-12,5 | ||||
| Клапан МКПВ 32/3С3Р2 (аналог 32-20-2-133(-131,-132)) | 20,0 | 2,0-25,0 | ||||
| Клапан МКПВ 32/3С3Р3 (аналог 32-32-2-133(-131,-132)) | 32,0 | 5,0-35,0 |
Габаритные и присоединительные размеры МКПВ-10/3С3, МКПВ-20/3С3, МКПВ-32/3С3
|
|
Габаритные и присоединительные размеры МКПВ-10/3С2, МКПВ-20/3С2, МКПВ-32/3С2
|
|
Таблица размеров клапанов предохранительных МКПВ 10/3С2
| Обозначение | H | H1 | B1 | L | L1 | L2 | L3 | L4 | L5 | L6 | D | D1 | D2 |
| МКПВ 10/3 С2В МКПВ 10/3 С3В МКПВ 10/3 С4В |
99 | 20,5 | 80 | 138,5 | 53,8 | - | 22,1 | 47,5 | 21 | 89 | 22 | 14 | 13 |
| МКПВ 10/3 С2Р МКПВ 10/3 С3Р МКПВ 10/3 С4Р |
99 | 20,5 | 80 | 144,5 | 53,8 | - | 22,1 | 47,5 | 21 | 89 | 22 | 14 | 13 |
| МКПВ 10/3 С2П МКПВ 10/3 С3П МКПВ 10/3 С4П |
99 | 20,5 | 80 | 149,5 | 53,8 | - | 22,1 | 47,5 | 21 | 89 | 22 | 14 | 13 |
| МКПВ 10/3 С2П МКПВ 10/3 С3П МКПВ 10/3 С4П |
99 | 20,5 | 80 | 176,5 | 53,8 | - | 22,1 | 47,5 | 21 | 89 | 22 | 14 | 13 |
Таблица размеров клапанов предохранительных МКПВ 20/3С2
| Обозначение | H | H1 | B1 | L | L1 | L2 | L3 | L4 | L5 | L6 | D | D1 | D2 |
| МКПВ 20/3 С2В МКПВ 20/3 С3В МКПВ 20/3 С4В |
99 | 25 | 100 | 146 | 66,7 | 23,8 | 11,1 | 55,6 | 34,5 | 116 | 32 | 23 | 17 |
| МКПВ 20/3 С2Р МКПВ 20/3 С3Р МКПВ 20/3 С4Р |
99 | 25 | 100 | 152 | 66,7 | 23,8 | 11,1 | 55,6 | 34,5 | 116 | 32 | 23 | 17 |
| МКПВ 20/3 С2П МКПВ 20/3 С3П МКПВ 20/3 С4П |
99 | 25 | 100 | 157 | 66,7 | 23,8 | 11,1 | 55,6 | 34,5 | 116 | 32 | 23 | 17 |
| МКПВ 20/3 С2П МКПВ 20/3 С3П МКПВ 20/3 С4П |
99 | 25 | 100 | 184 | 66,7 | 23,8 | 11,1 | 55,6 | 34,5 | 116 | 32 | 23 | 17 |
Таблица размеров клапанов предохранительных МКПВ 32/3С2
| Обозначение | H | H1 | B1 | L | L1 | L2 | L3 | L4 | L5 | L6 | D | D1 | D2 |
| МКПВ 32/3 С2В МКПВ 32/3 С3В МКПВ 32/3 С4В |
99 | 25 | 113 | 151 | 88,9 | 31,8 | 12,7 | 76,2 | 42,5 | 152 | 39 | 29 | 19 |
| МКПВ 32/3 С2Р МКПВ 32/3 С3Р МКПВ 32/3 С4Р |
99 | 25 | 113 | 157 | 88,9 | 31,8 | 12,7 | 76,2 | 42,5 | 152 | 39 | 29 | 19 |
| МКПВ 32/3 С2П МКПВ 32/3 С3П МКПВ 32/3 С4П |
99 | 25 | 113 | 162 | 88,9 | 31,8 | 12,7 | 76,2 | 42,5 | 152 | 39 | 29 | 19 |
| МКПВ 32/3 С2П МКПВ 32/3 С3П МКПВ 32/3 С4П |
99 | 25 | 113 | 189 | 88,9 | 31,8 | 12,7 | 76,2 | 42,5 | 152 | 39 | 29 | 19 |
Гидравлические схемы клапанов давления МКПВ
| Номер схемы | Обозначение клапана | Условное обозначение | Функция клапана |
| 2 | МКПВ-10/3 С2Р, МКПВ-10/3 С2Р1, МКПВ-10/3 С2Р2, МКПВ-10/3 С2Р3 МКПВ-20/3 С2Р, МКПВ-20/3 С2Р1, МКПВ-20/3 С2Р2, МКПВ-20/3 С2Р3 МКПВ-32/3 С2Р, МКПВ-32/3 С2Р1, МКПВ-32/3 С2Р2, МКПВ-32/3 С2Р3 |
![]() |
Предохранение гидросистемы от перегрузок, поддержание настроенного давления и дистанционная разгрузка путём соединения отверстия Х со сливной линией |
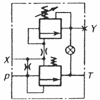
| 3 | МКПВ-10/3С3Р, МКПВ-10/3С3Р1, МКПВ-10/3С3Р2, МКПВ-10/3С3Р3 МКПВ-20/3С3Р, МКПВ-20/3С3Р1, МКПВ-20/3С3Р2, МКПВ-20/3С3Р3 МКПВ-32/3С3Р, МКПВ-32/3 С3Р1, МКПВ-32/3 С3Р2.24, МКПВ-32/3 С3Р3.110 |
![]() |
Предохранение гидро системы от перегрузок и поддержание настроенного давления при включённом электромагните пилота, разгрузка – при выключённом |
| 4 | МКПВ-10/3С4Р, МКПВ-10/3 С4Р1, МКПВ-10/3 С4Р2, МКПВ-10/3С4Р3 МКПВ-20/3С4Р, МКПВ-20/3 С4Р1, МКПВ-20/3 С4Р2, МКПВ-20/3С4Р3 МКПВ-32/3С4Р, МКПВ-32/3С4Р1, МКПВ-32/3С4Р2, МКПВ-32/3С4Р1 |
![]() |
Предохранение гидро системы от перегрузок и поддержание настроенного давления при выключённом электромагните пилота, разгрузка – при включённом |
Гидроклапан МКПВ 32/3С2Р1
|
|
Основные параметры клапана МКПВ-32/3С2Р1 УХЛ4: — номинальное давление настройки 10 МПа; — вес не более 6 кг. |
Гидроклапан МКПВ 10/3С2Р2
|
|
Основные параметры клапана МКПВ-10/3С2Р2 УХЛ4: — номинальное давление настройки 20 МПа; — вес не более 3,6 кг. |
Гидроклапан МКПВ 20/3С2Р2
|
|
Основные параметры клапана МКПВ-20/3С2Р2 УХЛ4: — номинальное давление настройки 20 МПа; — вес не более 3,5 кг. |
Гидроклапан МКПВ 32/3С2Р3
|
|
Основные параметры клапана МКПВ-32/3С2Р3 УХЛ4: — номинальное давление настройки 32 МПа; — вес не более 6 кг. |
Пример условного обозначения гидроклапана предохранительного стыкового монтажа с дистанционным гидравлическим управлением разгрузкой, с диаметром условного прохода 20 мм, с номинальным рабочим давлением 10 МПа, с диапазоном регулировки давления 2,0-25 МПа, с номинальным расходом рабочей жидкости 160 л/мин, для районов с умеренным и холодным климатом:
- Цена: от 100 ₴





















