Пневмораспределители В63-34А-01 (пневмоуправление, стыковое присоединение)
|
|
Пневмораспределители В63 34А 01 УХЛ4 со стыковым присоединением к пневмолиниям, четырехлинейные двухпозиционные с пневматическим одно- и двухсторонним управлением и пружинным или пневматическим возвратом предназначены для изменения потоков сжатого воздуха в пневмоприводах различного назначения. |
Основные характеристики пневмораспределителя В63 стыкового присоединения
| Параметр | Нормы для типоразмеров | |||
| В63-14А-01 | В63-34А-01 | В63-15А-01 | В63-25А-01 | |
| Условный проход, мм | 16 | 16 | 20 | 20 |
| Номинальное / минимальное давление, МПа | 0,63 / 0,25 | |||
| Минимальное давление управления, МПа, не более | 0,16 | 0.25 | 0.16 | 0,1 + 0,5Рпит |
| Пропускная способность Кv, м³/мин, не менее | 2,8 | 2,8 | 5,0 | 5,0 |
| Максимальное число срабатываний пневмораспределителя в минуту | 250 | |||
| Масса, кг | 1,2 | 1,15 | 2,1 | 2,05 |
Распределители В63-14А В63-15А В63-25А В63-24А В63-35А В63-34А - 01 работают на сжатом воздухе, очищенном не грубее 10 класса загрязненности по ГОСТ 17433-80 и содержащем распыленное масло.
Структура условного обозначения пневмораспределителей В63
| В63 | - | 2 | 5А | - | 01 | УХЛ4 | |||
|
|
Климатическое исполнение по ГОСТ 15150 (УХЛ4, О4)
|
||||||||
|
Присоединение пневмолиний - стыковое
|
|||||||||
|
Условный проход: 4 - 16мм; 5 - 20мм.
|
|||||||||
|
Способ управления: 1 - двухстороннее управление; 2 - одностороннее управление и пневматический возврат; 3 - одностороннее управление и пружинный возврат.
|
|||||||||
|
Пневмораспределитель с пневматическим управлением
|
|||||||||
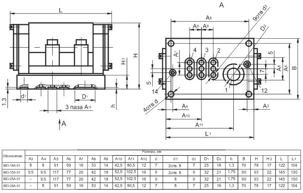
Габаритные и присоединительные размеры пневмораспределителей В63 (стыковое присоединение)

Пневмораспределитель В63-14А-01
|
|
Основные параметры распределителя В63-14А-01 УХЛ4: — возврат золотника - пневматический; |
Пневмораспределитель В63-24А-01
|
|
Основные параметры распределителя В63-24А-01 УХЛ4: — возврат золотника - пневматический; |
Пневмораспределитель В63-34А-01
|
|
Основные параметры распределителя В63 34А 01 УХЛ4: — возврат золотника - пневматический; — пневмоуправление - двухстороннее; |
Пневмораспределитель В63-25А-01
|
|
Основные параметры распределителя В63-25А-01 УХЛ4: — возврат золотника - пневматический; |
Пневмораспределитель В63-15А-01
|
|
Основные параметры распределителя В63 15А 01 УХЛ4: — возврат золотника - пневматический; — пневмоуправление - двухстороннее; |
Пневмораспределитель В63-35А-01
|
|
Основные параметры распределителя В63-35А-01 УХЛ4: — возврат золотника - пружинный; |
Пример записи условного обозначения распределителя четырехлинейного, с пневматическим двусторонним управлением, условным проходом 16 мм со стыковым присоединением пневмолиний, климатического исполнения УХЛ, категории размещения 4:
- В63-14А-01 УХЛ4 ТУ2-053-1633-83;
- то же, с односторонним управлением и пневматическим возвратом, условным проходом 20 мм со стыковым присоединением пневмолиний, климатического исполнения О, категории размещения 4:
- В63-15А О4 ТУ2-053-1633-83.
- Цена: от 1 000 ₴


















