
Пневмораспределитель крановый В71-23М-01
от 1 000 ₴
Показать оптовые цены- В наличии
- Оптом и в розницу
- Код: в71
- +380 (93) 845-70-32Отдел продаж
Пневмораспределители В71-23М-01

Пневмораспределители крановые В71-23М-01, В71 23М 01 УХЛ4 четырехлинейные трёхпозиционные с условным проходом 6, 10 и 16 мм с ручным управлением, рассчитанные на номинальное давление 1 МПа (10 кг/см²), предназначены для изменения направлений потоков сжатого воздуха в пневмоприводах различного назначения и поставляются для нужд народного хозяйства, комплектации станков, роботов и других различных механизмов имеющих пневмопривод.
Желательна эксплуатация в помещениях, с искусственно регулируемыми климатическими условиями.
Распределители В71- рассчитаны для работы на сжатом воздухе, очищенном не грубее 10 класса загрязненности по ГОСТ 17433—80 и содержащем распыленное масло вязкостью 10...35 мм /с (сСт) при температуре +50С° с концентрацией из расчета 2...4 капли/м3, приведенного к условиям по ГОСТ 19862-87.
Присоединение пневмолиний кранового распределителя В71-24М-01(02), В71-23М-01(02), В71-22М-01(02), В72-24М-01(02), В72-23М-01(02), В72-22М-01(02) - резьбовое.
ПРИМЕЧАНИЕ: распределители могут быть поставлены в комплекте с пневмоглушителями (в комплект поставки не входят).
Подробные описания:
Пневмораспределители В71-24М-01
Пневмораспределители В71-23М-01
Пневмораспределители В71-22М-02
Обобщенные данные по распределителям крановым В71-24М, В71-23М, В71-22М
Варианты исполнений пневмораспределителей крановых В71
| Обозначение | Ду, мм | Kv, м3/ч | Присоединение | Линий/ позиций | Исполнение |
| В71-23М-01 | 10 | 1,6 | К3/8", боковое | 4/3 | В средней позиции полости потребителя сообщены с атмосферой |
| В71-23М-02 | К3/8", нижнее | ||||
| В71-24М-01 | 16 | 3,6 | К1/2", боковое | В средней позиции полости потребителя сообщены с атмосферой | |
| В71-24М-02 | К1/2", нижнее | ||||
| В72-23М-01 | 10 | 1,6 | К3/8", боковое | В средней позиции все линии перекрыты | |
| В72-23М-02 | К3/8", нижнее | ||||
| В72-24М-01 | 16 | 3,6 | К1/2", боковое | В средней позиции все линии перекрыты | |
| В72-24М-02 | К1/2", нижнее |
Основные технические характеристики
| Параметр | Нормы для типоразмеров | |
| В71-23М-01 В71-23М-02 В72-23М-01 В72-23М-02 |
В71-24М-01 В71-24М-02 В72-24M-01 В72-24М-02 |
|
| Условный проход, мм | 10 | 16 |
| Номинальное давление, МПа | 1,0 | |
| Пропускная способность, Кv по ГОСТ14691-69, м3/ч, не менее | 1,6 | 3,6 |
| Усилие переключения при номинальном давлении, Н (кгс), не более | 39,2 (4) | |
| Утечки воздуха из-под золотника при номинальном давлении, см3/мин, не более | 500 | |
| Число линий | 4 | |
| Полный 90%-ный ресурс, циклов, не менее | 4*106 | |
| Масса, кг | 0,9 | 1,02 |
| Присоединительные резьбы по ГОСТ6111-52 | К3/8" | К1/2" |
| Габаритные размеры, мм | 70х71х107 | 86х78х115 |
Таблица соответствия устаревших наименований
Размеры крановых распределителей В71-24М-01, В71-24М-02, В71-23М-01, В71-23М-02, В71-22М-01, В71-22М-02
|
|
|
||||||||||||||||||||||||||||||||||||||||||||||||||||||||||||||||||||||||||||||||||||||||||||||||||||||||||||||||||||||||||||||||||||||||||||||||||||||||||||||
|
|
||||||||||||||||||||||||||||||||||||||||||||||||||||||||||||||||||||||||||||||||||||||||||||||||||||||||||||||||||||||||||||||||||||||||||||||||||||||||||||||
Пневмораспределитель В71-24М-01 УХЛ4
|
|
Основные параметры распределителя кранового В71 24М 01 УХЛ4: — номинальное давление на входе 1 МПа; — общая утечка воздуха, см3/мин, не более 200; — присоединительная резьба по ГОСТ6111-52 - К1/2"; — масса распределителя, не более 0,9 кг.; |
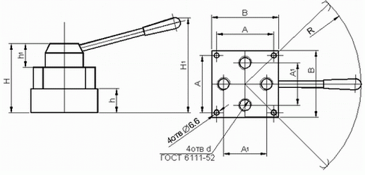
Пневмораспределитель В71-23М-01 УХЛ4
|
|
Основные параметры распределителя кранового В71 23М 01 УХЛ4: — номинальное давление на входе 1 МПа; — общая утечка воздуха, см3/мин, не более 200; — присоединительная резьба по ГОСТ6111-52 - К3/8"; — масса распределителя, не более 0,9 кг.; |
Пневмораспределитель В71-22М-01 УХЛ4
|
|
Основные параметры распределителя кранового В71 22М 01 УХЛ4: — номинальное давление на входе 1 МПа; — общая утечка воздуха, см3/мин, не более 200; — присоединительная резьба по ГОСТ6111-52 - К1/4"; — масса распределителя, не более 0,7 кг.; |
Пневмораспределитель В71-24М-02 УХЛ4
|
|
Основные параметры распределителя кранового В71 24М 02 УХЛ4: — номинальное давление на входе 1 МПа; — общая утечка воздуха, см3/мин, не более 200; — присоединительная резьба по ГОСТ6111-52 - К1/2"; — масса распределителя, не более 0,9 кг.; |
Пневмораспределитель В71-23М-02 УХЛ4
|
|
Основные параметры распределителя кранового В71 23М 02 УХЛ4: — номинальное давление на входе 1 МПа; — общая утечка воздуха, см3/мин, не более 200; — присоединительная резьба по ГОСТ6111-52 - К3/8"; — масса распределителя, не более 0,9 кг.; |
Пневмораспределитель В71-22М-02 УХЛ4
|
|
Основные параметры распределителя кранового В71 22М 02 УХЛ4: — номинальное давление на входе 1 МПа; — общая утечка воздуха, см3/мин, не более 200; — присоединительная резьба по ГОСТ6111-52 - К1/4"; — масса распределителя, не более 0,7 кг. |
Пример записи условного обозначения распределителя кранового, четырехлинейного с условным проходом 16 мм, с боковым резьбовым присоединением пневмолиний, в среднем положении полости сообщены с атмосферой, климатическое исполнение УХЛ, категории размещения 4:
- пневмораспределитель крановый В71-24М-01 УХЛ4 ТУ2-053-1787-86.
То же, но с условным проходом 10 мм, с нижним резьбовым присоединением пневмолиний, в средней позиции все линии перекрыты, климатическое исполнение О, категория размещения 4:
- пневмораспределитель крановый В72-23М-02 О4 ТУ2-053-1787-86.
- Цена: от 1 000 ₴


















