
Муфта електромагнітна ЕМ-22, ЕМ 22А
від 100 ₴
Показати оптові ціниМінімальна сума замовлення на сайті — 300 ₴
- В наявності
- Оптом і в роздріб
- Код: эм
- +380 (93) 845-70-32Відділ продажів
Муфти електромагнітні ЕМ-22, ЕМ-22А
|
Муфта ЕМ 62 — ЕМ 12 |
Електромагнітні муфти (електромуфти) ЕМ22, ЕМ-22, ЕМ 22, ЕМ 22А, ЕМ-22А, ЕМ22А УХЛ4 використовують для дистанційного комутування кінематичному ланцюгу. Також муфти фрикційні електромагнітні застосовуються в налаштуванні автоматичних приводів механізмів металорізального обладнання тощо. Керування муфтою забезпечує перемикання ступенів чисел оберту в трансмісії, а також механізмах пускового та реверсивного призначення. Поряд із цим муфта електромагнітна використовується в організації керування циклічними неточними переміщеннями, слугуючи зчепленим або пусковим пристроєм. Муфти ЭМ-12(22,32,42,52,62)А призначені для автоматизації приводу металорізальних верстатів та інших машин і можуть бути використані для: - розгін, гальмування та реверсування навантаження за високої динамічної якості перехідних процесів; - перемикання ступенів передач; - короткочасне імпульсне регулювання частоти обертання; - обмеження пікових навантажень у передачах. |
||
Технічні характеристики муфт ЕМ
|
Тип
|
Номінальний передавальний момент кгс, м
|
Максимальна швидкість обертання, об/хв
|
Постійний струм
|
Вага кг
|
|
|
Номінальна напруга, в
|
Струм (справоч-
ний), а |
||||
|
ЕМ-12
ЕМ-12А
|
1.6
|
-
|
24
|
0.23
|
1.1
|
|
ЕМ-22
ЕМ-22А |
4
|
3000
|
0.36
|
1.6
|
|
|
ЕМ-32
ЕМ-32А |
6.3
|
-
|
0.73
|
2.6
|
|
|
ЕМ-42
ЕМ-42А |
16
|
2000
|
0.8
|
4
|
|
|
ЕМ-52
ЕМ-52А |
40
|
1500
|
0.93
|
7.5
|
|
|
ЕМ-62
ЕМ-62 А |
100
|
1000
|
2.07
|
16.2
|
|
Примітка. Муфти ЕМ-12 ЕМ-62 - зі шліцьовим отвором у корпусі, муфти ЕМ-12А — ЕМ-62 А - з гладким отвором у корпусі.
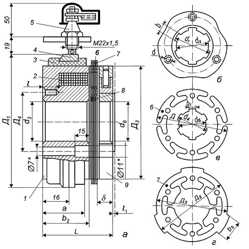
Конструкція електромуфт ЕМ

Муфти ЕМ 12(22,32,42,52,62), а також ЕМ 12А (22А,32А,42А,52А,62А) складаються з таких основних частин:
Корпуси 1 (мал. 1) із закладеною в нього котушкою 2. Один кінець котушки з'єднується з корпусом, інший із контактним кільцем 4, запресованим у пластмасовому кільці 3;
Фрикційного пристрою, що складається зі сталевих дисків двох конфігурацій: диска 6 зі шліцьовим отвором і диска 7 зі шліцьовими виступами по зовнішньому діаметру, а також пружинних шайб 8, які слугують для розведення дисків у разі вимкнення муфти;
Якоря 9. Струмопідведення здійснюється через щітку, закріплену в щіткотримачі 5.

Щоб уникнути залипання муфти, потрібно, щоб торець якоря у відпущеному стані, не торкався сталевого повідця 1 (мал. 2, а). Це можна забезпечити за допомогою немагнітної прокладки 2 (товщений не менш ніж 2 мм) між якором і повідцем 1 або кільця 3 (мал. 2), б) на валу (краще з немагнітного матеріалу), що обмежує хід якоря.
Щоб уникнути надмірного нагрівання дисків, а отже, і всієї муфти у разі відпущеного якоря величина ходу якоря l1 має бути не менш зазначеною в таблиці.
Необхідно також стежити, щоб повідець не заходив на корпус муфти понад 1-2 мм. Перевищення цієї величини призведе до зменшення передане моменту.
Під час монтажу муфти треба стежити за тим, щоб не пошкодити шліфувані поверхні корпусу, дисків і якорі муфти.
Нормальне положення осі муфти — горизонтальне. Встановлення муфти з вертикальним розташуванням осі допустиме лише вниз якорям і за швидкостей, що не перевищують 60% від найбільшої допустимої швидкості обертання.
Муфта електромагнітна ЕМ-12
|
|
Основні параметри муфти електромагнітної (електромуфти) ЕМ 12 (А): Мпн – 16Нм / Номінальний передавальний момент
U – 24 V / Номінальна напруга котушки
n (макс) — 3000 об./хв/ Максимальна швидкість обертання
а-0,23 ампер/ток (довідковий)
вага — 1,1 кг. |
Муфта електромагнітна ЕМ-22
|
|
Основні параметри муфти електромагнітної (електромуфти) ЕМ 22 (А) УХЛ4: Мпн – 40Нм / Номінальний передавальний момент
U – 24 V / Номінальна напруга котушки
n (макс) — 3000 об./хв/ Максимальна швидкість обертання
а-0,36 ампер/ток (довідковий) вага — 1,6 кг. |
Муфта електромагнітна ЕМ-32
|
|
Основні параметри муфти електромагнітної (електромуфти) ЕМ 32 (А): Мпн – 63Нм / Номінальний передавальний момент
U – 24 V / Номінальна напруга котушки
n (макс) — 3000 об./хв/ Максимальна швидкість обертання
а-0,76 ампер/ток (довідковий)
вага — 2,6 кг. |
Муфта електромагнітна ЕМ-42
|
|
Основні параметри муфти електромагнітної (електромуфти) ЕМ 42 (А): Мпн – 160Нм / Номінальний передавальний момент
U – 24 V / Номінальна напруга котушки
n (макс) — 2000 об/хв/хв Максимальна швидкість обертання
а-0,8 ампер/ток (довідковий)
вага — 4 кг. |
Муфта електромагнітна ЕМ-52
|
|
Основні параметри муфти електромагнітної (електромуфти) ЕМ 52 (А): Мпн – 400Нм / Номінальний передавальний момент
U – 24 V / Номінальна напруга котушки
n (макс) — 2500 об/хв/хв Максимальна швидкість обертання
а-0,8 ампер/ток (довідковий)
вага 7,5 кг. |
Муфта електромагнітна ЕМ-62
|
|
Основні параметри муфти електромагнітної ЕМ 62 (А) УХЛ4: Мпн – 500Нм / Номінальний передавальний момент
U – 24 V / Номінальна напруга котушки n (макс) — 2000 об/хв/хв Максимальна швидкість обертання |
- Ціна: від 100 ₴
















