
Насос смазочный С12-43
от 100 ₴
Показать оптовые ценыМинимальная сумма заказа на сайте — 300 ₴
- В наличии
- Оптом и в розницу
- Код: с12
- +380 (93) 845-70-32Отдел продаж
Насосы С12-43 пластинчатые смазочные
|
|
Насосы пластинчатые С12 43 УХЛ4 для смазки однократного действия, нерегулируемые применяются для подачи под давлением минерального масла в смазочные системы металлорежущих станков и других машин. Насосы С12-41(42,43,44) выполнены с реверсируемым направлением вращения вала и постоянным направлением потока масла.
Насосы С12-51(52,53,54) имеют постоянное направление вращения - правое (по направлению вращения часовой стрелки, если смотреть со стороны привода). Насосы работают на минеральных маслах индустриальных общего назначения по ГОСТ 20799-75, индустриальных гидравлических серии ИГП и ВНИИНП-403 по ГОСТ 16728-78, а также других марок с кинематической вязкостью от 17-213 мм²/c (сСт*) и температурой от +10 до +50° C. Класс чистоты масла не грубее 12 по ГОСТ 17216-71, тонкость фильтрации масла 25мкм. Насосы C12-4(5) соответствуют ТУ 2-053-1764-85.
В заказе необходимо указывать типоразмер насоса, климатическое испонение, категорию, например: С12-53-УХЛ4.
Насосы С12-4, С12-5 в настоящее время сняты с производства, изготавливались с конусной установочной поверхностью. Насосы С12-4М-10(4;6,3) С12-5М-10(2;3,2;4;6,3) производятся в настоящий момент. *сСт - сантистокс, единица измерения кинематической вязкости жидкости (1 сСт = 1 мм²/с).
|
||
Основные параметры насосов С12-4, С12-5
Устройство и принцип действия насосов С12-4, С12-5
.jpg)
В чугунном корпусе (6) расположено кольцо(3). Наружная поверхность вала касается внутренней поверхности кольца, разделяя камеры всасывания и нагнетания. В бронзовой втулке (5), запрессованной в корпусе, вращается вал (4), расположенный концентрично относительно наружного диаметра кольца (3). Вал имеет паз, в котором установлены две пластины (2). Между пластинами находится пружина (7), которая прижимает пластины к внутренней поверхности кольца. Кольцо (3 ) в корпусе насоса фиксируется штифтом (1). Насос закрыт крышкой (8). Стык между корпусом и крышкой уплотняется резиновым кольцом (9). Крышка крепится к корпусу насоса винтами (10).
Работа насосов
На первом этапе происходит увеличение объема камеры всасывания в тот момент вращения вала, когда одна из пластин проходит отверстие всасывания и открывает его - происходит всасывание масла. После того, как другая пластина откроет отверстие нагнетания, объем камеры нагнетания уменьшается и масло выкатывается в нагнетательный трубопровод.
Рекомендации по установке и монтажу
- Обеспечивать удобный доступ к нему для монтажа и наблюдения за работой.
- Обеспечить установку с высотой всасывания не более 0, 5 м.
- Не использовать для наружной установки ( не имеет специального уплотнения вала).
- Соединение вала насоса с приводным валом выполнять при помощи упругой (эластичной) муфты или зубчатого колеса.
- Валы насоса и привода сцентрировать (неточность установки вызывает преждевременный износ вала и заедание деталей насоса).
- Максимальное радиальное смещение осей валов 0,05 мм.
- Максимальный угол перекоса 30º.
- Для изменения направления вращения - всасывающий и нагнетательный трубопроводы поменять местами.
Всасывающий и нагнетательный трубопроводы должны быть прямыми или с плавными изгибами. Всасывающий трубопровод должен быть по возможности коротким с минимальным количеством изгибов. Не следует устанавливать на всасывающим трубопроводе какие-либо дополнительные трубопроводы. Присоединение всасывающего трубопровода к насосу должно иметь надежное уплотнение, исключающее возможность подсасывания воздуха.
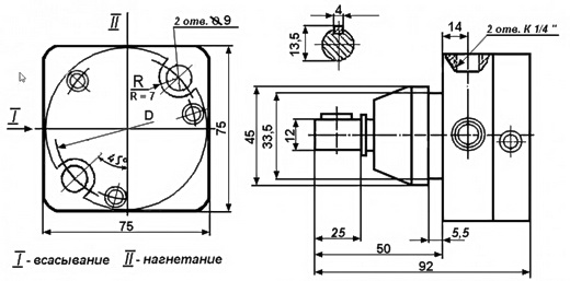
Габаритные и присоединительные размеры насосов смазочных С12
Размеры насосов С12-41, С12-42, С12-43

Размеры насосов С12-44

Размеры насосов С12-51, С12-52, С12-53

Размеры насосов С12-54

Структура условного обозначение насосов С12

Насос пластинчатый смазочный С12-53
|
|
Основные параметры пластинчатого смазочного насоса С12 53 УХЛ4: |
Насос пластинчатый смазочный С12-52
|
|
Основные параметры пластинчатого смазочного насоса С12 52 УХЛ4: |
Насос пластинчатый смазочный С12-51
|
|
Основные параметры пластинчатого смазочного насоса С12 51 УХЛ4: |
Насос пластинчатый смазочный С12-54
|
|
Основные параметры пластинчатого смазочного насоса С12 54 УХЛ4: |
Насос пластинчатый С12-43
|
|
Основные параметры пластинчатого смазочного насоса С12 43 УХЛ4: |
Насос пластинчатый С12-42
|
|
Основные параметры пластинчатого смазочного насоса С12 42 УХЛ4: |
Пример условного обозначения насоса пластинчатого для смазки, давление на выходе 0,25 МПа, направление вращения вала реверсируемое, модернизированный, рабочий объём 2,0 см³, климатическое исполнение для районов с умеренным и холодным климатом категория размещения - вентилируемые помещения, без прямого попадания лучей света и пыли ГОСТ 15150-69:
- Цена: от 100 ₴











