
Насос мастильний С12-51
від 100 ₴
Показати оптові ціниМінімальна сума замовлення на сайті — 300 ₴
- В наявності
- Оптом і в роздріб
- Код: с12
- +380 (93) 845-70-32Відділ продажів
Насоси С12-51 пластинчасті мастильні
|
|
Насоси пластинчасті С12 51 УХЛ4 для змащення одноразової дії, нерегульовані, застосовуються для подавання під тиском мінеральної оливи в мастильні системи металорізальних верстатів та інших машин. Насоси С12-41(42,43,44) виготовлені з реверсованим напрямком обертання валу та постійним напрямком потоку оливи.
Насосы С12-51(52,53,54) мають постійний напрямок обертання — правий (за напрямком обертання годинникової стрілки, якщо дивитися з боку приводу). Насоси працюють на мінеральних оливах індустріальних загального призначення за ГОСТ 20799-75, індустріальних гідравлічних серії ІГП і ВНІІНП-403 за ГОСТ 16728-78, а також інших марок із кінематичною в'язкістю від 17-213 мм2/c (ст*) і температурою від +10 до +50 °C. Клас чистоти олії не грубіше за 12 за ГОСТ 17216-71, тонкість фільтрації оливи 25 мкм. Насоси C12-4(5) відповідають ТУ 2-053-1764-85.
У замовленні необхідно вказувати типорозмір насоса, кліматичне висновування, категорію, наприклад: С12-53-УХЛ4.
Насоси С12-4, С12-5 зараз зняті з виробництва, виготовлялися з конусною установною поверхнею. Насоси С12-4М-10(4;6,3) С12-5М-10(2;3,2;4;6,3) виробляються зараз. *сСт - сантистокс, одиниця вимірювання кінематичної в'язкості рідини (1 сСт = 1 мм2/с).
|
||
Основні параметри насосів С12-4, С12-5
Пристрій і принцип дії насосів С12-4, С12-5
.jpg)
У чавунному корпусі (6) розташоване кільце (3). Зовнішня поверхня вала торкається внутрішньої поверхні кільця, розділяючи камери всмоктування й нагнітання. У бронзовій втулці (5), запресованій у корпусі, обертається вал (4), розташований концентрально щодо зовнішнього діаметра кільця (3). Вал має паз, у якому встановлені дві пластини (2). Між пластинами розміщена пружина (7), яка притискає пластини до внутрішньої поверхні кільця. Кільце (3) у корпусі насоса фіксується штифтом (1). Насос закритий кришкою (8). Потиск між корпусом і кришкою ущільнюється гумовим кільцем (9). Кришка кріпиться до корпусу насоса гвинтами (10).
Робота насосів
На першому етапі відбувається збільшення об'єму камери всмоктування в той момент обертання вала, коли одна з пластин проходить отвір всмоктування і відкриває його — відбувається всмоктування оливи. Після того, як інша пластина відкриє отвір нагнітання, об'єм камери нагнітання зменшується й олія викочується в нагнітальний трубопровод.
Рекомендації щодо встановлення та монтажу
- Забезпечувати зручний доступ до нього для монтажу та спостереження за роботою.
- Забезпечити встановлення з висотою всмоктування не більш ніж 0,5 м.
- Не використовувати для зовнішнього встановлення (не має спеціального ущільнення вала).
- З'єднання вала насоса з приводним валом виконувати за допомогою пружної (еластичної) муфти або зубчастого колеса.
- Вали насоса та приводу сцентрувати (неточність встановлення викликає передчасне знос вала та заїдання деталей насоса).
- Максимальне радіальне зміщення осей валів 0,05 мм.
- Максимальний кут перекосу 30o.
- Для зміни напрямку обертання — всмоктувальний і нагнітальний трубопроводини поміняти місцями.
Всмоктувальний і нагнітальний трубопроводини мають бути прямими або з плавними вигинами. Всмоктувальний трубопровід має бути за можливістю коротким із мінімальною кількістю вигинів. Не слідує встановлювати на всмоктувальний трубопровід будь-які додаткові трубопроводи. Приєднання всмоктувального трубопроводу до насоса має мати надійне ущільнення, що запобігає можливості підсмоктування повітря.
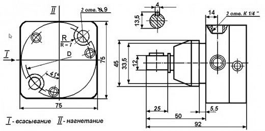
Габаритні та приєднувальні розміри насосів мастильних С12
Розміри насосів С12-41, С12-42, С12-43

Розміри насосів С12-44

Розміри насосів С12-51, С12-52, С12-53

Розміри насосів С12-54

Структура умовного позначення насосів С12

Насос пластинчастий мастильний С12-53
|
|
Основні параметри пластинчастого мастильного насоса С12 53 УХЛ4: |
Насос пластинчастий мастильний С12-52
|
|
Основні параметри пластинчастого мастильного насоса С12 52 УХЛ4: |
Насос пластинчастий мастильний С12-51
|
|
Основні параметри пластинчастого мастильного насоса С12 51 УХЛ4: |
Насос пластинчастий мастильний С12-54
|
|
Основні параметри пластинчастого мастильного насоса С12 54 УХЛ4: |
Насос пластинчастий С12-43
|
|
Основні параметри пластинчастого мастильного насоса С12 43 УХЛ4: |
Насос пластинчастий С12-42
|
|
Основні параметри пластинчастого мастильного насоса С12 42 УХЛ4: |
Приклад умовного позначення насоса пластинчастого для змащення, тиск на виході 0,25 МПа, напрямок обертання вала реверсований, модернізований, робочий об'єм 2,0 см3, кліматичне виконання для районів із помірним і холодним кліматом категорія розміщення — вентильовані приміщення, без прямого потрапляння променів світла та пилу ГОСТ 15150-69:
- Ціна: від 100 ₴

















