
Насос радіально-поршневий 50НР14
від 10 000 ₴
Показати оптові ціни- В наявності
- Оптом і в роздріб
- Код: 50НР
- +380 (93) 845-70-32Відділ продажів
Насоси 50 НР 14 радіально-поршневі нерегульовані
|
|
Насоси радіально-поршневі нерегульовані 50НР14, 50 НР 14 УХЛ4 з постійним за величиною і напрямком потоку рідини призначені для загального застосунку в гідроприводах, що відповідають вимогам ГОСТ 17411-91. |
Основні параметри радіально-поршневих насосів 50НР, 50НС одновідвідних
| Параметри насоса | 50НР-4 50НC-4 |
50НР-6,3 50НC-6,3 |
50НР-8 50НC-8 |
50НР-10 50НC-10 |
50НР-14 50НС-14 |
50НР-16 50НС-16 |
50НР-32 50НС-32 |
50НР-63 50НC-63 |
| Кількість відводів | 1 | 1 | 1 | 1 | 1 | 1 | 1 | 1 |
| Ном. подавання радіально-поршневого насоса, л/хв | 5,5 | 8,6 | 11 | 13,2 | 19,3 | 22 | 44,1 | 80 |
| Частота обертання, об/хв, номінальна | 1500 | 1500 | 1500 | 1500 | 1500 | 1500 | 1500 | 1500 |
| Частота обертання, об/хв, максимальна | 1800 | 1800 | 1800 | 1800 | 1800 | 1800 | 1800 | 1800 |
| Частота обертання, об/хв, мінімальна | 300 | 300 | 300 | 300 | 300 | 300 | 300 | 300 |
| Тиск на виході ном. / макс., МПа | 50 / 63 | 50 / 63 | 50 / 63 | 50 / 63 | 50 / 63 | 50 / 63 | 50 / 63 | 50 / 63 |
| Тиск на вході, МПа, мінімальний | -0,02 | -0,02 | -0,02 | -0,02 | -0,02 | -0,02 | -0,02 | -0,02 |
| Тиск на вході, МПа, максимальний | +0,05 | +0,05 | +0,05 | +0,05 | +0,05 | +0,05 | +0,05 | +0,05 |
| Коефіцієнт подавання, не, менше | 0,93 | 0,93 | 0,93 | 0,93 | 0,93 | 0,93 | 0,93 | 0,91 |
| Маса насоса (без робочої рідини) 50НР/50 НС, кг | 19 / 23,5 | 19 / 23,5 | 24 / 28,5 | 33 / 37,5 | 33 / 37,5 | 39 / 43,5 | 39 / 43,5 | 77 / 81,5 |
Основні параметри радіально-поршневих насосів 50НР, 50НС двовідвідних
| Найменування параметрів | Насос 50НР8/2 Насос 50НC8/2 |
Насос 50НР32/2 Насос 50НС32/2 |
Насос 50НР63/2 Насос 50НC63/2 |
| Кількість відводів | 2 | 2 | 2 |
| Номінальне подавання: радіально-поршневого насоса/ одного відведення насоса/пластчастого насоса, л/хв | 11 / 5,5 / 17,5 | 44,1 / 22 / 17,5 | - |
| Частота обертання, об/хв, номінальна | 1500 | 1500 | 1500 |
| Частота обертання, об/хв, максимальна | 1800 | 1800 | 1800 |
| Частота обертання, об/хв, мінімальна | 300 | 300 | 300 |
| Тиск на виході: радіально-поршневого насоса ном. / макс. ⁇ пластинчастого насоса хв./ макс., МПа | 50 / 63 | 2,5 / 6,3 | 50 / 63 | 2,5 / 6,3 | 50 / 63 | 2,5 / 6,3 |
| Тиск на вході, МПа, мінімальний | -0,02 | -0,02 | -0,02 |
| Тиск на вході, МПа, максимальний | +0,05 | +0,05 | +0,05 |
| Коефіцієнт подавання, не, менше | 0,93 | 0,93 | 0,91 |
| Маса насоса (без робочої рідини) 50НР/50 НС, кг | 24 / 28,5 | 39 / 43,5 | 77 / 81,5 |
Таблиця аналогів радіально-поршневих насосів 50НР, 50НС
| Найменування насоса 50 НР, 50 НС | Аналог |
| Насос 50 HP 4 | Насос НПР 4/50 |
| Насос 50 HP16 | Насос НПР 16/50 |
| Насос 50 HP32 | Насос НПР 32/50 |
| Насос 50 НР32/2 | Насос НПР16х16/50 |
| Насос 50 HС 4 | Насос НПР 4/50 |
| Насос 50 HС 16 | Насос НПР 16/50 |
| Насос 50 HС 32 | Насос НПР 32/50 |
| Насос 50 НС 32/2 | Насос НПР16х16/50 |
Структура умовного позначення насосів 50НР, 50НС
Пристрій і принцип роботи насосів 50НР, 50НС
|
|
1. Вал приводний |
Пристрій насоса з позначенням його основних складових частин наведений на малюнку вище.
Секційний насос 50 НС складається з двох насосів:
- радіально-норшневого насоса високого тиску 50 НР;
- пластинчастого насоса низького тиску БГ2-42 ТУ 2.053-1342-78.
Конструкція раліально-поршневого насоса 50 НР побудована за схемою радіального розташування поршнів 9 з колискою. Приводний ексцентриковий вал насоса 1 спирається на два підшипники 7.
На ексцентрик вала спираються два ряди циліндрів 16 (або один ряд циліндрів для насосів із робочими об'ємами 4; 6,3; 10 і 16 см3) по п'ять у кожному ряду (для насосів із робочим об'ємом 4; 10 см3 по три в кожному ряду).
У циліндри вставлені поршні 9, сферичні головки яких упираються в отвори сфери підп'ятників 29, утворюючи водночас рухоме шарнірне з'єднання. Кожна така пара поршня та підп'ятника вставлена в радіальну розтічку корпусу, у якій розташований нагнітальний клапан (кулька) 14 і є свердлені отвори, що об'єднують усі такі розточування в низці в один або два нагнітальні колектори.
Підп'ятники 29 із завальцьованими в них поршнями затиснути в радіальних розтичках корпусу насоса корпусом клапана 11 (проставлянням) через сідло клапана 15.
Нагнітальний клапан (кулька) притискають до сідла пружиною 13.
У корпусі є раліалький отвір, призначений для підведення (всмоктування) рідини у внутрішню порожнину насоса.
Під час всмоктування робоча рідина з картера (внутрішня порожнина) насоса через пази на ексцентриці вала надходить у робочу камеру, утворену циліндром і поршнем.
Під час нагнітання, коли внутрішній отвір циліндра виходить із зони паза на валу та перекривається, відбувається нагнітання робочої рідини через нагнітальні клапани та колектор нагнітання.
Пластинчастий насос 23 кріпиться до весело-поршневого насоса болтами 24. Привод пластинчастого насоса здійснюється від валу поршневого насоса через муфту.
Ущільнення стику пластинчастого насоса із задньою кришкою поршневого насоса здійснюється ущільненням 25.
Конструкція й принцип роботи пластинчастого насоса типу БГ12-42 викладені тут.
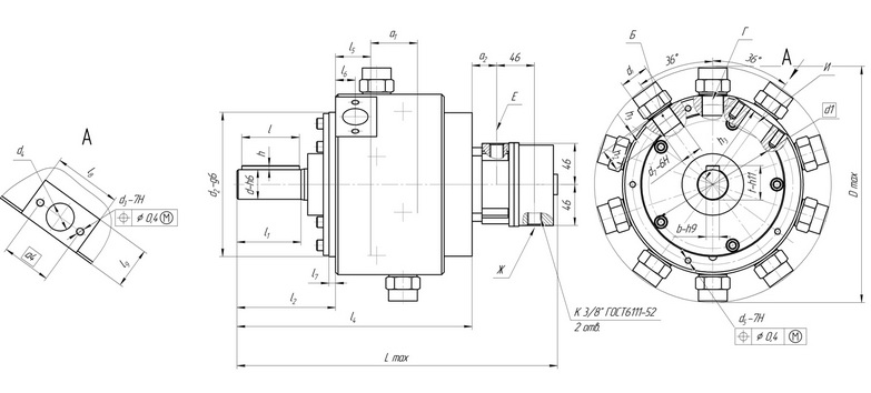
Основні габаритні та приєднувальні розміри насосів нерегульованих 50HP з робочим об'ємом від 4 см3 до 32 см3
|
|
Б - вісь нагнітання 1-го відведення |
| Позначення насоса | L | l1 | l2 | l5 | l6 | l7 | l8 | l9 | h1 | h2 | h3 | α1 | α3 | Д | d | d1 | d2 | d3 | d4 | d5 | d7 | d8 | b | l |
| Насос 50НР-4 | 204 | 58 | 94 | 42 | 21,5 | 8 | 65 | 45 | 2 | 18 | 83 | 56 | 54 | 246 | 36 | 16 | 145 | M10x1,5 | 22 | M8x1,5 | M27x2 | 35 | 10 | 39 |
| Насос 50НР-6,3 | 204 | 58 | 94 | 42 | 21,5 | 8 | 65 | 45 | 2 | 18 | 83 | 56 | 54 | 246 | 36 | 16 | 145 | M10x1,5 | 22 | M8x1,5 | M27x2 | 35 | 10 | 39 |
| Насос 50НР-14 | 227 | 58 | 94 | 27 | 21,5 | 8 | 65 | 45 | 2 | 18 | 83 | 56 | 54 | 246 | 36 | 16 | 145 | M10x1,5 | 22 | M8x1,5 | M27x2 | 35 | 10 | 39 |
| Насос 50НР-16 | 247 | 80 | 120 | 50 | 24 | 8 | 83 | 50 | 2 | 18 | 102 | 56 | 60 | 288 | 36 | 19,5 | 175 | M10x1,5 | 31 | M8x1,5 | M27x2 | 35 | 10 | 39 |
| Насос 50НР-32 | 278 | 80 | 120 | 36 | 24 | 8 | 83 | 50 | 2 | 18 | 102 | 56 | 60 | 288 | 36 | 19,5 | 175 | M10x1,5 | 31 | M8x1,5 | M27x2 | 35 | 10 | 39 |
Насос радіально — поршневий 50НР63
|
|
Основні параметри насоса радіально-поршневого 50 НР 63 УХЛ4: |
Насос радіально — поршневий 50НР4
|
|
Основні параметри насоса радіально-поршневого 50 НР 4 УХЛ4: |
Насос радіально — поршневий 50НР6,3
|
|
Основні параметри насоса радіально-поршневого 50 НР 6.3 УХЛ4: |
Насос радіально — поршневий 50НР16
|
|
Основні параметри насоса радіально-поршневого 50 НР 16 УХЛ4: |
Насос радіально — поршневий 50НР32
|
|
Основні параметри насоса радіально-поршневого 50 НР 32 УХЛ4: |
Насос радіально-поршневий 50НС6,3
|
|
Основні параметри насоса 50 НС 6.3 УХЛ4: |
Насос радіально-поршневий 50НС32
|
|
Основні параметри насоса 50 НС 32 УХЛ4: |
Насос радіально-поршневий 50НС16
|
|
Основні параметри насоса 50 НС 16 УХЛ4: |
Насос радіально-поршневий 50НС4
|
|
Основні параметри насоса 50 НС 4 УХЛ4: |
Приклад умовного позначення насоса радіально-поршневого з номінальним тиском нагнітання 50 МПа, з правим обертанням приводного вала, з робочим об'ємом 32 см3, кліматичне виконання для районів із помірним кліматом:
Насос 50НР32.
- Ціна: від 10 000 ₴


















.jpg)



