Пневморозподільники В71-33А

Пневморозподільники кранові В71-33А, В 71 33 А УХЛ4 чотирилінійні трипозиційні з умовним проходом 10 з ручним керуванням, шестилінійні, розраховані на номінальний тиск 1 МПа (10 кг/см2), призначені для зміни напрямків потоків стисненого повітря в пневмоприводах різного призначення та постачаються для потреб народного господарства, комплектації верстатів, роботів та інших різних механізмів, що мають пневмопривод.
Бажана експлуатація в приміщеннях, зі штучно регульованими кліматичними умовами.
Розподільники В71 — призначені для роботи на стиснутому повітрі, очищеному не грубіше 10 класу забрудненості за ГОСТ 17433-80 і вмісту розпилена олія в'язкістю 10...35 мм/с (сСт) за температури +50 °C з концентрацією з розрахунку 2...4 краплі/м3, наведеного до умов за ГОСТ 19862-87.
Приєднання пневмоліній кранового розподілювача В71-24М (23М,22М)-01 (02) — нарізне.
ПРИМІТКА: розподілювачі можуть бути поміщені в комплекті з пневмоглушниками (до комплекту постачання не входять).
Узагальні дані за розподільниками крановим В71-23М, В71-24М, В71-22М
| Позначення |
Ду, мм |
Kv, м3/год |
Приєднання |
Ліній/позицій |
Виготовлення |
| В71-23М-01 |
10 |
1,6 |
К3/8", боковое |
4/3 |
У середній позиції порожнини споживача узагальнені з атмосферою |
| В71-23М-02 |
К3/8", нижнє |
| В71-24М-01 |
16 |
3,6 |
К1/2", бічне |
У середній позиції порожнини споживача узагальнені з атмосферою |
| В71-24М-02 |
К1/2", нижній |
| В72-23М-01 |
10 |
1,6 |
К3/8", боковое |
У середній позиції всі лінії перекриті |
| В72-23М-02 |
К3/8", нижнє |
| В72-24М-01 |
16 |
3,6 |
К1/2", бічне |
У середній позиції всі лінії перекриті |
| В72-24М-02 |
К1/2", нижній |
Основні технічні характеристики В71
| Параметри |
Норми для типорозмірів |
В71-23М-01
В71-23М-02
В72-23М-01
В72-23М-02 |
В71-24М-01
В71-24М-02
В72-24M-01
В72-24М-02 |
| Умовний прохід, мм |
10 |
16 |
| Номінальний тиск, МПа |
1,0 |
| Пропускна здатність, Кv за ГОСТ14691-69, м3/год, не менш ніж |
1,6 |
3,6 |
| Зусилля перемикання за номінального тиску, Н (кгс), не більш ніж |
39,2 (4) |
| Каченята повітря з-під золотника за номінального тиску, см3/хв, не більш ніж |
500 |
| Число ліній |
4 |
| Повний 90%-й ресурс, циклів, не менш ніж |
4*106 |
| Маса, кг |
0,9 |
1,02 |
| Приєднувальні різі за ГОСТ6111-52 |
К3/8" |
К1/2" |
| Габаритні розміри, мм |
70х71х107 |
86х78х115 |
Таблиця відповідності застарілих найменувань
| Встановлюване найменування |
Активний Аналог |
Умовний прохід, мм |
Пропускна здатність, м3/год |
Номінальний тиск, Мпа |
| Пневморозподільник 12-11 |
В71-23М-02 |
10 |
1,6 |
1,0 |
| Пневморозподільник 12-21 |
В71-23М-01 |
10 |
1,6 |
1,0 |
| Пневморозподільник 16-11 |
В71-24М-02 |
16 |
3,6 |
1,0 |
| Пневморозподільник 16-21 |
В71-24М-01 |
16 |
3,6 |
1,0 |
| Пневморозподільник В71-33М |
В71-33А |
10 |
1,6 |
1,0 |
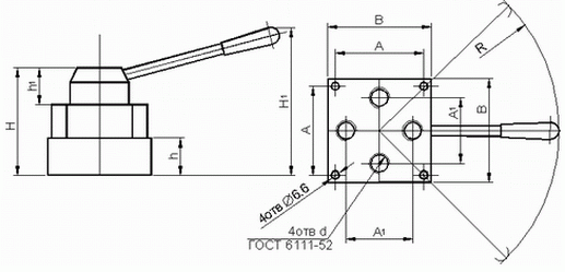
Розміри кранових розподілювачів В71-24М-01, В71-24М-02, В71-23М-01, В71-23М-02, В71-22М-02
|

|

|
| Марка |
Розмір, мм |
| d |
A |
B |
H |
H1 |
h |
h1 |
h2 |
R |
| В71-22М-01 |
К1/4" |
58 |
70 |
72 |
108 |
24,5 |
27 |
12 |
130 |
| В71-23М-01 |
К3/8" |
58 |
70 |
72 |
108 |
24,5 |
27 |
12 |
130 |
| В71-24М-01 |
К1/2" |
72 |
86 |
83 |
120 |
33 |
27 |
18,5 |
130 |
| В72-22М-01 |
К1/4" |
58 |
70 |
72 |
108 |
24,5 |
27 |
12 |
130 |
| В72-23М-01 |
К3/8" |
58 |
70 |
72 |
108 |
24,5 |
27 |
12 |
130 |
| В72-24М-01 |
К1/2" |
72 |
86 |
83 |
120 |
33 |
27 |
18,5 |
130 |
|
| Марка |
Розмір, мм |
| d |
A |
A1 |
B |
H |
H1 |
h |
h1 |
R |
| В71-22М-02 |
К1/4" |
58 |
46 |
70 |
70,5 |
108 |
24,5 |
27 |
130 |
| В71-23М-02 |
К3/8" |
58 |
46 |
70 |
70,5 |
108 |
24,5 |
27 |
130 |
| В71-24М-02 |
К1/2" |
72 |
57 |
86 |
78 |
120 |
33 |
27 |
130 |
| В72-22М-02 |
К1/4" |
58 |
46 |
70 |
70,5 |
108 |
24,5 |
27 |
130 |
| В72-23М-02 |
К3/8" |
58 |
46 |
70 |
70,5 |
108 |
24,5 |
27 |
130 |
| В72-24М-02 |
К1/2" |
72 |
57 |
86 |
78 |
120 |
33 |
27 |
130 |
|
Під час монтажу кранові розподілники закріплюються чотирма гвинтами, для чого в кожному зроблені чотири монтажні отвори діаметром 6,6 мм.
Просторове положення пневморозподільника під час монтажу та роботи — будь-яке.
Кожен розподілювач В71, В72 перед монтажем рекомендується повторно перевірити на міцність під тиском 1,5 МПа (15 барів).
Пневморозподільники В71-24М-01, В71-24М-02 (В71-24А, АВ71-24А)
|

|
Пневморозподільники В71-24М-01, В71-24М-02, В71-24А, АВ71-24А кранові 4/3 (чотири лінійні, трипозиційні) з умовним проходом 16 мм і нарізним з'єднанням К1/2" до пневмомережі.
Характеристики кранів В71-24А, АВ71-24А
Приєднання пневмоліній: нарізне К1/2";
Умовний прохід: 16 мм;
Тиск номінальний: 10 барів (1,0 МПА);
Зусилля на ручці під час перемикання: не більш ніж 39 Н
Маса розподілювача: 1,02 кг.
Норматив: ТУ4151-002-00221287-96.
Відмінність за приєднанням трубопроводів (пневмоліній):
- розподілювачі В71-24М-01, АВ71-24А — на бічних сторонах основи;
- розподілювачі В71-24М-02, В71-24А — приєднувальні отвори на торці основи (знизу);
Схеми розподілу стисненого повітря
|

|
Пневморозподільники В71-24М-01, В71-24М-02
з середнім положенням обидві порожнини споживача
укладені з атмосферою. |
|

|
Пневморозподільники В71-24А, АВ71-24А
у середньому положенні всі лінії перекриті
|
Отвори для приєднання трубопроводів:
1 — підведення повітря;
2, 4 — вихідні отвори для під'єднання до робочого органа (наприклад, до циліндра);
3 — отвір для скидання повітря (вихід повітря в атмосферу).
Приклади позначення під час замовлення кранових розподілювачів В71 і АВ71 (Ду = 16 мм)
Пневморозподільник В71-24М-01
Пневморозподільник В71-24М-02
Пневморозподільник В71-24А
Пневморозподільник АВ71-24А
|
|

|
Пневморозподільники В71-23М-01, В71-23М-02 (В71-23А, АВ71-23А)
|
В71-23М-01, АВ71-23А
|
Кранові розподілювачі В71-23М-01, В71-23М-02, В71-23А, АВ71-23А (4-х лінійні, 3-позиційні) являють собою пневморозподподільники з м'язовим керуванням, з умовним проходом 10 мм і під'єднанням пневмоліній до пневмомережі К3/8".
Характеристики розподілювачів В71-23М-01, В71-23М-02, В71-23А, АВ71-23А
Приєднання пневмоліній: нарізне 3/8";
Умовний прохід: 10 мм;
Тиск номінальний: 10 барів (1,0 МПА);
Зусилля на ручці під час перемикання: не більш ніж 4 кгс;
Маса розподілювача: 0,9 кг.
Норматив: ТУ4151-002-00221287-96.
Відмітність за приєднанням трубопроводів (пневмоліній):
- розподілювачі В71-23М-02, В71-23А — робочі отвори знизу;
- розподілювачі В71-23М-01, АВ71-23А — робочі отвори з боків (з 4 сторін) основи.
Схеми розподілу стисненого повітря
|

|
Розподільники В71-23М-01, АВ71-23А
з середнім положенням обидві порожнини споживача
укладені з атмосферою. |
|

|
Розподільники В71-23М-02, В71-23А
у середньому положенні всі лінії перекриті
|
Отвори для приєднання трубопроводів:
1 — напірна лінія, через яку здійснюється підведення повітря;
2, 4 — робочі отвори;
3 — вихлопний отвір.
Приклади позначення кранових розподілювачів В71 і АВ71 (Ду = 10 мм)
Пневморозподільник В71-23М-01
Пневморозподільник В71-23М-02
Пневморозподільник В71-23А
Пневморозподільник АВ71-23А
|
В71-23М-02, В71-23А
|
Пневморозподільники В71-22М-01, В71-22М-02 (В71-22А, АВ71-22А)
|
В71-22М-01, В72-22М-01
|
Пневморозподільники В71-22М-01, В71-22М-02, В71-22А, АВ71-22А з ручним керуванням є найменшими в серії розподільників В71- та АВ71, мають умовний прохід Ду = 6 мм і приєднувальну конічну різь К1/4". Схема роботи 4/3 (4 лінійні, 3-позиційні).
Характеристики розподілювачів В71-22М-01, В71-22М-02, В71-22А, АВ71-22А
Приєднання пневмоліній: нарізне К1/4";
Умовний прохід: 6 мм;
Тиск номінальний: 10 барів (1,0 МПА);
Зусилля перемикання (не більш ніж): 39 Н (4 кгс);
Маса розподілювача: 0,9 кг.
Норматив: ТУ4151-002-00221287-96.
Відмінність за приєднанням трубопроводів (пневмоліній):
- розподілювачі В71-22М-02, В71-22М-01 — отвори знизу основи (нижній підвод);
- розподілювачі В71-22А, АВ71-22А — робочі отвори з боків (підвод із торців.);
Схеми розподілу стисненого повітря
|

|
Розподільники В71-22М-01, В71-22М-02
з середнім положенням обидві порожнини споживача
укладені з атмосферою. |
|

|
Розподільники В71-22А, АВ71-22А
у середньому положенні всі лінії перекриті
|
Отвори для приєднання трубопроводів:
1 — підведення стисненого повітря;
2, 4 — робочі отвори;
3 — вихлопний отвір.
Приклади позначення кранових розподілювачів В71-2 і АВ71-2 (Ду = 6 мм, К1/4", Рном = 1,0 МПа)
Пневморозподільник В71-22М-01
Пневморозподільник В71-22М-02
Пневморозподільник В71-22А
Пневморозподільник АВ71-22А
|
В71-22М-02, В72-22М-02
|
Приклад записування умовного позначення розподільника кранового, чотирилінійного з умовним проходом 16 мм, з бічним нарізним приєднанням пневмоліній, у середньому положенні порожнини узагальнені з атмосферою, кліматичне виконання УХЛ, категорії розміщення 4:
- пневморозподільник крановий В71-24М-01 УХЛ4 ТУ2-053-1787-86.
Те ж, але з умовним проходом 10 мм, з нижнім нарізним приєднанням пневмоліній, у середній позиції всі лінії перекриті, кліматичне виконання О, категорія розміщення 4:
- пневморозподільник крановий В72-23М-02 ТУ2-053-1787-86.
|