Живильні мастильні імпульсні 2-010-010-010
|

|
Поживники імпульсні мастильні 2-010-010-010-010 испвикористовуються в комплексних мастильних системах і призначені для дозованого подавання мастильного матеріалу (рідкого) до грудок вузлів і механізмів станків, що труться, а також іншого промислового обладнання.
Основні технічні параметри живителів імпульсних одновідвідних і багатовідвідних під час роботи на матеріалі мастильному з кінематичною в'язкістю 100±20 см, вказані в таблиці нижче. Максимальний розрахунковий тиск на вході імпульсного живителя 32 бари (3,2 МПа), на виході — 16 барів (1,6 МПа). Живильники працюють за температури оливи +5...+50 °C і температури довкілля +1...+40 °C.
Приклади позначення під час замовлення:
Приклад умовного позначення живича виготовлення 1 з трьома відводоми, що подається об'ємом 0,05 см3, 0,05 см3, 0,05 см3 для районів із помірним і холодним кліматом категорія розміщення 4:
Поживець імпульсний 1-005-005-005 УХЛ4.
Приклад умовного позначення живильника виконання 2 з п'ятьма відводами, що подається об'ємами 0,2; 0,2; 0,32; 0,32; 0,32 см3 для районів із помірним і холодним кліматом категорія розміщення 4:
Поживець імпульсний 2-020-020-032-032-032 УХЛ4.
|
|
|
Імпульсний живильник (першого и другого типу) складається з литої планки 1, корпусу 2, клапана 4 з манжетою 3, кільця 5, гільзи 6, пружини 7, штуцера 10, ущільнювального 8 і регульованого 9 кілець. Клапан, гільза та кільце утворюють рухому систему подавання мастила.
Під час подавання мастильного матеріалу та підвищення тиску у вхідному отворі А вуса відгинаються й олія заповнює порожнину Б. Водночас клапан 4 притискає до кільця 5, перешкоджаючи перетіканню мастильного матеріалу з порожнини Б у порожнину В. Рухома система підіймається вгору, стискаючи пружину 7. Мастильний матеріал, що міститься в порожнині В, надходить через вихідний отвір Г. Щойно вхідний отвір А з'єднується з отвором зливу, рухома система під дією пружної сили пружин прагне опуститися вниз і в порожнині Б створюється тиск, манжета замикає прохід із порожнини Б у порожнину А, і клапан відкривається. Рухома система відходить униз і з порожнини Б дозована кількість мастильного матеріалу перетікає в порожнину В, відбувається перезаряджання дозатора живителя.
|

|
|
Основні параметри живителів імпульсних
| Тип |
Кількість відводів |
Макс. тиск на вході, МПа |
Макс. тиск на виході, МПа |
Об'єм, що подається за цикл, см3 |
Маса, кг |
| 1 |
1 |
3,2 |
1,6 |
0,02; 0,05 |
0,08 |
| 2 |
0,14 |
| 3 |
0,22 |
| 5 |
0,35 |
| 2 |
1 |
3,2 |
1,6 |
0,05; 0,1; 0,2; 0,32; 0,5 |
0,16 |
| 2 |
0,26 |
| 3 |
0,35 |
| 5 |
0,35 |
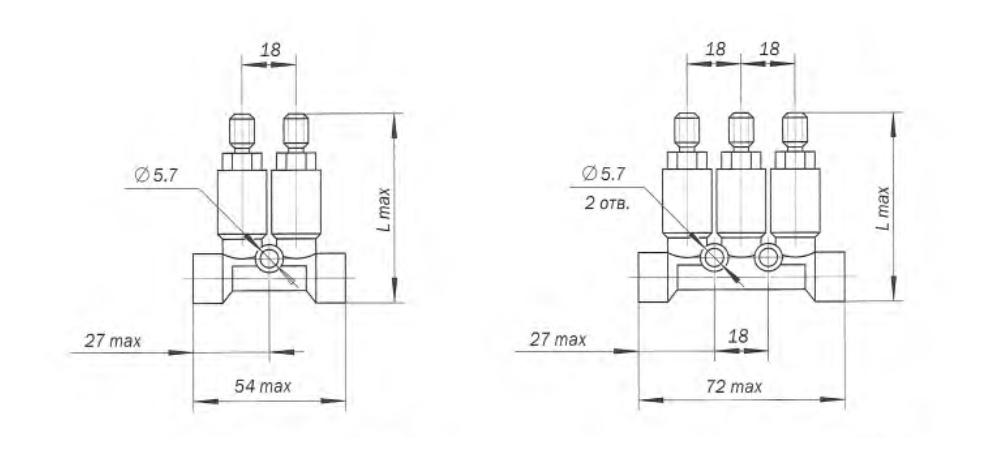
Габаритні та приєднувальні розміри (чортежі) імпульсних живителів
|
|

Поживець імпульсний одновідвідний
|

Поживець імпульсний двовідвідний
|
|
|

Поживець імпульсний п'ятивідвідний
|

Поживець імпульсний тривідвідний
|
|
Поживець імпульсний 2-010-032
|

|
Основні параметри імпульсного живителя 2-010-032 УХЛ4:
— номінальний тиск на вході 3,2 МПа;
— об'єм, що подається за цикл, 0,1 і 0,32 см3;
— чіло відводів — 2;
— макс. тиск на виході, 1,6 МПа;
— вага не більш ніж 0,14 кг.
|
Поживець імпульсний 2-020-020-020-020-020-020
|

|
Основні параметри імпульсного живителя для змащення 2-020-020-020-020-020 УХЛ4:
— номінальний тиск на вході 3,2 МПа;
— об'єм, що подається за цикл, 0,2 см3;
— чіло відводів — 5;
— макс. тиск на виході, 1,6 МПа;
— вага не більш ніж 0,35 кг.
|
Поживець імпульсний 2-020-020
|

|
Основні параметри імпульсного живителя 2-020-020 УХЛ4:
— номінальний тиск на вході 3,2 МПа;
— об'єм, що подається за цикл, 0,2 і 0,2 см3;
— чіло відводів — 2;
— макс. тиск на виході, 1,6 МПа;
— вага не більш ніж 0,14 кг.
|
Поживець імпульсний 2-010-020-032-050-050
|

|
Основні параметри імпульсного живителя для змащення 2-010-020-032-050-050 УХЛ4:
— номінальний тиск на вході 3,2 МПа;
— об'єм, що подається за цикл, 0,2 см3;
— чіло відводів — 5;
— макс. тиск на виході, 1,6 МПа;
— вага не більш ніж 0,35 кг.
|
Приклади позначення під час замовлення:
Приклад умовного позначення живича виготовлення 1 з одним відведенням, що подається об'ємом 0,02 см3 для районів із помірним і холодним кліматом категорія розміщення 4:
Поживець імпульсний 1-002 УХЛ4.
Приклад умовного позначення живильника виконання 2 з п'ятьма відводами, що подається об'ємами 0,2; 0,2; 0,32; 0,32; 0,32 см3 для районів із помірним і холодним кліматом категорія розміщення:
Поживець імпульсний 2-020-020-032-032-032 УХЛ4.
Перелік живителів імпульсних одно- і багатовідвідодних, що постачаються нашою компанією:
живлячі імпульсні одновідвідні (першого типу) 1-002, 1-005;
живлячі імпульсні двовідвідні (першого типу) 1-002-002, 1-005-005, 1-002-005, 1-005-002;
живлячі імпульсні тривідвідні (першого типу) 1-002-002-002, 1-005-005-005, 1-002-005-005, 1-002-002-005, 1-005-002-005, 1-005-005-002;
живлячі імпульсні п'ятивідвідні (першого типу) 1-002-002-002-002-002, 1-005-005-005-005-005, 1-002-005-005-005-005, 1-002-002-005-005-005, 1-002-002-002-005-005, 1-002-002-002-002-005, 1-005-002-002-002-002, 1-005-005-002-002-002, 1-005-005-005-002-002, 1-005-005-005-005-002, 1-005-002-005-002-005, 1-002-005-002-005-002.
живлячі імпульсні одновідвідні (другого типу) 2-005, 2-010, 2-020, 2-032, 2-050;
живлячі імпульсні двовідвідні (другого типу) 2-005-005, 2-010-010, 2-020-020, 2-032-032, 2-050-050, 2-005-010, 2-010-005, 2-010-020, 2-020-010, 2-020-005, 2-032-005, 2-032-010, 2-032-020, 2-035-050, 2-050-005, 2-050-010, 2-050-020, 2-050-032;
живлячі імпульсні тривідвідні (другого типу) 2-005-005-005, 2-010-010-010, 2-020-020-020, 2-032-032-032, 2-050-050-050, 2-005-010-005, 2-005-010-010, 2-010-005-010, 2- 010-010-005, 2-010-020-010, 2-010-020-020, 2-010-032-010, 2-010-032-032, 2-010-032-020, 2-010-032-050, 2-010-032-032, 2-010-050-050, 2-020-005-020, 2-020-005-005, 2-020-010-010, 2-020-010-020, 2-020-032-032, 2-020-032-020, 2-020-050-020, 2-020-050-050, 2-032-005-032, 2-032-005-005, 2-032-010-032, 2-032-010-010, 2-032-020-020, 2-032-020-032, 2-032-050-050, 2-032-032-050, 2-032-050-032, 2-050-005-050, 2-050-005-005, 2-050-010-010, 2-050-010-050, 2-050-020-050, 2-050-020-020, 2-050-032-032, 2-050-032-050;
живлячі імпульсні п'ятивідвідні (другого типу) 2-005-005-005-005-005, 2-010-010-010-010-010, 2-020-020-020-020-020, 2-032-032-032-032-032, 2-050-050-050-050-050, 2-005-010-020-032-050, 2-010-020-032-050-005, 2-20-032-050-005-010, 2-032-050-005-010-020, 2-050-005-010-020-032..
|