
Н401У. Насос радіально-поршневий Н 401 У
від 100 ₴
Показати оптові ціниМінімальна сума замовлення на сайті — 300 ₴
- В наявності
- Оптом і в роздріб
- Код: н400
- +380 (93) 845-70-32Відділ продажів
Насоси радіально-поршневі Н401У
|
|
Насоси Н-401 (Н401У) УХЛ4 радіально-поршневі з ексцентриковим валом нереверсивні, призначені для загального настроювання в гідроприводах, де потрібні тиск до 40 МПа й односпрямований нерегульований за величиною потік робочої рідини. |
Основні параметри насосів Н400 (У), Н401 (У), Н403 (У)
| Найменування параметрів | Типорозмір насоса | ||
| Н 400 (Н 400 У) | Н 401 (Н 401 У) | Н 403 (Н 403 У) | |
| Робочий об'єм, см3 | 4 | 12,5 | 25 |
| Номінальна частота обертання, об/хв. | 1500 | ||
| Номінальне подавання, л/хв. | 5,5 ± 5% | 17,06 ± 5% | 34,12 ± 5% |
| Тиск на виході (мін./макс.), МПа | 20/28 | 32/40 | |
| Тиск на вході (мін./макс.), МПа | 0,005/0,01 | ||
| Коефіцієнт подавання | 0,91 | ||
| ККД | 0,82 | 0,85 | 0,85 |
| Номінальна потужність, КВт | 2,2 | 10,5 | 21 |
| Напрямок обертання вала | праве | ||
| Маса (без робочої рідини), кг | 15 | 38 | 47 |
Примітка: залежно від заводу-виробника насоси Н400 (Н401, Н403) можуть мати маркування Н400У (Н401У, Н403У) і Н400УР (Н401УР, Н403УР) (наприклад, Н401У — нереверсивний, тільки праве обертання, Н403УР — реверсивний) або НП 12/32, 25/32 нереверсивні.
Структура умовного позначення насосів Н400
| Н4 | ХХ | ХХХ | Х | ||||||
|
Категорія розміщення
|
|||||||||
|
Кліматичне виготовлення
|
|||||||||
|
Виконування за робочим об'ємом і тиском: 00 - 4см3 і 20МПа; 01 – 12,5см3 та 32МПа; 03 — 25см3 та 32МПа
|
|||||||||
|
Позначення типу насоса
|
|||||||||
Приклад умовного позначення насоса радіально-поршневого з ексцентриковим приводом вала з робочим об'ємом 12,5 см3 і номінальним тиском 320 барів із нереверсивним обертанням вала, кліматичне виконання для районів із помірним і холодним кліматом, категорія розміщення 4:
Насос Н401 УХЛ4.
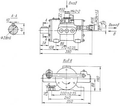
Габаритні та приєднувальні розміри, принцип роботи насоса Н400 (Н401, Н403)
|
Рисунок насоса Н400 (Н400У)
|
Опис роботи проводиться на прикладі насоса Н400 (Н400У). Для інших насосів цієї серії наведені тільки відмінні особливості конструкції. Корпус насоса 2 разом із кришками 4 і 5 утворюють картер насоса, заповнений олією з бака. Корпус має отвори під болти для кріплення насоса до кронштейна (для Н400Е (Н400У)) або плиті (для Н401Е (Н401У), Н403Е (Н403У)). У розточках корпусу поміщені підшипники 16, у яких обертається ексцентриковий вал 1 з трьома ексцентриками. Ексцентрики вступають у взаємодію з поршнями 8, що є в розточках корпусу через гідростатичні підп'ятники 6. Рослини в корпусі закриті корками 9, які слугують так само упорами для пружин 10 повороту поршнів. Підп'ятник закріплюється на поршні за допомогою незамкнутого сферичної шарніра та прикріплюється до нього дротяною скобою 7. Заповнення робочої камери Г радіально-поршневого насоса відбувається через осьові отвори в поршні та підп'ятнику з порожнини картера, для цієї мети на поверхні ексцентриків зроблені вирізи. Навпаки кожного поршня, перпендикулярно йому, розміщений клапан нагнітальний, що містить у собі: кульку 12, пружину 13, сідло 11, яке притисне до корпусу насоса упором 14. Витіснення робочої рідини (олив) з робочої камери відбувається через клапан нагнітальний. Для під'єднання насоса до гідросистеми нагнітальний трубопровід має кріпитися до корпусу штуцером, ущільнюваний прокладкою з червоної міді. Ущільнення за валом 1 і кришкою 4 здійснюється манжетою 15. Для поліпшення заповнення підведення рідини до картерної порожнини здійснюється з підпором 0,05-0,1 кгс/см2. Олія з бака надходить у картер насоса, у якому обертається ексцентриковий вал. Залежно від того, як розташовані ексцентрики та поршні, відбувається цикл всмоктування або нагнітання. |
| Насоси Н400 (Н400У) и Н401 (Н401У) мають один ряд поршнів, розміщених у Н400 (Н400У) — вертикально в Н401 (Н401У) - горизонтально. У насосах Н403 (Н403У) за дворядного положення поршнів, поршні розміщені в горизонтальній площині, а ексцентрики приводного вала радіально-поршневого насоса призводять у рух одну пару поршнів, які розташовані один навпроти іншого. Напрямок обертання вала будь-який. Для усунення повітряних пробок у картерній порожнині, у верхній частині корпусу встановлена пробка 3 для випуску повітря. | |
|
Рисунок насоса Н401 (Н401У) |
Рисунок насоса Н403 (Н403У) |
|
Насоси Н400, Н401, Н403 (Н400У, Н401У, Н403У) мають встановлюватися в безпечних і зручних для обслуговування місцях. Розташування насоса серії Н400 горизонтальний, всмоктувальний отвором наверх. Кріплення насоса серії Н400 відбувається за допомогою фланця на корпусі та посадкового місця на передній кришці корпусу. Насоси радіально-поршневі з ексцентриковим валом нереверсовані кріпляться на лапах, зроблених на корпусі. Кронштейн, до якого прикріплюється насос, має бути жорстким і не допускати вібрації. Оскільки насос працює з підпором на всмоктуванні, встановлювати його треба під оливним баком або на лінії нагнітання тиску допоміжного насоса. Можна також встановлювати насос на дні мастила. У всіх випадках висота підпору оливи від осі дротового вала має бути від 500 до 1000 мм оливного стовпа. |
Насос радіально-поршневий H401У
|
|
Основні параметри насоса Н-401У, Н 401 У УХЛ4: |
Насос радіально-поршневий H403У
|
|
Основні параметри радіально-поршневого насоса Н-403У, Н 403 У, Н-403 УХЛ4: - напрямок обертання — правий; |
Насос радіально-поршневий Н400УР
|
|
Основні параметри насоса Н-400УР, Н 400 УР УХЛ4: |
Насос радіально-поршневий Н400У
|
|
Основні параметри насоса Н-400У, Н 400 УХЛ4: |
Варіанти пошукових запитів насоса радіально-поршневого з ексцентричним приводом вала нереверсивної серії Н400:
Насос Н400 УХЛ4, Н 400 УХЛ4, Н 400 УХЛ 4, Н401 УХЛ4, Н-401-УХЛ4, Н-401 УХЛ 4, Н403 УХЛ4, Н-403-УХЛ4, Н 403 УХЛ 4, Н400У УХЛ4, Н 400 УХЛ4, Н 40 УХЛ
| Основні | |
|---|---|
| Виробник | Гідропривід |
- Ціна: від 100 ₴









.jpg)
.jpg)


