Поживники послідовні мастильні міді-4
|
Живитель МІ-3
|
Поживники послідовні мастильніМІ4, МІ 4, МІ-4 призначений для подавання мастильного матеріалу до пари вузлів і механізмів машин, що труться.
Живителі МИ-3(7,6,5,4) складаються з вхідної, вихідної, і встановлених між ними проміжних секцій, що мають по два відведення, через які відбувається подавання мастильного матеріалу.Залежно від номінального подавального обсягу мастильного матеріалу в один відвід секції мають позначення 5Д, 5Е, 10Д, 10Е, 15Д, 15Е.
Живителі МИ3, МИ4, МИ5, МИ6, МИ7 цього типу застосовуються в конструкції ножиць комбінованих НВ 51-21 та іншому кузньово-пресовому обладнанні.
|

Живитель МІ-6 з індикатором
|
|
Живитель МІ-3 з індикатором
|
Будь-яка із секцій живителя може бути укомплектована шток-індикатором, крім секцій 5Д і 5Е. Про наявність штока-індикатора свідчить літера «А» (шток-індикатор зліва, якщо дивитися на лицьову сторону живителя, коли вхід зверху) або «В» (шток-індикатор праворуч, якщо дивитися на лицьовий бік живителя, коли вхід зверху), наприклад: 10ДВ, 15ДА, 15ДВ.
Характерною особливістю послідовних живителів є їхня покрокова робота, золотники в проміжних секціях переміщаються в певній послідовності, за якої змащування чергової точки не починається, якщо мастило попередньо не завершене. Така послідовне подавання мастильного матеріалу до всіх точок мастильної системи дає змогу здійснювати централізований контроль подавання мастильного матеріалу, а також використовувати послідовний живитель як основний розподільний пристрої в адаптивних мастильних системах.
|
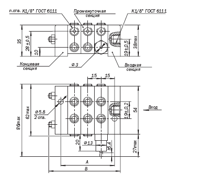
Основні розміри та характеристики живителів Mi
|

Розміри живителів типу "МІ"
|
| Позначення |
Кількість проміжних секцій |
Розміри, мм |
Маса, кг |
| А±1 мм |
В, не більш ніж |
| Живитель МІ-3 (МІМ-3, МІК-3, МІ0-3) |
3 |
60 |
85 |
0,92 |
| Живитель МІ-4 (МІМ-4, МІК-4, МІО-4) |
4 |
75 |
100 |
1,09 |
| Живитель МІ-5 (МІМ-5, МІК-5, МІО-5) |
5 |
90 |
115 |
1,26 |
| Живитель МІ-6 (МІМ-6, МІК-6, МІО-6) |
6 |
105 |
130 |
1,43 |
| Живитель МІ-7 (МІМ-7, МІК-7, МІО-7) |
7 |
120 |
145 |
1,60 |
Характеристики живителів Mi
| Параметри |
Значення для виконання |
| МІМ |
МІК |
МІО |
МІ |
Тиск на вході, МПа
-номінальна
-мінімальне (перепад тиску) не більш ніж |
1,0
0,8 |
2,5
1,2 |
6,3
1,2 |
10,0
1,2 |
Номінальний потрібний об'єм мастила за цикл, см3
5Д
5Е
10Д
10Е
15Д
15Е |
0,08
0,16
0,16
0,32
0,24
0,48 |
Частота циклів за хвилину
-номінальна
-максимальна |
6
60 |
60
300 |
60
300 |
60
300 |
| Тип мастильного матеріалу |
Жидкий |
Рідкий, пластичний |
|
Примітки:
1. Цикл роботи живича характеризується подаванням мастильного матеріалу в кожен відвід живителя за один подвійний хід золотника кожної секції.
2. З відведення секції з маркуванням Е подавання мастильного матеріалу за цикл здійснюється двічі.
Пристрій і прицип роботи живителів послідовних (однолінійних)
|

|
Поживник складається з набору секцій — вхідної 1 (малюнок зліва), вихідної 3 та пакета проміжних секцій 2, ущільнених за стиками прокладками або ущільнювальними кільцями та стягнутими шпильками.
У кожній проміжній секції розміщений трипоясковий золотник 4 (малюнок нижче), який має вільний хід і здійснює зворотно-поступальний рух.
Доти, поки мастило надходить у вхідний отвір і далі по центральному та з'єднувальним каналам, золотники переміщаються в певній послідовності.
Робочий хід живителя, що полягає у витісненні певної дози мастильного матеріалу з кінцевої порожнини А (див. малюнки) у крапку мастила, відбудеться тоді, коли всі золотники зроблять зворотно-поступальний рух.
Поживець може почати роботу незалежно від положення золотників. У будь-якому разі мастильний матеріал із центрального каналу надходить в одну або іншу кінцеву порожнину А золотників кожної секції, але водночас може спрацювати тільки один золотник, тому що тиск мастильного матеріалу через центральний канал замикає інші золотники. Кожна проміжна секція має два відведення в точки змащення.
Отримати один відвід у золотниковій секції можна через з'єднання двох відвідів наскрізним каналом, позначеним пунктиром (малюнок внизу). Водночас один із відводів має бути обов'язково заглушений.
Поживець здійснює один цикл, якщо всі золотники зроблять по одному зворотно-поступальному руху, тобто по два робочих ходи.
Секції з одним відведенням за цикл виробляють подвійне номінальне подавання мастильного матеріалу.
Поживець може бути укомплектований вузлом 5 (малюнок внизу) зі штоком-індикатором, що фіксує завершення циклу живильником. Наявність штока-індикатора 1 дає змогу контролювати роботу живителя візуально або за допомогою електросигнальних приладів.
Шток-індикатор встановлюється на будь-який із проміжних секцій за потребою.
Кожна проміжна секція підлягає маркуванню, що містить позначення типу живича, індекс, що позначає номінальне подавання одного відведення, і букві, що позначає кількість відводів секції.
У живильнику можуть бути застосовані будь-які проміжні секції (у межах кожного типу) у кількості, зазначеному в таблицях вище.
Найкраще розташування проміжних секцій живича типу МХ (О) у порядку зростання цифр їхніх умовних позначень (починаючи від найближчого до входу мастила).
Найкраще розташування секцій інших типів живителів у порядку, зворотному зазначеному.
|
Підготовка до роботи живителів
Перед монтажем живича всі приєднувальні трубопроводи системи промити 10-15% розчином ортофосфорної кислоти з подальшою пасивністю в 5%-му розчині цієї кислоти. Трубопроводи та живильник, призначені для пластичного мастильного матеріалу, перед монтажем заповнити мастилом.
Допускається замість встановлених пробок 2 (малюнок вище) приєднувати відвід контрольованої апаратури або трубопровід у точку змащування.
Водночас у вільний отвір для виходу мастила встановлюється знята пробка 2.
Поживники можна встановлювати як горизонтально, так і вертикально.
Умовне позначення живителів Mi

Приклад умовного позначення живильника вироблення Mi із шістьма проміжними секціями: перша секція 15ДВ (з номінальним подавальним об'ємом 0,24 см3, з двома відводами та штоком-індикатором, розташованим праворуч); друга, третя і четверта секції — 15Д (з номінальним подавальним об'ємом 0,24 см3, з одним відведенням); п'ята — 10Е (з номінальним подавальним об'ємом 0,32 см3 з одним відводом)шею — 5Д (з номінальним подавальним об'ємом 0,08 см3 з двома відводами), призначеного для роботи в районах (країнах) з помірним кліматом, категорія розміщення 4:
Поживець Mi — 6 (15ДВ-15Д-15Д-15Д-10Е-5Д) УХЛ4 ТУ У 054 09685.004-2000.
Поживець послідовнийМІ-3
|

|
Основні параметри живителя послідовного мастильного мі-3 УХЛ4:
— номінальний тиск на вході 10 МПа;
— витрата мастильного матеріалу 0,08-0,48 см3/цикл;
— частота циклів за хвилину — 60-300;
— вага не більш ніж 2,5 кг.
|
Послідовник послідовний МІ-5
|

|
Основні параметри живителя послідовного мастильного мі-5 УХЛ4:
— номінальний тиск на вході 10 МПа;
— витрата мастильного матеріалу 0,08-0,48 см3/цикл;
— частота циклів за хвилину — 60-300;
— вага — не більш ніж 3,7 кг.
|
Поживець послідовний Mi-7
|

|
Основні параметри живича послідовного мастильного мі-7 УХЛ4:
— номінальний тиск на вході 10 МПа;
— витрата мастильного матеріалу 0,08-0,48 см3/цикл;
— частота циклів за хвилину — 60-300;
— вага не більш ніж 2,5 кг.
|
Поживець послідовнийМІ-4
|

|
Основні параметри живителя послідовного мастильного МІ-4 УХЛ4:
— номінальний тиск на вході 10 МПа;
— витрата мастильного матеріалу 0,08-0,48 см3/цикл;
— частота циклів за хвилину — 60-300;
— вага — не більш ніж 3,7 кг.
|
У номенклатурі живителів найчастіше трапляються - трисекційні пітники міді-3 (5Д-5Д-5Д), Mi3 (5Д-5Д-5Е),
- чотирисекційні пітники МИ-4 (10Д-5Д-5Д-5Е), МИ4 (5Д-5Д-5Д-5Д), МО-4 (10ЕВ-10Д-10Д-5Е), Мі4 (10ДВ-10Д-10Д-5Е).
|