
Клапан запобіжний 20-32-2-11
від 100 ₴
Показати оптові ціниМінімальна сума замовлення на сайті — 300 ₴
- В наявності
- Оптом і в роздріб
- Код: м-кп
- +380 (93) 845-70-32Відділ продажів
Гідроклапани запобіжні 20-32-2-11 (20-320-2-11)
|
|
Клапани запобіжні М-КП-20-32-2-11, 20 320 2 11 стикового, тубного та фланцевого монтажу застосовуються для запобігання гідросистему від перевантаження у разі підвищення тиску, підтримання встановленої величини тиску та дистанційного розвантаження гідравлічних систем. Сфера застосування: гідроприводи пресів, верстатів, ливарних і литтявих машин, мобільної техніки та іншого гідрофільованого обладнання. |
|
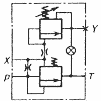
Через падіння тиску в отворі 11 тиск у надклапанній порожнині 2 зменшується, і клапан під дією тиску в отворі Р підіймається вгору, стискаючи пружину 9 і з'єднуючи отвори Р і Т. Переміщення клапана вгору відбувається доти, поки сила від тиску в отворі Р не компенсує силу від тиску в порожнині 2 і силу пружини 9, після чого тиск у отворі Р (в напірній лінії гідравлічної системи) автоматично підтримується постійним у широкому діапазоні витрат робочої рідини через клапан. |
|
Конструкція запобіжного клапана непрямої дії М-КП для стикового монтажу
|
|
Габаритні та приєднувальні розміри М-ПКП-10 (20, 32) стикового монтажу
|
|
Габаритні та приєднувальні розміри М-КП-10 (20, 32) трубного монтажу
|
|
Габаритні та приєднувальні розміри М-КП-40 (50) фланцового монтажу
.jpg)
Таблиця розмірів клапанів запобіжних М-КП 10-10 (20,32)-2-11
| Позначення | H | H1 | B1 | L | L1 | L2 | L3 | L4 | L5 | L6 | D | D1 | D2 |
| МКПВ 10/3 С2В МКПВ 10/3 С3В МКПВ 10/3 С4В |
99 | 20,5 | 80 | 138,5 | 53,8 | - | 22,1 | 47,5 | 21 | 89 | 22 | 14 | 13 |
| МКПВ 10/3 С2Р МКПВ 10/3 С3Р МКПВ 10/3 С4Р |
99 | 20,5 | 80 | 144,5 | 53,8 | - | 22,1 | 47,5 | 21 | 89 | 22 | 14 | 13 |
| МКПВ 10/3 С2П МКПВ 10/3 С3П МКПВ 10/3 С4П |
99 | 20,5 | 80 | 149,5 | 53,8 | - | 22,1 | 47,5 | 21 | 89 | 22 | 14 | 13 |
| МКПВ 10/3 С2П МКПВ 10/3 С3П МКПВ 10/3 С4П |
99 | 20,5 | 80 | 176,5 | 53,8 | - | 22,1 | 47,5 | 21 | 89 | 22 | 14 | 13 |
Таблиця розмірів клапанів запобіжних М-КП-20-20 (32,10)-2-11
| Позначення | H | H1 | B1 | L | L1 | L2 | L3 | L4 | L5 | L6 | D | D1 | D2 |
| МКПВ 20/3 С2В МКПВ 20/3 С3В МКПВ 20/3 С4В |
99 | 25 | 100 | 146 | 66,7 | 23,8 | 11,1 | 55,6 | 34,5 | 116 | 32 | 23 | 17 |
| МКПВ 20/3 С2Р МКПВ 20/3 С3Р МКПВ 20/3 С4Р |
99 | 25 | 100 | 152 | 66,7 | 23,8 | 11,1 | 55,6 | 34,5 | 116 | 32 | 23 | 17 |
| МКПВ 20/3 С2П МКПВ 20/3 С3П МКПВ 20/3 С4П |
99 | 25 | 100 | 157 | 66,7 | 23,8 | 11,1 | 55,6 | 34,5 | 116 | 32 | 23 | 17 |
| МКПВ 20/3 С2П МКПВ 20/3 С3П МКПВ 20/3 С4П |
99 | 25 | 100 | 184 | 66,7 | 23,8 | 11,1 | 55,6 | 34,5 | 116 | 32 | 23 | 17 |
Таблиця розмірів клапанів запобіжних М-КП-32-32 (20,10) — 2-11
| Позначення | H | H1 | B1 | L | L1 | L2 | L3 | L4 | L5 | L6 | D | D1 | D2 |
| МКПВ 32/3 С2В МКПВ 32/3 С3В МКПВ 32/3 С4В |
99 | 25 | 113 | 151 | 88,9 | 31,8 | 12,7 | 76,2 | 42,5 | 152 | 39 | 29 | 19 |
| МКПВ 32/3 С2Р МКПВ 32/3 С3Р МКПВ 32/3 С4Р |
99 | 25 | 113 | 157 | 88,9 | 31,8 | 12,7 | 76,2 | 42,5 | 152 | 39 | 29 | 19 |
| МКПВ 32/3 С2П МКПВ 32/3 С3П МКПВ 32/3 С4П |
99 | 25 | 113 | 162 | 88,9 | 31,8 | 12,7 | 76,2 | 42,5 | 152 | 39 | 29 | 19 |
| МКПВ 32/3 С2П МКПВ 32/3 С3П МКПВ 32/3 С4П |
99 | 25 | 113 | 189 | 88,9 | 31,8 | 12,7 | 76,2 | 42,5 | 152 | 39 | 29 | 19 |
Гідравлічні схеми клапанів тиску М-КП
| Номер схеми | Позначення клапана | Умовне позначення | Функція клапана |
| 2 |
М-КП-10-10(100)-1-11 М-КП-20-20(200)-2-11 М-КП-20-32(320)-2-11 М-КП-32-10(100)-2-11 М-КП-32-20(200)-2-11 М-КП-32-32(320)-2-11 |
|
Запобігання гідросистемам від перевантажень, підтримці вбудованого тиску та дистанційному розвантаження через з'єднання отвору Х зі зливною лінією |
| 3 | М-КП-10-10(100)-1-21(131), М-КП-10-20(200)-1-21(131), М-КП-10-32(320)-1-21(131), М-КП-10-10(100)-2-21(131) М-КП-10-20(200)-2-21(131), М-КП-10-32(320)-2-21(131), М-КП-20-10(100)-2-21(131), М-КП-20-20(200)-2-21(131) М-КП-20-32(320)-2-21(131), М-КП-32-10(100)-2-21(131), М-КП-32-20(200)-2-21(131), М-КП-32-32(320)-2-21(131) |
|
Запобігання гідросистемі від перевантажень і підтримці налаштованого тиску за ввімкненого електромагнітного пілота, розвантаження — у разі вимкненого |
Технічні характеристики клапанів М-КП, М-ПКП (Болгарія, МЗ ГАРАНТ)
|
Найменування
|
Ду, мм
|
Q, л/хв
|
P, Мпа
|
|
М-КП-12
|
10
|
3÷56
|
0,3÷10
|
|
М-КП-12-01
|
10
|
3÷56
|
1÷20
|
|
М-КП-12-02
|
10
|
3÷56
|
1,6÷32
|
|
М-ПКП-12
|
10
|
3÷56
|
0,3÷10
|
|
М-ПКП-12-01
|
10
|
3÷56
|
1÷20
|
|
М-ПКП-12-02
|
10
|
3÷56
|
1,6÷32
|
|
М-КП-20
|
20
|
5÷140
|
0,3÷10
|
|
М-КП-20-01
|
20
|
5÷140
|
1÷20
|
|
М-КП-20-02
|
20
|
5÷140
|
1,6÷32
|
|
М-ПКП-20
|
20
|
5÷140
|
0,3÷10
|
|
М-ПКП-20-01
|
20
|
5÷140
|
1÷20
|
|
М-ПКП-20-02
|
20
|
5÷140
|
1,6÷32
|
|
М-КП-32
|
32
|
10÷350
|
0,3÷10
|
|
М-КП-32-01
|
32
|
10÷350
|
1÷20
|
|
М-КП-32-02
|
32
|
10÷350
|
1,6÷32
|
|
М-ПКП-32
|
32
|
10÷350
|
0,3÷10
|
|
М-ПКП-32-01
|
32
|
10÷350
|
1÷20
|
|
М-ПКП-32-02
|
32
|
10÷350
|
1,6÷32
|
|
М-КПЭ-12
|
10
|
3÷56
|
0,3÷10
|
|
М-КПЕ-12-01
|
10
|
3÷56
|
1÷20
|
|
М-КПЭ-12-02
|
10
|
3÷56
|
1,6÷32
|
|
М-ПКПЕ-12
|
10
|
3÷56
|
0,3÷10
|
|
М-ПКПЕ-12-01
|
10
|
3÷56
|
1÷20
|
|
М-ПКПЕ-12-02
|
10
|
3÷56
|
1,6÷32
|
|
М-КПЭ-20
|
20
|
5÷140
|
0,3÷10
|
|
М-КПЭ-20-01
|
20
|
5÷140
|
1÷20
|
|
М-КПЭ-20-02
|
20
|
5÷140
|
1,6÷32
|
|
М-ПКПЕ-20
|
20
|
5÷140
|
0,3÷10
|
|
М-ПКПЕ-20-01
|
20
|
5÷140
|
1÷20
|
|
М-ПКПЕ-20-02
|
20
|
5÷140
|
1,6÷32
|
|
М-КПЭ-32
|
32
|
10÷350
|
0,3÷10
|
|
М-КПЭ-32-01
|
32
|
10÷350
|
1÷20
|
|
М-КПЭ-32-02
|
32
|
10÷350
|
1,6÷32
|
|
М-ПКПЕ-32
|
32
|
10÷350
|
0,3÷10
|
|
М-ПКПЕ-32-01
|
32
|
10÷350
|
1÷20
|
|
М-ПКПЕ-32-02
|
32
|
10÷350
|
1,6÷32
|
Клапан запобіжний М-КП 10-20-2-11
|
|
Основні параметри гідроклапана запобіжного стикового монтажу МКП 10-200-2-11: - маса — не більш ніж 3 кг. |
Гідроклапан М-КП 20-20-1-11
|
|
Основні параметри клапана запобіжного трубного монтажу МКП 20-200-1-11: - маса — не більш ніж 4 кг. |
Можливі варіанти маркування клапанів МКП:
Гідроклапан МКП М-КП 10-10-1-11, 10-20-1-11, 10-32-1-11, 20-10-1-11, 20-20-1-11, 20-32-1-11, 32-10-1-11, 32-20-1-11, 32-32-1-11, 10-10-133-133, 10-10-132-1, 10-132-1, 10-132-1, 10-132-1, 10-132-1, 10-132 20-10-133, 20-10-131, 20-10-132, 20-20-1-133, 20-20-131, 20-20-132, 20-20-132-132, 20-32-1-133, 20-32-131, 20-32-132, 32-10-133, 32-10-131, 32-10-131, 32-10-132-132-1-10-132-1, 32-10-131, 32-131 10-10-2-11, 10-20-2-11, 10-32-2-11, 20-10-2-11, 20-20-2-11, 20-32-2-11, 32-10-2-11, 32-20-2-11, 32-32-2-11.
- Ціна: від 100 ₴








.png)






