
Живильник мастильний 2-0200-2К
від 100 ₴
Показати оптові ціниМінімальна сума замовлення на сайті — 300 ₴
- В наявності
- Оптом і в роздріб
- Код: 2-0200
- +380 (93) 845-70-32Відділ продажів
Живителі дволінійні 2-0200-2К
|
|
Живителі дволінійні 2-0200-2-К УХЛ4 застосовуються у дволінійних централізованих автоматичних і ручних системах мастила для періодичного (імпульсного) подавання мастильного матеріалу до об'ємів механізмів і вузлів під час тиску в магістральних лініях до 20 МПа. Завод-виробник постачає живильники з відводами збоку, які подають мастильний матеріал у разі прямого та зворотного ходу поршня в один і той самий відвід. Залежно від об'єму порції мастильного матеріалу, що подається до змащуваної точки, живлять чотири типи у двох варіантах: регульовані та нерегульовані. |
Фотографії та технічні дані живителів дволінійних
|
|
Основні параметри живителів дволінійних 2-0200, 2-0500, 2-1000, 2-2500
| Позначення | Кількість проміжних секцій | Параметри | ||
| Подавання мін./ макс., см3 | Робочий тиск, МПа | Зазор у поршневій парі/в золотій парі, мм | ||
| Живитель 2-0200-1 | 1 | 0,5 / 2,0 | 1...20 | 0,008 / 0,001 |
| Поживець 2-0200-2 | 2 | 0,5 / 2,0 | 0,008 / 0,001 | |
| Поживець 2-0200-3 | 3 | 0,5 / 2,0 | 0,008 / 0,001 | |
| Поживець 2-0200-4 | 4 | 0,5 / 2,0 | 0,008 / 0,001 | |
| Поживець 2-0500-1 | 1 | 1,5 / 5,0 | 0,008 / 0,018 | |
| Поживець 2-0500-2 | 2 | 1,5 / 5,0 | 0,008 / 0,018 | |
| Поживець 2-0500-3 | 3 | 1,5 / 5,0 | 0,008 / 0,018 | |
| Поживець 2-0500-4 | 4 | 1,5 / 5,0 | 0,008 / 0,018 | |
| Поживець 2-1000-1 | 1 | 3,0 / 10,0 | 0,008 / 0,018 | |
| Поживець 2-1000-2 | 2 | 3,0 / 10,0 | 0,008 / 0,018 | |
| Поживець 2-2500-1 | 1 | 9,0 / 25,0 | 0,01 / 0,015 | |
Габаритні та приєднувальні розміри живителів стикового (принтичного) виконання
|
|
| Позначення | Кількість секцій | Розміри, мм | Маса, кг | ||||||||||
| L | B | H | h | A1 | A | L1 | L2 | L3 | n | K | |||
| Поживець 2-0200-1-П | 1 | 38 | 36 | 112 | 65 | 42 | - | 15 | - | - | 2 | 3 | 0,58 |
| Поживець 2-0200-2-П | 2 | 56 | 36 | 112 | 65 | 42 | - | 15 | 30 | 28 | 2 | 6 | 0,98 |
| Поживець 2-0200-3-П | 3 | 86 | 36 | 112 | 65 | 42 | 30 | 15 | 30 | 28 | 4 | 9 | 1,38 |
| Поживець 2-0200-4-П | 4 | 116 | 36 | 112 | 65 | 42 | 60 | 15 | 30 | 28 | 4 | 12 | 1,83 |
| Поживець 2-0500-1-П | 1 | 44 | 45 | 126 | 80 | 52 | - | 19 | - | 10 | 2 | 3 | 1,05 |
| Поживець 2-0500-2-П | 2 | 68 | 45 | 126 | 80 | 52 | - | 19 | 38 | 34 | 2 | 6 | 1,70 |
| Поживець 2-0500-3-П | 3 | 106 | 45 | 126 | 80 | 52 | 38 | 19 | 38 | 34 | 4 | 9 | 2,63 |
| Поживець 2-0500-4-П | 4 | 144 | 45 | 126 | 80 | 52 | 76 | 19 | 38 | 34 | 4 | 12 | 3,61 |
| Поживець 2-1000-1-П | 1 | 68 | 45 | 126 | 80 | 52 | - | 19 | 38 | 34 | 2 | 5 | 1,70 |
| Поживець 2-1000-2-П | 2 | 144 | 45 | 126 | 80 | 52 | 76 | 19 | 38 | 34 | 4 | 10 | 3,61 |
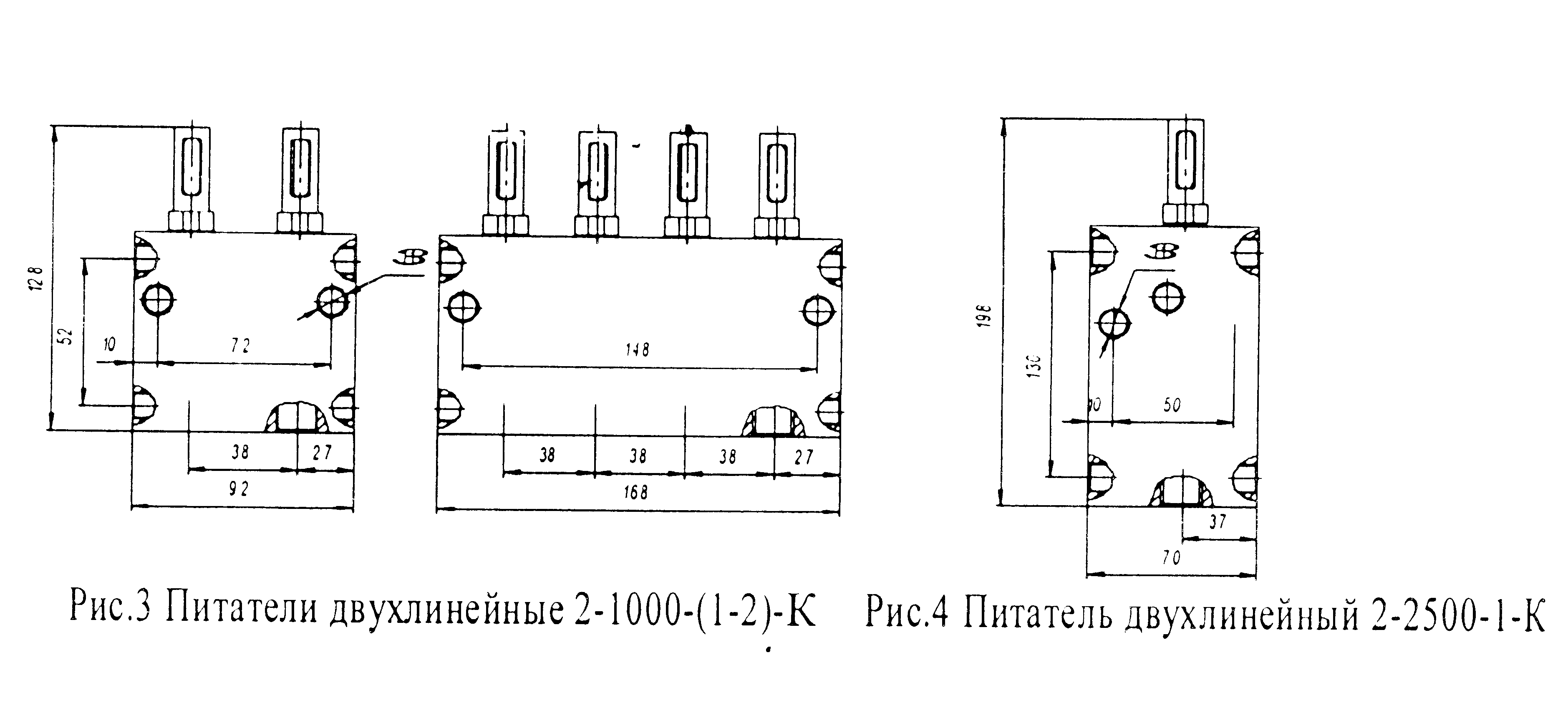
Габаритні та приєднувальні розміри живителів із конічною різзю
|
|
| Позначення | Кількість секцій | Розміри, мм | Маса, кг | |||||||||||||
| L | B | h | H | A | A1 | B1 | B2 | b | b2 | B3 | h1 | L1 | L2 | |||
| Живитель 2-0200-1К | 1 | 46 | 36 | 65 | 112 | - | 42 | 9 | 24 | 6 | 11 | 17 | 36 | 2,4 | 30 | 0,73 (0,55) |
| Поживець 2-0200-2К | 2 | 76 | 36 | 65 | 112 | - | 42 | 9 | 24 | 6 | 11 | 17 | 36 | 2,4 | 30 | 1,52 (1,2) |
| Поживець 2-0200-3К | 3 | 106 | 36 | 65 | 112 | 30 | 42 | 9 | 24 | 6 | 11 | 17 | 41 | 2,1 | 30 | - |
| Поживець 2-0200-4К | 4 | 136 | 36 | 80 | 112 | 60 | 42 | 9 | 24 | 6 | 11 | 17 | 41 | 2,1 | 30 | - |
| Поживець 2-0500-1К | 1 | 54 | 45 | 80 | 126 | 34 | 52 | 13 | 33 | 6 | 11 | 17 | 48 | 8 | 38 | 1,53 (1,25) |
| Поживець 2-0500-2К | 2 | 92 | 45 | 80 | 126 | 72 | 52 | 13 | 33 | 6 | 11 | 17 | 48 | 8 | 38 | 0,57 (2,25) |
| Поживець 2-0500-3К | 3 | 130 | 45 | 80 | 126 | 110 | 52 | 13 | 33 | 6 | 11 | 17 | 48 | 8 | 38 | 3,55 (3,2) |
| Поживець 2-0500-4К | 4 | 168 | 45 | 80 | 126 | 148 | 52 | 13 | 33 | 6 | 11 | 17 | 48 | 8 | 38 | 4,59 (4,2) |
| Поживець 2-1000-1К | 1 | 92 | 45 | 80 | 126 | - | 52 | 13 | 33 | 6 | 11 | 17 | 48 | 46 | 76 | 2,58 (2,3) |
| Поживець 2-1000-2К | 2 | 168 | 45 | 80 | 126 | - | 52 | 13 | 33 | 6 | 11 | 17 | 48 | 46 | 76 | 4,52 (4,2) |
| Поживець 2-2500-1К | 1 | 70 | 67 | 130 | 198 | 50 | 98 | 21 | 54 | 6 | 11 | 17 | 85 | 8 | - | 4,48 (4,2) |
Примітка:
- приєднувальна різь конічна 3/8" (метрична М16х1,5).
Структура умовного позначення живителів дволінійних
| 2 | - | 0500 | - | 2 | К | УХЛ4 | |||
|
Кліматичне виконання за ГОСТом 15150
|
|||||||||
|
Приєднання:
П — притичне (стилькове) виготовлення; До - конічної різі; М — метрична різь |
|||||||||
|
Кількість відводів: 1, 2, 3, 4
|
|||||||||
|
Номінальне подавання:
0200 - 2 см³ на ход; 0500 — 5 см3 на хід; 1000 - 10 см³ на ход; 2500 - 25 см³ на ход |
|||||||||
Пристрій і принцип роботи живителів дволінійних імпульсних
|
|
Деталі, з яких складаються дволінійні імпульсні пітники 2-0200, 2-0500, 2-1000, 2-2500, показані на схемі зліва. У корпусі 1 для кожної поршневої групи живильника є шість отворів б, у, г, д, е, з, з яких три (в, зокрема) — вертикальні, а інші — горизонтальні та похилі (канал із на схемі показаний умовно на осьових лініях — цей канал призначений для виходу мастильного матеріалу через трубопровід до змащуваних точок). Крім того, у корпусі дволінійного імпульсного живильника незалежно від кількості точок мастила містяться два отвори: а й для приєднання до трубопроводів і два отвори для кріплення живича до мастильної станції або іншого пристрою. У здвоєних дволінійних імпульсних живителів на кожні дві поршневі групи припадає один відвід, тому два канали г впадають в один канал з, що передає змащування в трубопровід до змащуваної точки. Звідси випливає, що в зазначених питателях на дві поршневі групи припадає не дванадцять, а 11 каналів. |
|
|
Робота живителів дволінійних імпульсних 2-0200, 2-0500, 2-1000, 2-2500 |
|
Тиск, який розвивається у верхній або нижній частині циліндра, розділеного поршнем 4, може бути інтенсивним тільки, якщо немає просочування мастильного матеріалу через нещільність між циліндром і бічною поверхнею поршня (негерметичність або самі внутрішні витоки). Така сама умова треба брати до уваги й щодо золотників 2. Не можна допустити просочування мастила через ущільнення й заглушені отвори. Поршень і золотник рухаються в корпусі під тиском мастила, що не перевищує 1,5 мн/м2. Мазовий стовпчик, заввишки та площею основи відповідно рівними ходу золотика 2 і площі перерізу циліндра ж, під час переміщення золотистиків у верхню та в нижню точки видавлюється ними назад через канали а й в магістральні лінії й тільки в ту з , яка в цьому робочому циклі не є нагнітальною. Якщо на початку циклу шток 3 опущений і невидимий, то наприкінці циклу він має піднятися до упору в регулювальний гвинт 1. У подальшому циклі шток знову має опуститися. Наявність таких положень штока, що чергуються, говорить про правильну роботу живителя. |
|
Поживець дволінійний 2-0200-1К
|
|
Основні параметри живителя дволінійного 2-0200-1-К УХЛ4: |
Поживець дволінійний 2-0200-2К
|
|
Основні параметри живителя дволінійного 2-0200-2-К УХЛ4: |
Поживець дволінійний 2-0200-3К
|
|
Основні параметри живителя 2-0200-3-К УХЛ4: |
Поживець дволінійний 2-0200-4К
|
|
Основні параметри живителя дволінійного 2-0200-4-К УХЛ4: |
Живець дволінійний 2-0500-1К
|
|
Основні параметри живителя дволінійного 2-2500-1-К УХЛ4: |
Поживець дволінійний 2-0500-2К
|
|
Основні параметри живителя 2-0500-2-К УХЛ4: |
Поживець дволінійний 2-0500-3К
|
|
Основні параметри живителя 2-0500-3-К УХЛ4: |
Поживець дволінійний 2-0500-4К
|
|
Основні параметри живителя дволінійного 2-0500-4-К УХЛ4: |
| Основні | |
|---|---|
| Виробник | B&B |
| Стан | Вживані |
- Ціна: від 100 ₴











.jpg)




.jpg)


.jpg)




