Насоси БГ11-11Б (агрегати насосні)
|

Агрегат БГ11-11, БГ11-11А
|
Агрегати насосні БГ11 11Б, БГ11-11Б, БГ1111Б УХЛ4 призначені для перекачування мінеральних олив із кінематичною в'язкістю від 17 до 400 мм2/с (сСт) за температури оливи від 10 до 50 °C, без механічних домішок у мастильних системах верстатів та інших стаціонарних машин.
Нижня межа в'язкості обмежується змащувальною здатністю перекачуваної рідини, верхня — потужністю електродвигуна та всмоктувальною здатністю насоса.
Допускається застосовувати насоси БГ11,ВГ11-11(11А,11Б) і насосні агрегати в гідравлічних системах.
Олійні системи мають бути обладнані фільтрами з номінальною тонкістю фільтрації не більш ніж 40 мкм, встановленими на напірній або зливній магістралі.
Чистота робочої рідини не менш ніж 13 класу за ГОСТом 17216-71.
Кліматичне виконання й категорія розміщення за ГОСТом 15150-69.
|
Параметри агрегатів насосних БГ11-11, БГ11-11А, БГ11-11Б
| Параматр |
Найменування |
| БГ11-11 |
БГ11-11А |
БГ11-11Б |
| Робочий об'єм, см3 |
8,0 |
5,0 |
3,0 |
| Номінальне подавання, не менш ніж л/хв |
8,0 |
5,0 |
3,0 |
| Тиск на виході номінальний, МПа |
0,5 |
0,5 |
0,5 |
| Тиск на вході номінальний, МПа |
Мінус 0,02 |
Частота обертання, з-1
— номінальна
- мінімальна
- максимальна |
24,0 (1450)
10,0 (600)
30,0 (1800) |
24,0 (1450)
10,0 (600)
30,0 (1800) |
24,0 (1450)
10,0 (600)
30,0 (1800) |
| Коефіцієнт подавання не менш ніж % |
76 |
74 |
69 |
| Номінальна потужність електродвигуна, кВт |
0,25 |
| Маса, не більш ніж кг |
7,3 |
Параметри агрегатів насосних ВГ11-11, ВГ11-11А

Основні технічні характеристики насосов ВГ11-11, ВГ11-11А, ВГ11-11Б точно відповідають характеристикам насосів БГ11-11(А,Б). Наявність полягає лише в способі монтажу: ВГ насосы - фланцеве кріплення (дивіться, що нижче), БГ насосы - кріплення на "лапах".
| Агрегати насосні ВГ11-11, ВГ11-11А, ВГ11-11Б |
|
Насосним агрегатом називається агрегат, який складається з таких частин: шестеренного насоса, сполучної муфти й електродвигуна. У разі, коли електродвигун не потрібний, насосні агрегати можуть постачатися без електродвигуна та складаються вони в цьому разі з шестеренного насоса Г11 і сполучної муфти.
Насосні агрегати типу ВГ11-11 (А, Б) застосовуються для нагнітання під номінальним тиском 0,5 МПа робочих рідин із кінематичною в'язкістю від 17 до 400 сантистокс (у разі t рідини 10...60 градусів за Цельсієм). Не допускається використання насосних агрегатів типу ВГ11-11 для перекачування рідин, що викликають корозію робочих органів насоса.
Насосні агрегати мають сертифікат відповідності No РОСС RU.ММ03.В03945 з 12.07.2010 г. по11.07.2013 р. і відповідають вимогам нормативних документів ГОСТ Р 52543-2006, ГОСТ 14658-86. За величиною тиску на виході насосы ВГ11-11 належать до першої групи — насоси, що забезпечують тиск на виході до 0,5 МПа.
Насосні агрегати ВГ11-11 (А, Б) можуть використовуватися з зануренням насоса в рідину. Насосні агрегати можуть встановлюватися в горизонтальному та вертикальному положеннях, але водночас встановлення агрегату насосного має забезпечувати можливість простого доступу до нього для технічного обслуговування та спостереження за роботою насоса. Для захисту насоса ВГ 11-11 від перевантажень необхідно встановлювати в гідравлічній системі машини запобіжний клапан (один або кілька, залежно від гідросхеми обладнання), настроювання якого не має перевищувати 0,6 МПа (60 барів), а номінальна витрата клапана має відповідати номінальній подаванню насоса.
Насосы ВГ11-11, ВГ11-11А и ВГ11-11Б (насосні агрегати) з флансовим кріпленням застосовуються для нагнітання робочої рідини (технічних олій або інших рідин, що змащують) за номінального тиску 0,5 МПа за температури робочих рідин +10...+60 °C, що не викликають корозію робочих елементів конструкції насоса.
Насоси ВГ11-1... експлуатуються в кліматичних районах із помірним або холодним кліматом категорії 4.1 за ГОСТом 15150-69 "Виповнення для різних кліматичних районів", так і в районах із сухим і вологим тропічним кліматом, категорії 4 все по тому ж ГОСТ 15150-69.
Насоси типу Г11-1 першої групи за певних умов, мають стабільні характеристики з незначними відхиленнями за величиною. Тому можливе їхнє застосування в дозових пристроях.
|
Габаритні та приєднувальні розміри агрегатів насосних БГ11-11, БГ11-11А
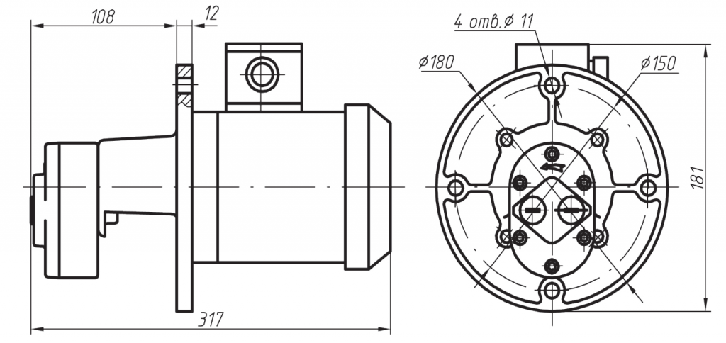
Габаритні та приєднувальні розміри агрегатів насосних ВГ11-11, ВГ11-11А

Насосний агрегат (насос) ВГ11-11
|

|
Основні параметри насоса ВГ 11 11 УХЛ4:
— номінальний тиск на виході 0,5 МПа;
— витрата робочої рідини 8 л/хв;
— номінальна частота обертання 1500 об/хв;
— номінальна потужність 0,25 кВт;
— вага — не більш ніж 9 кг.
|
Насосний агрегат (насос) ВГ11-11А
|

|
Основні параметри насоса ВГ 11 11 А УХЛ4:
— номінальний тиск на виході 0,5 МПа;
— витрата робочої рідини 5 л/хв;
— номінальна частота обертання 1500 об/хв;
— номінальна потужність 0,25 кВт;
— вага — не більш ніж 9 кг.
|
Насосний агрегат (насос) БГ11-11
|

|
Основні параметри насоса БГ 11 11 УХЛ4:
— номінальний тиск на виході 0,5 МПа;
— витрата робочої рідини 8 л/хв;
— номінальна частота обертання 1500 об/хв;
— номінальна потужність 0,25 кВт;
— вага — не більш ніж 9 кг.
|
Насосний агрегат (насос) БГ11-11А
|

|
Основні параметри насоса БГ 11 11 А УХЛ4:
— номінальний тиск на виході 0,5 МПа;
— витрата робочої рідини 5 л/хв;
— номінальна частота обертання 1500 об/хв;
— номінальна потужність 0,25 кВт;
— вага — не більш ніж 9 кг.
|
Насосний агрегат (насос) БГ11-11Б
|

|
Основні параметри насоса БГ 11 11 Б УХЛ4:
— номінальний тиск на виході 0,5 МПа;
— витрата робочої рідини 3 л/хв;
— номінальна частота обертання 1500 об/хв;
— номінальна потужність 0,18 кВт;
— вага — не більш ніж 9 кг.
|
Приклад умовного позначення насосного агрегату з фланцевим кріпленням з робочим об'ємом 8 см3, з номінальною поданням 8 л/хв, з номінальним тиском на виході 0,5 МПа, з номінальною частотою обертання 1450 об./хв, масою не більш ніж 7,3 кг для районів з помірним і холодним кліматом, категорія розміщення 4.1:
Агрегат насосний ВГ11-11 УХЛ4.