
Фільтр щілинний 10-80-1 16-80-1 25-80-1 32-80-1 40-80-1 16-125-1 25-125-1 40-125-1 63-125-1
від 700 ₴
Показати оптові ціни- В наявності
- Оптом і в роздріб
- Код: щелевой
- +380 (93) 845-70-32Відділ продажів
Фільтри лужні (пластинчасті) 63-125-1К, 40-80-1К, 25-125-1К, 25-80-1К, 16-125-1К, 16-80-1К, 10-80-1К
|
Щелеві пластинчасті фільтри 63-125-1, 40-80-1, 25-125-1, 25-80-1, 16-125-1, 16-80-1, 10-80-1 УХЛ4 нарізного монтажу, оскільки і вставні лужні фільтри 63-125-2, 40-80-2, 25-125-2, 25-80-2, 16-125-2, 16-80-2, 10-80-2 УХЛ4 слугують для попередньої фільтрації мінеральних олив в'язкістю від 7 до 600 мм2/с (сСт) у мастильних системах, очищення оливи в циркуляційних системах, а також для фільтрації мастильно-охолоджувальних рідин на олійній основі в системах верстатів та інших машин за тиску до 6.3 МПа (63 кгс/см2), температури оливи від 10 °C до 55 °C і температури довкілля від мінус 60 °C до плюс 50 °C.
Структура умовного позначення
|
|
||||||||||||||||||||||||||||||||
Технічні характеристики щілинних (пластинчастих) фільтрів із ручним очищенням
| Позначення | Умовний прохід, мм | Приєднання | Тонкість фільтрації, мкм | Номінальна витрата, л/хв | Маса, кг |
| Фільтр 10-80-1К ( 10-80-1М) | 10 | К3/8" (М16х1,5) | 80 | 10 | 2,1 |
| Фільтр 16-80-1К (16-80-1М) | 16 | К1/2" (М22х1,5) | 16 | 2,1 | |
| Фільтр 25-80-1К (25-80-1М) | 16 | К1/2" (М22х1,5) | 25 | 4,5 | |
| Фильтр 40-80-1К (40-80-1М) | 20 | К3/4" (М27х2) | 40 | 5,12 | |
| Фільтр 16-125-1К (16-125-1М) | 10 | К3/8" (М16х1,5) | 125 | 16 | 2,1 |
| Фільтр 25-125-1К (25-125-1М) | 16 | К1/2" (М22х1,5) | 25 | 2,15 | |
| Фільтр 40-125-1К (40-125-1М) | 16 | К1/2" (М22х1,5) | 40 | 4,5 | |
| Фільтр 63-125-1К (63-125-1М) | 20 | К3/4" (М27х2) | 63 | 5,12 | |
| Фільтр 10-80-2 | 10 | Вбудоване | 80 | 10 | 1,47 |
| Фільтр 16-80-2 | 16 | 16 | 1,53 | ||
| Фільтр 25-80-2 | 16 | 25 | 3,15 | ||
| Фільтр 40-80-2 | 20 | 40 | 3,57 | ||
| Фільтр 16-125-2 | 10 | Вбудоване | 125 | 16 | 1,47 |
| Фільтр 25-125-2 | 16 | 25 | 1,53 | ||
| Фільтр 40-125-2 | 16 | 40 | 3,15 | ||
| Фільтр 63-125-2 | 20 | 63 | 3,57 |
Таблиця аналогів лужних фільтрів
| Сучасне позначення | Установлене позначення |
| Фільтр щілинний 10-80-1К ( 10-80-1М) | Фільтр щілинний 0,08Г41-11 |
| Фільтр щілинний 16-80-1К (16-80-1М) | Фільтр щілинний 0,08Г41-12 |
| Фільтр щілинний 25-80-1К (25-80-1М) | Фільтр щілинний 0,08Г41-13 |
| Фільтр щілинний 40-80-1К (40-80-1М) | Фільтр щілинний 0,08Г41-14 |
| Фільтр щілинний 16-125-1К (16-125-1М) | Фільтр щілинний 0,12Г41-11 |
| Фільтр щілинний 25-125-1К (25-125-1М) | Фільтр щілинний 0,12Г41-12 |
| Фільтр щілинний 40-125-1К (40-125-1М) | Фільтр щілинний 0,12Г41-13 |
| Фільтр щілинний 63-125-1К (63-125-1М) | Фільтр щілинний 0,12Г41-14 |
| Фільтр щілинний 10-80-2 | Фільтр щілинний 0,08Г41-21 |
| Фільтр щілинний 16-80-2 | Фільтр щілинний 0,08Г41-22 |
| Фільтр щілинний 25-80-2 | Фільтр щілинний 0,08Г41-23 |
| Фільтр щілинний 40-80-2 | Фільтр щілинний 0,08Г41-24 |
| Фільтр щілинний 16-125-2 | Фільтр щілинний 0,12Г41-21 |
| Фільтр щілинний 25-125-2 | Фільтр щілинний 0,12Г41-22 |
| Фільтр щілинний 40-125-2 | Фільтр щілинний 0,12Г41-23 |
| Фільтр щілинний 63-125-2 | Фільтр щілинний 0,12Г41-24 |
| Фільтр щілинний M63-125-1 (без склянки) | Фільтр щілинний 0,112Г41-14 |
| Фільтр щілинний 10-160-2 (без склянки) | Аналога немає |
| Фільтр щілинний 16-250-2 (без склянки) | Аналога немає |
| Фільтр щілинний 40-160-2 (без склянки) | Аналога немає |
| Фільтр щілинний 16-160-2 (без склянки) | Аналога немає |
| Фільтр щілинний 25-250-2 (без склянки) | Аналога немає |
| Фільтр щілинний 63-250-2 (без склянки) | Аналога немає |
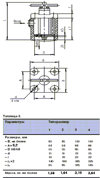
Габаритні та приєднувальні розміри фільтрів щілинних із ручним очищенням
|
Фільтр першого типу (в корпусі) |
Фільтр другого типу (вставний) |
|||||||||||||||||||||||||||||||||||||||||||||||||||||||||||||||||||||||||||||||||
Таблиця розмірів фільтрів щілинних (пластинчастих) (у мм)
|
||||||||||||||||||||||||||||||||||||||||||||||||||||||||||||||||||||||||||||||||||
Фільтр щілинний 25-125-2
|
|
Основні параметри фільтри лужного 25-125-2: |
Фільтр щілинний 40-125-2
|
|
Основні параметри фільтри щілинного 40-125-2: |
Фільтр щілинний 25-80-2
Фільтр щілинний 63-125-1
Фільтр щілинний 40-80-1
Фільтр щілинний 63-125-2
Фільтр щілинний 40-80-2
Фільтр щілинний 10-80-1
Фільтр щілинний 16-80-1
Фільтр щілинний 32-80-1
Фільтр щілинний 40-125-2
Фільтр щілинний 40-125-1К
Під час замовлення використовуються такі позначення:
|
- Ціна: від 700 ₴














.png)






