Гідроклапан тиску ПБГ54-35М, Г54-35, ПГ54-35М, АГ54-35, ПАГ54-35М, БГ54-35, ВГ54-35, ПВГ54-35М, ДГ54-35, ПДГ54-35М
|

Гідроклапани ПБГ54-35М, ПАГ54-35М, ПВГ54-35М, ПГ54-35
|
Клапани тиску (запобіжні) Р 54-35 М, БГ 54-35 М, ВГ 54-35 М, ДГ 54-35 М, АГ 54-35 М, ПГ 54-35 М, ПБГ 54-35 М, ПВГ 54-35 М, ПДГ 54-35 М, ПАГ 54-35 М використовуються в гідравлічних системах як:
- клапан різниці тисків, тобто, для підтримки заданої різниці тисків, що визначається настроюванням регульованою пружини, в подводимом і який відводиться потоки робочої рідини (масла), або в одному з цих потоків і стороннього потоці.
- клапана послідовності для пропускання потоку робочої рідини при досягненні заданої величини тиску, що визначається настроюванням регульованою пружини, в цьому потоці або керуючого (дистанційне керування) потоці.
- запобіжного клапана для запобігання гідравлічного об'ємного привода від тиску, що перевищує максимально допустиме значення.
- переливного клапана для підтримки заданого значення тиску, шляхом безперервного зливу робочої рідини (масла) через зливний канал під час роботи гідравлічної системи.
|
| Клапани Г54 (БГ54,ВГ54,ДГ54,АГ54)-35, ПГ54 (ПБГ54,ПВГ54,ПДГ54,ПАГ54)-35М (гідравлічні) мають різьбовий або стикове виконання по приєднанню. При різьбовому приєднання, отвори корпусу для підключення ліній мають конічну різьбу К1 1/4". В клапанах стикового приєднання отвори виводяться на стыковую площину і закінчуються цековками під кільця (по ГОСТ 9833-73) для ущільнення стику між гидроаппаратом і спеціальними панелями або проміжними плитами, в яких нарізані різьбові отвори потрібного діаметру для безпосереднього монтажу штуцерів. |
Параметри гідроклапанів ПБГ54-35, Г54-35, ПГ54-35, АГ54-35, ПАГ54-35, БГ54-35, ВГ54-35, ПВГ54-35, ДГ54-35, ПДГ54-35
| Параметр |
Норми для виконань |
| Гідроклапан Г54-35(М) ПГ54-35(М) |
Гідроклапан АГ54-35(М) ПАГ54-35(М) |
Гідроклапан БГ54-35(М) ПБГ54-35(М) |
Гідроклапан ВГ54-35М ПВГ54-35М |
Гідроклапан ДГ54-35(М) ПДГ54-35(М) |
| Діаметр умовного проходу, мм |
32 |
32 |
32 |
32 |
32 |
| Витрата, л/хв: ном. / макс. / хв. |
200 / 300 / 9 |
| Внутриполостные витоку, см3/хв, не більше |
50 |
75 |
90 |
150 |
300 |
| Ном. тиск настроювання, МПа |
2,5 |
1,0 |
6,3 |
10,0 |
20,0 |
| Диапазонрегулировки тиску, МПа |
0,4-2,8 |
0,3-1,2 |
0,6-7,0 |
1,2-11,2 |
4,0-23,0 |
| Ном. перепад тисків, МПа |
0,2 |
| Маса клапана не більше, кг |
6,8 |
Умовне позначення гідроклапанів тиску типу Г54-3
| ХГ |
|
Х |
|
Г54-3 |
|
Х |
|
ХХХХ |
|
| |
|
|
|
Кліматичне виконання за ГОСТ 15150: УХЛ4, 04.1
|
 |
|
Виконання по усл. проходу: 2 - 10 мм, 4 - 20 мм, 5 - 32 мм
|
 |
|
Позначення типу гідроклапана (М - означає "модернізований")
|
 |
|
Виконання по номінальному тиску установки: А - 1 Мпа, Б - 6,3 МПа, В - 10 МПа, Д - 20 МПа
|
 |
|
Виконання клапана за способом монтажу: без індексу - трубний (різьбовий), П - стиковий (притычный)
|
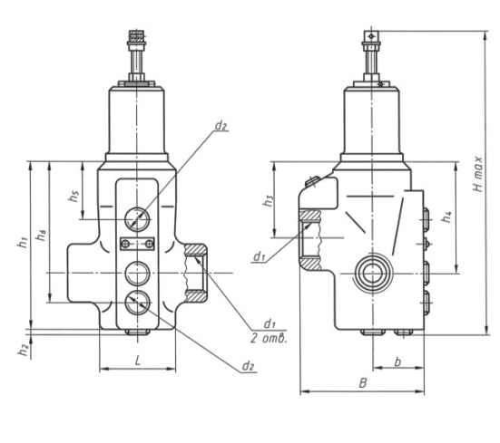
Габаритні і приєднувальні розміри гідроклапана тиску типу (П)Г54-35
Розміри гідроклапана тиску типу Г54-35 (трубне приєднання) |
| Модель клапана |
Розміри, мм |
| d1 |
d1 |
Hmax |
L |
B |
h1 |
h2 |
h3 |
h4 |
h5 |
h6 |
b |
| АГ54-35(М) |
K1 1/4" |
K1/8" |
252 |
100 |
94 |
142 |
3 |
58 |
101 |
24 |
125 |
40 |
| Г54-35(М) |
K1 1/4" |
K1/8" |
252 |
100 |
94 |
142 |
3 |
58 |
101 |
24 |
125 |
40 |
| БГ54-35(М) |
K1 1/4" |
K1/8" |
252 |
100 |
94 |
142 |
3 |
58 |
101 |
24 |
125 |
40 |
| ВГ54-35(М) |
K1 1/4" |
K1/8" |
252 |
100 |
94 |
142 |
3 |
58 |
101 |
24 |
125 |
40 |
| ДГ54-35(М) |
K1 1/4" |
K1/8" |
274 |
100 |
94 |
142 |
3 |
59 |
101 |
24 |
125 |
40 |
|
Розміри гідроклапана тиску типу ПГ54-35 (стикове приєднання) |
| Модель клапана |
Розміри, мм |
| Hmax |
L (h14) |
B (h14) |
h1 |
h2 |
h3 |
h4 |
h5 |
h6 |
h7 |
h8 |
l1 |
l2 |
l3 |
l4 |
b |
d1 |
d2 |
| ПАГ54-35(М) |
252 |
108 |
74 |
142 |
3 |
10 |
26 |
70 |
93 |
96 |
32 |
80 |
60 |
32 |
20 |
64 |
25 |
17 |
| ПГ54-35(М) |
252 |
108 |
74 |
142 |
3 |
10 |
26 |
70 |
93 |
96 |
32 |
80 |
60 |
32 |
20 |
64 |
25 |
17 |
| ПБГ54-35(М) |
252 |
108 |
74 |
142 |
3 |
10 |
26 |
70 |
93 |
96 |
32 |
80 |
60 |
32 |
20 |
64 |
25 |
17 |
| ПВГ54-35(М) |
252 |
108 |
74 |
142 |
3 |
10 |
26 |
70 |
93 |
96 |
32 |
80 |
60 |
32 |
20 |
64 |
25 |
17 |
| ПДГ54-35(М) |
274 |
108 |
74 |
142 |
3 |
10 |
26 |
70 |
93 |
96 |
32 |
80 |
60 |
32 |
20 |
64 |
25 |
17 |
Гідроклапан тиску ПВГ54-35М
|

|
Технічні характеристики клапана ПВГ 54-35 М (ПВГ 54-35М) УХЛ4:
- тип клапана - запобіжний;
- приєднання - стикове;
- умовний прохід 32 мм;
- номінальний тиск 10 МПа;
- номінальний витрата рідини 200 л/хв;
- максимальний витрата рідини 250 л/хв;
- кліматичне виконання для районів з помірним і холодним кліматом;
- маса не більше 5,7 кг
|
Гідроклапан тиску БГ54-35М

|
Технічні характеристики клапана БГ 54-35 М (БГ 54-35М) УХЛ4:
- тип клапана - запобіжний;
- приєднання - трубне;
- умовний прохід 32 мм;
- номінальний тиск 6,3 МПа;
- номінальний витрата рідини 200 л/хв;
- максимальний витрата рідини 250 л/хв;
- кліматичне виконання для районів з помірним і холодним кліматом;
- маса не більше 4,95 кг
|
Гідроклапан тиску ПБГ54-35М
|

|
Технічні характеристики клапана ПБГ 54-35 М (ПБГ 54-35М) УХЛ4:
- тип клапана - запобіжний;
- приєднання - стикове;
- умовний прохід 32 мм;
- номінальний тиск 6,3 МПа;
- номінальний витрата рідини 200 л/хв;
- максимальний витрата рідини 250 л/хв;
- кліматичне виконання для районів з помірним і холодним кліматом;
- маса не більше 4,7 кг
|
Приклад умовного позначення гідроклапана тиску модернізованого з діаметром умовного проходу 32 мм, що працює при номінальному тиском 6,3 МПа (діапазон регулювання 0,6-7,0 МПа), з номінальною витратою робочої рідини 200 л/хв, стикового монтажу, призначеному для роботи в помірному кліматі, категорії розміщення 4:
- Гідроклапан тиску ПБГ54-35М УХЛ4
См. так само:
• гідроклапани тиску Г54-32, ПГ54-32М, БГ54-32М (Ду = 10 мм)
• гідроклапани тиску типу Г54-34 і ПГ54-34М (Ду = 20 мм)
|