
ВЕ10.575. Гідророзподільник ВЕ 10 575
від 100 ₴
Показати оптові ціниМінімальна сума замовлення на сайті — 300 ₴
- В наявності
- Оптом і в роздріб
- Код: ве10
- +380 (93) 845-70-32Відділ продажів
Гідророзподільниками ВЕ10 575 Г24 (В110, В220)
|
|
Принцип дії розподілювачів ВЕ10
|
|
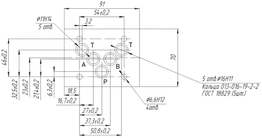
Монтажна поверхня розподілювачів ВЕ10
|
Технічні характеристики гідророзподільників ВЕ10
Структура умовного позначення
|
Характеристики
|
||||||||||||||||||||||||||||||||||||||||||||||||||||||||||||||||||||||||||||||||||
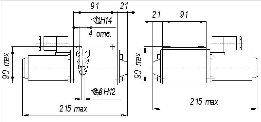
Габаритні та приєднувальні розміри в мм гідророзподільників ВЕ10
|
|
||
| 1.1 Магнит "a" 1.2 Магніт "b" 2. Розмір для магніту з прихованим ручним дублюванням 3. Розмір для магніту з ручним дублюванням 5, 6 — сполучний штекер зі світлодіодною індикацією (входить до комплекту постачання) 9. Заводська табличка |
10. Одинакові ущільнювальні кільця для каналів A, B, P, TA, TB. 11. Нарізна заглушка для розподілювачів з одним магнітом 12. Простір, потрібний для зняття з'єднувального штекера/ кутового з'єднувального штекера 13. Необхідне місце для зняття котушки з гідророзподільника 14. Контрайка, момент затягування MA = 6+2 Нм |
15. Положення входів згідно з ISO 4401-05-04-0-05 і NFPAT3.5.1 R2-2002 D05 16. Вхід TB може використовуватися тільки в поєднанні з окремим отвором. |
Пристрій і характеристики гідророзподільників ВЕ10
|
|
Пристрій гідророзподільників ВЕ-10: Елементи конструкції:
Керування золотником відбувається через подавання напруги на електромагнітне, яке генерує магнітне поле та впливає на золотушник через штовхач. Завдяки цьому потік оливи рухається в необхідному напрямку: від P до A і від B до T або від P до B і від A до T. У разі вимкнення електромагнітної пружини повертає золотник у вихідне положення. Двопозиційні гідророзподільники ВЕ10.574А можуть мати можливість фіксації золотника в крайньому положенні, що дає змогу не тримати електромагнітну електрику тривалий час під напругою після переміщення полотниця. Якщо фіксування немає, після вимкнення електромагнітна повернення золотика у вихідне положення відбувається завдяки пружині, як і в трипозиційних схемах. Дренаж витоків робочого середовища з торцевих порожнин золотистика відбувається через дренажний отвір. Характеристики гідророзподільників ВЕ10
|
|||||||||||||||||||||||||||
Гідророзподільник ВЕ10 574А Г24, ВЕ 10 574А В110, ВЕ10-574А-В220
|
|
Гідророзподільник ВЕ10 574А Г24, ВЕ10 574А В110, ВЕ10 574А В220 з однобічним електромагнітним керуванням (електромагнітна здатність розміщена з боку каналу А) на 24 В постійного струму (в інших виробленнях на 110 і 220 В змінного струму) застосовується в гідроагрегатах промислових і мобільних машин (наприклад, бурові машини). Гідросхема 574А
Основні параметри гідророзподільника ВЕ10.574А.В110 (В220, Г24): |
Гідророзподільник ВЕ10 574 Г24, ВЕ 10 574 В110, ВЕ10-574-В220
|
|
Гідророзподільник ВЕ10 574 Г24, ВЕ10 574 В110, ВЕ10 574 В220 з однобічним електромагнітним керуванням (електромагнітна здатність розміщена з боку каналу А) на 24 В постійного струму (в інших виробленнях на 110 і 220 В змінного струму) застосовується в гідроагрегатах пресів, токарних, фрезерних, литих верстатів і в складі інших гідроагрегатів і комплексів. Гідросхема 574
Основні параметри гідророзподільника ВЕ10.574.В110 (В220, Г24): |
Гідророзподільник ВЕ10 573 Г24, ВЕ 10 573 В110, ВЕ10-573-В220
|
|
Гідророзподільник ВЕ10 573 Г24, ВЕ10 573 В110, ВЕ10 573 В220 з однобічним електромагнітним керуванням (електромагнітна здатність розміщена з боку каналу А) на 24 В постійного струму (в інших виробленнях на 110 і 220 В змінного струму) застосовується в гідроагрегатах пресів, токарних, фрезерних, литих верстатів і в складі інших гідроагрегатів і комплексів. Гідросхема 573
Основні параметри гідророзподільника ВЕ10.573.В110 (В220, Г24): |
Гідророзподільник ВЕ10 573Е Г24, ВЕ 10 573Е В110, ВЕ10-573Е-В220
|
|
Гідророзподільник ВЕ10 573Е Г24, ВЕ10 573Е В110, ВЕ10 573Е В220 з однобічним електромагнітним керуванням (електромагнітна здатність розміщена з боку каналу В) на 24 В постійного струму (в інших виробленнях на 110 і 220 В змінного струму) застосовується в гідросистемах станків і мобільної техніки. До комплекту постачання входять: штекер зі світлодіодною індикацією режимів роботи та гвинти для кріплення гідророзподільника на гідроагрегат. Гідросхема 573Е
Основні параметри гідророзподільника ВЕ10.573Е.В110 (В220, Г24): |
Гідророзподільник ВЕ10 574Е Г24, ВЕ 10 574Е В110, ВЕ10-574Е-В220
|
|
Гідророзподільник ВЕ10 574Е Г24, ВЕ10 574Е В110, ВЕ10 574Е В220 з однобічним електромагнітним керуванням (електромагнітна здатність розміщена з боку каналу В) на 24 В постійного струму (в інших виробленнях на 110 і 220 В змінного струму) застосовується в гідросистемах станків і мобільної техніки. До комплекту постачання входять: штекер зі світлодіодною індикацією режимів роботи та гвинти для кріплення гідророзподільника на гідроагрегат. Гідросхема 574Е
Основні параметри гідророзподільника ВЕ10.574Е.В110 (В220, Г24): |
Гідророзподільник ВЕ10 574А ОФ Г24, ВЕ 10 574А ОФ В110, ВЕ10-574А-ОФ-В220
|
|
Гідророзподільник ВЕ10 574А ОФ Г24, ВЕ10 574А ОФ В110, ВЕ10 574А ОФ В220 з однобічним електромагнітним керуванням (електромагнітна здатність розміщена з боку каналу В) на 24 В постійного струму (в інших виробленнях на 110 і 220 В змінного струму) застосовується в гідросистемах станків і мобільної техніки. До комплекту постачання входять: штекер зі світлодіодною індикацією режимів роботи та гвинти для кріплення гідророзподільника на гідроагрегат. Гідросхема 574А ОФ
Основні параметри гідророзподільника ВЕ10.574А.ОФ.В110 (В220, Г24): |
Плита монтажна (приєднувальна) розподілювача ВЕ-10-574(Е,А)
|
|
Основні параметри плити приєднувальної ВЕ10.574А (574,574Е,573): -вузловий прохід встановлюваного гідророзподільника — 10 мм. - приєднувальна різь для підведення гідроліній — К3/8 дюйма; - підведення гідроліній — збоку в боки; - вага — не більш ніж 1 кг. |
Приклад умовного позначення гідравлічного золотникового розподільника з однобічним електромагнітним керуванням, Ду = 10 мм, тип електромагнітного — "мокрий", зі схемою розподілу 574А, живлення від мережі 24 В постійного струму, для роботи в холодному та помірному кліматі:
Гідророзподільник ВЕ10.574А.Г24.
- Ціна: від 100 ₴





















.png)








