Кошик
19 відгуків
+380 (67) 256-62-52
+380 (93) 845-70-32
ТОВ АСПЕКТ 2000 - верстатна гідравліка, пневматика та електромуфти
Кошик

Гідроклапан запобіжний 50-20-3-11

від 100 ₴

Показати оптові ціни

Мінімальна сума замовлення на сайті — 300 ₴

  • В наявності
  • Оптом і в роздріб
  • Код: м-кп
Гідроклапан запобіжний 50-20-3-11
Гідроклапан запобіжний 50-20-3-11В наявності
від 100 ₴
+380 (67) 256-62-52
Відділ продажів
  • +380 (93) 845-70-32
    Відділ продажів
+380 (67) 256-62-52
Відділ продажів
  • +380 (93) 845-70-32
    Відділ продажів
Законом не передбачено повернення та обмін даного товару належної якості

Гідроклапани запобіжні 50-20-3-11 (50-200-3-11)

Гидроклапаны предохранительные М-КП, МКП, М-ПКП, М-КПЭ, МКПЭ

Клапан М-КП- 20-20-1-11

     Клапани запобіжні М-КП- 50-20-3-11, 50 200 3 11 фланцевого монтажу застосовуються для запобігання гідросистему від перевантаження у разі підвищення тиску, підтримання встановленої величини тиску та дистанційного розвантаження гідравлічних систем. Сфера застосування: гідроприводи пресів, верстатів, ливарних і литтявих машин, мобільної техніки та іншого гідрофільованого обладнання.
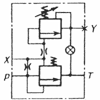
   Запобіжні клапани тиску непрямої дії МКП є стикового, трубного та фланцевого монтажу. На малюнку нижче показана конструкція запобіжного клапана тиску непрямої дії М-ПКП стикового монтажу.
     Клапан МКП (МПКП) складається з таких основних деталей і вузлів: корпусу 1, клапана 8, розміщеного в гільзі 10, пружини 9 і допоміжного клапана 3, а у виконанні з електрокеруванням вони додатково комплектуються електромагнітним пілотом ВЕ6.574А, що встановлюється на клапані 3. Робоча рідина з напірної лінії надходить до отвору Р корпусу та відводиться в зливну лінію через отвір Т. Отвір Р через малий отвір 11 в клапані 8 з'єднаний із надклапанною порожниною 2, звідки робоча рідина через клапан 3 може надходити в отвір Т каналом 7.
     Якщо тиск у гідравлічній системі не перевищує тиску настроювання клапана 3 (регулюється гвинтом 6, що стискає пружину 5), останній закритий, тиску в торцевих порожнинах клапана 8 однакові, і він притискає пружиною 9 до конусного сідла гільзи 10, роз'єднуючи отвори Р і Т. Коли сила від тиску робочої рідини на конус 4 допоміжного клапана перевищує зусилля його пружини, конус відходить від сідла, і рідина в невеликій кількості з отвору Р через малий отвір 11, допоміжний клапан і канал 7 проходить в отвір Т.

     Через падіння тиску в отворі 11 тиск у надклапанній порожнині 2 зменшується, і клапан під дією тиску в отворі Р підіймається вгору, стискаючи пружину 9 і з'єднуючи отвори Р і Т. Переміщення клапана вгору відбувається доти, поки сила від тиску в отворі Р не компенсує силу від тиску в порожнині 2 і силу пружини 9, після чого тиск у отворі Р (в напірній лінії гідравлічної системи) автоматично підтримується постійним у широкому діапазоні витрат робочої рідини через клапан.
     У разі, якщо отвір Х з'єднати з лінією зливу, тиск у порожнині 2 впаде, і клапан 8 під дією невеликого тиску (приблизно 0,3 МПа) у отворі P підніметься, стискаючи порівняно слабку пружину 9 і з'єднуючи отвори Р і Т (режим розвантаження). У гідроклапанах МКПВ з електрокеруванням розвантаження здійснюється у разі вимкненого (нормально відкрите виконання) або ввімкненого (нормально закритого виконання) електромагнітного пілота.

Конструкція запобіжного клапана непрямої дії М-КП для стикового монтажу

Конструкция предохранительного клапана непрямого действия М-КП для стыкового монтажа

Габаритні та приєднувальні розміри М-ПКП-10 (20, 32) стикового монтажу

Габаритные и присоединительные размеры М-ПКП-10 (20, 32) стыкового монтажа

Габаритні та приєднувальні розміри М-КП-10 (20, 32) трубного монтажу

Габаритные и присоединительные размеры М-КП-10 (20, 32)

Габаритні та приєднувальні розміри М-КП-40 (50) фланцового монтажу

Габаритные и присоединительные размеры М-КП-40 (50) фланцевого монтажа

Таблиця розмірів клапанів запобіжних М-КП 10-10 (20,32)-2-11

Позначення H H1 B1 L L1 L2 L3 L4 L5 L6 D D1 D2
МКПВ 10/3 С2В
МКПВ 10/3 С3В
МКПВ 10/3 С4В
99 20,5 80 138,5 53,8 - 22,1 47,5 21 89 22 14 13
МКПВ 10/3 С2Р
МКПВ 10/3 С3Р
МКПВ 10/3 С4Р
99 20,5 80 144,5 53,8 - 22,1 47,5 21 89 22 14 13
МКПВ 10/3 С2П
МКПВ 10/3 С3П
МКПВ 10/3 С4П
99 20,5 80 149,5 53,8 - 22,1 47,5 21 89 22 14 13
МКПВ 10/3 С2П
МКПВ 10/3 С3П
МКПВ 10/3 С4П
99 20,5 80 176,5 53,8 - 22,1 47,5 21 89 22 14 13

Таблиця розмірів клапанів запобіжних М-КП-20-20 (32,10)-2-11

Позначення H H1 B1 L L1 L2 L3 L4 L5 L6 D D1 D2
МКПВ 20/3 С2В
МКПВ 20/3 С3В
МКПВ 20/3 С4В
99 25 100 146 66,7 23,8 11,1 55,6 34,5 116 32 23 17
МКПВ 20/3 С2Р
МКПВ 20/3 С3Р
МКПВ 20/3 С4Р
99 25 100 152 66,7 23,8 11,1 55,6 34,5 116 32 23 17
МКПВ 20/3 С2П
МКПВ 20/3 С3П
МКПВ 20/3 С4П
99 25 100 157 66,7 23,8 11,1 55,6 34,5 116 32 23 17
МКПВ 20/3 С2П
МКПВ 20/3 С3П
МКПВ 20/3 С4П
99 25 100 184 66,7 23,8 11,1 55,6 34,5 116 32 23 17

Таблиця розмірів клапанів запобіжних М-КП-32-32 (20,10) — 2-11

Позначення H H1 B1 L L1 L2 L3 L4 L5 L6 D D1 D2
МКПВ 32/3 С2В
МКПВ 32/3 С3В
МКПВ 32/3 С4В
99 25 113 151 88,9 31,8 12,7 76,2 42,5 152 39 29 19
МКПВ 32/3 С2Р
МКПВ 32/3 С3Р
МКПВ 32/3 С4Р
99 25 113 157 88,9 31,8 12,7 76,2 42,5 152 39 29 19
МКПВ 32/3 С2П
МКПВ 32/3 С3П
МКПВ 32/3 С4П
99 25 113 162 88,9 31,8 12,7 76,2 42,5 152 39 29 19
МКПВ 32/3 С2П
МКПВ 32/3 С3П
МКПВ 32/3 С4П
99 25 113 189 88,9 31,8 12,7 76,2 42,5 152 39 29 19

Гідравлічні схеми клапанів тиску М-КП

Номер схеми Позначення клапана Умовне позначення Функція клапана
2

М-КП-10-10(100)-1-11
М-КП-10-20(200)-1-11
М-КП-10-32(320)-1-11
М-КП-20-10(100)-1-11
М-КП-20-20(200)-1-11
М-КП-20-32(320)-1-11
М-КП-32-10(100)-1-11
М-КП-32-20(200)-1-11
М-КП-10-10(100)-2-11
М-КП-10-20(200)-2-11
М-КП-10-32(320)-2-11
М-КП-20-10(100)-2-11

М-КП-20-20(200)-2-11

М-КП-20-32(320)-2-11

М-КП-32-10(100)-2-11

М-КП-32-20(200)-2-11

М-КП-32-32(320)-2-11

Гидравлические схемы клапанов давления М-КП

Запобігання гідросистемам від перевантажень, підтримці вбудованого тиску та дистанційному розвантаження через з'єднання отвору Х зі зливною лінією
3 М-КП-10-10(100)-1-21(131),
М-КП-10-20(200)-1-21(131),
М-КП-10-32(320)-1-21(131),
М-КП-10-10(100)-2-21(131)

М-КП-10-20(200)-2-21(131),
М-КП-10-32(320)-2-21(131),
М-КП-20-10(100)-2-21(131),
М-КП-20-20(200)-2-21(131)

М-КП-20-32(320)-2-21(131),
М-КП-32-10(100)-2-21(131),
М-КП-32-20(200)-2-21(131),
М-КП-32-32(320)-2-21(131)

Гидравлические схемы клапанов давления МКПВ

Запобігання гідросистемі від перевантажень і підтримці налаштованого тиску за ввімкненого електромагнітного пілота, розвантаження — у разі вимкненого

Технічні характеристики клапанів М-КП, М-ПКП (Болгарія, МЗ ГАРАНТ)

Найменування
Ду, мм
Q, л/хв
P, Мпа
М-КП-12
10
3÷56
0,3÷10
М-КП-12-01
10
3÷56
1÷20
М-КП-12-02
10
3÷56
1,6÷32
М-ПКП-12
10
3÷56
0,3÷10
М-ПКП-12-01
10
3÷56
1÷20
М-ПКП-12-02
10
3÷56
1,6÷32
М-КП-20
20
5÷140
0,3÷10
М-КП-20-01
20
5÷140
1÷20
М-КП-20-02
20
5÷140
1,6÷32
М-ПКП-20
20
5÷140
0,3÷10
М-ПКП-20-01
20
5÷140
1÷20
М-ПКП-20-02
20
5÷140
1,6÷32
М-КП-32
32
10÷350
0,3÷10
М-КП-32-01
32
10÷350
1÷20
М-КП-32-02
32
10÷350
1,6÷32
М-ПКП-32
32
10÷350
0,3÷10
М-ПКП-32-01
32
10÷350
1÷20
М-ПКП-32-02
32
10÷350
1,6÷32
М-КПЭ-12
10
3÷56
0,3÷10
М-КПЕ-12-01
10
3÷56
1÷20
М-КПЭ-12-02
10
3÷56
1,6÷32
М-ПКПЕ-12
10
3÷56
0,3÷10
М-ПКПЕ-12-01
10
3÷56
1÷20
М-ПКПЕ-12-02
10
3÷56
1,6÷32
М-КПЭ-20
20
5÷140
0,3÷10
М-КПЭ-20-01
20
5÷140
1÷20
М-КПЭ-20-02
20
5÷140
1,6÷32
М-ПКПЕ-20
20
5÷140
0,3÷10
М-ПКПЕ-20-01
20
5÷140
1÷20
М-ПКПЕ-20-02
20
5÷140
1,6÷32
М-КПЭ-32
32
10÷350
0,3÷10
М-КПЭ-32-01
32
10÷350
1÷20
М-КПЭ-32-02
32
10÷350
1,6÷32
М-ПКПЕ-32
32
10÷350
0,3÷10
М-ПКПЕ-32-01
32
10÷350
1÷20
М-ПКПЕ-32-02
32
10÷350
1,6÷32

Клапан запобіжний М-КП 10-20-2-11

Клапан предохранительный М-КП 10-20-2-11

   Основні параметри гідроклапана запобіжного стикового монтажу   МКП 10-200-2-11:

- умовний прохід — 10 мм;
- номінальний тиск — 20 МПа;
- приєднання до гідросистеми — стикове;
- керування — ручне;

- маса — не більш ніж 3 кг.

Гідроклапан М-КП 20-20-1-11

Гидроклапан М-КП 20-20-1-11

   Основні параметри клапана запобіжного трубного монтажу   МКП 20-200-1-11:

- умовний прохід — 20 мм;
- номінальний тиск — 20 МПа;
- приєднання до гідросистеми — трубне;
- керування — ручне;

- маса — не більш ніж 4 кг.

     Можливі варіанти маркування клапанів МКП:

  Гідроклапан МКП М-КП 10-10-1-11, 10-20-1-11, 10-32-1-11, 20-10-1-11, 20-20-1-11, 20-32-1-11, 32-10-1-11, 32-20-1-11, 32-32-1-11, 10-10-133-133, 10-10-132-1, 10-132-1, 10-132-1, 10-132-1, 10-132-1, 10-132 20-10-133, 20-10-131, 20-10-132, 20-20-1-133, 20-20-131, 20-20-132, 20-20-132-132, 20-32-1-133, 20-32-131, 20-32-132, 32-10-133, 32-10-131, 32-10-131, 32-10-132-132-1-10-132-1, 32-10-131, 32-131 10-10-2-11, 10-20-2-11, 10-32-2-11, 20-10-2-11, 20-20-2-11, 20-32-2-11, 32-10-2-11, 32-20-2-11, 32-32-2-11.

Інформація для замовлення
  • Ціна: від 100 ₴