
Насос пластинчастий БГ12-23М
від 100 ₴
Показати оптові ціниМінімальна сума замовлення на сайті — 300 ₴
- В наявності
- Оптом і в роздріб
- Код: бг12
- +380 (93) 845-70-32Відділ продажів
Пластинчасті (лопатеві) насоси БГ12-23М
|
|
Насосы БГ12 23М, БГ12-23М, БГ12-23 УХЛ4 пластинчасті однопотокові нерегульовані першого та другого габариту з постійним напрямком потоку оливи призначені для подавання під тиском чистої мінеральної оливи в гідросистеми верстатів та інших машин. Насоси БГ12-21(22,23,24,25)А(М) виготовляються однопотокові (БГ12-2...М) и двопотокові ((5,8,12,18,25,35)БГ12-2...М). Двопотокові насоси призначені для подавання під тиском мінеральної оливи двома незалежними потоками. Робочий тиск насосів 12,5 МПа (пікове 14 МПа). Насоси працюють на чистих мінеральних оливах в'язкістю від 17 до 400 сСт за температури оливи від +10 до +50 °C за температури довкілля від 0 до +40 °C. Олія, що надходить у насос, має бути відфільтрована від частинок розмірами більш ніж 0,025 мм. Напрямок обертання валу насоса правий. За особливим замовленням насоси можуть виготовлятися з лівим напрямком обертання вала. У замовленні треба вказати типорозмір насоса та напрямок обертання вала. Наприклад, для насоса правого обертання — БГ12-23АМ, для насоса лівого обертання — БГ12-23АМ лев. |
Технічні характеристики однопотокових насосів БГ12-2М
| Модель насоса | БГ12-21АМ | БГ12-21М | БГ12-22АМ | БГ12-22М | БГ12-23АМ | БГ12-23М | БГ12-24АМ | БГ12-24М | БГ12-25АМ |
| Тиск на виході ном. / макс., кгс/см² | 125 / 140 | ||||||||
| Тиск на вході, кгс/см2 | ±0,2 | ||||||||
| Робочий об'єм, см3 | 5 | 8 | 12,5 | 16 | 20 | 25 | 45 | 56 | 80 |
| Частота обертання ном. / макс. / хв, об/хв | 1500 / 1800 / 1200 | ||||||||
| Подавання, л/хв | 5,4 | 9 | 14,6 | 19,4 | 25,5 | 33 | 56 | 73,9 | 108 |
| Номінальна потужність, кВт | 2 | 3,06 | 4,6 | 5,65 | 6,94 | 8,45 | 15,1 | 19,6 | 26 |
| Маса насоса, кг | 9,2 | 22 | |||||||
Пристрій і принцип дії насосів БГ12-2М

У корпусі 1 і кришці 2 встановлений робочий комплект, що складається зі статора 3, ротора 4, пластини 5, диска з шийкою 6, диска плоского 7. Вал 8 вільно обертається в підшипнику кочення 9. У кришці розміщений всмоктувальний отвір Б, у корпусі — нагнітальний В. Двопотоковий насос об'єднує два однопотокових насоси. У корпусних деталях встановлені робочі комплекти двох однопотокових насосів. Двопотоковий насос має загальний всмоктувальний отвір. Нагнітання відбувається двома незалежними потоками. Принцип дії однопотокових і двопотокових насосів однаковий. Під час обертання вала пластини переміщаються в пазах ротора відповідно до профілів внутрішньої поверхні статора. Камера Г (між пластинами, статором і ротором) під час з'єднання з каналами всмоктування збільшує свій об'єм і заповнюється робочою рідиною, що надходить із магістралі всмоктування, а під час з'єднання з каналами нагнітання зменшує свій об'єм, витісняючи робочу рідину в магістраль нагнітання. Насос встановлюється в будь-якому положенні. З'єднання вала насоса з приводним валом виконувати за допомогою пружної (еластичної) муфти. Допуск смоктання осій валів 0,1 мм у діаметральному вираженні. Напрямок обертання вала має відповідати стрілці, розташованій на табличці. Передавання на вал радіальних і осьових навантажень із боку привода не допускається. Для захисту насоса та гідросистеми від перевантажень необхідно встановити запобіжний клапан, настроювання якого не має перевищувати номінального тиску на виході, а витрата клапана має бути не менш подавання насоса. Бак має відповідати вимогам ГОСТ 16770-86. Об'єм бака має бути не менш ніж двохвилинний подавання насоса. Всмоктувальний і зливний трубопроводи мають бути занурені в бак на глибину приблизно двох діаметрів труби від дна. Трубопроводи мають бути з плавними вигинами, ретельно очищені, мати надійне ущільнення в місці приєднання до насоса, що виключає можливість підсмоктування повітря. Всмоктувальний трубопровід має бути за можливістю коротким із мінімальною кількістю вигинів. Діаметр отвору всмоктувального трубопроводу, його довжина та додаткові з'єднання мають вибиратися з умов, що швидкість робочої рідини не має перевищувати 1,5 м/с і абсолютний тиск на вході в насос має бути -0,08...0,12 МПа (0,8... 1,2 кгс/см2). На всмоктувальному трубопроводі допускається встановлювати фільтр з індикатором забрудненості за умови, що абсолютний тиск на вході в насос не менш ніж 0,08 МПа.
Структура умовного позначення БГ12-2
|
||||||||||||||||||||||||||||||||||||||||||||||||
Розміри насосів БГ12-21(А)М, БГ12-22(А)М, БГ12-23(А)М (перший габарит)
|
|
Розміри насосів БГ12-24АМ, БГ12-24М, БГ12-25АМ (другий габарит)
|
|
Насос пластинчастий БГ12-21АМ
|
|
Основні параметри насоса БГ 12-21 АМ, БГ12-21А УХЛ4: |
Насос пластинчастий БГ12-21М
|
|
Основні параметри насоса БГ12-21, БГ 12-21 М УХЛ4: |
Насос пластинчастий БГ12-22АМ
|
|
Основні параметри насоса БГ12-22А, БГ 12-22 АМ УХЛ4: |
Насос пластинчастий БГ12-22М
|
|
Основні параметри насоса лопатного БГ12-22, БГ 12-22 М УХЛ4: |
Насос пластинчастий БГ12-23АМ
|
|
Основні параметри насоса БГ12-23А, БГ 12-23 АМ УХЛ4: |
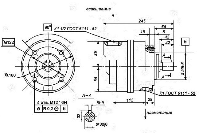
Насос пластинчастий БГ12-23М
|
|
Основні параметри насоса БГ12-23, БГ 12-23 М УХЛ4: |
Насос пластинчастий БГ12-24АМ
|
|
Насос БГ 12 24АМ призначений для встановлення в гідравлічних приводах металорізальних верстатів, пресів та іншого обладнання, у якому необхідно забезпечити нерегульований за величиною потік оливи з постійним тиском. Основні параметри лопатного (пластинчастого) насоса БГ12-24АМ: Насоси БГ12-24АМ можуть постачатися з правим (за годинниковою стрілкою з боку вала) і лівим напрямком обертання вала. |
Насос пластинчастий БГ12-24М
|
|
Насос БГ12-24М встановлюються в гідроприводах верстатів, пресів та іншого гідрофірованого обладнання й забезпечують постійний, нерегульований потік робочої рідини з постійним тиском. Основні параметри лопатного (пластинчастого) насоса НПЛ 12,5/6,3: Насоси НПл 12,5/6,3 можуть постачатися з правим (за годинниковою стрілкою з боку вала) і лівим напрямком обертання вала. |
Насос пластинчастий БГ12-25АМ
|
|
Основні параметри насоса лопатного БГ12-25А, БГ 12-25 АМ УХЛ4: |
Приклад умовного позначення під час замовлення насоса пластинчастого нерегульованого з номінальним робочим об'ємом 80 см3, номінальною поданням 108 л/хв і номінальним робочим тиском на виході 12,5 МПа:
Насос БГ12-25АМ УХЛ4.
| Основні | |
|---|---|
| Напрямок обертання | Ліве |
| Виробник | Ама |
- Ціна: від 100 ₴






















