
Насос пластинчастий БГ12-24АМ
від 100 ₴
Показати оптові ціниМінімальна сума замовлення на сайті — 300 ₴
- В наявності
- Оптом і в роздріб
- Код: бг12
- +380 (93) 845-70-32Відділ продажів
Насоси пластинчасті (лопатеві) БГ12-24АМ
|
|
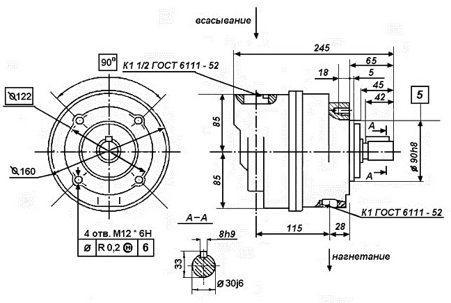
Насоси пластинчасті БГ12 24АМ, БГ12 24А УХЛ4 (насоси лопатні) тиску 6,3 МПа, габариту 1 застосовуються в гідроприводах металорізальних верстатів та інших машин, де потрібен нерегульований за величиною потік мінеральної оливи. Температура -10 до +60 °C. Тонкість фільтрації оливи 25 мкм. Частота обертання насосов БГ12-2 тиску 12.5 МПа габарита 2 — 1500 об./хв. Напрямок обертання — правий (за годинниковою стрілкою з боку привода). За потреби насоси БГ12-24АМ(24М,25АМ) пластинчасті однопотокові тиску 12.5 МПа габариту 2 можуть бути виготовлені з лівим напрямком обертання вала. Размеры насосов БГ12-24, БГ12-25
|
||||
Основні параметри насосів БГ12-24АМ, БГ12-24М, БГ12-25АМ
| Назва (стара назва) |
Номінальний тиск на виході, МПа | Номінальне подавання, л/хв | Номінальний робочий об'єм, см3 | Номінальна частота обертання, об/хв | Номінальна потужність, кВт | Маса, кг |
Детальний опис: |
|
| Насос БГ12-24АМ | 12,5 | 56 | 45 | 1500 | 5,04 | 9,7 | ||
| Насос БГ12-24М | 73 | 56 | 7,6 | |||||
| Насос БГ12-25АМ | 105 | 80 | 9,9 |
Пристрій і принцип дії насосів БГ12

У корпусі 1 і кришці 2 встановлений робочий комплект, що складається зі статора 3, ротора 4, пластини 5, диска з шийкою 6, диска плоского 7. Вал 8 вільно обертається в підшипнику кочення 9. У кришці розміщений всмоктувальний отвір Б, у корпусі — нагнітальний В. Двопотоковий насос об'єднує два однопотокових насоси. У корпусних деталях встановлені робочі комплекти двох однопотокових насосів. Двопотоковий насос має загальний всмоктувальний отвір. Нагнітання відбувається двома незалежними потоками. Принцип дії однопотокових і двопотокових насосів однаковий. Під час обертання вала пластини переміщаються в пазах ротора відповідно до профілів внутрішньої поверхні статора. Камера Г (між пластинами, статором і ротором) під час з'єднання з каналами всмоктування збільшує свій об'єм і заповнюється робочою рідиною, що надходить із магістралі всмоктування, а під час з'єднання з каналами нагнітання зменшує свій об'єм, витісняючи робочу рідину в магістраль нагнітання. Насос встановлюється в будь-якому положенні. З'єднання вала насоса з приводним валом виконувати за допомогою пружної (еластичної) муфти. Допуск смоктання осій валів 0,1 мм у діаметральному вираженні. Напрямок обертання вала має відповідати стрілці, розташованій на табличці. Передавання на вал радіальних і осьових навантажень із боку привода не допускається. Для захисту насоса та гідросистеми від перевантажень необхідно встановити запобіжний клапан, настроювання якого не має перевищувати номінального тиску на виході, а витрата клапана має бути не менш подавання насоса. Бак має відповідати вимогам ГОСТ 16770-86. Об'єм бака має бути не менш ніж двохвилинний подавання насоса. Всмоктувальний і зливний трубопроводи мають бути занурені в бак на глибину приблизно двох діаметрів труби від дна. Трубопроводи мають бути з плавними вигинами, ретельно очищені, мати надійне ущільнення в місці приєднання до насоса, що виключає можливість підсмоктування повітря. Всмоктувальний трубопровід має бути за можливістю коротким із мінімальною кількістю вигинів. Діаметр отвору всмоктувального трубопроводу, його довжина та додаткові з'єднання мають вибиратися з умов, що швидкість робочої рідини не має перевищувати 1,5 м/с і абсолютний тиск на вході в насос має бути -0,08...0,12 МПа (0,8... 1,2 кгс/см2). На всмоктувальному трубопроводі допускається встановлювати фільтр з індикатором забрудненості за умови, що абсолютний тиск на вході в насос не менш ніж 0,08 МПа.
Насос пластинчастий БГ12-24АМ (БГ12-24А)
|
|
Насос БГ 12 24АМ призначений для встановлення в гідравлічних приводах металорізальних верстатів, пресів та іншого обладнання, у якому необхідно забезпечити нерегульований за величиною потік оливи з постійним тиском. Основні параметри лопатного (пластинчастого) насоса БГ12-24АМ: Насоси БГ12-24АМ можуть постачатися з правим (за годинниковою стрілкою з боку вала) і лівим напрямком обертання вала. |
Насос пластинчастий БГ12-24М (БГ12-24)
|
Насос БГ12-24М встановлюються в гідроприводах верстатів, пресів та іншого гідрофірованого обладнання й забезпечують постійний, нерегульований потік робочої рідини з постійним тиском. Основні параметри лопатного (пластинчастого) насоса НПЛ 12,5/6,3: Насоси НПл 12,5/6,3 можуть постачатися з правим (за годинниковою стрілкою з боку вала) і лівим напрямком обертання вала. |
Насос пластинчастий БГ12-25АМ (БГ12-25А)
|
|
Основні параметри насоса лопатного БГ12-25А, БГ 12-25 АМ УХЛ4: |
Приклад умовного позначення під час замовлення насоса пластинчастого нерегульованого з номінальним робочим об'ємом 80 см3, номінальною поданням 108 л/хв і номінальним робочим тиском на виході 12,5 МПа:
Насос БГ12-25АМ УХЛ4.
| Основні | |
|---|---|
| Виробник | Ама |
| Напрямок обертання | Ліве |
- Ціна: від 100 ₴















