
Фільтр напірний 1ФГМ32-25 1ФГМ32-10 1ФГМ32-40
від 100 ₴
Показати оптові ціниМінімальна сума замовлення на сайті — 300 грн
- В наявності
- Оптом і в роздріб
- Код: фгм
- +380 (93) 845-70-32Відділ продажів
Фільтри опорні 1ФГМ32-25К, 1ФГМ32-40К, 1ФГМ32-10К з індикатором забрудненості
|
— Фільтри 1 ФГМ 32-25 К, 1 ФГМ 32-10 К, 1 ФГМ 32-40 К УХЛ4 напірні (гідравлічні) з індикатором забрудненості (заміна застарілого виконання фільтрів ФП7, Ф7М) на номінальний тиск 32 МПа призначені для очищення від механічних домішок мінеральних олив. — Фільтри ФГМ застосовуються в металорізальних, деревообробних та інших верстатах, а також у кузньово-пресовому та ливарному обладнанні. Кінематична в'язкість очисних мінеральних олив не більш ніж 200 мм2/c за температури до 80 °C.
— Фільтри 1ФГМ32,2ФГМ32,3ФГМ32,4ФГМ32-25(10,40)К виготовляються на номінальний тиск 32 МПа (ФГМ32 — чотири габарити). За тонкістю фільтрації виготовляються такі варіації: 5, 10, 25 і 40 мкм.
Як фільтроелемент в фільтрах ФГМ використовуються фільтроелементи РЕГОТМАС.
Позначення фільтрів ФГМ
|
|||||||||||||||||||||||||||||||||||||||||||||
Основні параметри фільтрів напірних 1ФГМ, 2ФГМ, 3ФГМ, 4ФГМ
| Марка фільтра | Умовний прохід/різьба | Номінальний тиск | Номінальна витрата | Вага | Габаритні розміри |
| мм / K (M) | МПа | л/хв | кг | мм | |
| Фільтр 1ФГМ32-05К | Ду=12 / К1/2"(М22х1,5) | 32 | 15,5 | 5,6 | 268x106 |
| Фільтр 1ФГМ32-10К | Ду=12 / К1/2"(М22х1,5) | 32 | 40 | 5,6 | 268x106 |
| Фільтр 1ФГМ32-25К | Ду=12 / К1/2"(М22х1,5) | 32 | 40 | 5,6 | 268x106 |
| Фільтр 1ФГМ32-40К | Ду=12 / К1/2"(М22х1,5) | 32 | 50 | 5,6 | 268x106 |
| Фільтр 2ФГМ32-05К | Ду=20 / К3/4"(М27х1,5) | 32 | 25 | 7,0 | 368x106 |
| Фільтр 2ФГМ32-10К | Ду=20 / К3/4"(М27х1,5) | 32 | 80 | 7,0 | 368x106 |
| Фільтр 2ФГМ32-25К | Ду=20 / К3/4"(М27х1,5) | 32 | 80 | 7,0 | 368x106 |
| Фільтр 2ФГМ32-40К | Ду=20 / К3/4"(М27х1,5) | 32 | 100 | 7,0 | 368x106 |
| Фільтр 3ФГМ32-05К | Ду=32 / К1 1/4"(М42х2) | 32 | 63 | 14,7 | 413x150 |
| Фільтр 3ФГМ32-10К | Ду=32 / К1 1/4"(М42х2) | 32 | 200 | 14,7 | 413x150 |
| Фільтр 3ФГМ32-25К | Ду=32 / К1 1/4"(М42х2) | 32 | 200 | 14,7 | 413x150 |
| Фільтр 3ФГМ32-40К | Ду=32 / К1 1/4"(М42х2) | 32 | 200 | 14,7 | 413x150 |
| Фільтр 4ФГМ32-05К | Ду=40 / К1 1/2"(М48х2) | 32 | 100 | 19,5 | 413x150 |
| Фільтр 4ФГМ32-10К | Ду=40 / К1 1/2"(М48х2) | 32 | 320 | 19,5 | 413x150 |
| Фільтр 4ФГМ32-25К | Ду=40 / К1 1/2"(М48х2) | 32 | 320 | 19,5 | 413x150 |
| Фільтр 4ФГМ32-40К | Ду=40 / К1 1/2"(М48х2) | 32 | 400 | 19,5 | 413x150 |
Рекомендації щодо експлуатації фільтрів

— Фільтри ФГМ встановлюють у напірних магістралях гідросистем у місці, зручному для обслуговування, у вертикальному положенні, щоб напрямок стрілки на головці фільтра збігався з напрямком руху робочої рідини.
— Для заміни фільтрувального елемента після спрацьовування індикатора забрудненості вимкнути насосне встановлення і, після падіння тиску до 0, відвернути склянку, видалити забруднений фільтроелемент, помістити чистий фільтроелемент у склянку та загорнути його.
— Під час запуску системи з холодною оливою, в'язкість якої вища за 30 мм2/с, індикатор забрудненості може видати помилкові сигнали з можливим відкриттям запобіжного клапана, водночас індикатор повертається у вихідне положення в міру розігрівання оливи. Якщо індикатор не повертається у вихідне положення, необхідно короткочасно вимкнути систему.
Умова, зберігання — 2 (С) за ГОСТом 15150.
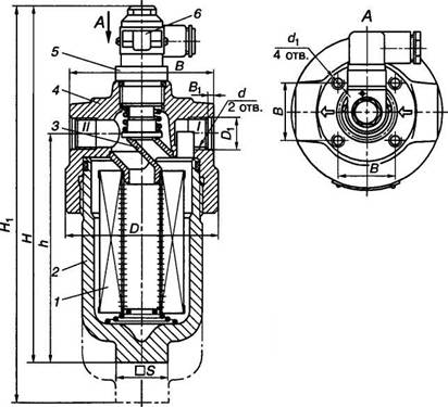
Пристрій фільтрів напірних ФГМ

— Фільтр напірний з індикатором забрудненості типу ФГМ складається з головки з вхідним і вихідним отворами, склянки, з'єднаного герметично за допомогою кільця. Усередині стакана розміщений встановлений на сідлі фільтроелемент. На головці встановлений індикатор забрудненості, у корпусі якого є засоби сигналізації про забрудненість фільтроелементу та перепуск неочищеної рідини.
— Фільтр працює в такий спосіб. Робоча рідина через вхідний отвір у головці фільтра надходить у порожнину склянки, проходить через фільтроелемент, очищається й через отвір сідла та вихідний отвір надходить у систему. У разі підвищення перепаду тиску на фільтроелементу в міру його забруднення починає переміщатися плунжер, розташований у поршня, стискаючи пружину та, висуваючи шток, на хвостовику якого встановлений постійний магніт. У разі перепаду тисків (0,3±-0,03) МПа в полі дії магніту виявиться магнітнокерований контакт (геркон), пелюстки якого замкнуті, і надійде електричний сигнал про потребу заміни забрудненого фільтроелементу.
— Через несвоєчасну заміну фільтроелемента відбувається подальше підвищення перепаду тиску до (0,5±0,1) МПа, відкриття запобіжного клапана й неочищена робоча рідина надходить у систему, минаючи фільтроелемент. Водночас фільтр працює в аварійному режимі.
Фільтр напірний 1ФГМ32-40К
|
|
Основні параметри фільтри гідравлічного (напірного) 1 ФГМ 32-40 К (1ФГМ32-40) УХЛ4: |
Фільтр напірний 1ФГМ32-10К
|
|
Основні параметри фільтри гідравлічного (напірного) 1 ФГМ 32-10 К (1ФГМ32-10) УХЛ4: |
Фільтр напірний 1ФГМ32-25К
|
|
Основні параметри фільтри гідравлічного (напірного) 1 ФГМ 32-25 К (1ФГМ32-25) УХЛ4: |
Фільтр напірний 2ФГМ32-40К
|
|
Основні параметри фільтри гідравлічного (напірного) 2 ФГМ 32-40 К (2ФГМ32-40) УХЛ4: |
Фільтр напірний 2ФГМ32-10К
|
|
Основні параметри фільтри гідравлічного (напірного) 2 ФГМ 32-10 К (2ФГМ32-10) УХЛ4: |
Фільтр напірний 2ФГМ32-25К
|
|
Основні параметри фільтри гідравлічного (напірного) 2 ФГМ 32-25 К (2ФГМ32-25) УХЛ4: |
Фільтр напірний 3ФГМ32-40К
|
|
Основні параметри фільтри гідравлічного (напірного) 3 ФГМ 32-40 К (3ФГМ32-40) УХЛ4: |
Фільтр напірний 3ФГМ32-10К
|
|
Основні параметри фільтри гідравлічного (напірного) 3 ФГМ 32-10 К (3ФГМ32-10) УХЛ4: |
Фільтр напірний 3ФГМ32-25К
|
|
Основні параметри фільтри гідравлічного (напірного) 3 ФГМ 32-25 К (3ФГМ32-25) УХЛ4: |
— Приклади умовного позначення під час замовлення напірних фільтрів ФГМ:
Фільтр гідравлічний напірний 1ФГМ32-25К
Фільтр гідравлічний напірний 2ФГМ32-10К
Фільтр гідравлічний напірний 3ФГМ32-05К
Фільтр гідравлічний напірний 4ФГМ32-40М.
| Основні | |
|---|---|
| Виробник | K&M |
- Ціна: від 100 ₴











.jpg)





