Фільтри напірні 3ФГМ32-40К
|

Фільтр 1ФГМ32-25К
|
— Фільтри 3ФГМ32-40К, 3 ФГМ 32-40 УХЛ4 напірні (гідравлічні) з індикатором забрудненості (заміна застарілого виконання фільтрів ФГІ, Ф7) на номінальний тиск 32 МПа призначені для очищення від механічних домішок мінеральних олив.
— Фільтри ФГМ застосовуються в металорізальних, деревообробних та інших верстатах, а також у кузньово-пресовому та ливарному обладнанні. Кінематична в'язкість очисних мінеральних олив не більш ніж 200 мм2/c за температури до 80 °C.
— Фільтри опорні 1ФГМ32, 2ФГМ32, 3ФГМ32, 4ФГМ32 — 25,10,40 К виготовляються на номінальний тиск 32 МПа (ФГМ32 — чотири габарити). За тонкістю фільтрації виготовляються такі варіації: 5, 10, 25 і 40 мкм.
Як фільтроелемент в фільтри 1ФГМ, 2ФГМ, 3ФГМ, 4ФГМ використовуються фільтроелементи РЕГОТМАС.
Позначення фільтрів 1ФГМ, 2ФГМ, 3ФГМ, 4ФГМ
| 1ФГМ |
|
32 |
- |
25 |
|
К |
|
УХЛ4 |
|
| |
|
|
|
Кліматичне виконання за ГОСТ 15150: УХЛ4, 04.1
|
 |
|
Тип різі на вхідному та вихідному отворах фільтра:
К = конічна
М = метрична
|
 |
|
Номінальна тонкість фільтрації:
05 = 5 мкм
10 = 10 мкм
25 = 25 мкм
40 = 40 мкм
|
 |
|
32 = номінальний тиск 32 МПа
|
 |
|
Виготовлення фільтра ФГМ за габаритом:
1ФГМ = Ду 12 мм
2ФГМ = Ду 20 мм
3ФГМ = Ду 32 мм
4ФГМ = Ду 40 мм
|
|
Основні параметри фільтрів напірних 1ФГМ, 2ФГМ, 3ФГМ
| Марка фільтра |
Умовний прохід/різьба |
Номінальний тиск |
Номінальна витрата |
Вага |
Габаритні розміри |
| мм / K (M) |
МПа |
л/хв |
кг |
мм |
| Фільтр 1ФГМ32-05К(05М) |
Ду=12 / К1/2"(М22х1,5) |
32 |
15,5 |
5,6 |
268x106 |
| Фільтр 1ФГМ32-10К(10М) |
Ду=12 / К1/2"(М22х1,5) |
32 |
40 |
5,6 |
268x106 |
| Фільтр 1ФГМ32-25К (25М) |
Ду=12 / К1/2"(М22х1,5) |
32 |
40 |
5,6 |
268x106 |
| Фільтр 1ФГМ32-40К(40М) |
Ду=12 / К1/2"(М22х1,5) |
32 |
50 |
5,6 |
268x106 |
| Фільтр 2ФГМ32-05К(05М) |
Ду=20 / К3/4"(М27х1,5) |
32 |
25 |
7,0 |
368x106 |
| Фільтр 2ФГМ32-10К(10М) |
Ду=20 / К3/4"(М27х1,5) |
32 |
80 |
7,0 |
368x106 |
| Фільтр 2ФГМ32-25К (25М) |
Ду=20 / К3/4"(М27х1,5) |
32 |
80 |
7,0 |
368x106 |
| Фільтр 2ФГМ32-40К(40М) |
Ду=20 / К3/4"(М27х1,5) |
32 |
100 |
7,0 |
368x106 |
| Фильтр 3ФГМ32-05К(05М) |
Ду=32 / К1 1/4"(М42х2) |
32 |
63 |
14,7 |
413x150 |
| Фільтр 3ФГМ32-10К(10М) |
Ду=32 / К1 1/4"(М42х2) |
32 |
200 |
14,7 |
413x150 |
| Фильтр 3ФГМ32-25К(25М) |
Ду=32 / К1 1/4"(М42х2) |
32 |
200 |
14,7 |
413x150 |
| Фільтр 3ФГМ32-40К(40М) |
Ду=32 / К1 1/4"(М42х2) |
32 |
200 |
14,7 |
413x150 |
| Фільтр 4ФГМ32-05К(05М) |
Ду=40 / К1 1/2"(М48х2) |
32 |
100 |
19,5 |
413x150 |
| Фільтр 4ФГМ32-10К(10М) |
Ду=40 / К1 1/2"(М48х2) |
32 |
320 |
19,5 |
413x150 |
| Фільтр 4ФГМ32-25К (25М) |
Ду=40 / К1 1/2"(М48х2) |
32 |
320 |
19,5 |
413x150 |
| Фільтр 4ФГМ32-40К(40М) |
Ду=40 / К1 1/2"(М48х2) |
32 |
400 |
19,5 |
413x150 |
Рекомендації з експлуатації фільтрів 1ФГМ32, 2ФГМ32, 3ФГМ32, 4ФГМ32

— Фільтри ФГМ 32 встановлюють у напірних магістралях гідросистем у місці, зручному для обслуговування, у вертикальному положенні, щоб напрямок стрілки на головці фільтра збігався з напрямком руху робочої рідини.
— Для заміни фільтрувального елемента після спрацьовування індикатора забрудненості вимкнути насосну установку і, після падіння тиску до 0, повернути склянку, видалити забруднений фільтроелемент, помістити чистий фільтроелемент у склянку та загорнути його.
— Під час запуску системи з холодною оливою, в'язкість якої вища за 30 мм2/с, індикатор забрудненості може видати помилкові сигнали з можливим відкриттям запобіжного клапана, водночас індикатор повертається у вихідне положення в міру розігрівання оливи. Якщо індикатор не повертається у вихідне положення, необхідно короткочасно вимкнути систему.
Умова, зберігання — 2 (С) за ГОСТом 15150.
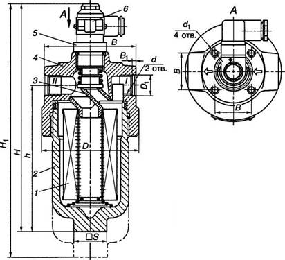
Пристрій фільтрів ФГМ

— Фільтр 1(2,3,4)ФГМ32-25(10,40)К напірний з індикатором забрудненості типу ФГМ складається з головки з вхідним і вихідним отворами, склянки, з'єднаного герметично за допомогою кільця. Усередині стакана розміщений встановлений на сідлі фільтроелемент. На головці встановлений індикатор забрудненості, у корпусі якого є засоби сигналізації про забрудненість фільтроелементу та перепуск неочищеної рідини.
— Фільтр ФГМ32 працює в такий спосіб. Робоча рідина через вхідний отвір у головці фільтра надходить у порожнину склянки, проходить через фільтроелемент, очищається й через отвір сідла та вихідний отвір надходить у систему. У разі підвищення перепаду тиску на фільтроелементу в міру його забруднення починає переміщатися плунжер, розташований у поршня, стискаючи пружину та, висуваючи шток, на хвостовику якого встановлений постійний магніт. У разі перепаду тисків (0,3±-0,03) МПа в полі дії магніту виявиться магнітнокерований контакт (геркон), пелюстки якого замкнуті, і надійде електричний сигнал про потребу заміни забрудненого фільтроелементу.
— Через несвоєчасну заміну фільтроелемента відбувається подальше підвищення перепаду тиску до (0,5±0,1) МПа, відкривання запобіжного клапана й неочищена робоча рідина надходить у систему, минаючи фільтроелемент. Водночас фільтр працює в аварійному режимі.
Фільтр напірний 1ФГМ32-40К
|

|
Основні параметри фільтра 1 ФГМ 32-40 К (М) УХЛ4:
- Фільтр 1ФГМ32-40К, приєднувальна різь K1/2", витрата 50 л/хв, фільтроелемент Р-600-1-06 (19);
- Фільтр 1ФГМ32-40М, приєднувальна різь М22х1,5, витрата 50 л/хв, фільтроелемент Р-600-1-06 (19);
|
Фільтр напірний 2ФГМ32-40К
|

|
Основні параметри фільтра 2 ФГМ 32-40 К(М) УХЛ4:
- Фільтр 2ФГМ32-40К, приєднувальна різь K3/4", витрата 100 л/хв, фільтроелемент Р-605Г-1-06;
- Фільтр 2ФГМ32-40М, приєднувальна різь М27х1,5, витрата 100 л/хв, фільтроелемент Р-605Г-1-06;
|
Фільтр напірний 3ФГМ32-40К
|

|
Основні параметри 3 ФГМ 32-40 К(М) УХЛ4:
- Фільтр 3ФГМ32-40К, приєднувальна різь K1 1/4", витрата 200 л/хв, фільтроелемент Р-630-1-06 (19);
- Фільтр 3ФГМ32-40М, приєднувальна різь М42х2, витрата 200 л/хв, фільтроелемент Р-630-1-06 (19);
|
Фільтр напірний 3ФГМ32-10К
|

|
Основні параметри 3 ФГМ 32-10 К(М) УХЛ4:
- Фільтр 3ФГМ32-10К, приєднувальна різь K1 1/4", витрата 200 л/хв, фільтроелемент Р-630-1-06 (19);
- Фільтр 3ФГМ32-10М, приєднувальна різь М42х2, витрата 200 л/хв, фільтроелемент Р-630-1-06 (19);
|
|
— Приклади умовного позначення під час замовлення напірних фільтрів ФГМ:
Фільтр гідравлічний напірний 1ФГМ32-25К
Фільтр гідравлічний напірний 2ФГМ32-10К
Фільтр гідравлічний напірний 3ФГМ32-05К
Фільтр гідравлічний напірний 4ФГМ32-40М.
|
|