Фільтри лужні (пластинчасті) 63-125-1(2), 40-80-1(2), 25-125-1(2), 25-80-1(2), 16-125-1(2), 16-80-1(2), 10-80-1(2)
|

Фільтр у корпусі
|
Щелеві (пластинчасті) фільтри 63-125-1, 40-80-1, 40-125-1, 25-125-1, 25-80-1, 16-125-1, 16-80-1, 10-80-1, 63-125-2, 40-125-2, 40-80-2, 25-125-2, 25-80-2, 16-125-2, 16-80-2, 10-80-2 (стара назва фільтр щілинний Г41-14(11,12,13), Г41-23(24,22,21)) слугують для попередньої фільтрації мінеральних олив в'язкістю від 7 до 600 мм2/с (сСт) у мастильних системах, очищення оливи в циркуляційних системах, а також для фільтрації мастильно-охолоджувальних рідин на олійній основі в системах верстатів та інших машин за тиску до 6.3 МПа (63 кгс/см2), температури оливи від 10 °C до 55 °C і температури довкілля від мінус 60 °C до плюс 50 °C.
Фільтри випускаються у двох виконанніх:
-
Виготовлення 1 (фільтри лужні 10-80-1К, 16-80-1К, 25-80-1К, 16-125-1К, 25-125-1К, 40-125-1К, 63-125-1К) — у корпусі з нарізним приєднанням (К — конічна різь, М — метрична різь), монтовані на трубопроводі;
-
Виконання 2 (фільтри лужні 10 80 2, 16 80 2, 25 80 2, 40 80 2, 16 125 2, 25 125 2, 40 125 2, 63 125 2) — вбудовані (фланцеві), монтовані безпосередньо на корпусі механізму.
Структура умовного позначення
| 40 |
- |
125 |
- |
1 |
- |
К |
|
| |
|
|
Приєднувальна різь:
К = конічна;
М = метрична.
|
 |
|
Виготовлення:
1 = у корпусі (см. фото зліва);
2 = вставний (див. фото праворуч)
|
 |
|
Номінальна тонкість фільтрації:
80 = 80 мкм;
125 = 125 мкм.
|
 |
|
40 = номінальна витрата фільтра (см. табл. нижче)
|
|
Фільтр вставний |
Таблиця аналогів лужних фільтрів Г41
| Сучасне позначення |
Установлене позначення |
| Фільтр щілинний 10-80-1К ( 10-80-1М) |
Фільтр щілинний 0,08 Г41-11 |
| Фільтр щілинний 16-80-1К (16-80-1М) |
Фільтр щілинний 0,08 Г41-12 |
| Фільтр щілинний 25-80-1К (25-80-1М) |
Фільтр щілинний 0,08 Г41-13 |
| Фільтр щілинний 40-80-1К (40-80-1М) |
Фільтр щілинний 0,08 Г41-14 |
| Фільтр щілинний 16-125-1К (16-125-1М) |
Фільтр щілинний 0,12 Г41-11 |
| Фільтр щілинний 25-125-1К (25-125-1М) |
Фільтр щілинний 0,12 Г41-12 |
| Фільтр щілинний 40-125-1К (40-125-1М) |
Фільтр щілинний 0,12 Г41-13 |
| Фільтр щілинний 63-125-1К (63-125-1М) |
Фільтр щілинний 0,12 Г41-14 |
| Фільтр щілинний 10-80-2 |
Фільтр щілинний 0,08 Г41-21 |
| Фільтр щілинний 16-80-2 |
Фільтр щілинний 0,08 Г41-22 |
| Фільтр щілинний 25-80-2 |
Фільтр щілинний 0,08 Г41-23 |
| Фільтр щілинний 40-80-2 |
Фільтр щілинний 0,08 Г41-24 |
| Фільтр щілинний 16-125-2 |
Фільтр щілинний 0,12 Г41-21 |
| Фільтр щілинний 25-125-2 |
Фільтр щілинний 0,12 Г41-22 |
| Фільтр щілинний 40-125-2 |
Фільтр щілинний 0,12 Г41-23 |
| Фільтр щілинний 63-125-2 |
Фільтр щілинний 0,12 Г41-24 |
Технічні характеристики щілинних (пластинчастих) фільтрів із ручним очищенням
| Позначення |
Умовний прохід, мм |
Приєднання |
Тонкість фільтрації, мкм |
Номінальна витрата, л/хв |
Маса, кг |
| Фільтр 10-80-1К (10-80-1М) |
10 |
К3/8" (М16х1,5) |
80 |
10 |
2,1 |
| Фільтр 16-80-1К (16-80-1М) |
16 |
К1/2" (М22х1,5) |
16 |
2,1 |
| Фільтр 25-80-1К (25-80-1М) |
16 |
К1/2" (М22х1,5) |
25 |
4,5 |
| Фильтр 40-80-1К (40-80-1М) |
20 |
К3/4" (М27х2) |
40 |
5,12 |
| Фільтр 16-125-1К (16-125-1М) |
10 |
К3/8" (М16х1,5) |
125 |
16 |
2,1 |
| Фільтр 25-125-1К (25-125-1М) |
16 |
К1/2" (М22х1,5) |
25 |
2,15 |
| Фільтр 40-125-1К (40-125-1М) |
16 |
К1/2" (М22х1,5) |
40 |
4,5 |
| Фільтр 63-125-1К (63-125-1М) |
20 |
К3/4" (М27х2) |
63 |
5,12 |
| Фільтр 10-80-2 |
10 |
Вбудоване |
80 |
10 |
1,47 |
| Фільтр 16-80-2 |
16 |
16 |
1,53 |
| Фільтр 25-80-2 |
16 |
25 |
3,15 |
| Фільтр 40-80-2 |
20 |
40 |
3,57 |
| Фільтр 16-125-2 |
10 |
Вбудоване |
125 |
16 |
1,47 |
| Фільтр 25-125-2 |
16 |
25 |
1,53 |
| Фільтр 40-125-2 |
16 |
40 |
3,15 |
| Фільтр 63-125-2 |
20 |
63 |
3,57 |
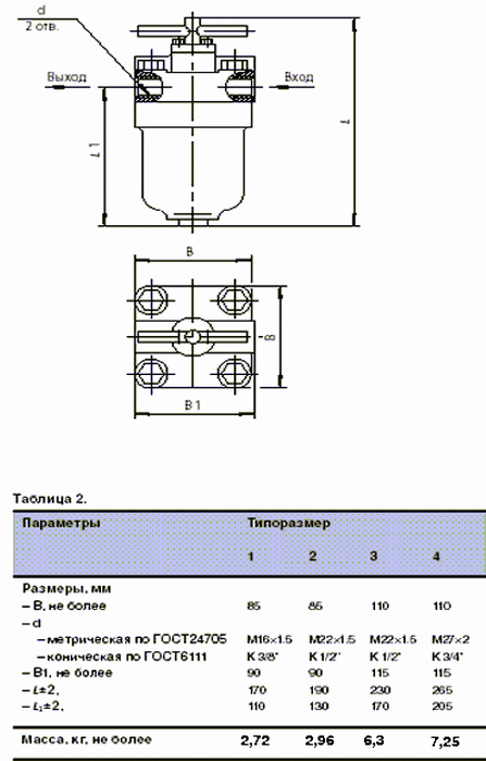
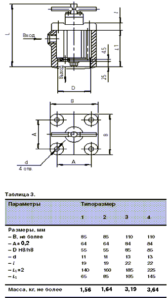
Габаритні та приєднувальні розміри фільтрів щілинних із ручним очищенням
Фільтр першого типу (в корпусі)
 |
Фільтр другого типу (вставний)
 |
Таблиця розмірів фільтрів щілинних (пластинчастих)
| Позначення |
A |
B |
B1 |
D |
L |
L1 |
l |
d |
| Фільтр щілинний (пластинчастий) 10-80-1 (16-125-1) |
- |
85 |
90 |
- |
170 |
110 |
- |
К3/8" (М16х1,5) |
| Фільтр щілинний (пластинчастий) 16-80-1 (25-125-1) |
- |
85 |
90 |
- |
190 |
130 |
- |
К1/2" (М22х1,5) |
| Фільтр щілинний (пластинчастий) 25-80-1 (40-125-1) |
- |
110 |
115 |
- |
230 |
170 |
- |
К1/2" (М22х1,5) |
| Фільтр щілинний (пластинчастий) 40-80-1 (63-125-1) |
- |
110 |
115 |
- |
265 |
205 |
- |
К3/4" (М27х2) |
| Фільтр щілинний (пластинчастий) 10-80-2 (16-125-2) |
64 |
85 |
- |
55 |
140 |
65 |
19 |
11 |
| Фільтр щілинний (пластинчастий) 16-80-2 (25-125-2) |
64 |
85 |
- |
55 |
160 |
85 |
19 |
11 |
| Фільтр щілинний (пластинчастий) 25-80-2 (40-125-2) |
84 |
110 |
- |
85 |
185 |
105 |
22 |
13 |
| Фільтр щілинний (пластинчастий) 40-80-2 (63-125-2) |
84 |
110 |
- |
85 |
225 |
145 |
22 |
13 |
|
Фільтр щілинний 25-125-2
 |
Основні параметри фільтра лужного 25 125 2 УХЛ4:
- умовний прохід 16 мм;
- приєднання в систему вбудоване (фланцове);
- тонкість фільтрації (склепіння очищення) 125 мкм;
- номінальна витрата робочої рідини 25 л/хв;
- маса фільтра 1,53 кг.
|
Фільтр щілинний 40-125-2
|

|
Основні параметри фільтра лужного 40 125 2 УХЛ4:
- умовний прохід 16 мм;
- приєднання в систему вбудоване (фланцове);
- тонкість фільтрації (склепіння очищення) 125 мкм;
- номінальна витрата робочої рідини 40 л/хв;
— маса фільтра 3,15 кг.
|
|
|
Під час замовлення використовуються такі позначення:
- фільтри щілинні (пластинчасті) у корпусі з нарізним приєднанням — 10-80-1, 16-80-1, 25-80-1, 40-80-1, 16-125-1, 25-125-1, 40-125-1, 63-125-1.
- фільтри лужні (пластинчасті) вбудовані — 10-80-2, 16-80-2, 25-80-2, 40-80-2, 16-125-2, 25-125-2, 40-125-2, 63-125-2.
|
|
|