
Гідророзподільник ВММ10.34
від 100 ₴
Показати оптові ціниМінімальна сума замовлення на сайті — 300 ₴
- В наявності
- Оптом і в роздріб
- Код: вмм10
- +380 (93) 845-70-32Відділ продажів
Гідророзподільники ВММ10 34
|
|
Принцип дії розподілювачів ВММ 10 без фіксації
|
|
Монтажна поверхня розподілювачів ВММ10
|
Технічні характеристики гідророзподільників ВММ10
Структура умовного позначення
|
Характеристики
|
||||||||||||||||||||||||||||||||||||||||||||||||||||||||||||||||||||||||||||||||||||||||||
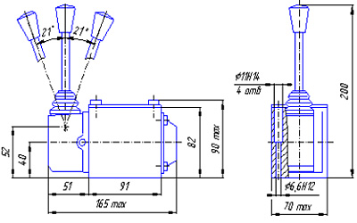
Габаритні та приєднувальні розміри розподілювачів ВММ 10
|
|
||
| 8. Заводська табличка 9. Одинакові ущільнювальні кільця для приєднань A, B, P, TA, TB |
10. Додаткове приєднання T (TB) на вибір може використовуватися в просвердлених блоках. 11. Розташування приєднань гідророзподільника згідно з ISO 4401-05-04-0-05, NFPA T3.5.1 R2 і ANSI B93-7 D05 |
* Приєднувальні плити відповідно до технічного паспорта (окреме замовлення) ** Позиці зазначені на схемі, але не описані тут, мають значення тільки для інших типів розподілювачів |
Плита приєднувальна (монтажна) розподілювача ВММ10
|
|
Основні параметри плити приєднувального розподілювача ВММ 10: -вузловий прохід встановлюваного гідророзподільника — 10 мм. - приєднувальна різь для підведення гідроліній — К3/8 дюйма; - підведення гідроліній — збоку в боки; - вага — не більш ніж 1,5 кг. |
Гідророзподільник ВММ10 574А
|
|
Гідророзподільник ВММ 10 574А УХЛ4 з ручним керуванням за допомогою ручки з пружинним поверненням без фіксації золотника в крайніх положеннях застосовується в гідроагрегатах станків і мобільної техніки, з 574-ою схемою розподілу робочої рідини. Гідросхема 574А
Основні параметри гідророзподільника ВММ 10.574А: |
Гідророзподільник ВММ10 34
|
|
Гідророзподільник ВММ 10 34 УХЛ4 з ручним керуванням за допомогою ручки з пружинним поверненням без фіксації золотника в крайніх положеннях застосовується в гідроагрегатах станків і мобільної техніки, з 34-ою схемою розподілу робочої рідини. Гідросхема 34
Основні параметри гідророзподільника ВММ 10.34: |
Гідророзподільник ВММ10 44
|
|
Гідророзподільник ВММ 10 44 УХЛ4 з ручним керуванням за допомогою ручки з пружинним поверненням без фіксації золотника в крайніх положеннях застосовується в гідроагрегатах станків і мобільної техніки, з 44-ою схемою розподілу робочої рідини. Особливістю цієї схеми є те, що в середньому положенні всі робочі канали перекриті (заперти). Гідросхема 44
Основні параметри гідророзподільника ВММ 10.44: |
Гідророзподільник ВММ10 64
|
|
Гідророзподільник ВММ 10 64 УХЛ4 з ручним керуванням за допомогою ручки з пружинним поверненням без фіксації золотника в крайніх положеннях застосовується в гідроагрегатах станків і мобільної техніки, наприклад, як керівний розподільник виконавчим механізмом стріли автокран. Ця схема розподілу (64) є найпоширенішою, оскільки її застосування не пов'язане з проєктуванням складних гідравлічних систем. Гідросхема 64
Основні параметри гідророзподільника ВММ 10.64: |
Гідророзподільник ВММ10 574
|
|
Гідророзподільник ВММ 10 574 з ручним керуванням за допомогою ручки з пружинним поверненням без фіксації золотника в крайніх положеннях застосовується в гідроагрегатах станків і мобільної техніки, з 574-ою схемою розподілу робочої рідини. Гідросхема 574
Основні параметри гідророзподільника ВММ 10.574: |
Гідророзподільник ВММ10 14
|
|
Гідророзподільник ВММ 10 14 з ручним керуванням за допомогою ручки з пружинним поверненням без фіксації золотника в крайніх положеннях застосовується в гідроагрегатах станків і мобільної техніки, з 14-ою схемою розподілу робочої рідини. Особливістю роботи гідросхеми 14 є те, що в середньому положенні всі канали перепускають робочу рідину. Гідросхема 14
Основні параметри гідророзподільника ВММ 10.14: |
Гідророзподільник ВММ10 24
|
|
Гідророзподільник ВММ 10 24 з ручним керуванням за допомогою ручки з пружинним поверненням без фіксації золотника в крайніх положеннях застосовується в гідроагрегатах станків і мобільної техніки, з 24-ою схемою розподілу робочої рідини. Гідросхема 24
Основні параметри гідророзподільника ВММ 10.24: |
Приклад умовного позначення гідравлічного золотникового розподільника з механічним керуванням від ручки з пружинним поверненням золотистика у вихідне положення, Ду = 10 мм, зі схемою розподілу 64, для роботи в холодному та помірному кліматі:
Гідророзподільник ВММ10.64.
| Основні | |
|---|---|
| Виробник | Гідропривід |
- Ціна: від 100 ₴





























