Гідророзподільники ВМР10 574А Ф (1РМР10 574А Ф) з механічним керуванням
Гідророзподільники ВМР10-574А Ф, 1РМР10-574А Ф відносять до категорії: гідророзподільники з механічним керуванням.
І хоча гідророзподільники з механічним керуванням золотика 1РМР-10 поступово замінюються гідророзподільниками з електромагнітним керуванням типу 1РЕ-10, проте збереглося ще дуже багато сфер застосування цього типу гідророзподільників.
Нижче наведено список гідророзподільників ВМР-10 1РМР-10 (з умовним проходом Ду=10 мм), які Ви можете придбати в нашій компанії.
Гідророзподільник 1РМР10.574A (ВМР10 574A), 1РМР.574A.Ф (ВМР10 574A Ф)
|

Гідророзподільник 1РМР10.574A, 1РМР.574A.Ф
|
Гідророзподільники 1РМР10.574A, 1РМР10.574A.Ф (старіле ВМР10.574A, ВМР10.574A.Ф) з діаметром умовного проходу 10 мм, золотистого типу з механічним керуванням і схемою розподілу потоків робочої рідини 574А призначені для керування потоками гідравлічних рідин у гідравлічних системах верстатів і машин. Є два виконання для цього типу гідророзподільників: 1РМР10 574A - з пружинним поверненням золотистика в нейтральне положення і 1РМР10 574A Ф - з фіксацією золотника в певному положенні.
Гідророзподільник 1РМР10.574A (ВМР10.574A) и 1РМР10.574A.Ф (ВМР10.574A.Ф) належать до золотистих гідравлічних розподільників із механічним керуванням — перемикання положення золотухача відбувається за допомогою тяги механічним зусиллям.
Гідророзподільник типу 1РМР (ВМР10) працюють на мінеральних оливах із кінетичною в'язкістю 10...400 мм2/с із номінальною тонкістю фільтрації не грубіше 25 мкм. Дозволяється робота гідророзподільників 1РМР10 574A, 1РМР10 574A.Ф (старело ВМР10.574A, ВМР10.574A.Ф) за температури довкілля от -40 до +55°С. Кліматичне вироблення й категорія розміщення для цього типу гідророзподільників: УХЛ4, О4, ХЛ1 за ГОСТом 15150.
Зараз гідророзподільники 1РМР10.574A встановлюються замість гідророзподільників ВМР10.574A.
Рекомендовані марки олій для гідророзподільників 1РМР10 574A, 1РМР10 574A Ф (ВМР10 574A, ВМР10 574A Ф):
ІГП-18, ІГП-30, ВНІ ІП-403, ГПСІ-20, ВМГ3, МГЕ-10А.
|
|
Приклад розшифрування позначення гідророзподільника 1РМР10 574A Ф УХЛ4:
гідророзподільник золотистого типу з механічним керуванням, з умовним проходом 10 мм, зі схемою розподілу 574A, з фіксацією золотника, для використання в районах із помірним кліматом.
|
Основні технічні параметри 1РМР10-574-A, 1РМР-574A-Ф
| Найменування параметрів |
1РМР10 574А |
1РМР10 574А Ф |
| Схема розподілу робочої рідини |
574A |
574A |
| Діамтер умовного проходу, мм |
10 |
10 |
| Номінальна витрата робочої рідини, л/хв |
40 |
40 |
| Номінальний тиск на вході, МПа |
32 |
32 |
| Максимальний тиск на виході, МПа |
15 |
15 |
| Максимальний тиск керування, МПа |
0,8-6,0 |
0,8-6,0 |
| Тип гідророзподільника |
Без пружинного повернення золотистика |
З фіксацією |
| Маса гідророзподільника не більш ніж кг |
5,5 |
5,5 |
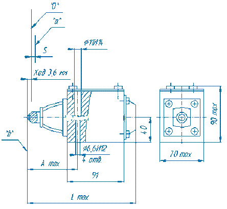
Приєднувальні розміри 1РМР10-574A (ВМР10-574A), 1РМР10-574AФ (ВМР10-574AФ)
Габаритні розміри 1РМР10 574A (ВМР10 574A), 1РМР 574AФ (ВМР 10 574AФ)

| Позначення |
A, мм |
S, мм |
L, мм |
| Гідророзподільник 1РМР10 трипозиційний |
81 |
175 |
3,6 |
| Гідророзподільник 1РМР10 двопозиційний |
77,8 |
172 |
3,6 |
Гідророзподільник ВМР10 574А
|

|
Основні параметри гідророзподільника ВМР10 574А УХЛ4:
— номінальний тиск на вході 32 МПа;
— витрата робочої рідини 32 л/хв;
— умовний прохід 10 мм;
— тлип гідророзподільника — з пружинним поверненням золотуха;
— вага — не більш ніж 6 кг.
|
Гідророзподільник 1РМР10.574А.Ф
|

|
Основні параметри гідророзподільника 1РМР10 574А УХЛ4:
— номінальний тиск на вході 32 МПа;
— витрата робочої рідини 40 л/хв;
— умовний прохід 10 мм;
— тлип гідророзподільника — з фіксацією золотника;
— вага — не більш ніж 6 кг.
|
Гідророзподільник 1РМР10.574 (ВМР10 574), 1РМР.574.Ф (ВМР10 574 Ф)
|
Гідророзподільник 1РМР10.574, 1РМР.574.Ф
|
Гідророзподільник 1РМР10.574, 1РМР10.574.Ф (старіле ВМР10.574, ВМР10.574.Ф) з умовним проходом 10 мм, золотникового типу з механічним керуванням (за допомогою тяги) і схемою розподілу потоків робочої рідини 574 застосовуються для керування потоками гідравлічних рідин у гідросистемах верстатів і гідроагрегатів. Є два виконання за способом встановлення золотника для цього типу гідророзподільників: 1РМР10 574 - пружинне повернення золотистика в нейтральне положення і 1РМР10 574 Ф — з фіксацією золотника в встановленому положенні.
Гідророзподільник 1РМР10.574 (ВМР10.574) и 1РМР10.574.Ф (ВМР10.574.Ф) належать до золотистих гідравлічних розподільників із механічним керуванням — перемикання положення золотухача відбувається за допомогою тяги механічним зусиллям.
Гідророзподільник типу 1РМР (ВМР10) працюють на мінеральних оливах із кінетичною в'язкістю 10...400 мм2/с із номінальною тонкістю фільтрації не грубіше 25 мкм. Дозволяється робота гідророзподільників 1РМР10 574, 1РМР10 574.Ф (старело ВМР10.574, ВМР10.574.Ф) за температури довкілля от -40 до +55°С. Кліматичне вироблення й категорія розміщення для цього типу гідророзподільників: УХЛ4, О4, ХЛ1 за ГОСТом 15150.
Загальноприйнятий на цей момент практика встановлювати гідророзподільники 1РМР10 574 замісо гідророзподільників ВМР10 574, оскільки останні вже кілька років як зняті з виробництва.
Рекомендовані марки олій для гідророзподільників 1РМР10 574, 1РМР10 574 Ф (ВМР10 574, ВМР10 574 Ф):
ІГП18, ГП30, ВНІ ІП403, ГПСІ20, ВМГ3, МГЕ10А.
|
|
Приклад розшифрування позначення гідророзподільника 1РМР10 574 Ф УХЛ4:
гідророзподільник золотистого типу з механічним керуванням, з умовним проходом 10 мм, зі схемою розподілу 574, з фіксацією золотника в обраному положенні, для застосування в районах із помірним кліматом, категорія розміщення 4.
|
Основні технічні параметри 1РМР10-574, 1РМР-574-Ф
| Найменування параметрів |
1РМР10 574 |
1РМР10 574 Ф |
| Схема розподілу робочої рідини |
574 |
574 |
| Діаметр умовного проходу, мм |
10 |
10 |
| Номінальна витрата робочої рідини, л/хв |
40 |
40 |
| Номінальний тиск на вході, МПа |
32 |
32 |
| Максимальний тиск на виході, МПа |
15 |
15 |
| Максимальний тиск керування, МПа |
0,8-6,0 |
0,8-6,0 |
| Тип гідророзподільника |
Без пружинного повернення золотистика |
З фіксацією |
| Маса гідророзподільника не більш ніж кг |
5,5 |
5,5 |
Приєднувальні розміри 1РМР10-574 (ВМР10-574), 1РМР10-574Ф (ВМР10-574Ф)
Габаритні розміри 1РМР10 574 (ВМР10 574), 1РМР 574Ф (ВМР 10 574Ф)

| Позначення |
A, мм |
S, мм |
L, мм |
| Гідророзподільник 1РМР10 трипозиційний |
81 |
175 |
3,6 |
| Гідророзподільник 1РМР10 двопозиційний |
77,8 |
172 |
3,6 |
|
Приклад умовного позначення під час замовлення гідророзподільника з механічним (за допомогою тяги) керуванням Ду=10 мм, зі схемою розподілу потоків робочої рідини 573, з пружинним поверненням полотника в нейтральне положення, для районів із помірним кліматом, категорія розміщення 4:
Гідророзподільник 1РМР10.573 УХЛ4.
|
|