
Гідроклапан запобіжний МКПВ-10/3С2Р1
від 100 ₴
Показати оптові ціниМінімальна сума замовлення на сайті — 300 ₴
- В наявності
- Оптом і в роздріб
- Код: мкпв
- +380 (93) 845-70-32Відділ продажів
Гідроклапани запобіжні МКПВ 10/3С2Р1
|
Клапани запобіжні МКПВ-10/3С2Р1 УХЛ4 стикового монтажу застосовуються для запобігання гідросистему від перевантаження у разі підвищення тиску, підтримання встановленої величини тиску та дистанційного розвантаження гідравлічних систем. Сфера застосування: гідроприводи пресів, верстатів, ливарних і литтявих машин, мобільної техніки та іншого гідрофільованого обладнання. Запобіжні клапани тиску непрямої дії МКПВ є стикового та трубного монтажу. На малюнку нижче показана конструкція запобіжного клапана тиску непрямої дії МКПВ стикового монтажу.
Клапани МКПВ складається з таких основних деталей і вузлів: корпусу 1, клапана 8, розміщеного в гільзі 10, пружини 9 і допоміжного клапана 3, а у виконанні з електрокеруванням вони додатково комплектуються електромагнітним пілотом 1РЕ6, що встановлюється на клапане 3. Робоча рідина з напірної лінії надходить до отвору Р корпусу та відводиться в зливну лінію через отвір Т. Отвір Р через малий отвір 11 в клапані 8 з'єднаний із надклапанною порожниною 2, звідки робоча рідина через клапан 3 може надходити в отвір Т каналом 7.
Якщо тиск у гідравлічній системі не перевищує тиску настроювання клапана 3 (регулюється гвинтом 6, що стискає пружину 5), останній закритий, тиску в торцевих порожнинах клапана 8 однакові, і він притискає пружиною 9 до конусного сідла гільзи 10, роз'єднуючи отвори Р і Т. Коли сила від тиску робочої рідини на конус 4 допоміжні клапани перевищує зусилля його пружини, конус відходить від сідла, і рідина в невеликій кількості з отвору Р через малий отвір 11, допоміжний клапан і канал 7 проходить в отвір Т.
|
|
|
Через падіння тиску в отворі 11 тиск у надклапанній порожнині 2 зменшується, і клапан під дією тиску в отворі Р підіймається вгору, стискаючи пружину 9 і з'єднуючи отвори Р і Т. Переміщення клапана вгору відбувається доти, поки сила від тиску в отворі Р не компенсує силу від тиску в порожнині 2 і силу пружини 9, після чого тиск у отворі Р (в напірній лінії гідравлічної системи) автоматично підтримується постійним у широкому діапазоні витрат робочої рідини через клапан.
У разі, якщо отвір Х з'єднати з лінією зливу, тиск у порожнині 2 впаде, і клапан 8 під дією невеликого тиску (приблизно 0,3 МПа) у отворі P підніметься, стискаючи порівняно слабку пружину 9 і з'єднуючи отвори Р і Т (режим розвантаження). У гідроклапанах МКПВ з електрокеруванням розвантаження відбувається у разі вимкненого (нормально відкрите виконання) або ввімкненого (нормально закритого виконання) електромагнітного пілота.
|
|
Конструкція запобіжного клапана непрямої дії МКПВ
|
|
Основні параметри гідроклапана МКПВ стикового монтажу
| Позначення | Ду, мм | Номінальний тиск настроювання, МПа | Діапазон регулювання тиску, МПа | Номінальна витрата, л/хв | Тип керування розвантаженням | Маса, кг |
| Клапан МКПВ 10/3С2Р | 10 | 6,3 | 0,3-0,7 | 80,0 | Дистанційне гідравлічне керування розвантаженням | 3,45 |
| Клапан МКПВ 10/3 С2Р1 (аналог 10-10-2-11) | 10,0 | 0,5-12,5 | ||||
| Клапан МКПВ 10/3 С2Р2 (аналог 10-20-2-11) | 20,0 | 2,0-25,0 | ||||
| Клапан МКПВ 10/3 С2Р3 (аналог 10-32-2-11) | 32,0 | 5,0-35,0 | ||||
| Клапан МКПВ 20/3С2Р | 20 | 6,3 | 0,3-0,7 | 160,0 | 4,15 | |
| Клапан МКПВ 20/3 С2Р1 (аналог 20-10-2-11) | 10,0 | 0,5-12,5 | ||||
| Клапан МКПВ 20/3 С2Р2 (аналог 20-20-2-11) | 20,0 | 2,0-25,0 | ||||
| Клапан МКПВ 20/3 С2Р3 (аналог 20-32-2-11) | 32,0 | 5,0-35,0 | ||||
| Клапан МКПВ 32/3С2Р | 32 | 6,3 | 0,3-0,7 | 320,0 | 5,95 | |
| Клапан МКПВ 32/3 С2Р1 (аналог 32-10-2-11) | 10,0 | 0,5-12,5 | ||||
| Клапан МКПВ 32/3 С2Р2 (аналог 32-20-2-11) | 20,0 | 2,0-25,0 | ||||
| Клапан МКПВ 32/3 С2Р3 (аналог 32-32-2-11) | 32,0 | 5,0-35,0 | ||||
| Клапан МКПВ 10/3С3Р | 10 | 6,3 | 0,3-0,7 | 80,0 | Електромагнітне керування розвантаженням, нормально розвантажуваний | 3,45 |
| Клапан МКПВ 10/3С3Р1 (аналог 10-10-2-133(-131,-132) | 10,0 | 0,5-12,5 | ||||
| Клапан МКПВ 10/3С3Р2 (аналог 10-20-2-133(-131,-132) | 20,0 | 2,0-25,0 | ||||
| Клапан МКПВ 10/3С3Р3 (аналог 10-32-2-133(-131,-132) | 32,0 | 5,0-35,0 | ||||
| Клапан МКПВ 20/3С3Р | 20 | 6,3 | 0,3-0,7 | 160,0 | 4,15 | |
| Клапан МКПВ 20/3С3Р1 (аналог 20-10-2-133(-131,-132) | 10,0 | 0,5-12,5 | ||||
| Клапан МКПВ 20/3С3Р2 (аналог 20-20-2-133(-131,-132) | 20,0 | 2,0-25,0 | ||||
| Клапан МКПВ 20/3С3Р3 (аналог 20-32-2-133(-131,-132) | 32,0 | 5,0-35,0 | ||||
| Клапан МКПВ 32/3С3Р | 32 | 6,3 | 0,3-0,7 | 320,0 | 5,95 | |
| Клапан МКПВ 32/3С3Р1 (аналог 32-10-2-133(-131,-132) | 10,0 | 0,5-12,5 | ||||
| Клапан МКПВ 32/3С3Р2 (аналог 32-20-2-133(-131,-132) | 20,0 | 2,0-25,0 | ||||
| Клапан МКПВ 32/3С3Р3 (аналог 32-32-2-133(-131,-132) | 32,0 | 5,0-35,0 |
Габаритні та приєднувальні розміри МКПВ-10/3С3, МКПВ-20/3С3, МКПВ-32/3С3
|
|
Габаритні та приєднувальні розміри МКПВ-10/3С2, МКПВ-20/3С2, МКПВ-32/3С2
|
|
Таблиця розмірів клапанів запобіжних МКПВ 10/3С2
| Позначення | H | H1 | B1 | L | L1 | L2 | L3 | L4 | L5 | L6 | D | D1 | D2 |
| МКПВ 10/3 С2В МКПВ 10/3 С3В МКПВ 10/3 С4В |
99 | 20,5 | 80 | 138,5 | 53,8 | - | 22,1 | 47,5 | 21 | 89 | 22 | 14 | 13 |
| МКПВ 10/3 С2Р МКПВ 10/3 С3Р МКПВ 10/3 С4Р |
99 | 20,5 | 80 | 144,5 | 53,8 | - | 22,1 | 47,5 | 21 | 89 | 22 | 14 | 13 |
| МКПВ 10/3 С2П МКПВ 10/3 С3П МКПВ 10/3 С4П |
99 | 20,5 | 80 | 149,5 | 53,8 | - | 22,1 | 47,5 | 21 | 89 | 22 | 14 | 13 |
| МКПВ 10/3 С2П МКПВ 10/3 С3П МКПВ 10/3 С4П |
99 | 20,5 | 80 | 176,5 | 53,8 | - | 22,1 | 47,5 | 21 | 89 | 22 | 14 | 13 |
Таблиця розмірів клапанів запобіжних МКПВ 20/3С2
| Позначення | H | H1 | B1 | L | L1 | L2 | L3 | L4 | L5 | L6 | D | D1 | D2 |
| МКПВ 20/3 С2В МКПВ 20/3 С3В МКПВ 20/3 С4В |
99 | 25 | 100 | 146 | 66,7 | 23,8 | 11,1 | 55,6 | 34,5 | 116 | 32 | 23 | 17 |
| МКПВ 20/3 С2Р МКПВ 20/3 С3Р МКПВ 20/3 С4Р |
99 | 25 | 100 | 152 | 66,7 | 23,8 | 11,1 | 55,6 | 34,5 | 116 | 32 | 23 | 17 |
| МКПВ 20/3 С2П МКПВ 20/3 С3П МКПВ 20/3 С4П |
99 | 25 | 100 | 157 | 66,7 | 23,8 | 11,1 | 55,6 | 34,5 | 116 | 32 | 23 | 17 |
| МКПВ 20/3 С2П МКПВ 20/3 С3П МКПВ 20/3 С4П |
99 | 25 | 100 | 184 | 66,7 | 23,8 | 11,1 | 55,6 | 34,5 | 116 | 32 | 23 | 17 |
Таблиця розмірів клапанів запобіжних МКПВ 32/3С2
| Позначення | H | H1 | B1 | L | L1 | L2 | L3 | L4 | L5 | L6 | D | D1 | D2 |
| МКПВ 32/3 С2В МКПВ 32/3 С3В МКПВ 32/3 С4В |
99 | 25 | 113 | 151 | 88,9 | 31,8 | 12,7 | 76,2 | 42,5 | 152 | 39 | 29 | 19 |
| МКПВ 32/3 С2Р МКПВ 32/3 С3Р МКПВ 32/3 С4Р |
99 | 25 | 113 | 157 | 88,9 | 31,8 | 12,7 | 76,2 | 42,5 | 152 | 39 | 29 | 19 |
| МКПВ 32/3 С2П МКПВ 32/3 С3П МКПВ 32/3 С4П |
99 | 25 | 113 | 162 | 88,9 | 31,8 | 12,7 | 76,2 | 42,5 | 152 | 39 | 29 | 19 |
| МКПВ 32/3 С2П МКПВ 32/3 С3П МКПВ 32/3 С4П |
99 | 25 | 113 | 189 | 88,9 | 31,8 | 12,7 | 76,2 | 42,5 | 152 | 39 | 29 | 19 |
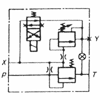
Гідравлічні схеми клапанів тиску МКПВ
| Номер схеми | Позначення клапана | Умовне позначення | Функція клапана |
| 2 | МКПВ-10/3 С2Р, МКПВ-10/3 С2Р1, МКПВ-10/3 С2Р2, МКПВ-10/3 С2Р3 МКПВ-20/3 С2Р, МКПВ-20/3 С2Р1, МКПВ-20/3 С2Р2, МКПВ-20/3 С2Р3 МКПВ-32/3 С2Р, МКПВ-32/3 С2Р1, МКПВ-32/3 С2Р2, МКПВ-32/3 С2Р3 |
![]() |
Запобігання гідросистемам від перевантажень, підтримці вбудованого тиску та дистанційному розвантаження через з'єднання отвору Х зі зливною лінією |
| 3 | МКПВ-10/3С3Р, МКПВ-10/3С3Р1, МКПВ-10/3С3Р2, МКПВ-10/3С3Р3 МКПВ-20/3С3Р, МКПВ-20/3С3Р1, МКПВ-20/3С3Р2, МКПВ-20/3С3Р3 МКПВ-32/3С3Р, МКПВ-32/3 С3Р1, МКПВ-32/3 С3Р2.24, МКПВ-32/3 С3Р3.110 |
![]() |
Запобігання гідросистемі від перевантажень і підтриманню налаштованого тиску за ввімкненого електромагнітного пілота, розвантаження — у разі вимкненого |
| 4 | МКПВ-10/3С4Р, МКПВ-10/3 С4Р1, МКПВ-10/3 С4Р2, МКПВ-10/3С4Р3 МКПВ-20/3С4Р, МКПВ-20/3 С4Р1, МКПВ-20/3 С4Р2, МКПВ-20/3С4Р3 МКПВ-32/3С4Р, МКПВ-32/3С4Р1, МКПВ-32/3С4Р2, МКПВ-32/3С4Р1 |
![]() |
Запобігання гідросистемі від перевантажень і підтриманню налаштованого тиску у разі вимкненого електромагнітного пілота, розвантаження — за ввімкненого |
Гідроклапан МКПВ 32/3С2Р1
|
|
Основні параметри клапана МКПВ-32/3С2Р1 УХЛ4: — номінальний тиск настроювання 10 МПа; — вага не більш ніж 6 кг. |
Гідроклапан МКПВ 10/3С2Р2
|
|
Основні параметри клапана МКПВ-10/3С2Р2 УХЛ4: — номінальний тиск налаштування 20 МПа; — вага — не більш ніж 3,6 кг. |
Гідроклапан МКПВ 20/3С2Р2
|
|
Основні параметри клапана МКПВ-20/3С2Р2 УХЛ4: — номінальний тиск налаштування 20 МПа; — вага — не більш ніж 3,5 кг. |
Гідроклапан МКПВ 32/3С2Р3
|
|
Основні параметри клапана МКПВ-32/3С2Р3 УХЛ4: — номінальний тиск налаштування 32 МПа; — вага не більш ніж 6 кг. |
Приклад умовного позначення гідроклапана запобіжного стикового монтажу з дистанційним гідравлічним керуванням розвантаженням, з діаметром умовного проходу 20 мм, з номінальним робочим тиском 10 МПа, з діапазоном регулювання тиску 2,0-25 МПа, з номінальною витратою робочої рідини 160 л/хв, для районів із помірним і холодним кліматом:
- Ціна: від 100 ₴





















