МКПВ, Гідроклапани запобіжні МКПВ 20/3С3Р1
|

Клапан МКПВ-20/3С2Р2
|
Гідроклапани запобіжні МКПВ 20/3С3Р1, МКПВ-20/3 С3 Р1 УХЛ4 стикового монтажу застосовуються для запобігання гідросистему від перевантаження у разі підвищення тиску, підтримання встановленої величини тиску та дистанційного розвантаження гідравлічних систем. Сфера застосування: гідроприводи пресів, верстатів, ливарних і литтявих машин, мобільної техніки та іншого гідрофільованого обладнання.
Запобіжні клапани тиску непрямої дії МКПВ 10/3 20/3 32/2 є стикового та трубного монтажу. На малюнку нижче показана конструкція запобіжного клапана тиску непрямої дії МКПВ стикового монтажу.
Клапан МКПВ-10 (20,32) складається з таких основних деталей і вузлів: корпусу 1, клапана 8, розміщеного в гільзі 10, пружини 9 і допоміжного клапана 3, а у виконанні з електрокеруванням вони додатково комплектуються електромагнітним пілотом 1РЕ6, що встановлюється на клапане 3. Робоча рідина з напірної лінії надходить до отвору Р корпусу та відводиться в зливну лінію через отвір Т. Отвір Р через малий отвір 11 в клапані 8 з'єднаний із надклапанною порожниною 2, звідки робоча рідина через клапан 3 може надходити в отвір Т каналом 7.
Якщо тиск у гідравлічній системі не перевищує тиску настроювання клапана 3 (регулюється гвинтом 6, що стискає пружину 5), останній закритий, тиску в торцевих порожнинах клапана 8 однакові, і він притискає пружиною 9 до конусного сідла гільзи 10, роз'єднуючи отвори Р і Т. Коли сила від тиску робочої рідини на конус 4 допоміжного клапана перевищує зусилля його пружини, конус відходить від сідла, і рідина в невеликій кількості з отвору Р через малий отвір 11, допоміжний клапан і канал 7 проходить в отвір Т.
|
|
Через падіння тиску в отворі 11 тиск у надклапанній порожнині 2 зменшується, і клапан під дією тиску в отворі Р підіймається вгору, стискаючи пружину 9 і з'єднуючи отвори Р і Т. Переміщення клапана вгору відбувається доти, поки сила від тиску в отворі Р не компенсує силу від тиску в порожнині 2 і силу пружини 9, після чого тиск у отворі Р (в напірній лінії гідравлічної системи) автоматично підтримується постійним у широкому діапазоні витрат робочої рідини через клапан.
У разі, якщо отвір Х з'єднати з лінією зливу, тиск у порожнині 2 впаде, і клапан 8 під дією невеликого тиску (приблизно 0,3 МПа) у отворі P підніметься, стискаючи порівняно слабку пружину 9 і з'єднуючи отвори Р і Т (режим розвантаження). У гідроклапанах МКПВ з електрокеруванням розвантаження відбувається у разі вимкненого (нормально відкрите виконання) або ввімкненого (нормально закритого виконання) електромагнітного пілота.
|
Конструкція запобіжного клапана непрямої дії МКПВ для стикового монтажу
Габаритні та приєднувальні розміри МКПВ-10/3С3, МКПВ-20/3С4, МКПВ-32/3С4
Габаритні та приєднувальні розміри МКПВ-10/3С2, МКПВ-20/3С2, МКПВ-32/3С2
Таблиця розмірів клапанів запобіжних МКПВ 10/3С2
| Позначення |
H |
H1 |
B1 |
L |
L1 |
L2 |
L3 |
L4 |
L5 |
L6 |
D |
D1 |
D2 |
МКПВ 10/3 С2В
МКПВ 10/3 С3В
МКПВ 10/3 С4В |
99 |
20,5 |
80 |
138,5 |
53,8 |
- |
22,1 |
47,5 |
21 |
89 |
22 |
14 |
13 |
МКПВ 10/3 С2Р
МКПВ 10/3 С3Р
МКПВ 10/3 С4Р |
99 |
20,5 |
80 |
144,5 |
53,8 |
- |
22,1 |
47,5 |
21 |
89 |
22 |
14 |
13 |
МКПВ 10/3 С2П
МКПВ 10/3 С3П
МКПВ 10/3 С4П |
99 |
20,5 |
80 |
149,5 |
53,8 |
- |
22,1 |
47,5 |
21 |
89 |
22 |
14 |
13 |
МКПВ 10/3 С2П
МКПВ 10/3 С3П
МКПВ 10/3 С4П |
99 |
20,5 |
80 |
176,5 |
53,8 |
- |
22,1 |
47,5 |
21 |
89 |
22 |
14 |
13 |
Таблиця розмірів клапанів запобіжних МКПВ 20/3С2
| Позначення |
H |
H1 |
B1 |
L |
L1 |
L2 |
L3 |
L4 |
L5 |
L6 |
D |
D1 |
D2 |
МКПВ 20/3 С2В
МКПВ 20/3 С3В
МКПВ 20/3 С4В |
99 |
25 |
100 |
146 |
66,7 |
23,8 |
11,1 |
55,6 |
34,5 |
116 |
32 |
23 |
17 |
МКПВ 20/3 С2Р
МКПВ 20/3 С3Р
МКПВ 20/3 С4Р |
99 |
25 |
100 |
152 |
66,7 |
23,8 |
11,1 |
55,6 |
34,5 |
116 |
32 |
23 |
17 |
МКПВ 20/3 С2П
МКПВ 20/3 С3П
МКПВ 20/3 С4П |
99 |
25 |
100 |
157 |
66,7 |
23,8 |
11,1 |
55,6 |
34,5 |
116 |
32 |
23 |
17 |
МКПВ 20/3 С2П
МКПВ 20/3 С3П
МКПВ 20/3 С4П |
99 |
25 |
100 |
184 |
66,7 |
23,8 |
11,1 |
55,6 |
34,5 |
116 |
32 |
23 |
17 |
Таблиця розмірів клапанів запобіжних МКПВ 32/3С2
| Позначення |
H |
H1 |
B1 |
L |
L1 |
L2 |
L3 |
L4 |
L5 |
L6 |
D |
D1 |
D2 |
МКПВ 32/3 С2В
МКПВ 32/3 С3В
МКПВ 32/3 С4В |
99 |
25 |
113 |
151 |
88,9 |
31,8 |
12,7 |
76,2 |
42,5 |
152 |
39 |
29 |
19 |
МКПВ 32/3 С2Р
МКПВ 32/3 С3Р
МКПВ 32/3 С4Р |
99 |
25 |
113 |
157 |
88,9 |
31,8 |
12,7 |
76,2 |
42,5 |
152 |
39 |
29 |
19 |
МКПВ 32/3 С2П
МКПВ 32/3 С3П
МКПВ 32/3 С4П |
99 |
25 |
113 |
162 |
88,9 |
31,8 |
12,7 |
76,2 |
42,5 |
152 |
39 |
29 |
19 |
МКПВ 32/3 С2П
МКПВ 32/3 С3П
МКПВ 32/3 С4П |
99 |
25 |
113 |
189 |
88,9 |
31,8 |
12,7 |
76,2 |
42,5 |
152 |
39 |
29 |
19 |
Основні параметри гідроклапана МКПВ стикового монтажу
| Позначення |
Ду, мм |
Номінальний тиск настроювання, МПа |
Діапазон регулювання тиску, МПа |
Номінальна витрата, л/хв |
Тип керування розвантаженням |
Маса, кг |
| Клапан МКПВ 10/3С2Р |
10 |
6,3 |
0,3-0,7 |
80,0 |
Дистанційне гідравлічне керування розвантаженням |
3,45 |
| Клапан МКПВ 10/3 С2Р1 (аналог 10-10-2-11) |
10,0 |
0,5-12,5 |
| Клапан МКПВ 10/3 С2Р2 (аналог 10-20-2-11) |
20,0 |
2,0-25,0 |
| Клапан МКПВ 10/3 С2Р3 (аналог 10-32-2-11) |
32,0 |
5,0-35,0 |
| Клапан МКПВ 20/3С2Р |
20 |
6,3 |
0,3-0,7 |
160,0 |
4,15 |
| Клапан МКПВ 20/3 С2Р1 (аналог 20-10-2-11) |
10,0 |
0,5-12,5 |
| Клапан МКПВ 20/3 С2Р2 (аналог 20-20-2-11) |
20,0 |
2,0-25,0 |
| Клапан МКПВ 20/3 С2Р3 (аналог 20-32-2-11) |
32,0 |
5,0-35,0 |
| Клапан МКПВ 32/3С2Р |
32 |
6,3 |
0,3-0,7 |
320,0 |
5,95 |
| Клапан МКПВ 32/3 С2Р1 (аналог 32-10-2-11) |
10,0 |
0,5-12,5 |
| Клапан МКПВ 32/3 С2Р2 (аналог 32-20-2-11) |
20,0 |
2,0-25,0 |
| Клапан МКПВ 32/3 С2Р3 (аналог 32-32-2-11) |
32,0 |
5,0-35,0 |
| Клапан МКПВ 10/3С3Р |
10 |
6,3 |
0,3-0,7 |
80,0 |
Електромагнітне керування розвантаженням, нормально розвантажуваний |
3,45 |
| Клапан МКПВ 10/3С3Р1 (аналог 10-10-2-133(-131,-132) |
10,0 |
0,5-12,5 |
| Клапан МКПВ 10/3С3Р2 (аналог 10-20-2-133(-131,-132) |
20,0 |
2,0-25,0 |
| Клапан МКПВ 10/3С3Р3 (аналог 10-32-2-133(-131,-132) |
32,0 |
5,0-35,0 |
| Клапан МКПВ 20/3С3Р |
20 |
6,3 |
0,3-0,7 |
160,0 |
4,15 |
| Клапан МКПВ 20/3С3Р1 (аналог 20-10-2-133(-131,-132) |
10,0 |
0,5-12,5 |
| Клапан МКПВ 20/3С3Р2 (аналог 20-20-2-133(-131,-132) |
20,0 |
2,0-25,0 |
| Клапан МКПВ 20/3С3Р3 (аналог 20-32-2-133(-131,-132) |
32,0 |
5,0-35,0 |
| Клапан МКПВ 32/3С3Р |
32 |
6,3 |
0,3-0,7 |
320,0 |
5,95 |
| Клапан МКПВ 32/3С3Р1 (аналог 32-10-2-133(-131,-132) |
10,0 |
0,5-12,5 |
| Клапан МКПВ 32/3С3Р2 (аналог 32-20-2-133(-131,-132) |
20,0 |
2,0-25,0 |
| Клапан МКПВ 32/3С3Р3 (аналог 32-32-2-133(-131,-132) |
32,0 |
5,0-35,0 |
| Клапан МКПВ 10/3С4Р |
10 |
6,3 |
0,3-0,7 |
80,0 |
Електромагнітне керування розвантаженням, нормально навантажений |
3,45 |
| Клапан МКПВ 10/3С4Р1 |
10,0 |
0,5-12,5 |
| Клапан МКПВ 10/3 С4Р2 |
20,0 |
2,0-25,0 |
| Клапан МКПВ 10/3С4Р3 |
32,0 |
5,0-35,0 |
| Клапан МКПВ 20/3С4Р |
20 |
6,3 |
0,3-0,7 |
160,0 |
4,15 |
| Клапан МКПВ 20/3С4Р1 |
10,0 |
0,5-12,5 |
| Клапан МКПВ 20/3 С4Р2 |
20,0 |
2,0-25,0 |
| Клапан МКПВ 20/3С4Р3 |
32,0 |
5,0-35,0 |
| Клапан МКПВ 32/3С4Р |
32 |
6,3 |
0,3-0,7 |
320,0 |
5,95 |
| Клапан МКПВ 32/3С4Р1 |
10,0 |
0,5-12,5 |
| Клапан МКПВ 32/3С4Р2 |
20,0 |
2,0-25,0 |
| Клапан МКПВ 32/3 С4Р3 |
32,0 |
5,0-35,0 |
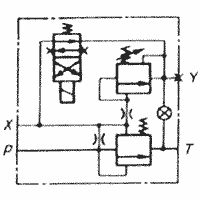
Гідравлічні схеми клапанів тиску МКПВ
| Номер схеми |
Позначення клапана |
Умовне позначення |
Функція клапана |
| 2 |
МКПВ-10/3 С2Р,
МКПВ-10/3 С2Р1,
МКПВ-10/3 С2Р2,
МКПВ-10/3 С2Р3
МКПВ-20/3 С2Р,
МКПВ-20/3 С2Р1,
МКПВ-20/3 С2Р2,
МКПВ-20/3 С2Р3
МКПВ-32/3 С2Р,
МКПВ-32/3 С2Р1,
МКПВ-32/3 С2Р2,
МКПВ-32/3 С2Р3 |
 |
Запобігання гідросистемам від перевантажень, підтримці вбудованого тиску та дистанційному розвантаження через з'єднання отвору Х зі зливною лінією |
| 3 |
МКПВ-10/3С3Р,
МКПВ-10/3С3Р1,
МКПВ-10/3С3Р2,
МКПВ-10/3С3Р3
МКПВ-20/3С3Р,
МКПВ-20/3С3Р1,
МКПВ-20/3С3Р2,
МКПВ-20/3С3Р3
МКПВ-32/3С3Р,
МКПВ-32/3 С3Р1,
МКПВ-32/3 С3Р2.24,
МКПВ-32/3 С3Р3.110 |
 |
Запобігання гідросистемі від перевантажень і підтримці налаштованого тиску за ввімкненого електромагнітного пілота, розвантаження — у разі вимкненого |
| 4 |
МКПВ-10/3С4Р,
МКПВ-10/3 С4Р1,
МКПВ-10/3 С4Р2,
МКПВ-10/3С4Р3
МКПВ-20/3С4Р,
МКПВ-20/3 С4Р1,
МКПВ-20/3 С4Р2,
МКПВ-20/3С4Р3
МКПВ-32/3С4Р,
МКПВ-32/3С4Р1,
МКПВ-32/3С4Р2,
МКПВ-32/3С4Р1 |
 |
Запобігання гідросистемі від перевантажень і підтримці налаштованого тиску у разі вимкненого електромагнітного пілота, розвантаження — за ввімкненого |
Гідроклапан МКПВ-32/3С2Р1
|

|
Основні параметри клапана МКПВ-32/3С2Р1 УХЛ4:
— номінальний тиск настроювання 10 МПа;
— витрата робочої рідини 320 л/хв;
— діапазон регулювання тиску 0,5-12,5 МПа;
— від керування розвантаженням — дістанційне гідравлічне керування розвантаженням;
— вага — не більш ніж 6 кг.
|
Клапан МКПВ 10/3С2Р2
|

|
Основні параметри клапана МКПВ-10/3С2Р2 УХЛ4:
— номінальний тиск налаштування 20 МПа;
— витрата робочої рідини 80 л/хв;
— діапазон регулювання тиску 2-25 МПа;
— від керування розвантаженням — дістанційне гідравлічне керування розвантаженням;
— вага — не більш ніж 3,6 кг.
|
Гідроклапан МКПВ 20/3С2Р2
|

|
Основні параметри клапана МКПВ-20/3С2Р2 УХЛ4:
— номінальний тиск налаштування 20 МПа;
— витрата робочої рідини 160 л/хв;
— діапазон регулювання тиску 0,5-22,5 МПа;
— від керування розвантаженням — дістанційне гідравлічне керування розвантаженням;
— вага — не більш ніж 3,5 кг.
|
Гідроклапан запобіжний МКПВ 32/3С2Р3
|

|
Основні параметри клапана МКПВ-32/3С2Р3 УХЛ4:
— номінальний тиск налаштування 32 МПа;
— витрата робочої рідини 320 л/хв;
— діапазон регулювання тиску 2-35,5 МПа;
— від керування розвантаженням — дістанційне гідравлічне керування розвантаженням;
— вага — не більш ніж 6 кг.
|
Приклад умовного позначення гідроклапана запобіжного стикового монтажу з дистанційним гідравлічним керуванням розвантаженням, з діаметром умовного проходу 20 мм, з номінальним робочим тиском 10 МПа, з діапазоном регулювання тиску 2,0-25 МПа, з номінальною витратою робочої рідини 160 л/хв, для районів із помірним і холодним кліматом:
Клапан гідравлічний запобіжний МКПВ-20/3 С2Р2 УХЛ4.
Те саме, але тільки з Ду= 32 мм і витратою 320 л/хв:
Клапан гідравлічний МКПВ-32/3С2Р1 УХЛ4.
|