
Пневморозподільник В64-13А-03
від 100 ₴
Показати оптові ціниМінімальна сума замовлення на сайті — 300 ₴
- В наявності
- Оптом і в роздріб
- Код: в64
- +380 (93) 845-70-32Відділ продажів
Пневморозподільники В64-13А-03 (нарізне приєднання)
|
Пневморозподільники В64-15А-03 |
Пневморозподільники В64 13А 03 УХЛ4 з нарізним приєднанням до пневмоліній, чотирилінійні двопозиційні з двостороннім електрокеруванням, пружинним або пневматичним поверненням призначені для зміни напрямку руху потоків стисненого повітря в пневмоприводах промислового призначення. |
Конструкція й принцип роботи пневморозподільників В64
з двостороннім електрокеруванням
|
|
Основні параметри В64-13А-03, В64-14А-03, В64-15А-03
| Параметри | Норми для типорозмірів | ||
| В64-13А-03 | В64-14А-03 | В64-15А-03 | |
| Умовний прохід, мм | 10 | 16 | 20 |
| Номінальний/ мінімальний тиск, МПа | 0,63 / 0,25 | ||
| Пропускна здатність, Кv за ГОСТ14691-69, м3/год, не менш ніж | 1,9 | 2,8 | 5,0 |
| Час спрацьовування за тиску 0,4 МПа, с, не більш ніж | 0,1 | 0,2 | |
| Номінальна напруга живлення, В: постійного струму/змінного струму 50 Гц/ змінного струму 60 Гц | 12,24,48,110 / 24,110,220,380 / 110,220 | ||
| Номінальна споживана потужність, не більш ніж: постійного струму, Вт/ змінного струму 50 Гц, ВА/змінного струму 60 Гц, ВА | 7 / 9 / 12 | ||
| Маса, кг | 2,0 | 2,0 | 3,1 |
| Приєднувальні різі пневморозподільника за ГОСТ 6111-52 | К3/8" | К1/2" | К3/4" |
Структура умовного позначення пневморозподільників В64-13А-03, В64-14А-03, В64-15А-03
| В64 | - | 1 | 4А | - | 03 | УХЛ | 4 | ||||
|
Категорія розміщення за ГОСТ 15150 (4)
|
|||||||||||
|
Кліматичне вироблення за ГОСТом 15150 (УХЛ, О)
|
|||||||||||
|
Умовний прохід: 3 - 10 мм; 4 - 16 мм; 5 - 20 мм
|
|||||||||||
|
Спосіб керування: 1 - двобічне електрокерування
|
|||||||||||
|
Пневморозподільник з електропневматичним керуванням
|
|||||||||||
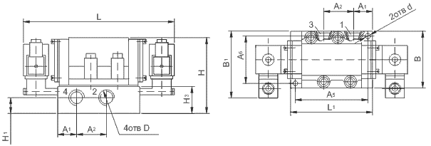
Габаритні та приєднувальні розміри

| Позначення | А1 | А2 | А5 | А6 | d | В | В1 | H | H1 | H3 | L | L1 |
| В64-13А-03 | 23,5 | 38 | 91 | 59 | 7 | 72 | 86 | 89,5 | 14,5 | 28,5 | 191 | 104 |
| В64-14А-03 | 23,5 | 38 | 91 | 59 | 7 | 72 | 86 | 89,5 | 14,5 | 28,5 | 191 | 104 |
| В64-15А-03 | 27,5 | 50 | 117 | 77 | 9 | 90 | 95 | 109 | 19 | 38 | 217 | 130 |
Фотографії з описом продукції
Пневморозподільник В64-15А-03
|
|
Основні параметри розподілювача В64 15 03 УХЛ4: |
Пневморозподільник В64-14А-03
|
|
Основні параметри розподілювача В64 14 03 УХЛ4: |
Пневморозподільник В64-13А-03
|
|
Основні параметри розподілювача В64 13 03 УХЛ4: |
Приклад умовного позначення пневморозподільника чотирилінійного, з електропневматичним двостороннім керуванням, умовним проходом 16 мм, з нарізним приєднанням пневмоліній, керування 24 В постійного струму, кліматичного виконання УХЛ, категорії розміщення 4:
Пневморозподільник В64-14А-03 (=24) УХЛ4 ТУ2-053-1633-83;
— те саме, з умовним проходом 10 мм, керування 220 В змінного струму 50 Гц:
Пневморозподільник В64-13А-03 (~220) УХЛ4 ТУ2-053-1633-83.
| Основні | |
|---|---|
| Виробник | L&L |
- Ціна: від 100 ₴











.jpg)


.jpg)
