
Пневмовентиль ВВ-352
від 100 ₴
Показати оптові ціниМінімальна сума замовлення на сайті — 300 ₴
- В наявності
- Оптом і в роздріб
- Код: вв
- +380 (93) 845-70-32Відділ продажів
Електропневмовентиль ВВ-352
|
|
Вентилі електропневматичні (пневмовентили) ВВ-352 12 В 24 В 75 В 110 В 380 В УХЛ4 розроблені замість застарілої серії вентилів ВВ-32Ш і ВВ-34Ш на базі електромагнітного (привода) ПЕ35 і використовуються для дистанційного (електричного) керування пневмоприводами. Основні параметри ВВ-32, ВВ-34, ВВ-351 і ВВ-352
|
|||||||||||||||||||||||||||||||||||
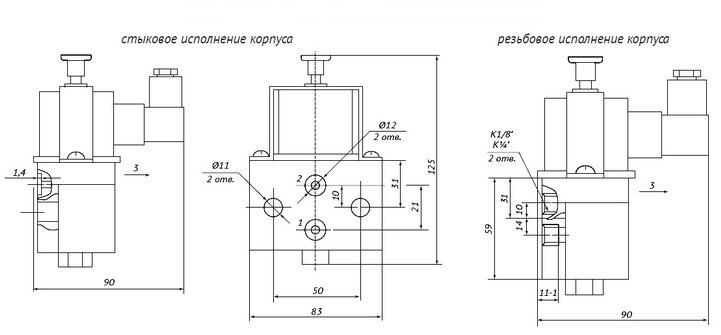
Габаритні та приєднувальні розміри вентилів ВВ-32, ВВ-34, ВВ 351 і ВВ 352

Таблиця розмірів електропневматичних вентилів ВВ 351 і ВВ 352
| Розміри, мм | H | A | B | C | D | F | K | M | N | S | E |
| Вентиль ВВ-351 | 130 | 21 | 72 | 50 | 75 | 70 | 11 | 5 | 9 | 36 | 14 |
| Вентиль ВВ-352 | 150 | 30 | 72 | 64 | 90 | 70 | 11 | 13 | 16,5 | 36 | 14 |
Примітка: габаритний розмір В залежить від типу з'єднувача, що встановлюється на пневмоелектричний вентиль ВВ 351 (ВВ-32(Ш)), ВВ 352 (ВВ-34(Ш)), але в таблиці цей розмір вказаний тільки для з'єднувача типу CЭ, для визначення цього розміру для інших типів з'єднувачів див. рис. вище.
Зазначимо ще раз, що електропневматичні вентилі ВВ 351 і ВВ 352 постачаються на ринок промислового обладнання замість застарілих моделей ВВ-32 (или ВВ32) и ВВ-34 (или ВВ34).
Пневмовентиль ВВ-32Ш
|
|
Основні параметри електропневмовентилю (вентиля електропневматичного) ВВ 32Ш УХЛ4: — приєднання до електромережі — через роз'єм; |
Пневмовентиль ВВ-34Ш
|
|
Основні параметри електропневмовентилю (вентиля електропневматичного) ВВ 34Ш УХЛ4: — приєднання до електромережі — через роз'єм; |
Пневмовентиль ВВ-32
|
|
Основні параметри електропневмовентилю (вентиля електропневматичного) ВВ 32 УХЛ4: — приєднання до електромережі — через клеми; |
Пневмовентиль ВВ-34
|
|
Основні параметри електропневмовентилю (вентиля електропневматичного) ВВ 34 УХЛ4: — приєднання до електромережі — через клеми; |
Пневмовентиль ВВ-351
|
|
Основні параметри електропневмовентилю (вентиля електропневматичного) ВВ 351 УХЛ4: — приєднання до електромережі — через клеми; |
Пневмовентиль ВВ-352
|
|
Основні параметри електропневмовентилю (вентиля електропневматичного) ВВ 352 УХЛ4: — приєднання до електромережі — через клеми; |
Приклад умовного позначення вентиля пневмоелектричного, розрахованого на номінальний тиск 1 МПа, з робочим діапазоном тисків у пневмосистемі від 0,35 МПа до 0,85 МПа з числом вмиканням на годину не більш ніж 1200 разів і перерізом проходу впускного 8 мм, випускного 14 мм:
Вентиль електропневматичний ВВ-32.
- Ціна: від 100 ₴















.png)
