
1ФГМ16-10К. Фільтр напірний 1 ФГМ 16-10 К
від 100 ₴
Показати оптові ціниМінімальна сума замовлення на сайті — 300 ₴
- В наявності
- Оптом і в роздріб
- Код: фгм
- +380 (93) 845-70-32Відділ продажів
Фільтри опорні 1ФГМ16-10К
|
|
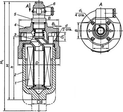
Фільтри опорні 1 ФГМ 16-10 К УХЛ4 (заміна ФГІ, Ф7) з індикатором забрудненості призначені для очищення від механічних домішок мінеральних олив. Фільтри 1ФГМ16, 2ФГМ16 використовуються в токарних верстатах, пресах та іншому обладнанні. Габаритні та приєднувальні розміри ФГМ16
|
|||
Основні параметри фільтрів напірних 1ФГМ16, 2ФГМ16
| Марка фільтра | Умовний прохід | Номінальний тиск | Номінальна витрата | Вага | Габаритні розміри |
| мм | МПа | л/хв | кг | мм | |
| Фільтр 1ФГМ16-05К (05М) | 12 | 16 | 16 | 2,0 | 268x106 |
| Фільтр 1ФГМ16-10К (10М) | 12 | 16 | 40 | 2,0 | 268x106 |
| Фільтр 1ФГМ-16-25К (25М) | 12 | 16 | 50 | 2,0 | 268x106 |
| Фільтр 1ФГМ16-40К (40М) | 12 | 16 | 63 | 2,0 | 268x106 |
| Фільтр 2ФГМ16-10К (10М) | 20 | 16 | 80 | 3,6 | 368x106 |
| Фільтр 2ФГМ-16-25К (25М) | 20 | 16 | 80 | 3,6 | 368x106 |
| Фільтр 2ФГМ16-40К (40М) | 20 | 16 | 100 | 3,6 | 368x106 |
Пристрій і робота фільтрів 1ФГМ16, 2ФГМ16
|
|
Фільтр типу ФГМ16 (як і фільтр ФГМ32, розрахований на номінальний тиск 32 МПа) складається з головки 1 з вхідним і вихідним отворами, склянки 2, з'єднаного герметично з головкою. Усередині склянки, на сідлі 3 встановлений фільтроелемент 4. На головці розміщений індикатор забрудненості, у корпусі якого є засоби для сигналізації про засмічення фільтрувального елемента та перепуску неочищеної рідини. Фільтр 1ФГМ16-10 (25) працює так: |
||
Структура умовного позначення фільтрів ФГМ
| 1ФГМ | 16 | - | 10 | К | УХЛ4 | ||||
|
Кліматичне виконання за ГОСТ 15150: УХЛ4, 04.1
|
|||||||||
|
Тип різі на вхідному та вихідному отворах фільтра:
М — метрична, К — конічна |
|||||||||
|
Номінальна тонкість фільтрації: 05, 10, 25, 40 мкм
|
|||||||||
|
Номінальний тиск: 16 або 32 МПа
|
|||||||||
|
Виготовлення фільтрів за габаритом:
1 — Ду=12 мм, 2 — Ду = 20 мм, 3 — Ду=32 мм, 4 — Ду=40 мм |
|||||||||
Фільтр напірний 1ФГМ16-10К
|
|
Основні параметри фільтра гідравлічного (напірного) 1 ФГМ 16-10 К УХЛ4: |
Фільтр напірний 1ФГМ16-25К
|
|
Основні параметри фільтра гідравлічного (напірного) 1 ФГМ 16-25 К УХЛ4: |
Фільтр напірний 1ФГМ16-40К
|
|
Основні параметри фільтри гідравлічного (напірного) 1 ФГМ 16-40 К УХЛ4: |
Фільтр напірний 2ФГМ16-10К
|
|
Основні параметри фільтра гідравлічного (напірного) 2 ФГМ 16-10 К УХЛ4: |
Фільтр напірний 2ФГМ16-25К
|
|
Основні параметри фільтри гідравлічного (напірного) 2 ФГМ 16-25 К УХЛ4: |
Фільтр напірний 2ФГМ16-40К
|
|
Основні параметри фільтри гідравлічного (напірного) 2 ФГМ 16-40 К (2ФГМ16-40) УХЛ4: |
Приклад умовного позначення фільтра напірного з умовним проходом 12 мм, на номінальний тиск 16 МПа, з чистотою фільтрації 40 мкм, тип приєднувальної різі — конічна, для районів із помірним і холодним кліматом:
Фільтр напірний 1ФГМ16-25К УХЛ4.
- Ціна: від 100 ₴



















