Гідроклапани зворотні Г51-25
|

Гідроклапани Г51-2
|
Клапани зворотні Г51 25 УХЛ4 призначені для забезпечення однобічного потоку рідини в гідросистемах верстатів, пресів і підтримки тиску в зливних оливопроводах гідросистем. Зворотні клапани вільно пропускають потік робочої рідини в одному напрямку; під час руху в протилежному напрямку клапани замикають потік.
Зворотні клапани Г51-35(31,32,33,34,36), а також Г51-25(21,22,23,24,26) (старе позначення) має бути герметичним у закритому положенні та мати мінімальний гідравлічний опір у відкритому положенні. Гідроклапани Г51-3 мають кілька виконань за тиском відкривання в межах 0,05-0,5 МПа; клапани з підвищеним тиском можуть використовуватися як підпірні. Керовані зворотні клапани (гідрозамки) з мінімальним опором пропускають прямий потік робочої рідини, а зворотний потік можливий лише після примусового відкриття запірного елемента за допомогою гідравлічно керованого плунжера.
Виконання після приєднання:
Клапан Г51-21, Г51-22, Г51-23, Г51-24, Г51-25 нарізне приєднання.
Клапан Г51-26, Г51-27 фланцове приєднання.
Основні параметри клапанів зворотних Г51-3 (Г51-2)
| Поточне (старше) найменування |
Умовний прохід, мм |
Приєднання |
Ном. тиск на вході, МПа |
Ном. витрата рідини, л/хв |
Маса, кг |
| Г51-31 (Г51-21) |
8 |
К1/4" |
20 |
16 |
1,2 |
| Г51-32 (Г51-22) |
10 |
К3/8" |
20 |
32 |
1,2 |
| Г51-33 (Г51-23) |
16 |
К1/2" |
20 |
63 |
1,6 |
| Г51-34 (Г51-24) |
20 |
К3/4" |
20 |
125 |
1,6 |
| Г51-35 (Г51-25) |
32 |
К1 1/4" |
20 |
250 |
5,45 |
| Г51-36 (Г51-26) |
40 |
фланцеве |
20 |
500 |
14 |
| Г51-37 (Г51-27) |
50 |
фланцеве |
20 |
800 |
33 |
|
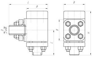
Габаритні та приєднувальні розміри гідроклапанів Г51-2
Г51-3... нарізне приєднання
 |
Тип |
d |
D |
L |
H |
B |
З |
Г51-3... фланцове приєднання
 |
| Гідроклапан Г 51-21 |
К1/4" |
- |
55 |
83 |
52 |
40 |
| Гидроклапан Г 51-22 |
К3/8" |
- |
55 |
83 |
52 |
40 |
| Гидроклапан Г 51-23 |
К1/2" |
- |
70 |
105 |
52 |
54 |
| Гидроклапан Г 51-24 |
К3/4" |
- |
70 |
105 |
52 |
54 |
| Гидроклапан Г 51-25 |
К1 1/4" |
- |
103 |
138 |
82 |
69 |
| Гідроклапан Г 51-26 |
- |
36 |
186 |
213 |
102 |
121 |
| Гідроклапан Г 51-27 |
- |
56 |
236 |
294 |
132 |
154 |
Конструкція клапанів зворотних Г51-2
|

|
Клапани зворотні Г51-3... і їхні застарілі аналоги Г51-2... складаються з корпусу 1, до конічного сідла якого корком 5 через пружину 4 притискають плунжер 3. Олія, що підводиться в отвір 7, підіймає плунжер і проходить у відвідний отвір 2. У разі зміни напрямку напрямку тиску оливи в отворі 2 (і порожнини 6) разом із пружиною 4 щільно притискає плунжер до сідла, усуваючи можливість зворотного потоку. Основні параметри гідроклапанів зворотних Г51-3... наведені в таблиці.
|
Гідроклапан зворотний Г51-23
|

|
Основні параметри клапана Г51-33 (23) УХЛ4:
— номінальний тиск на вході 20 МПа;
— витрата робочої рідини 63 л/хв;
— приєднання до гідросистеми — трубне;
— вага не більш ніж 1,5 кг.
|
Гідроклапан зворотний Г51-24
|

|
Основні параметри клапана зворотного Г51-34 (24) УХЛ4:
— номінальний тиск на вході 20 МПа;
— витрата робочої рідини 125 л/хв;
— приєднання до гідросистеми — трубне;
|
Приклад умовного позначення під час замовлення гідроклапана зворотного з нарізним приєднанням К1/2", з умовним проходом 16 мм, з номінальною витратою рідини 63 літри на хвилину, з номінальним тиском на вході 20 МПа, для роботи в помірному кліматі:
Гідроклапан зворотний Г51-23 УХЛ4.
|