Регулятори витрати (потоку) МПГ55-22
|

Регулятор потока МПГ55-24М
|
Регулятор витрати (дросель) МПГ 55 22 М УХЛ4 встановлюється в гідросистемах там, де потрібна підтримка встановленої швидкості переміщення робочих органів станків та інших стаціонарно машин, що працюють незалежно від навантаження.
Регулятори потоку модернізовані звичайній міцності МПГ55-22(24,25)М складаються з гідродросселю та редукційного клапана, який підтримує постійний перепад тиску на дроселювальної щілини, завдяки чому витрата робочої рідини, що проходить через гідродросель, не залежить від тиску на вході та виході з нього.
Гідравлічні регулятори потоку МПГ-55-22М, МПГ-55-24М, МПГ-55-25М працюють на мінеральних олив з тонкістю фільтрації 25 мкм, в'язкістю 10-200 сСт за температури оливи від +10 до +70 °C і температури довкілля від +1 до +40 °C.
Регулятори витрати МПГ 55-2 випускаються на ном. тиск 20 МПа та 32 МПа. Залежно від номінальної витрати робочої рідини регулятори витрати МПГ55-2 бувають трьох виконань:
МПГ55-22 - з умовним проходом 10 мм;
МПГ55-24 - з умовним проходом 16 мм;
МПГ55-25 — з умовним проходом 20 мм.
Умовне позначення регулятора витрати МПГ55-2
| Х |
|
МПГ55-2 |
|
Х |
|
Х |
|
ХХХХ |
|
| |
|
|
|
Кліматичне виконання за ГОСТ 15150: УХЛ4, 04.1
|
|
Наявність замкового пристрою: без індексу — ні, 1 — є
|
Умовний прохід: 2 - Ду=10 мм, 4 - Ду=16 мм, 5 - Ду=20 мм 
|
|
Тип регулятора витрати
|
|
Виготовлення за міцністю: без індексу — нормальна міцність, 2 — підвищена міцність
|
Примітка: взагалі, буква М ("модернізований") після індексу умовного проходу може не бути в маркуванні цього регулятора, наприклад, регулятор витрати МПГ55-24 УХЛ4.
|
Параметри гідравлічних регуляторів потоку МПГ55-2
| Позначення |
Ду, мм |
Витрата робочої рідини ном./хв/макс., л/хв |
Тиск на вході ном./хв./макс., МПа |
Макс. тиск на виході, МПа |
Перепад тиску на дроселі регулятора витрати не менш ніж МПа |
Витрата витікань оливи через повністю закритий дросель не більш ніж см3/хв |
Допустиме відхилення встановленої витрати не більш ніж % |
Маса не більш ніж кг |
| МПГ55-22(М) |
10 |
25 / 0,04 / 32 |
20 / 0,5 / 21,5 |
20 |
0,15 - 0,25 |
30 |
± 5 |
4,0 |
| 2МПГ 55-22(М) |
| МПГ55-24М |
16 |
100 / 0,09 / 120 |
70 |
7,5 |
| 2МПГ55-24(М) |
| МПГ 55-25М |
20 |
200 / 0,15 / 240 |
120 |
15,5 |
| 2МПГ55-25(М) |
Фотографії та параметри регуляторів витрати МПГ55-25 (24)
Габаритні та приєднувальні розміри МПГ55-2
|

|
|
| Найменування, Ду |
L |
B |
H |
H* |
h |
h1 |
d |
d1 |
d2 |
a |
a1 |
a2 |
a3 |
a4 |
b |
b1 |
b2 |
b3 |
| МПГ55-22М, 2 МПГ55-22М (Ду=10 мм) |
108 |
100 |
88 |
137 |
54 |
44 |
9 |
10 |
4 |
102 |
76,2 |
54 |
8 |
9,5 |
82,5 |
52,5 |
36 |
11 |
| МПГ55-24М, 2МПГ55-24М (Ду=16мм) |
133 |
126 |
107 |
156 |
67 |
51 |
11 |
18 |
4 |
126 |
101,6 |
71,4 |
20,8 |
20,6 |
101,6 |
88,9 |
54,6 |
12,7 |
| МПГ55-25М, 2 МПГ55-25М (Ду=20 мм) |
178 |
166 |
132 |
175 |
92 |
72 |
17 |
28,7 |
4 |
178 |
146 |
104,8 |
28 |
22,3 |
133,5 |
104,8 |
66 |
12,7 |
|
|
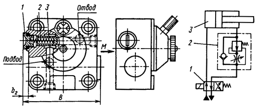
Конструкція та принцип роботи МПГ 55-25(М), МПГ 55-22(М), МПГ 55-24(М)
|
|
|

|
Конструктивні елементи регулятора потока МПГ55-22М(24М,25М):
1 - корпус;
2 - втулка;
3 — втулка-дросель;
4,6 — гайки;
5 - регулювальний гвинт;
7 - лімб;
8 — покажчик обертів;
9 — кулька;
10,11,12,15 — пружини;
12 — отвір відведення;
13,17,18 — отвори;
14,16,20 — порожнини;
10 - золотушник;
21 — заглушка.
Опис роботи регулятора потоку МПГ55-25М ( 22М, 24М):
Робоча рідина з гідросистеми надходить до отвору підведення 18 і далі через отвори 17 і 13 в корпусі ось втулку 2. Далі робоча рідина через дроселювальну щілину втулки 2 надходить до отвору відведення 12. Отвір 17 повідомляється з порожнинами 20 і 16, а отвір відведення 12 — з порожниною 14. Золотик 19 перебуває в рівноважному положенні під дією зусилля пружини 15 і зусиль, що виникли в момент підведення тиску в його торцеві порожнини 20, 16 і 14. У разі збільшення тиску в напірній магістралі гідросистеми тиск у отворах 18, 17, 13 підвищується, що призводить до порушення рівноваги сил, що діють на позолотниковий механізм.
Під дією гідростатичних сил, створюваних тиском робочої рідини в порожнинах 20 і 16, золотушник переміщається в бік пружини, а отже, його дрослювальна крайка змінює опір витраті потоку робочої рідини, завдяки цьому тиск на вході в гідродросель (отворність 13) зменшується, порівнюючи з тиском у напірній магістралі. Оскільки на дроселювальній щілині підтримується постійний перепад тиску.
Витрата робочої рідини регулюється зміною прохідного перерізу дроселювальної щілини у втулці 2 завдяки осьовому переміщенню втулки-дроселя 3 за допомогою гайки 4 в один бік і пружини 11 — в іншу. Гайці 4 обертання передається через лімб 7 і гвинт 5. Лімб можна повертати до 4 обертів. Після кожного оберту лімб за допомогою штифта повертає на 1/4 оберту покажчик обертів 8, який фіксується від мимовільного обертання кулькою 9 і пружиною 10. Під час повороту лімба за годинниковою стрілкою витрата робочої рідини збільшується, проти — зменшується. Фіксація лімба здійснюється гайкою 6.
Стики корків і корпусу, з'єднання регулювального гвинта та втулки ущільнюються гумовими кільцями за ГОСТ 9833-73 (ГОСТ 18829-73) (див. таблицю нижче: Комплект постачання МПГ55-2...М). |
Комплект постачання регулятора потоку МПГ55-22М (МПГ55-24М, МПГ55-25М)
| Найменування |
Позначення |
Кількість для МПГ55-22М (Ду=10 мм), шт. |
Кількість для МПГ55-24М (Ду=16 мм), шт. |
Кількість для МПГ55-25М (Ду=20 мм), шт. |
| Регулятор витрати |
МПГ55-2...М |
1 |
1 |
1 |
| Кільця гумові ущільнювальні ГОСТ 9833-73 (ГОСТ 18829-73) |
006-010-25-2 |
1 |
1 |
1 |
| 012-016-25-2 |
2 |
- |
- |
| 032-037-30-2 |
- |
2 |
2 |
| Паспорт |
МПГ55-2М ПС |
1 |
1 |
1 |
Регулятор витрати МПГ55-22М
|

|
Основні параметри регулятора потоку МПГ55-22 УХЛ4:
— умовний прохід 10 мм;
— витрата робочої рідини 25 л/хв;
— тиск на вході 20 МПа;
— перепад тиску на дроселі регулятора витрати не менш ніж 0,25 МПа;
— вага не більш ніж 4 кг.
|
Регулятор витрати МПГ55-24М
|

|
Основні параметри регулятора потоку МПГ55-24 УХЛ4:
— умовний прохід 16 мм;
— витрата робочої рідини 100 л/хв;
— тиск на вході 20 МПа;
— перепад тиску на дроселі регулятора витрати не менш ніж 0,25 МПа;
— вага — 7,5 кг
|
Регулятор витрати МПГ55-25М
|

|
Основні параметри регулятора потоку МПГ55-25 УХЛ4:
— умовний прохід 32 мм;
— витрата робочої рідини 200 л/хв;
— тиск на вході 20 МПа;
— перепад тиску на дроселі регулятора витрати не менш ніж 0,25 МПа;
— вага не більш ніж 15 кг
|
Приклад умовного позначення регулятора витрати робочої рідини нормальної міцності з умовним проходом 10 мм, з номінальним тиском на вході 20 МПа, з номінальною витратою робочої рідини 25 л/хв, для районів із помірним і холодним кліматом, категорія розміщення 4:
Регулятор витрати МПГ55-22М УХЛ4.